Electrolux LCB3LE20W0 Chest Freezer

WE’RE THINKING OF YOU
Thank you for purchasing an Electrolux appliance. You’ve chosen a product that brings with it decades of professional experience and innovation. Ingenious and stylish, it has been designed with you in mind. So whenever you use it, you can be safe in the knowledge that you’ll get great results every time.
Welcome to Electrolux.
Visit our website to:
Get usage advice, brochures, trouble shooter, service and repair information: www.electrolux.com/support
Register your product for better service: www.registerelectrolux.com
Buy Accessories, Consumables and Original spare parts for your appliance:www.electrolux.com/shop
CUSTOMER CARE AND SERVICE
Always use original spare parts.
When contacting our Authorised Service Centre, ensure that you have the following data available: Model, PNC, Serial Number.
The information can be found on the rating plate.
Warning / Caution-Safety information General information and tips Environmental information Subject to change without notice.
SAFETY INFORMATION
Before the installation and use of the appliance, carefully read the supplied instructions. The manufacturer is not responsible for any injuries or damage that are the result of incorrect installation or usage. Always keep the instructions in a safe and accessible location for future reference
Children and vulnerable people safety
- This appliance can be used by children aged from 8 years and above and persons with reduced physical, sensory or mental capabilities or lack of experience and knowledge if they have been given supervision or instruction concerning the use of the appliance in a safe way and understand the hazards involved.
- Children between 3 and 8 years of age and persons with very extensive and complex disabilities shall be kept away from the appliance unless continuously supervised.
- Children of less than 3 years of age should be kept away from the appliance unless continuously supervised.
- Children should be supervised to ensure that they do not play with the appliance.
- Children shall not carry out cleaning and user maintenance of the appliance without supervision.
- Keep all packaging away from children and dispose of it appropriately.
General Safety
- This appliance is for storing food and beverages only.
- This appliance is designed for single household domestic use in an indoor environment.
- This appliance may be used in, offices, hotel guest rooms, bed & breakfast guest rooms, farm guest houses and other similar accommodation where such use does not exceed (average) domestic usage levels.
- To avoid contamination of food respect the following instructions:
- do not open the door for long periods;
- clean regularly surfaces that can come in contact with food and accessible drainage systems;
- WARNING: Keep ventilation openings, in the appliance enclosure or in the built-in structure, clear of obstruction.
- WARNING: Do not use mechanical devices or other means to accelerate the defrosting process, other than those recommended by the manufacturer.
- WARNING: Do not damage the refrigerant circuit.
- WARNING: Do not use electrical appliances inside the food storage compartments of the appliance, unless they are of the type recommended by the manufacturer.
- Do not use water spray and steam to clean the appliance.
- Clean the appliance with a moist soft cloth. Only use neutral detergents. Do not use abrasive products, abrasive cleaning pads, solvents or metal objects.
- When the appliance is empty for long period, switch it off, defrost, clean, dry and leave the door open to prevent mould from developing within the appliance.
- Do not store explosive substances such as aerosol cans with a flammable propellant in this appliance.
- If the supply cord is damaged, it must be replaced by the manufacturer, its Authorised Service Centre or similarly qualified persons in order to avoid a hazard.
SAFETY INSTRUCTIONS
Installation
WARNING!
Only a qualified person must install this appliance.
- Remove all the packaging.
- Do not install or use a damaged appliance.
- Follow the installation instructions supplied with the appliance.
- Always take care when moving the appliance as it is heavy. Always use safety gloves and enclosed footwear.
- Make sure the air can circulate around the appliance.
- At first installation wait at least 4 hours before connecting the appliance
to the power supply. This is to allow the oil to flow back in the compressor.
- Before carrying out any operations on the appliance, remove the plug from the power socket.
- Do not install the appliance close to radiators or cookers, ovens or hobs.
- Do not expose the appliance to the rain.
- Do not install the appliance where there is direct sunlight.
- Do not install this appliance in areas
that are too humid or too cold.
- When you move the appliance, lift it by the edge with adjustable feet. Do not lift the appliance by the edge with wheels as you might scratch the floor.
Electrical connection
WARNING!
Risk of fire and electric shock.
WARNING!
When positioning the appliance, ensure the supply cord is not trapped or damaged.
WARNING!
Do not use multi-plug adapters and extension cables.
- The appliance must be earthed.
- Make sure that the parameters on the rating plate are compatible with the electrical ratings of the mains power supply.
- Always use a correctly installed shockproof socket.
- Make sure not to cause damage to the electrical components (e.g. mains plug, mains cable, compressor). Contact the Authorised Service Centre or an electrician to change the electrical components.
- The mains cable must stay below the level of the mains plug.
- Connect the mains plug to the mains socket only at the end of the installation. Make sure that there is access to the mains plug after the installation.
- Do not pull the mains cable to disconnect the appliance. Always pull the mains plug.
Use
WARNING!
Risk of injury, burns, electric shock or fire.
The appliance contains flammable gas, isobutane (R600a), a natural gas with a high level of environmental compatibility. Be careful not to cause damage to the refrigerant circuit containing isobutane.
- Do not change the specification of this appliance.
- Do not put electrical appliances (e.g. ice cream makers) in the appliance unless they are stated applicable by the manufacturer.
- If damage occurs to the refrigerant circuit, make sure that there are no flames and sources of ignition in the room. Ventilate the room.
- Do not let hot items to touch the plastic parts of the appliance.
- Do not put soft drinks in the freezer compartment. This will create pressure on the drink container.
- Do not store flammable gas and liquid in the appliance.
- Do not put flammable products or items that are wet with flammable products in, near or on the appliance.
- Do not touch the compressor or the condenser. They are hot.
- Do not remove or touch items from the freezer compartment if your hands are wet or damp.
- Do not freeze again food that has been thawed.
- Follow the storage instructions on the packaging of frozen food.
- Wrap the food in any food contact material before putting it in the freezer compartment.
Internal lighting
WARNING!
Risk of electric shock.
- Concerning the lamp(s) inside this product and spare part lamps sold separately: These lamps are intended to withstand extreme physical conditions in household appliances, such as temperature, vibration, humidity, or are intended to signal information about the operational status of the appliance. They are not intended to be used in other applications and are not suitable for household room illumination.
Care and cleaning
WARNING!
Risk of injury or damage to the appliance.
- Before maintenance, deactivate the appliance and disconnect the mains plug from the mains socket.
- This appliance contains hydrocarbons in the cooling unit. Only a qualified person must do the maintenance and the recharging of the unit.
- Regularly examine the drain of the appliance and if necessary, clean it. If the drain is blocked, defrosted water collects in the bottom of the appliance
Service
- To repair the appliance contact the Authorised Service Centre. Use original spare parts only.
- Please note that self-repair or non-professional repair can have safety consequences and might void the guarantee.
INSTALLATION
WARNING!
Refer to Safety chapters.
- The following spare parts will be available for 7 years after the model has been discontinued: thermostats, temperature sensors, printed circuit boards, light sources, door handles, door hinges, trays and baskets. Please note that some of these spare parts are only available to professional repairers, and that not all spare parts are relevant for all models.
- Door gaskets will be available for 10 years after the model has been discontinued
Disposal
WARNING!
Risk of injury or suffocation.
- Disconnect the appliance from the mains supply.
- Cut off the mains cable and discard it.
- Remove the door to prevent children and pets to be closed inside of the appliance.
- The refrigerant circuit and the insulation materials of this appliance are ozone-friendly.
- The insulation foam contains flammable gas. Contact your municipal authority for information on how to discard the appliance correctly.
- Do not cause damage to the part of the cooling unit that is near the heat exchanger.
Dimensions

| Overall dimensions | 1) | |
| H1 | mm | 845 |
| W1 | mm | 905 |
| D1 | mm | 545 |
- the width, height and depth of the appliance without the handle
| Space required in use | 1) | |
| H2 | mm | 945 |
| W2 | mm | 1105 |
| D2 | mm | 710 |
- the height, width and depth of the appliance including the handle, plus the space necessary for free circulation of the cooling air
| Overall space required in use 1) | ||
| H3 | mm | 1397 |
| W2 | mm | 1105 |
| Overall space required in use 1) |
| D2 mm 710 |
- the height, width and depth of the appliance including the handle, plus the space necessary for free circulation of the cooling
air, plus the space necessary to allow door opening to the minimum angle permitting removal of all internal equipment
Location
The appliance should be installed well away from any sources of heat, such as radiators, boilers, direct sunlight, etc.
- Place the appliance in a horizontal position on a solid surface.
- Make sure that the appliance stands level.
This can be achieved by two adjustable feet at the bottom on the left side of the appliance. Unscrew the feet anticlockwise to set them higher. - To achieve the best performance, do not place the appliance below overhanging wall units.
- Make sure the air can circulate freely around the appliance.
If, due to different installation, proper ventilation requirements are not respected, the appliance will function correctly but energy consumption might increase slightly.
It must be possible to disconnect the appliance from the mains power supply. The plug must therefore be easily accessible after installation.
Positioning
This appliance is not intended to be used as a built-in appliance.
This appliance should be installed in a dry, well ventilated indoor position. The ambient humidity should not exceed 75%.
This appliance is intended to be used at ambient temperature ranging from 10°C to 43°C. The correct operation of the appliance can only be guaranteed within the specified temperature range.
If you have any doubts regarding where to install the appliance, please turn to the vendor, to our customer service or to the nearest Authorised Service Centre.
Electrical connection
- Before plugging in, ensure that the voltage and frequency shown on the rating plate correspond to your domestic power supply.
- The appliance must be earthed. The power supply cable plug is provided with a contact for this purpose. If the domestic power supply socket is not earthed, connect the appliance to a separate earth in compliance with current regulations, consulting a qualified electrician.
- The manufacturer declines all responsibility if the above safety precautions are not observed.
- This appliance complies with the E.E.C. Directives
Handle installation guide
- Take out the handle base and 4 screws from the plastic bag..
- Place the handle in position according to the Use Phillips screwdriver to fix the handle base to the lid.

- Take out the handle cover from the plastic bag. To avoid installing the handle cover upside down check the cover direction before installation.


- Push the cover to the front side of the handle base.

- Some models are equipped with the lock. To install the lock hook take out the lock hook and 2 pieces of roundhead screws from the plastic bag. Use a Phillips screwdriver to assembly the lock hook to the front side of the appliance.

GENERAL OVERVIEW
Description of the appliance

- Handle
- Basket
- Control panel
- Outer drain plug
- Adjustable feet
CONTROL PANEL
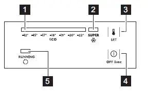
Control panel

- Temperature indicator
- SUPER indicator
- SET button
- OFF button
- Running indicator
Switching ON/OFF
- To switch on the appliance insert the plug into the mains socket.
- If the indicators are off, press the OFF button for 3 seconds.
- To switch off the appliance, press the OFF button for 3 seconds
Temperature regulation
To set the temperature:
- Press SET button repeatedly until you reach the desired temperature.
The recommended temperature is -18°C. - The temperature sets 5 seconds after the last press.
The exact setting should be chosen keeping in mind that the temperature inside the appliance depends on:
- room temperature
- how often the lid is opened
- the quantity of food stored
- the location of the appliance.
If the appliance is used in an ambient temperature between +10°C and -15°C, the thermostat should be set to the coldest temperature (-22°C) to allow the compressor to work properly.
SUPER function
The SUPER function accelerates the freezing of fresh food and, at the same time, protects already stored foodstuffs from undesired warming.
To activate the function:
- Press SET button repeatedly until the SUPER indicator lights up.
- The function sets 5 seconds after the last press.
The SUPER function stops automatically after 52 hours and the temperature goes back to the previous setting.
You can stop the function manually before that time, by pressing the SET button and setting the desired temperature.\
Running indicator
This indicator is on when the compressor operates and it turns off when the compressor stops working.
accessories should be washed with lukewarm water and some neutral soap to remove the typical smell of a brand-new product, then dried thoroughly.
BEFORE FIRST USE
WARNING!
Refer to Safety chapters.
Cleaning the interior
Before using the appliance for the first time, the interior and all internal
CAUTION!
Do not use detergents, abrasive powders, chlorine or oil-based cleaners as they will damage the finish.
Electrical Connection
When you connect the appliance to the power supply, or it turns on after a power failure all indicator lights flash once. Then the appliance returns to the previous setting.
CAUTION!
In the event of accidental defrosting, for example due to a power failure, if the power has been off for longer than the value shown in the technical characteristics chart under “rising time”, the defrosted food must be consumed quickly or cooked immediately and then re-frozen (after cooling).
The freezing process lasts 24 hours, during this period do not add other food to be frozen.
Storage of frozen food
When first starting-up or after a period out of use, before putting the products in the compartment let the appliance run at least 24 hours on the higher settings.
You can remove the basket to get more storage space.
DAILY USE
WARNING!
Refer to Safety chapters.
Freezing fresh food
The freezer compartment is suitable for freezing fresh food and storing frozen and deep-frozen food for a long time.
The maximum amount of food that can be frozen in 24 hours is specified on the rating plate (refer to “Technical data”).
Start the SUPER function 24 hours before placing food in the appliance.
The freezing process lasts 24 hours, during this period do not add other food to be frozen.
Storage of frozen food
When first starting-up or after a period out of use, before putting the products in the compartment let the appliance run at least 24 hours on the higher settings.
You can remove the basket to get more storage space.
HINTS AND TIPS
Hints for energy saving
Thawing
Deep-frozen or frozen food, prior to being used, can be thawed in the refrigerator or at room temperature, depending on the time available for this operation.
Small pieces may even be cooked still frozen, directly from the freezer: in this case, cooking will take longer.
Hints for freezing
- Activate SUPER function at least 24 hours before placing the food inside the freezer compartment.
- Before freezing wrap and seal fresh food in: aluminum foil, plastic film or bags, airtight containers with lid.
- For more efficient freezing and thawing divide food into small portions.
- It is recommended to put labels and dates on all your frozen food. This will help to identify foods and to know when they should be used before their deterioration.
- The food should be fresh when being frozen to preserve good quality. Especially fruits and vegetables should be frozen after the harvest to preserve all of their nutrients.
- Do not freeze bottles or cans with liquids, in particular drinks containing carbon dioxide – they may explode during freezing.
- Do not put hot food in the freezer compartment. Cool it down at room temperature before placing it inside the compartment.
To avoid increase in temperature of already frozen food, do not place fresh unfrozen food directly next to it. Place food at room temperature in the part of the freezer compartment where there is no frozen food. - Do not eat ice cubes, water ices or ice ollies immediately after taking them out of the freezer. Risk of frostbites.
- Do not re-freeze defrosted food. If the food has defrosted, cook it, cool it down and then freeze it.
Hints for storage of frozen food
- Freezer compartment is the one marked with .
- Good temperature setting that ensures preservation of frozen food products is a temperature less than or equal to -18°C.
Higher temperature setting inside the appliance may lead to shorter shelf life.
- The whole freezer compartment is suitable for storage of frozen food products.
- Leave enough space around the food to allow air to circulate freely.
- For adequate storage refer to food packaging label to see the shelf life of food.
- It is important to wrap the food in such a way that prevents water, humidity or condensation from getting inside.
Shopping tips
After grocery shopping:
- Ensure that the packaging is not damaged – the food could be deteriorated. If the package is swollen or wet, it might have not been stored in the optimal conditions and defrosting may have already started.
- To limit the defrosting process buy frozen goods at the end of your grocery shopping and transport them in a thermal and insulated cool bag.
- Place the frozen foods immediately in the freezer after coming back from the shop.
- If food has defrosted even partially, do not re-freeze it. Consume it as soon as possible.
- Respect the expiry date and the storage information on the package.
Shelf life
| Type of food | Shelf life (months) |
| Bread | 3 |
| Fruits (except citrus) | 6 – 12 |
| Vegetables | 8 – 10 |
| Leftovers without meat | 1 – 2 |
| Dairy food: | |
| Butter | 6 – 9 |
| Soft cheese (e.g. mozzarella) | 3 – 4 |
| Hard cheese (e.g. parmesan, cheddar) | 6 |
| Type of food | Shelf life (months) |
| Seafood: | |
| Fatty fish (e.g. salmon, mackerel) | 2 – 3 |
| Lean fish (e.g. cod, flounder) | 4 – 6 |
| Shrimps | 12 |
| Shucked clams and mussels | 3 – 4 |
| Cooked fish | 1 – 2 |
| Meat: | |
| Poultry | 9 – 12 |
| Beef | 6 – 12 |
| Pork | 4 – 6 |
| Lamb | 6 – 9 |
| Sausage | 1 – 2 |
| Ham | 1 – 2 |
| Leftovers with meat | 2 – 3 |
CARE AND CLEANING
WARNING!
Refer to Safety chapters.
Cleaning
CAUTION!
Unplug the appliance before carrying out any maintenance operation.
Do not use detergents, abrasive products, highly perfumed cleaning products or wax polishes to clean the inner side of the appliance. Do not use the steam cleaners to clean the appliance.
Prevent damage to the cooling system.
- Switch off the appliance.
- Remove any stored food, wrap it in several layers of newspaper and put it in a cool place.
- Regularly clean the appliance and the accessories with warm water and neutral soap.
Clean the lid seal carefully. - Fully dry the appliance.
- Connect the mains plug to the mains socket.
- Switch on the appliance.
- Set the temperature to MAX setting and close the lid. Wait two or three hours before you reload previously removed food into the appliance.
- Set the temperature to the desired setting
Scraping off the frost.
CAUTION!
Never use sharp metal tools to scrape off built-up frost as they could damage the appliance.

Frost may build up on the surface of cabinet frame or inner liner after a period of using time.
It is recommended to scrape away the frost with the plastic ice scraper (included in accessories bag) each month.

Defrosting the freezer
CAUTION!
Do not use a mechanical or electrical device to speed up the thawing process. Do not use any artificial means.
Do not use a mechanical or electrical device to speed up the thawing process. Do not use any artificial means.
Defrost the freezer when the frost layer reaches a thickness of about 4-5 mm.
- Switch off the appliance.
- Remove any stored food, wrap it in several layers of newspaper and put it in a cool place.
- Remove the drain plug from the inside of the appliance.
- Leave the lid open.
- Place a tray beneath the outer drain plug.
- Pull out the outer drain plug.

- Rotate the drain plug 180 degrees to let the drain water flow into the tray.
Make sure the water does not spill out of the tray.
- Clean the interior and dry it thoroughly.
- Switch on the appliance.
- Set the temperature to higher setting and close the lid. Wait two or three hours before you reload previously removed food into the appliance.
- Set the temperature to the desired setting.
TROUBLESHOOTING
WARNING!
Refer to Safety chapters.
What to do if…
There are sounds which may occur during the operation of the appliance (e.g. bubbling, whirring, cracking or clicking), which are normal.
| Problem | Possible cause | Solution |
| The appliance does not op‐ ergate. | The appliance is switched off. | Switch on the appliance. |
| The mains plug is not connected to the mains socket correctly. | Check if the appliance is plugged correctly. | |
| There is no voltage in the | Connect the appliance to a | |
| mains socket. | different electrical mains | |
| socket. Contact a qualified | ||
| electrician. | ||
| The appliance is noisy. | The appliance is not sup‐ ported properly. | Check if the appliance stands stable. Refer to “Location” section. |
| The appliance touches the wall or other objects. | Slightly move the appliance. Refer to “Location” section. | |
| Temperature indicator flashes from left to right. | Temperature sensor error. | Contact the Authorised Service Center. |
| The lid does not close completely. | Food packages are block‐ ing the lid. | Arrange the packages in the right way. |
| There is too much frost in the appliance. | Defrost the appliance. Re‐ fer to “Defrosting the freezer” section. | |
| The lid is difficult to open. | The lid gasket is dirty or sticky. | Clean the lid gasket. |
| The lamp does not work. | The lamp is defective. | Contact the Authorised Service Center to replace the LED light. |
| The compressor operates continually. | Temperature is set incorrectly. | Refer to “Temperature reg ulation” section. |
| Large quantities of food to be frozen were inserted at the same time. | Wait a few hours and then check the temperature again. | |
| Problem Possible cause | Solution |
| The room temperature is too high. | Refer to the climate class chart on the rating plate or to the “Positioning” section. |
| Food placed in the appliance was too warm. | Allow food to cool to room temperature before storing. |
| The lid is not closed prop‐ early. | Check if the lid closes properly and the gaskets are not damaged or dirty. |
| The SUPER function is switched on. | Refer to “SUPER function” section. |
| There is too much frost The lid is not closed prop‐ and ice early or the gasket is deformed or dirty. | Check if the lid closes properly. Clean the gasket or replace it in case of any damage. |
| Temperature is set incorrectly. | Refer to “Temperature regulation” section. |
| The compressor does not This is normal, no error start immediately after has occurred. pressing the SUPER, or after changing the temperature. | The compressor starts after a period of time. |
| The temperature in the ape‐ The temperature regulator pliancy is too low or too is not set correctly. high. | Set a higher or lower temperature. |
| The lid is not closed prop‐ early. | Check if the lid closes properly and the gaskets are not damaged or dirty. |
| The products’ temperature is too high. | Allow food to cool to room temperature before storing. |
| Many products are stored at the same time. | Store less products at the same time. |
| The thickness of the frost on the inner liner is greater than 4-5 mm. | Defrost the appliance. Refer to “Defrosting the freezer” section. |
| The lid was opened too of‐ ten. | Open the lid only if necessary. |
| The SUPER function is switched on. | Refer to “SUPER function” section. |
| Problem | Possible cause | Solution |
| Products to be frozen are placed too closely to each other. | Make sure that there is cold air circulation in the appliance. | |
| The appliance is positioned near the heat source. | Refer to “Location” section. |
If your appliance is still not working properly after making the above checks, contact the nearest Authorised Service Center.
Specify the model and serial number of your appliance when you contact Authorised Service Center. This will accelerate the support received.
NOISES

TECHNICAL DATA
The technical information is situated in the rating plate on the internal side of the appliance and on the energy label.
The QR code on the energy label supplied with the appliance
provides a web link to the information related to the performance of the appliance in the EU EPREL database. Keep the energy label for reference together with the user manual and all other documents provided with this appliance.
It is also possible to find the same information in EPREL using the link https://eprel.ec.europa.eu and the model name and product number that you find on the rating plate of the appliance.
See the link www.theenergylabel.eu for detailed information about the energy label.
INFORMATION FOR TEST INSTITUTES
Installation and preparation of the appliance for any Eco-design verification shall be compliant with EN 62552. Ventilation requirements, recess dimensions and minimum rear clearances shall be as stated in this User Manual at Chapter 3. Please contact the manufacturer for any other further information, including loading plans.
ENVIRONMENTAL CONCERNS
Recycle materials with the symbol . Put the packaging in relevant containers to recycle it. Help protect the environment and human health by recycling waste of electrical and electronic appliances. Do not dispose of appliances marked with the symbol with the household waste. Return the product to your local recycling facility or contact your municipal office.

























