![]()
User Manual

DVR250 NATIVE / DVR250-DT
Digital Vintage Reverb Plug-In with Optional Hardware
Interface and Signature Presets
tc electronic
Important Safety Instructions

Terminals marked with this symbol carry electrical current of sufficient magnitude to constitute risk of electric shock.
Use only high-quality professional speaker cables with ¼” TS or twist-locking plugs pre-installed. All other installation or modification should be performed only by qualified personnel.

This symbol, wherever it appears, alerts you to the presence of uninsulated dangerous voltage inside the enclosure – voltage that may be sufficient to constitute a risk of shock.

This symbol, wherever it appears, alerts you to important operating and maintenance instructions in the accompanying literature. Please read the manual.
Caution
To reduce the risk of electric shock, do not remove the top cover (or the rear section).
No user-serviceable parts inside. Refer servicing to qualified personnel.
Caution
To reduce the risk of fire or electric shock, do not expose this appliance to rain and moisture. The apparatus shall not be exposed to dripping or splashing liquids and no objects filled with liquids, such as vases, shall be placed on the apparatus.
Caution
These service instructions are for use by qualified service personnel only. To reduce the risk of electric shock do not perform any servicing other than that contained in the operation instructions. Repairs have to be performed by qualified service personnel.
- Read these instructions.
- Keep these instructions.
- Heed all warnings.
- Follow all instructions.
- Do not use this apparatus near water.
- Clean only with dry cloth.
- Do not block any ventilation openings. Install in accordance with the manufacturer’s instructions.
- Do not install near any heat sources such as radiators, heat registers, stoves, or other apparatus (including amplifiers) that produce heat.
- Do not defeat the safety purpose of the polarized or grounding-type plug. A polarized plug has two blades with one wider than the other. A grounding-type plug has two blades and a third grounding prong. The wide blade or the third prong are provided for your safety. If the provided plug does not fit into your outlet, consult an electrician for the replacement of the obsolete outlet.

- Protect the power cord from being walked on or pinched particularly at plugs, convenience receptacles, and the point where they exit from the apparatus.
- Use only attachments/accessories specified by the manufacturer.
- Use only with the cart, stand, tripod, bracket, or table specified by the manufacturer, or sold with the apparatus. When a cart is used, use caution when moving the cart/apparatus combination to avoid injury from tip-over.
- Unplug this apparatus during lightning storms or when unused for long periods of time.
- Refer all servicing to qualified service personnel. Servicing is required when the apparatus has been damaged in any way, such as power supply cord or plug is damaged, liquid has been spilled or objects have fallen into the apparatus, the apparatus has been exposed to rain or moisture, does not operate normally, or has been dropped.
- The apparatus shall be connected to a MAINS socket outlet with a protective earthing connection.
- Where the MAINS plug or an appliance coupler is used as the disconnect device, the disconnect device shall remain readily operable.

- Correct disposal of this product: This symbol indicates that this product must not be disposed of with household waste, according to the WEEE Directive (2012/19/EU) and your national law. This product should be taken to a collection center licensed for the recycling of waste electrical and electronic equipment (EEE). The mishandling of this type of waste could have a possible negative impact on the environment and human health due to potentially hazardous substances that are generally associated with EEE. At the same time, your cooperation in the correct disposal of this product will contribute to the efficient use of natural resources. For more information about where you can take your waste equipment for recycling, please contact your local city office or your household waste collection service.
- Do not install in a confined space, such as a bookcase or similar unit.
- Do not place naked flame sources, such as lighted candles, on the apparatus.
Introduction
DVR250 is a groundbreaking reverb unit that brings the iconic EMT 250 Electronic Reverberator to your DAW. With its original fusion of hardware and software features, it captures the amazing vintage sound and unique tactile controls of one of the best-sounding reverb effects ever designed.
The algorithm hails from our celebrated high-end processor platform, the triple TEC Award-winning System 6000, and offers a sound quality second to none. For nearly 20 years its sonic magic and depth has been put to the test by brilliant mixing engineers and musicians around the world, and has shone its vintage light on countless music, TV and film projects.
The DVR250 is available both as a pure Native plug-in and with the optional Desktop Controller as part of the TC ICON series. With their superior algorithms, fun and intuitive hardware controls and seamless DAW integration, the TC ICON modules are great additions to any modern studio environment.
Recreating the classic
The development of our emulation has been a process extending several years, with the goal of recreating the EMT 250. As part of our extensive research, we tracked down two of the few original units that have survived years of wear and tear. Fortunately, they were both particularly great-sounding units!
After refurbishing and measuring the two units, our cross-disciplinary team refined and polished the algorithm to make sure the DVR250 captures all the nuances that made the original stand out, down to the most minute spectral characteristics.
On top of recreating the legendary reverb sound, we also included the five additional effects that the original boasted, namely chorus, echo, delay, phasing, and space.
Making the DVR250 involved engineers and specialists within a multitude of design disciplines:
Hardware technical:
What was the precision of the converters and how were they implemented in the 80s with regard to emphasis, block scaling, linearity, filters et cetera? How much processing and RAM was available in the original unit? What was the sample rate?
Software technical:
Which kind of processing was done in the discrete circuitry, and what type of truncation and noise floor artifacts would result? How could the low sample rate be mimicked precisely, and how could all of this be transferred to a modern native processing platform?
Perceptual:
Making sure the qualities of the original processor was preserved. Sweet modulation, spectral characteristics, spaciousness, distortion, saturation etc. Hundreds of hours spent listening and measuring!
User:
The four basic parameters of the EMT 250 were carefully laid out, offering a remarkably simple user interface with complex, yet optimized interactions under the hood. DVR250-DT is a resemblance of that including range and coarseness of parameters.
About this manual
Read this manual to learn how to install and use your TC Electronic DVR250 reverb unit. This manual is only available in PDF format from the TC Electronic website. To get the most from this manual, please read it from start to finish, or you may miss important information.
To download the most current version of this manual, visit the web page: www.tcelectronic.com/Categories/c/Tcelectronic/Downloads
If you still have questions about your TC Electronic product after reading its manual, please get in touch with TC Support: www.tcelectronic.com/brand/tcelectronic/support
Plug-in Installation
Visit www.tcelectronic.com/dvr250-dt/support/ to download the installer file. The plug-in requires either an iLok license (delivered when you purchase the NATIVE version) or the DVR250 DT Desktop Controller (when you purchase the DT Desktop Controller version) or an iLok Trial License. All parameters are available in the plug-in and most are available on the DT Desktop Controller. Select the Mac or PC version and save the file to your hard drive. The latest firmware for the DVR250 Desktop Controller will be included in the software as well.
Installation on a PC
Open the zip file and double-click the executable file.

Follow the steps in the Setup Wizard.

Accept the license agreement and click ‘Next’.

Select which VST and/or AAX components you want to install. Pro Tools uses AAX and most other DAW programs use VST. The installer will offer a default location \to save the file, but you can choose another location by clicking the ‘Browse’ button.

Click ‘Next’ to begin the installation.

When the installation is complete, click ‘Finish’.

Installation on a Mac
Open the zip folder and double-click the installer icon.
![]()
Proceed through the prompts to begin installation.


A default location will be selected for installation, or you can select another folder manually. If you have administrator authorization in place, you will need to enter your password before beginning installation.


Activate your DVR250 iLok License
Activation when you have purchased the NATIVE version
Step 1: Install iLok
The first step is to create an iLok user account at www.iLok.com and install the PACE iLok License Manager on your computer if it’s your first time using iLok.
Step 2: Activation
In the received mail (when buying the NATIVE version) you will find your personal Activation Code. To activate your software, please use the Redeem an Activation Code feature in the PACE iLok License Manager.

Get a Free Demo License
Make use of this hassle-free offer to try out our plug-ins before you buy.
• 14-Day Trial Period
• Fully Functional
• No Feature Limitations
• No Physical iLok Key Needed
Step 1: Install iLok
The first step is to create a free iLok user account at www.iLok.com and install the PACE iLok License Manager on your computer if it’s your first time using iLok.
Step 2: Get your free license
Go to http://www.tcelectronic.com/brand/tcelectronic/free-trial-DVR250-native and enter your iLok User ID.
Step 3: Activation
Activate your software in the PACE iLok License Manager.
Connection and Setup
Connecting the DVR250-DT
Desktop Controller (when you have purchased the DT Desktop Controller version)
Getting the Desktop Controller up and running couldn’t get any easier. Plug the included USB cable into the unit’s rear micro-USB port, and connect the other end to a free USB port on your computer. The Desktop Controller is bus-powered so no other power cables are necessary, and no additional drivers need to be manually installed.

The Desktop Controller will light up upon successful connection. You can now apply the plug-in to a channel in your DAW to begin using the effect. This process may vary slightly depending on your software, but generally should require these steps:
- Select a channel or bus in your DAW to which you would like to add the effect Access the mixer page where you should see a section dedicated to effecting slots
- Open the menu where you can select from a list of effect types, which probably includes many stock plugins that are included with the DAW. There should be submenu to view general VST/AU/AAX options.
- The plug-in will likely be found in a dedicated TC Electronic folder. Select the DVR250 and it will now be added to the signal chain.
Double click on the effect slot that contains the DVR250 to view the plug-in UI. There should be a green link icon at the bottom and text that indicates a successful connection between the plug-in and the Desktop Controller.
Note: The iLok License Manager needs to be installed on your computer also if you have purchased the DT Desktop Controller version. In this case you don’t need to create an iLok account or activate any license.
Operating the DVR250
After you have installed the plug-in, and either activated the iLok license or connected the DVR250-DT Desktop Controller via USB, you can begin inserting the plug-in to your tracks.
Adjustments to the effect are done in two ways. Either by using the plug-in user interface or via the physical Desktop Controller.

Insert vs Aux Effect
The DVR250 can be inserted directly into an effect slot on a single channel, as described above, which passes the entire signal through the effect.
However, the DVR250 can also be added to an auxiliary bus, and one or more channels can send a portion of their signal to this bus to be processed by the effect.
The output of the effect is then mixed back in with the rest of the tracks. This differs from an insert effect in that the DVR250 isn’t affecting the track’s entire
signal, so modulation effects like the Chrous and static Phase in DVR250 generally shouldn’t be used this way. In this setup, the Mix parameter should always be set to 100%.
Mono/Stereo Operation
The DVR250 can be used both as a mono instance on mono tracks and a stereo instance on stereo tracks. Depending on the specific DAW, a mono in/stereo out
may also be available.
In the case of a mono-out instance, the output signal is made by outputting the left plug-in channel only.
Travel Period and Module Connection (when you have purchased the DT version):
You can try out the plug-in before purchasing or receiving your purchased Desktop Controller by requesting a Free iLok Trial License, which will enable full functionality for 14 days. When you receive and connect your purchased Desktop Controller you will no longer need an iLok License to have full functionality in the plug-in or via the Desktop Controller.
60-day Travel Period
If the Desktop Controller is disconnected, full plug-in functionality will be available for 60 days, after which the plug-in requests re-connection to the hardware unit. Once the hardware unit is re-connected, all controls become available.

Primary and Secondary Controls
After you have installed the plug-in and activated the iLok license or connected the DVR250 via USB, you can begin adding the effect to your tracks.

The plug-in is divided into two sections, which are both visible when the “I+II” button at the top left is selected. The left section is identical to the hardware unit and could be considered Primary parameters. These include common items such as delay time and feedback.
The right side contains the Secondary parameters.
To reduce plug-in size on your screen you can select “I” or “II” in the top left of the plug-in. “I” will show the left section of the plug-in only and “II” will show the right section. Setting “II” can be a complementary setting when using the hardware unit.”
All of these parameters will be discussed in detail later in this manual.
Connection Status to the Hardware Unit
The TC Icon family all use the same method to show the connection status between the plug-in and the hardware unit.
The connection status is indicated on the lower left side of the plug-in window.
A successful connection is indicated with a green chain icon. When using the NATIVE version only, this chain icon will remain grey.

There are 3 conditions that will result in a “Not connected” status. If another instance of the plug-in already exists on another track, the chain icon will appear yellow with a yellow frame, and the text box will notify you where the plug-in is currently active. Click the chain icon to connect the hardware unit to the new plug-in location. The yellow icon may also appear while the connection is being made between the DVR250 unit and the plug-in, accompanied by “Connecting…” text.

If the hardware unit is disconnected from the computer, but the countdown has not yet expired, a yellow chain icon without the yellow frame will appear.
See “Travel Period and Module Connection” section for details.

All other “Not connected” states are indicated by a red chain icon. This could happen if the USB cable is disconnected, the DVR250 connection is disrupted, or other issues.

To summarize the connection status possibilities:

Most DAWs offer the ability to move or drag plug-ins from one track/bus to another, and DVR250 supports this as well.
Most DAWs also features an on/off switch for plug-ins, accessible inside the plug-in window and/or the track itself. Muting the plug-in will make the effect inaudible, but will not shut down the connection to use the hardware unit.
Plug-in and Hardware Controls
Control of the DVR250 is done in the plug-in or optionally done using the hardware unit (when you have purchased the DT version). All primary parameters of the DVR250 are also accessible through the DT Desktop Controller. These include parameters that control major parts of the effect, such as reverb decay, delay time, and much more. Secondary parameters that are needed less often are handled in the plug-in window.
Primary Plug-in and Hardware Controls
Meters

The meter section gives feedback about the incoming and outgoing audio signals. The input level displays the audio as it enters the plug-in, and is not affected by adjustments to the input level control or any other parameter.
The output meter is affected by the results of the effect as well as the output level control parameter.
Levers

Use the 4 levers to make primary parameter adjustments. The function of each lever depends on the effect selected and the state of the SET button. A quick reference of the active parameters can be viewed in the Lever Status section of the plug-in, and full descriptions are detailed in chapter 5.3. In the plug-in, the levers can be controlled either by mouse-clicking on the upper or lower part of the Lever handle or by using the mouse wheel over the Lever handle.
Program Buttons

Activate an effect with the program buttons. The currently-selected effect will be indicated by a lit LED. Only one effect can be activated at a time.
Pressing an already-lit button will bypass the effect and cause the LED to flash.
Pressing again or selecting a different effect will reactivate the effect.
The SET button accesses a 2nd tier of parameters that can be adjusted with the levers.
Plug-in Controls – Secondary Parameters
Levels

Click and drag up or down to adjust the input and output levels from 0 to 99. A setting of 0 is -∞, and a setting of 1 is -96 dB. The level increases in 3 dB increments at lower settings, and by 0.5 dB increments above -40 dB.
Vintage

These parameters are emulations of the classic hardware unit on which this plug-in is based. If desired, the sound can emulate limited bandwidth and bit resolution to achieve a more authentic, slightly grainy sound.
Adjust the Hi-Cut frequency to roll off some of the upper frequencies. The QScale parameter emulates internal EQ adjustments found on classic reverb units, and can be used in conjunction with the Hi Cut to tailor the high end.
The Input Trans emulates the sound of input transformers typically found in vintage reverbs. Use it to create warm, vintage sounds, especially when using short decay times.
The Trim Lo Frq button engages subtle attenuation of certain low frequencies.
Use the Lo Res button to simulate a lower bit resolution for a grainy, vintage sound.
The Vintage settings that emulate the original EMT 250 are: Hi-Cut 11 kHz, QScale 1.2, Lo Res On.
The settings of the Vintage section affect all effect types selected with the Program buttons on the hardware unit. This enables creative possibilities like setting a Hi-Cut for only the detuned part of the signal in the Chorus effect, and hereby ensuring modulation only on low frequencies.
Lever Status

This section indicates the parameters that are adjustable with the levers for the currently-selected effect. An additional layer of parameters can be accessed by engaging the SET button.
Mix

Click and drag the numbers inside each effect box to adjust the mix settings. Mix is also directly accessible from the hardware unit for all effects by engaging the
SET button and using the white (left) lever.
Lock Symbol

Some of the parameters can be locked from being recalled when a new preset is selected. Locked parameters will always keep their values no matter which preset you recall.
This is especially useful with the Mix parameter.
The default presets provided in the plug-in is typically created with the intent that the effect will be inserted on the track (as an insert effect). A Mix value has
been chosen that will work for that preset.
However, if you’d like to use the DVR250 as a send/parallel effect, the Mix parameter should typically be set to 100%. After setting the Mix to 100%, use the lock function to make sure it stays at 100% even if you load another preset.
Preset

Use the Preset section to recall and save presets as well as assign presets as favorites. The Preset Up/Down arrow buttons can also be used for browsing through the available presets. See Chapter 5 for details.
Bottom Section

The bottom portion of the plug-in window displays connection status as well as plug-in instance name, and has several options available.
The green chain icon indicates successful connection between the hardware unit and the plug-in. Connection issues will be indicated by yellow or red icons; see
Chapter 3 for details.
The current name of the plug-in instance appears in the middle field. If the DAW is able to provide the name of the track where the plug-in instance is inserted, the plug-in instance will be named after the track name. The instance can be renamed by clicking the pencil icon.
If you install the plug-in without connecting the hardware unit to your computer, a red dot will appear on the shopping cart icon. This will link you to more information about buying the DVR250 unit. Once the plug-in detects a connected hardware unit, the red dot will disappear.
The Settings icon accesses a menu with several links and options. This user manual is available, along with links to the TC Electronic website, relevant news, additional signature artist presets, and the user license agreement. If a red dot appears over the Settings icon, a new version of the plug-in or firmware may be available. Click “Check for Updates” to download and install the new file. See Chapter 6 for details.

With the “Help” option selected, hovering the mouse over a certain item in the plug-in window will give a brief description of the parameter’s function.
With the “Take over on focus” option selected, the currently-viewed plug-in instance will take over control of the physical hardware unit as soon as it is brought into focus.
When a new instance of the plug-in is inserted on a track or bus, that instance will take over immediately if the “Take over on insert” option is checked.
Parameter Details
All 6 of the effects in the DVR250 will be described in detail here.
Press one of the program buttons at the bottom of the hardware unit to select the desired effect. The associated LED will light.

Looking at the plug-in window, the primary parameters will appear in the Lever Status section.

Pressing the SET button will cause a secondary bank of parameters to appear.

Secondary parameters for the reverb effect:

The 4 parameter slots indicate the parameters that are now available for adjustment via the 4 levers on the hardware unit.

The levers often control certain types of parameters regardless of which effect is selected. For example, the 4th lever always controls the predelay as long as the primary set is active (SET button off). The first lever tends to control the primary time parameter for each effect.
The silkscreen gives clues about the function of each lever’s primary function.
Primary levers:
1. Time (t)
2. Low frequencies (>)
3. High frequencies (<)
4. Predelay (+td)
However, some of the effects deviate from this pattern. You can always check the plug-in window if you forget the parameter mapping.
With the SET knob engaged, the first lever will always adjust the effect’s mix parameter.
Secondary levers:
1. Mix
2. Modulation
3. Output select
4. Not used
While the Mix is always conveniently adjustable with the 1st lever when SET is engaged, this parameter can also be adjusted on the plug-in window. Either click and drag the mix value up or down with the mouse, or double click and enter a specific value.

Reverb
The reverb effect in the DVR250 faithfully recreates a classic algorithm that has been used on countless hit records.
Primary parameters
- Decay – The main reverb decay tail is controlled by the first lever. The value is indicated by the red LEDs on the left side of the lever scale, and ranges from 0.4 to 4.5 seconds.
- Lo Decay – The low-frequency decay time is controlled by lever 2. The settings are indicated as multipliers of the main decay time set by lever 1, selectable between x 0.5, x 1.0, x 1.5, and x 2.0.
- Hi Decay – The high-frequency decay time is controlled by lever 3. The settings are indicated as multipliers of the main decay time set by lever 1, selectable between x 0.25, x 0.33, x 0.5, and x 1.0 (max).
- Pre-delay – Sets the amount of delay before processing takes effect, selectable between 0, 20, 40, and 60 ms.
Secondary parameters (enable SET)
- Mix – Determines how much of the processed signal is mixed with the dry signal. A setting of 50% yields an even blend of wet and dry signals.
- Modulation – Adjusts the amount of modulation in the reverb tail. Available settings are 0%, 5%, 40% and 80%.
- Out Select – Selects between the front L/R outputs and rear L/R outputs, which have slightly different sounds on the original classic reverb unit. The outputs can be used in a great way to create a de-correlated quadraphonic surround reverb. This is done by using front and rear outputs in 2 plug-in instances respectively to drive 4 output channels in total. These could be feeding L/R front and L/R rear speakers in a 5.1 setup.
Note: If it is a stereo instance, the signal is mixed to mono before the BASIC DELAY block.
Delay
The delay effect offers 4 individual clean digital echoes that are adjustable for the left and right channels. The routing of each delay tap is arranged like this:
I: Left to left
II: Right to right
III: Right to approx. 75% to the left
IV: Left to approx. 75% to the right
Primary parameters
- Tap Coarse – Sets the delay time in 20 ms increments from 0 to 300 ms for the currently-selected tap (I-IV).
- Tap Fine – Sets the fine delay time in addition to the setting of lever 1, adjustable between 0, 5, 10 or 15 ms.
- Tap Select – Selects which tap is controllable by the other levers (I, II, III, IV).
- Predelay – Sets the amount of delay before processing takes effect, selectable between 0, 20, 40 and 60 ms.
Secondary parameters (enable SET)
- Mix – Determines how much of the processed signal is mixed with the dry signal. A setting of 50% yields an even blend of wet and dry signals. 0% mix corresponds to setting “0.4”, 25% mix to “1.0”, 50% to “2.0”, 75% to “3.0” and 100% to “4.5″.
- Tap Level – Adjusts the output level of the currently-selected delay tap, selectable between -2, -8, -16, -120 dB.
- Tap Select – Duplicate location for the Tap Select found on the primary parameter set.
- Lever not used.
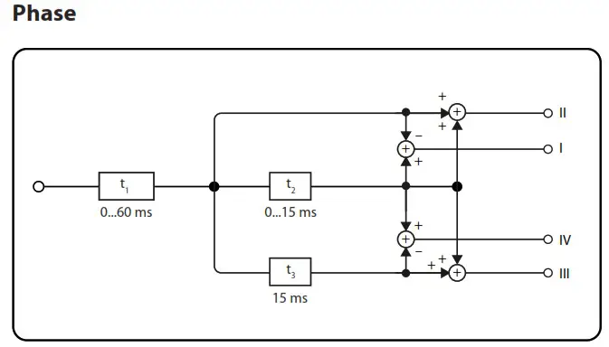
Phase
Primary parameters
A classic comb filtering phase effect is available with basic parameter controls.
- Curve – Adjusts the phase shift between the signals that create the comb filter effect. The effect does not automatically oscillate like other phase effects, so lever 1 can be used to manually adjust the time shift.
- Lever not used.
- Lever not used.
- Predelay – Sets the amount of delay before processing takes effect, selectable between 0, 20, 40 and 60 ms.
Secondary parameters (enable SET)
- Mix – Determines how much of the processed signal is mixed with the dry signal. A setting of 50% yields an even blend of wet and dry signals. 0% mix
corresponds to setting “0.4”, 25% mix to “1.0”, 50% to “2.0”, 75% to “3.0” and 100% to “4.5″. - Lever not used.
- Out Select – Selects between the front L/R outputs and rear L/R outputs, which have slightly different sounds on the original classic reverb unit.
- Lever not used.
Note: If it is a stereo instance, the signal is mixed to mono before the t1 block. (see Signal Diagrams in Chapter 8)
Chorus
The chorus effect adds several time-shifted duplications of the original signal, giving a thicker texture to the sound. It is designed to be great for both chorussensitive instruments like piano and strings as well as chorus-hungry instruments like distorted guitar.
Primary parameters
1. Lever not used.
2. Modulation – Adjusts the modulation depth.
3. Tap Enable – Selects how many time-shifted voices are present, giving a more intense effect. Settings are I, I+II, I+II+III, and I+II+III+IV.
4. Predelay – Sets the amount of delay before processing takes effect, selectable between 0, 20, 40 and 60 ms.
Secondary parameters (enable SET)
- Mix – Determines how much of the processed signal is mixed with the dry signal. A setting of 50% yields an even blend of wet and dry signals. 0% mix corresponds to setting “0.4”, 25% mix to “1.0”, 50% to “2.0”, 75% to “3.0” and 100% to “4.5″. 2-4. Levers not used.
Echo
This is a mono echo effect that may be easier to use than the Delay program. It’s a unique echo effect in that Lo and Hi Mult affect the feedback as “decay multipliers” similar to the reverb rather than applying a Lo and Hi Cut in the feedback as typical Echo effects do.
Primary parameters
- Time Coarse – Sets the delay time in 20 ms increments from 0 to 300 ms.
- Time Fine – Sets the fine delay time in addition to the setting of lever 1, adjustable between 0, 5, 10 or 15 ms.
- Feedback – Adjusts the number of repeats.
- Predelay – Sets the amount of delay before processing takes effect, selectable between 0, 20, 40 and 60 ms.
Secondary parameters (enable SET)
- Mix – Determines how much of the processed signal is mixed with the dry signal. A setting of 50% yields an even blend of wet and dry signals. 0% mix corresponds to setting “0.4”, 25% mix to “1.0”, 50% to “2.0”, 75% to “3.0” and 100% to “4.5″.
- Lo Mult – Adjusts the low frequency damping of the repeats.
- Hi Mult – Adjusts the high frequency damping of the repeats.
- Lever not used.
Space
The space reverb has a very long decay and minimal parameter adjustments. It can be used as a special effect for creative purposes.
Primary parameters
1-3. Levers not used.
4. Predelay – Sets the amount of delay before processing takes effect, selectable between 0, 20, 40 and 60 ms.
Secondary parameters (enable SET)
- Mix – Determines how much of the processed signal is mixed with the dry signal. A setting of 50% yields an even blend of wet and dry signals. 0% mix corresponds to setting “0.4”, 25% mix to “1.0”, 50% to “2.0”, 75% to “3.0” and 100% to “4.5″. 2-4. Levers not used.
Presets
The DVR250 offers a collection of default and signature presets, as well as the option to create and save your own custom settings.
Note that most DAWs have a built-in preset function that appears on every plug-in, which is often found at the top of the plug-in window.

It is not recommended to use this as your primary method of saving presets as it has limited functionality and does not allow the saved presets to be transferred easily to other DAWs. Instead, we suggest using the included Preset section at the bottom of the window:

A single click on the Preset window brings up a menu with several preset-related options. Recall a factory or user preset from the libraries, save the current preset, or create a new user preset with the ‘Save as’ option.

The presets menu is divided between a Factory Presets and a User Presets section.
As the reverb of the DVR250 is identical to the DVR2 in System 6000, there is a folder with the original high-quality DVR2 presets from System 6000.
The Factory Presets are built into the plug-in and cannot be overwritten, so if a factory preset is modified and you’d like to keep the changes, you need to save it as a user preset. User Presets can be edited and organized as you’d like.
When recalling a default or saved preset, the name will appear in plain text. However, as soon as you make an alteration to any of the parameters in that preset, the text changes to italics to indicate a deviation. This is also indicated by a red dot after the preset number. You can click in the Preset window, then select the Save option, or discard the changes when you navigate away from that preset.

Signature Presets
The Factory Presets section includes a sub-section called Signature Presets. Signature Presets are custom-made presets designed by world-class artists and recording engineers. The library of signature presets is constantly being expanded, and you can check for more Signature Presets that might be available for download by accessing the Settings menu and selecting ’Signature Presets’.
Factory and Signature presets have unique icons that appear next to the preset name.

Favorite Preset

Creating your own presets will make them accessible from the Preset menu, but they will only appear in the list of 100 presets if you set them as a favorite. This is done by assigning a favorite slot number to the preset using the Favorite menu. Recall one of your custom presets, then click the Assign button and choose an available slot in one of the 10 banks. Some of the factory presets also by default reside in these banks. These assignments can easily be overwritten by using Remove Assignment.
When a preset is assigned a favorite slot number, that slot will be locked so that other presets cannot be assigned to the same location. This is shown in the Favorite menu by graying out the number in question. The favorite number will also be displayed in brackets next to the associated preset when you browse the presets menu.
You can remove the favorite assignment by selecting the “Remove Assignment” feature in the Favorite menu, then saving the preset.
Arrow Buttons
The Preset window also has Up/Down arrow buttons that allow presets to be scrolled sequentially. This can include all Factory and User presets, or only Favorites, depending on the ’Browse Favorites Only’ setting.
Browse Favorites Only
This option filters the presets that appear in the main preset list so that only favorites are selectable using the Up/Down arrow buttons on the preset window.
Make Current Preset Default
Selecting ’Make current preset default’ will cause this preset to appear every time a new instance of the plug-in is created.
Reveal User Preset Folder in Explorer
To change the name of a preset, select ‘Reveal User Preset Folder in Explorer’ and modify the file name. This will open a Finder (Mac) or Explorer (PC) window where the user presets are stored. You can rename as well as delete, copy and paste preset. This allows you to share presets with other users online, simply paste the new ones in this folder.
Software Updates
New versions of the software may be released to add new features and improve performance. Updates can be detected from the plug-in directly and can be installed after download from the website. See Chapter 2 for plug-in installation.
If the ’Automatically check for updates’ option is checked inside the update menu, the red dot will appear on the settings icon when a new plug-in is available.

Click the gear icon and select “Check for Updates” to perform a scan.
![]()
Hardware Unit Software Updates (optional)
The hardware unit firmware will be included in each plug-in update.
After you have installed a new plug-in, the system will detect mismatched firmware and indicate a need for update via a small red dot on the gear icon.
Click the “Upgrade to x.x.xx” field to start the update. Progress will be indicated in the plug-in.


Specifications
Sound
Sample rates – 44.1, 48, 88.2, 96, 176.4, 192 kHz
Software Support
Operating systems – Mac OS X 10.10 Yosemite or above, Windows 7 or above
Drivers – No additional drivers required, uses standard USB HID drivers
Plugin formats – AAX-native, Audio Units, VST2.4, VST3. 32/64 bit
USB Connection (DT version)
Type – USB 2.0, type micro-B
Power (DT version)
Power supply – USB bus powered
Power consumption – Max. 2.5 W
Physical (DT version)
Dimensions (H x W x D) – 52 x 109 x 133 mm (2 x 4.3 x 5.2″)
Weight – 0.5 kg (1.1 lbs)
Signal Flow Diagrams


FEDERAL COMMUNICATIONS COMMISSION COMPLIANCE INFORMATION

Responsible Party Name: Music Tribe Commercial NV Inc.
Address: 901 Grier Drive, Las Vegas, NV 89118, USA
Phone Number: +1 702 800 8290
DVR250
complies with the FCC rules as mentioned in the following paragraph:
This equipment has been tested and found to comply with the limits for a Class B digital device, pursuant to part 15 of the FCC Rules. These limits are designed to provide reasonable protection against harmful interference in a residential installation. This equipment generates, uses and can radiate radio frequency energy and, if not installed and used in accordance with the instructions, may cause harmful interference to radio communications. However, there is no guarantee that interference will not occur in a particular installation. If this equipment does cause harmful interference to radio or television reception, which can be determined by turning the equipment off and on, the user is encouraged to try to correct the interference by one or more of the following measures:
- Reorient or relocate the receiving antenna
- Increase the separation between the equipment and receiver
- Connect the equipment into an outlet on a circuit different from that to which the receiver is connected
- Consult the dealer or an experienced radio/TV technician for help
This device complies with Part 15 of the FCC rules. Operation is subject to the following two conditions:
(1) this device may not cause harmful interference, and
(2) this device must accept any interference received, including interference that may cause undesired operation.
Important information:
Changes or modifications to the equipment not expressly approved by Music Tribe can void the user’s authority to use the equipment.
![]()





















