CSC Motorcycle ZWiz-Red Scooter

The electric motorcycle can be used on road only.
The user should read this manual carefully. You should have a proper command of basic operation of this scooter. The data, technical specifications and performance parameters labeled in the manual are compiled based on the latest status. We reserve the right to amend the manual at any time without separate notice.
You may not reproduce any part of the manual without our written approval. Please us your opinions on this product. If you have any recommendations, please let us know.
For more information, please contact us.
Used batteries should be recycled at appropriate sites. Only use genuine CSC components and accessories on this product.
CSC Motorcycles
1331 Foothill Boulevard
Azusa, California 91730
909 445 0900
www.CSCMotorcycles.com
https://www.motorcycle-manual.com/
Danger
- Observe traffic rules ride safely.
- Do not operate the motorcycle without a li-cense.
- Do not operate the vehicle while udner the in-fluence of drugs or alcohol.
Warning
- Always wear protective gear.
- It is forbidden to hang any item on the steering handle bar.
- Please charge the battery using only the origi-nal charger.
- Please switch off the air switch and electric lock when plugging the battery socket.
Caution
- Please check the accessories and all informa-tion with the electric motorcycle after opening the box.
- The maximum payload is 150kg and the trunk’s payload is 3kg.
- Do no alter any components.
- To avoid any damage to the battery, always fully charge the battery. Do not set the battery upside down when charging. Do not flush it with pressurized water.
Suggestion
- Turn the air switch off when the electric motor-cycle is idle.
- Charge the battery at least once a month.
Appearance and the name of components 
- Headlamp
- Instrument
- Document box
- Charging interface
- Seat
- Trunk
- Tail lamp
- Front wheel
- Front shock absorber
- Front pedal
- Side stand
- Rear wheel
Engine start lock, USB, manipulation handle
| No. | Name | Description of functions | 1 2 3 | |
| 1 | Power source On | Turn the key to the position to enable starting | ||
| 2 | Power source Off | Turn the key to the position to disable starting | ||
| 3 | Steering lock | Turn the key to the position to lock the steering han- dle and the electric motorcycle is not available | ||
| 5 | ||||
| 4 | USB interface | Connect the mobile phone charging wire for charging | ||
| 5 | Speed regulation handlebar | Turn the speed regulation handlebar to control the speed. | ||
| 7 | ||||
| 6 | Front brake handle | Control the speed of the front wheel of which the free travel is 10mm-20mm | ||
| 7 | Rear brake handle | Control the speed of the rear wheel of which the free travel is 10mm-20mm | ||

Warning
- Park the motorcycle in a safe place and lock the steering to prevent it from being stolen.
- Adjust and maintain the motorcycle properly on a regular basis.
Instrument indicators 
| No. | Name | Description of function |
| 1 | LHS turn signal lamp | LHS turn signal lamp “ ” flickers when it is being used. |
|
2 |
Coulombmeter | It indicates the current electric quan- tity. It means lower electric quantity when the pointer stands at the red line. Please charge as soon as possi- ble. |
| 3 | Odometer | It indicates the mileage covered. The mileage over a single trip is to be zeroed when the key is turned off. |
| 4 | Display of current | It displays the present current of the controller. |
| No. | Name | Description of function |
| 5 | RHS turn signal lamp | RHS turn signal lamp “”flickers when it is being used |
| 6 | High beam indicator | High beam indicator is illuminated when it is being used |
| 7 | Display of temperature | It displays the present temperature of the instrument circuit board. |
| 8 | Photosensitive sensor | Headlamp switch is being off. When ambient l ight i s much too dim, photosensitive sensor switches on the headlamp automatically. |
| 9 | Speedometer km/h | It indicates the speed at which the motorcycle is running. |
| 10 | Readiness lamp READY | being illuminated when there is no trouble found throughself-detection, vice versa. |
| 11 | Display of gear | It displays the present gear at which the motorcycle is running. |
LHS and RHS switches 
| No. | Name | Description of function |
| 1 | Hi gh -l o w b eam switching button | High beam lamp is illuminated when the lighting switch is turned to“ ”.Low beam is illuminated when the lighting switch is turned“” |
| 2 | Horn button | Press and hold the button when there is a need to trum- pet. |
| 3 | Turn signal switch
| Turn both LHS and RHS turn signal lamps button swith; LHS turn signal lamp or RHS one flickering if driving direc- tion needs to be changed |
| 4 | Restoring key | When the electric circuit for handle bar is faulty or there is motor hall default phase, the complete motorcycle is under the state of braking. This button enables low- speed operating |
| No. | Name | Description of function |
| 6 | Lighting switch | Operates lights. |
| 8 | Mode switch | Dependng on different circumstances, allows switching to different operating modes for power output and battery life. |
| 7 | Cruise control | Cruise control can be enabled with this switch. |
| 9 | Emergency switch | Both LHS and RHS turn signal lamps flash by pressing the button |
| No. | Name | Description of function |
| 6 | Lighting switch | Operates lights. |
| 8 | Mode switch | Dependng on different circumstances, allows switching to different operating modes for power output and battery life. |
| 7 | Cruise control | Cruise control can be enabled with this switch. |
| 9 | Emergency switch | Both LHS and RHS turn signal lamps flash by pressing the button |
Items to be checked before operation
Check the items before operation to ensure the user can drive smoothly and safely
| No. | Item | Check | Remarks |
| 1 | Battery | Check if the power of battery is sufficient | Maintain the motorcycle as specified in this manual. |
| 2 | Driveline | Check if the controller and driving motor can work as intended | |
| 3 | Brake liquid | Check if the brake fluid has deteriorated and if the level of brake fluid stands below the lower-end scale | |
| 4 | Brake handle | Check if the free travel is within the specified value or not | |
| 5 | Shock absorber | Check if the shock absorber works | |
| 6 | Speed governing handlebar | Check if speed governing handlebar is flexible | |
| 7 | Steering gear | Check if the steering is free and stable | |
| 8 | Tire/wheel | Check the tire for tire pressure and wear | |
| 9 | Lighting/signal indicator | Check if lighting lamps/signal lamp/indicators work as usual | |
| 10 | Brake | Check the brake show for wear and any problem with braking performance | |
| 11 | Main stand/side stand | Check if the main stand/side stand has been distorted or not and check them for improper return | |
| 12 | All fastener | Check all the fasteners for loose connection and any parts falling off |
Starting and Operation 
- Insert the key into the seat lock hole to open the seat and turn air switch to “ON” to enable the general power source.
- Insert the key into power source lock and turn it to the on position.
- Grip the front & rear brake handle to prevent the motorcycle rolling away.
- Please switch on the turn signal indicator to win the attention of pedestrians and vehicles.
- Retract the side stand to deactivate the protective state of controller.
- Loosen both front & rear brake handles. Turn the RHS speed governing handlebar with right hand in order to move the motorcycle.
Note
- The controller is under power-off protective state when the side support is deployed and the motorcycle is parked. At this moment, it is forbidden to ride the motorcycle in order to keep the motorcycle dashing forward as a result of driv-er’s unintended rotation of the handlebar.
- The driver and the passenger should wear helmets, protective gloves, and other protective wear prior to operation.
Inspection and adjustment after break-in
The user shall attach importance to run-in after purchasing a new motorcycle. The initial mileage of 600 miles is the break-in period.
The performance of break-in has direct impact on the service life. Break-in refers to a process during which all components can better fit in well with each other and deliver better performance after having used the new motorcycle over period of time. At the end of the break-in period, an overall adjustment shall be applied to the motorcycle so as to ensure it can work as usual and also can deliver better re-sponse and durability. The adjusting items are shown as follows:
- Adjusting bearing
Over the course of break-in, the steel ball, axle-bowl and the rollaway nest surface between axle bumpers tend to be smoother and fit to a greater extent under load. However, the clearance shall be ad-justed appropriately. - Adjustment of braking system
All components of the braking system are fit better for each other over a certain period of use. Brake components tend to be fit better after break-in. For safe operation, free travel of the braking system shall be adjusted appropriately. - Adjustment of fasteners
Bolts and nuts tend to loosen during break-in. Therefore, it is necessary to inspect and maintain to ensure the motorcycle will work as intended.
Regular Maintenance
| Miles Items | Reading on odometer | ||||
| 300 Miles | 2000 Miles | 4000 Miles | 8000 Miles | Remark | |
| Controller | Check | Check | Check |
The maintenance period shall be shorter for riding in an area with unusual moisture or heavy dust. | |
| Air switch | Check | Check | Check | ||
| Manipulation | Cleaning | Cleaning | Cleaning | Cleaning | |
| Braking handle | Adjustment | Adjustment | Adjustment | Adjustment | |
| Battery | The user charges based on mileage covered | ||||
| Braking shoe | Check | Check | Check | Replacement | |
| Brake | Adjustment | Check | Adjustment | Adjustment | |
| Indicator bulb | Check | Check | Check | Check | |
| Lighting bulb | Check | Check | Check | Check | |
| Shock absorber | Check | Check/lubricating | Check/add lubricating | Check/add lubricating | |
| Fastener | Fastening | Fastening | Fastening | Fastening | |
| Front/rear inner and outer tube | Check | Check | Check | Replacement | |
| S t eeri n g g ear bearing | Check | Check | Check | Check | |
| Braking cable | Check/lubricating | Add lubricating grease | Replace lubricating grease | Check/lubricating | |
| Front/rear wheel bearing | Check/lubricating | Check/lubricating | Check/lubricating | Check/lubricating | |
| Motor | Check/lubricating | Check/lubricating | Check/lubricating | Check/lubricating | |
Maintenance requirements
Components may loosen and wear during operation. It is necessary to maintain the motorcycle on a regular basis in order to extend its service life, lower repair costs and achieve safe operation.
- Keep the motorcycle clean, fully charged, and free from rattles.
- Keep all connections and fasteners secure. Keep all lubricating points fully lubricated.
- Ensure it is easy to operate front/rear brake handles.
- Ensure the front/rear shock absorbers work in a steady and reliable manner.
- Ensure the tire pressure is normal.
- Ensure all parts for power supply, electrical system and control system work as usual.
- Ensure the battery connection is reliable and secure as well as is free of wear or rust.
Maintenance of air switch
The output end of battery is in serial connection with the air switch. In case charging
current or discharging current is higher than the specified value, fuse may be disconnected automatically to protect battery and electrical components from damage. Turn the switch to “ON” position to energize the complete motorcycle and to “OFF” position to disconnect power source. The power source switch has to be connected at charging. First check if air switch is on “No” or not if the motorcycle is not energized. If so, turn it to “ON”position.
Note:
It is necessary to switch off the air switch when motorcycle is not being used. By doing so, the full charge can be maintained resulting in longer battery service life.
Charger use and maintenance
The charger is an important part of the motorcycle. The performance of the charger can heavily affect the service life of the battery. A charger mainly consists of a rectifier filter, a high-voltage switch, voltage commutation, control of constant voltage and charging and others. The charger offers trickle charge. The duration of charging each time shall usually be shorter than 12 hours. The charger shall be dry and ventilated at charging. Source of flame shall be away from the battery at charging; the charger shall not be covered by anything in order to avoid fire. The output plug of the charger shall be connected to the socket on the battery box at charging. Then, the charger plug is inserted into a common power source socket. At end of charging, the charger’s power source shall be disconnected first before plugging the output plug out of the battery socket. Keep the charger in a proper manner or place it into the glove compartment.
Warning
- The charger should be used and stored in a dry environment. Do not drop it or otherwise abuse it.
- Do not touch the charger while charging. High voltage and current are present.
- The charger gets hot during charging. Charging shall be conducted at a well-ventilated place. Keep the charger away from blanket, wooden board and other flammable, explosive items so as to avoid potential fire or explosion accident.
- The voltage and current of the battery shall be line with the specification of the charger at charging. Meanwhile, charger’s output plug polarity shall be in line with that of the battery group. Otherwise, this may damage the charger and battery.
- As the charger’s indicator does not turn in color over a given period of time or longer than 8 hours, indicator has been showing red constantly. The charging shall be stopped immediately. Send the charger to a service station for inspection.
- Do not attempt to repair or modify the charger.
Battery use and maintenance
The battery used on this model is installed below the glove compartment. Small amounts of gas are exhausted at charging. No acid mist is exhausted under normal conditions. The batter features large capacity, slight amount of self-discharging, high energy, long service life, reliable safety. It is an ideal power-type battery. Please read the use in-struction of the battery carefully prior to the use of the battery.
- Lithium battery for a new motorcycle features a default electric charge at 40~60%. If it remains within a short period after delivery, the user can use the battery on the motorcycle directly. If there is a long period after delivery (longer than 2 months), the user should charge the battery prior to the use of it. The charger’s green indicator is illuminated 7 to 8 hours after charging, which indicates the battery has almost a full charge. The charging comes to an end for another 1 to 2 hour-long floating charge.
- The advanced fully-enclosed energy-saving design is applied to the battery to set the battery free from maintenance, safe and environmental friendly. Compared to a traditional battery, the battery features a noticeably longer service life and longer full charge endurance.
- The battery shall not be placed inside the enclosed container and not close to the open flame. Do not throw it into the fire or soak it in the water. It is forbidden to expose it to sun light.
- In case battery housing is found to be cracked and leaked, install a new battery.
- The electric quantity of the battery shall be inspected on at a given time every week when the motorcycle is available for operating. The battery shall be charged timely to avoid shortened service life as a result of lack of electricity.
Note
- The battery should be stored where it is dry and cool. Keep it upright and from being pressed by heavy items.
- The ambient temperature shall stand between 0 degrees and 35 degrees at charging. There should be good ventilation. The lower temperature would affect the charging efficiency. The high temperature can lead to change of parameters of the charger and even to loss of control and swelling of battery.
- Contact CSC Motorcycles for instructions on disposal of the battery when it is nececssary to do so.
Lithium battery removal
Removal steps:
- Turn on the electric lock
- Open the seat
- Turn off the air switch
- Open the battery pressing plate
- Plug out the charging plug
- Plug out the discharging plut
- Lift the battery

The installation steps are the reverse of the removal steps.
Note: before removing the battery, the electric lock and air switch shall be turned off to disconnect the source of power and to avoid potential danger.
Drive motor maintenance
The motorcycle employs a brushless DC rear wheel-mounted motor, with an efficiency of higher than 85%. The motorcycle features excellent gradability, higher speed, low current consumed for operating, long full charge endurance, outstanding coasting effect and other advantages.
- A wet driving motor may deteriorate. Remove the motor and drain the water before drying it with a blower or expose it to the sunlight. And then, detect the resistor of motor and hall sensor. In case of damage, install a new one.
- Partly-charged battery may lead to shorter full charge endurance and poor performance of driving motor. The battery should be fully charged whenever it is charged.
Wheel and tire inspection
- Higher tire pressure may lead to poor ride comfort. It will also lead to worn components over a shorter period of time. Lower tire pressure may lead to greater road load and increased energy consumption. It may also lead to a flat tire as a
result of local delaminating of tire. - The valve core shall be repaired or replaced if air leakage is found from inner tube valve core. Inner tube shall be repaired or replaced if air leakage is found from inner tube
- The inspection and adjustment of wheels should occur on a regular basis.
Limit for tire wear
| Limit for wear | Front | 2.0mm |
| Rear | 3.0mm |
Limits for wheel run-out
| Limits for wheel run- out | Axial | 0.8mm aluminum wheel |
| Radial |
Brake inspection and adjustment
Inspection of hydraulic brake 
- Check if brake handle’s free travel is within the scope of standard value or not. If the brake handle’s travel can not be adjusted any more, it indicates that brake worn beyond service limit value. A new brake shall be installed.
- Check the level of brake fluid reservoir via access hole. When the level stands below the lower limit, add brake fluid to the higher limit. Use only DOT4 or DOT3 brake fluid.
Adjustment of drum brake
- Check if the brake handle’s free travel is within the scope of standard value or not. If the brake handle’s travel can not be adjusted any more or the pointer on the braking arm goes beyond the basic scale on the brake drum cover, it indicates that brake shoe has been worn beyond service limit value. A new brake shoe shall be installed.
- Hold the braking swing arm and turn the adjusting nut clockwise to shorten the brake handle’s free travel. On the contrary, turn it to extend the free travel. Try repeating the manipulation for several times until the standard value is reached.
- Hold the stop lamp switch body and turn the adjusting nut for adjusting stop lamp switch. As long as the brake pedal is ap-plied, the stop lamp is illuminated, which shows the stop lamp switch has been positioned properly.
Standard value of brake handle’s free travel: 10mm – 20mm
Note
- At the end of adjusting brake, sgrip and release the brake handle several times while rolling to check if the wheel can spin freely. At the end of adjusting brake, check the rear stop lamp switch and adjust if necessary.
- Use only CSC components when servicing the brakes.
Cleaning and storage
- Cleaning
Do not flush the motorcycle with high pressure water so as to avoid potential risk as a result of wet electrical parts and circuits. (2).Wipe the surface of the motorcycle using a clean cotton cloth or clean towel. (3). Apply wax to the surface of painted parts and apply anti-rust oil to the chrome-plated surfaces. - Storage
(1). If storage is for longer than 60 days the motorcycle shall be cleaned thoroughly before storing it. (2). The battery should be removed and stored only when it is fully charged. As all batteries discharge themselves, service life will be shorter if they are stored partially or fully discharged. The best practice is to charge the battery once every month. The battery should be stored indoors in a dry area. Do not store the battery where it overly heated or humid. (3). Remove the manipulative cable and clean and lubricate it. Store the motorcycle on a pad such that the tires are off the ground. (4).The motorcycle should be stored where it is ventilated, dry, out of the sunlight, and away from flammable items, chemical items, corrosive items and other harmful items.(5). The motorcycle shall be cleaned and checked again when taken out of storage. Switch the power lock on to check the electrical circuit throughout the motorcycle and charge the battery.
| Specifications | |
| Dimension L×W×H | 1785×655×1240mm |
| Wheelbase | 1285mm |
| Min. ground clearance | 140mm |
| Curb weight | 91kg |
| Max. payload | 150kg |
| Tire specification/tire pressure | Front3.50-10/225kpa Rear3.50-10/250kpa |
| Max. speed | 70km/h |
| Full charge endurance | 20km/h – 140km |
| Motor type and model | 72V/3KW Wheel hub motor (2.15MT×10) |
| Electric quantity consumed per 100km | ≤3kw.h |
| Controller | 72V 18GSinusoid |
| Battery type | Lithium battery |
| Battery specification | 72V/30Ah |
| Under-voltage | 58±1V |
| Over-current protection | 60±2A |
| Charger | AC220V output current 5A |
Note: Full charge endurance refers to the distance covered when the motorcycle runs over an even road continuously with fully charged battery and rated loading until controller’s low-voltage protection function is enabled. The full charge endurance varies depending upon road conditions, number of parking and starting events, level of loading, wind load, temperature and others factors.
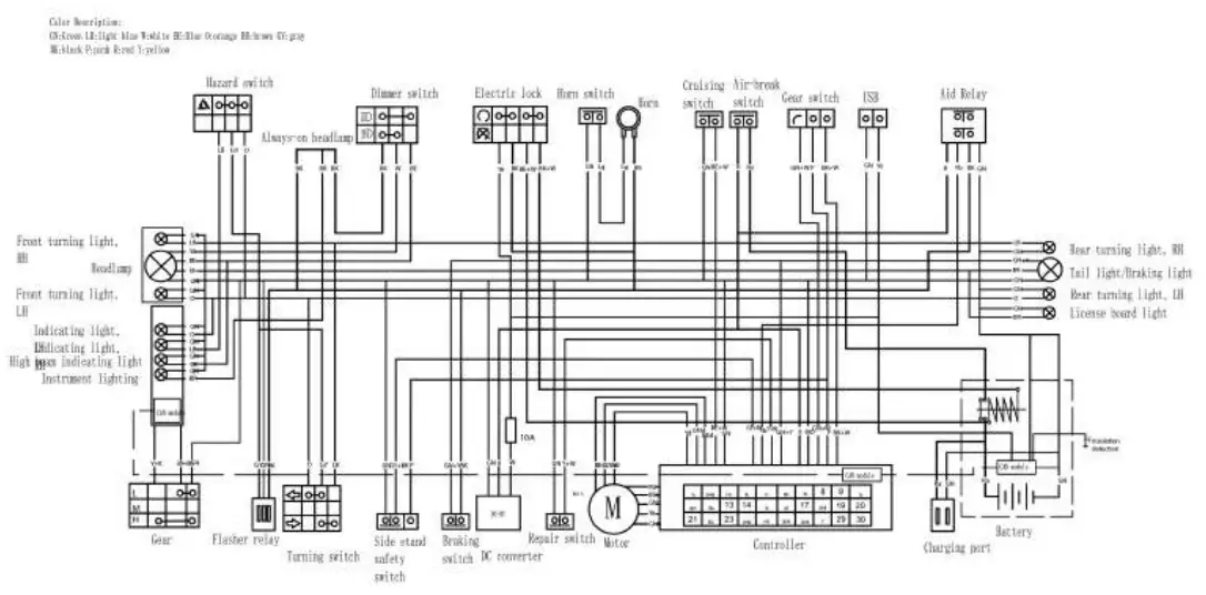
WIRING DIAGRAM
All rights reserved; reprinting is prohibited. Format: 140mm 102mm
Print: 1st printing July 2019
https://www.motorcycle-manual.com/

























