
5447327 Volt Insect Killer
User Manual
5447327 Volt Insect Killer
| 2 year Warranty | ABS Fire Retardant | Free of Chemicals |

IMPORTANT SAFETY DETAILS
- Check the local voltage and frequency before using. Ensure an earthing-connection to prevent damage or danger.
- Do not touch the internal high voltage grids during usage because of electric shock danger. Never put metal objects inside the grids while using the product.
- The insect killer is suitable for indoor use only. It is not allowed to be used in barns, stables, garages or similar locations. The product should not be used in locations where flammable vapors or explosive materials are likely to exist.
- Never remove any fixed part of the appliance to make any internal adjustment. If the supply cord, the lamp, starters or other part of appliance is damaged, the manufacturer, its service agent or a similarly qualified person must replace it in order to avoid an electric shock hazard.
- Unplug the appliance before cleaning. Use suitable a brush to clean the high voltage metal and remove the bodies of insects in the collection tray every week. Be sure to cut off electricity when cleaning the machine.
- Do not clean the product with water and don’t place it in the rain.
- Repair should be carried out by the manufacturer or a qualified electrician.
- Danger: high voltage! The insect killer is to be kept away and out of reach from children. Hang or mount the appliance in a place where children can’t reach. (≤2.0 m)
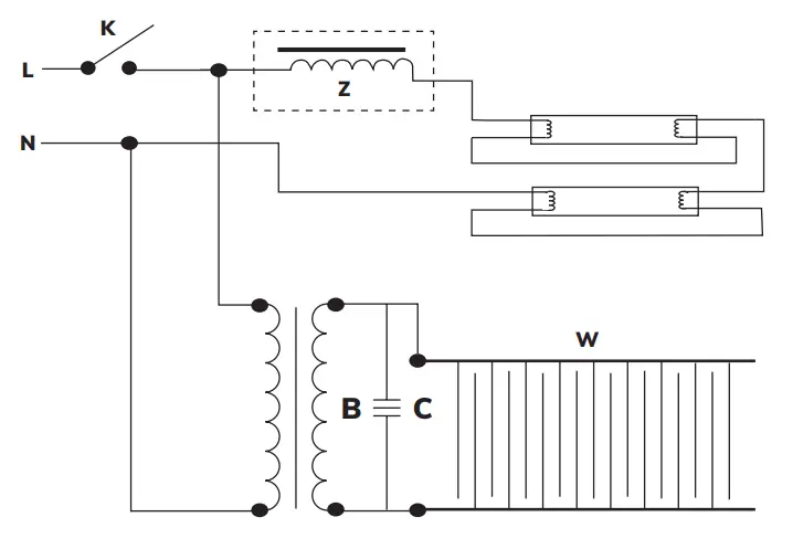
CIRCUIT DIAGRAM
| Z. Ballast | B. PCB high-voltage transformer |
| K. Power switch | C. Condensor |
| W. High-voltage grid |
PRODUCT COMPONENTS
| 1. Toplid | 7. Outer cover board |
| 2. High-voltage grid support | 8. Lamp |
| 3. Combined PCB | 9. Lamp stand |
| 4. Mesh | 10. Collection tray |
| 5. High-tension grid | 11. Collection |
| 6. Inner cover board |
INTENDED USE / APPLICATION
Product designed for the use in households and for other similar general applications.
MOUNTING
Technical changes reserved. Read the manual before mounting. Mounting should be performed by an appropriately qualified person. Any activities to be done with disconnected power supply. Exercise particular caution. Product has a protective contact/terminal. Failure to connect the protective lead may lead to electric shock. Mounting diagram: see pictures. Check for proper mechanical fastening and connection to electrical power prior to first use. The product can be connected to a supply network which meets energy quality standards as prescribed by law. To maintain the proper IP protection level, the right diameter of the power cable should be selected for the cable gland used in the product.
FUNCTIONAL CHARACTERISTICS
The product can be used indoors only.
USAGE GUIDELINES / MAINTENANCE
Any maintenance work must be performed when the power supply is cut off and the product has cooled down. Clean only with soft and dry cloths. Do not use chemical detergents. Do not cover the product. Ensure free air access. Product may heat up to a higher temperature. Product can only be supplied by rated voltage or voltage within the range provided. It’s forbidden to use the product with damaged protective cover. Product must not be used in unfavourable conditions, e.g. dust, water, moisture, vibrations, explosive air atmosphere, fumes, or chemical fumes, etc. Nondemountable product. Not suitable for independent repairs.
ENVIRONMENTAL PROTECTION
Keep your environment clean. Segregation of post-packaging waste is recommended. This labelling indicates the requirement to selectively collect waste electronic and electrical equipment. Products labelled in this way must not be disposed of in the same way as other waste under the threat of a fine. These products may be harmful to the natural environment and health, and require a special form of recycling/ neutralising. Products labelled in this way should be returned to a collection facility for waste electrical and electronic goods. Information on collection centres is provided by local authorities or sellers of such goods. Used items can also be returned to the seller when ew product is purchased, in quantity no larger than the purchased item of the same type. The above rules regard the EU area. In the case of other countries, regulations in force in a given country must be applied. Contacting the distributor of our products in a given area is recommended.
COMMENTS / GUIDELINES
Failure to follow these instructions may result in e.g. fire, burns, electrical shock, physical injury and other material and non-material damage. For more information about Hoftronic products visit www.hoftronic.com. Hoftronic shall not be responsible for any damage resulting from the failure to follow these instructions. Hoftronic reserves the right to make changes in the manual – the current version can be downloaded at www.hoftronic.com.
DOCUMENTATION
This product has been manufactured and supplied in compliance with all relevant regulations and directives applicable to all member states of the European Union. The product complies with all applicable regulations and rules in the country of sale. Formal documentation such as the declaration of conformity, the safety data sheet and the product test report is available upon request.
CE DECLARATION
The product complies with the following directives:
LVD: 2014/35/EU
EMC: 2014/30/EU
RoHS: 2011/65/EU
The complete Declaration of Conformity Document (DOC) is available upon request.
Imported by
HOF Trading B.V.
Fahrenheitstraat 11, 6003 DC Weert , The Netherlands
Made in P.R.C.
www.hoftronic.com



















