
MODULAR Five Finger Fuzz Passive Diode Fuzz Eurorack Module
User Manual
Five Finger Fuzz Build Guide & User Manual
Five Finger Fuzz is a passive diode fuzz Eurorack module with switches for changing which diodes are included in the circuit. It’s based on the simple passive fuzz designs that others have come up with (eg: Yan’s Patchpals), but we added the switching for more fuzz fun. This kit includes everything you need, including the PCB, front panel, all the components, and a build guide. The design uses 2 different kinds of diodes and it comes with a selection of different types to choose from, including some Soviet military germanium diodes. !
Note: This is a passive module. It may or may not cooperate with your other modules. It will not compete with your favorite distortion module. It will not cause nausea or vomiting. Some people think passive modules don’t belong in a proper Eurorack setup. Others are the type that is known to eat ice cream in bed and put black tape over the warning light on their car’s dashboard. You’ll have to decide if it’s right for you before proceeding.
Building the Module
This kit should be easy to assemble for a beginner. With that said, you will need to bring some basic soldering skills. You’ll also need a soldering iron, some solder, and a pair of flush cutters. The following step-by-step instructions will lead you through the build process. If you have any questions, send us an email and we’ll try to help.
Step 1: Gather the Parts
Lay everything out on a table, to make sure it’s all there. You should have a green PCB and a black front panel. The components that aren’t diodes include the following:
- One 3mm red LED and one 180 Ohm resistor for the LED (the component with the brown, grey, brown stripes). (If you decide to use a different LED, you might need to swap out the resistor to match)
- One 10K linear taper potentiometer (also known as a “pot”). This is a trimmer-style pot that doesn’t allow you to attach a knob. If you want a cool knob on your module, you’ll want to switch this out for a pot that’s designed to have a knob on it.
- Two 3.5mm jacks and nuts
- Five miniature SPDT on-off-on toggle switches
- Two M3 x .5mm mounting screws
We’ve included an assortment of diodes. You’ll need four diodes of the same type, and four diodes of another type to make the module, but you can choose which diodes you’ll use. Each type potentially has a different fuzzing effect, so you’ll want to keep them all in case you want to experiment with changing the diodes later. In your kit, you should have four of each:
- 1N4001 power diodes (the black cylinders with a grey stripe)
- 1N4148 signal diodes (the little glass ones)
- 5mm LEDs (yes, LEDs are diodes!)
- Point contact Germanium diodes (the larger black capsules)
Step 2: Solder the Smaller Components
- To get things started, place the 180 Ohm resistor at the rectangle marked RLED. The orientation is not important. Solder it from the other side of the board and snip the extra bits of the leads.
- Place four diodes, of the same type, at each of the places marked with an A (the blue arrows in the diagram at the right).
The orientation of the diodes is extremely important. The arrow-like symbols printed on the circuit board show the correct orientation. Note that they are not always in the orientation you’d expect. See the following page for more information about orienting the diodes correctly (ie: with the correct “polarity”)
Once they’re in place (in the correct orientation), solder the diodes from the back of the PCB.
Note: If you use the 5mm LEDs as your diodes (or you find some other awkward size of the diode), you might want to solder them on the other side of the board. The side of the board doesn’t matter, as long as you orient the diodes according to the printed symbols! - Do the same for four other diodes that are of the same type. Place them in the area marked with a B (the orange arrows in the diagram at the right)

Orienting the Diodes
To orient, the diodes correctly, look for their stripe. If it has one, the stripe should correspond to the vertical line on the arrow below. That vertical line denotes the “cathode” (negative) side of the diode. (The other side is called the “anode”)
For example:
The Germanium diodes actually have the arrow-like diode symbol printed on them, so the direction is even easier to identify on those. LEDs have several ways of identifying the cathode side:
(a) A flat edge on the LED (b) the shorter lead (c) the larger metal bit inside the plastic (if you can see it)
All of the above denotes the cathode side.
Step 3: Solder the Rest
The remaining components protrude through the front panel
- Place the jacks, potentiometer, and switches on the PCB, using the screen-printed rectangles as a guide.
- Place the 3mm LED, paying special attention to the polarity. The anode goes toward the printed plus sign. The cathode is closest to the edge of the PCB.
- Place the front panel on top of all of the components and secure them with their nuts. Tighten the nuts with your fingertips, fingernails, or a tool specifically designed for these nuts. Using a pair of ordinary pliers is likely to scratch the front panel. You should not need any of the included washers. Put them aside.
- Before soldering the jacks, potentiometers, and switches to the PCB, be sure that there are no gaps between the bases of the components and the PCB. The photo below shows the kind of gap that you want to avoid.
If you do end up with gaps, as shown above, the components will not all be at the same height. If this is the case, you can use the washers that you put aside; placing them between the lower-height components and the front panel to close the gap. - Solder all components, except for the LED, from the other side of the circuit board.
- Push the LED up so it protrudes through the front panel. Double-check that the polarity is correct, then solder it from the back of the circuit board.
Using the Module
Again, this is a passive module. It may or may not cooperate with your other modules. If you see that a module doesn’t behave as expected when connected to the Five Finger Fuzz, try a different module.
- Connect the output of another module (eg: an oscillator or other sound source) to the input jack. Patch the output jack to a mixer, output module, etc. to hear the input with some added “fuzz.”
- Turn the potentiometer clockwise to add more fuzz. If you find that a module doesn’t like being connected to the Five Finger Fuzz input, try turning the pot counterclockwise to see if it’s happier.
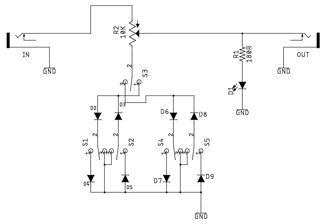
- The top switch determines which diode type the circuit uses. Two of the bottom switches are then used to change how those diodes are incorporated into the circuit. By flipping the two switches, you can change the circuit to include only two of the diodes, three diodes (in asymmetrical configurations), or all four. For more information, you can see the schematic, but it is recommended that you just flip switches until it sounds interesting.

In the illustrations at the right, the orange highlights show the switches that function when the top switch is in the left position. The blue highlights show that the bottom switches function only when the top switch is flipped in the right direction.
Note: The description above ignores the fact that each switch also has a central position in which neither of its two selections is active. This affords even more possibilities for experimentation. You might think that switching the top switch to its center “off” position would make the input pass through to the output unchanged, however even in this case, the 3mm red LED adds some fuzz!
Some tips:
Again, this is a passive module. It may or may not cooperate with your other modules. If you see that a module doesn’t behave as expected when connected to the Five Finger Fuzz, try a different module.
Some sound sources sound better with this passive diode fuzz circuit than others. If you feed something to the input and don’t get interesting results at the output, keep experimenting with other types of sounds before you consider switching to a different diode type. In any case, temper your expectations. While this module can actually have very interesting, unexpected effects on certain sound sources, it is a passive module and will not create the extreme distortion that an active module might be able to.
NO WARRANTY
DIY kits from XOXO Modular, including the Five Finger Fuzz kit are sold without warranty. Users of the kit are at their own risk. XOXO Modular LLC makes no warranties, express or implied, including, but not limited to, any implied warranties of merchantability or fitness for a particular purpose. XOXO Modular LLC shall not be liable for harm to person or equipment caused through the operation of this product, or for any errors or inaccuracies that may appear in this document.
By using this product, you agree to these terms.
Manual v1.0 //
Five Finger Fuzz v20210921
xoxomodular.com
If you do end up with gaps, as shown above, the components will not all be at the same height. If this is the case, you can use the washers that you put aside; placing them between the lower-height components and the front panel to close the gap.


















