brivo ACS300 IP-WiFi Door Controller
INTRODUCTION
Document Objectives
This Installation Manual provides step-by-step instructions for installing the Brivo ACS300. Its primary audience is trained access control installation technicians (Installers) who are responsible for installing the ACS300 at client sites.
The manual is also intended for IT personnel, who should use it in conjunction with the corresponding Administrator’s Manual. It may be used by dealers and their sales professionals to help them conduct pre-sales, and to provide client support during the installation process. Finally, it may be used for in-house training purposes and ongoing support.
Document Layout
This manual is organized into a series of procedural checklists, detailing steps you must follow to ensure a safe and effective installation. The main sections of the manual are:
- Pre-Installation Procedures
- General Assembly Procedures
- Power and Testing Procedures
- Installation Procedures
Terminology
The following is a list of terms that are used throughout this document. While some of these terms may have other meanings, the definitions provided below are the ones intended in this Installation Manual. Control Panel. Brivo’s one or two-door Door Controller (ACS300) is a native Ethernet, Bluetooth and Wi-Fi-enabled access control panel in a compact form factor. Access control system (ACS). The complete interaction between a control panel, the Brivo product (Onair or Onsite Server) and in the case of Brivo Onair, the Brivo Onair cloud server. Bravo Onair®. Brivo’s cloud-based software application enables the end-user to manage his or her Brivo Onair account. Brivo Onair Cloud Server. The off-site servers, hosted by Brivo, are used to store an account’s database. Configuration and maintenance of the control panel is managed through Brivo Onair. Bravo Onsite Server. Brivo’s appliance-based application enables the end-user to manage his or her Brivo Onsite Server account.
Wiring Recommendations
| Signal | Belden # or Equivalent | AWG | Twisted Pair | Conductor | Shielded? | Max Length |
| RS-485 Comm, two wire | 9841 | 24 | Yes | Yes | 4000 ft | |
| Power (22 gauge) | 5504FE | 22 | Yes | Yes | 600 ft | |
| Power (18 gauge) | 6300FE | 18 | Yes | Yes | 1500 ft | |
| RJ45-Ethernet (CAN Bus) | N/A | Cat5 | Yes | Yes | 1500 ft | |
| Fire Alarm Relay | 6300FE | 18 | Yes | Yes | 1500 ft | |
| Request-to-Exit | 5520FE/6300FE | 22/18 | Yes | Yes | 1500 ft | |
| Door Contact | 5500FE | 22 | Yes | Yes | 1500 ft | |
| Transformer Block | 6300FE | 18 | Yes | Yes | 1500 ft | |
| Molex Connector | N/A | 22 | Yes | No | 1 ft | |
| Earth ground | N/A | 6 | Yes | Yes | 20 to 40 ft | |
| Reader Option 1 (22 AWG) | 5504FE | 22 | Yes | Yes | 250 ft | |
| Reader Option 2 (20 AWG) | 5400FE | 20 | Yes | Yes | 300 ft | |
| Reader Option 3 (18 AWG) | 6300FE | 18 | Yes | Yes | 500 ft |
Additional Resources
The following additional resources are available for the installer as well as the client.
- Panel Networking Admin Interface Guide
- Approved Wiegand and OSDP Reader List
- Brivo Onair Quick Start Guide
- Bravo Cellular Network Router Configuration Guide
- Bravo Onsite Server Quick Start Guide
- Technical Support: 1-866-BRIVO-4-U
- www.brivo.com
PRE-INSTALLATION PROCEDURES
Before you begin installing the Brivo control panel, perform the following tasks to ensure a safe, speedy, and successful installation.
Understand the function of the Brivo ACS300 control panel (A/E).
The ACS300-E and ACS300-A are one or two (2) reader control panels with multiple access points. This control panel is considered a standalone system. The control board has up to two (2) readers on board. The Brivo ACS300-E uses an on-board Ethernet interface to communicate via any TCP/IP networking technology that can be connected through a hub, router or switch, including Wi-Fi and satellite communications. It is an IP-enabled Access Control System that interacts with the Brivo Onair cloud server via the Internet application Brivo Onair. The Brivo ACS300-A is identical to the ACS300-E except that the ACS300-A communicates to a Brivo Onsite Server instead of the Brivo Onair cloud server.
Understand Brivo ACS300 product compatibility.
The ACS300 control panel is compatible with a large number of standard reader models including the following (UL tested for compatibility) reader models: HID600, Identiv 8110, HID RPK40, Allegion MTK15, AWID KP-6840, and OSDP reader 921PTPTEK00385. Brivo products are designed to accommodate the latest updates in Wiegand and OSDP using RS-485 reader formats. The ACS300 control board is compatible with Wiegand devices that transmit up to 255-bit data and OSDP readers using RS-485. A current list of compatible readers and keypads is maintained on Brivo’s website at http://www.brivo.com. If you have a specific model of reader or keypad that is not listed on the Brivo website, please contact Technical Support at 1-866-BRIVO-4-U to determine compatibility.
Verify that the client site is ready to support the installation.
- Check with the IT department to ensure that the ACS300 version to be installed is compatible with the company’s local area network (LAN).
- The ACS300 is equipped with a standard RJ-45 socket that accepts a CAT5 or CAT6 cable with an RJ-45 plug on any 10/100 Ethernet network. Physically connecting the panel is the same as plugging any computer or other device into the LAN.
- Refer to the Panel Networking Admin Interface Guide for instructions on connecting to the LAN. The Panel Networking Admin Interface Guide also contains a complete list of requirements regarding TCP/IP configuration parameters and information about security considerations.
- Download the corresponding Quick Start Guide from the Brivo website and provide it to the Master Administrator. This document provides instructions for registering and configuring the control panel in the appropriate application.
- For Brivo Onair accounts, make sure the account has been created and the control panel is registered through Brivo Onair. If the control panel has not been registered by the dealer, the installer may either contact Brivo Technical Support for assistance or simply register the panel directly.
- Verify that the Master Administrator and any other employee who will be accessing the system have Internet access on a computer equipped with a supported Web browser.
Verify shipping contents.
- Locate and check the contents of the Control Panel kit.
- The ACS300 kit should contain the following parts:
- 1 cardboard box containing the following:
- The ACS300 unit, with its identification label adhered to the mylar shield atop the ACS300 board.
- A quick start guide
- A bag of accessory parts containing:
- 4 MOVs (Metal Oxide Varistors)
- 1 screw for ACS300 box.
Plan your installation. Decide where to install the ACS300.
- If not using Power Over Ethernet (PoE), do not place the ACS300 more than 100 feet from the transformer. This is the maximum cable run allowed by most external power supplies.
- Calculate the distance between the ACS300 and its associated keypad or reader. The ACS300 does not specify a maximum distance between the ACS300 and a keypad or reader, but the keypad/reader manufacturer does. Follow manufacturer guidelines for each keypad and reader.
- Place the ACS300 within 500 feet of its associated electronic strike or latch.
Follow safety precautions.
WARNING: Fire Code
NEVER CONNECT A KEYPAD/READER OR LOCK TO DOORS WITHOUT FIRST CONSULTING THE APPLICABLE FIRE CODE. You must consult with, and get approval from, local fire officials before installing locks or devices on any doors that may be fire exits. Use of egress pushbuttons may not be legal. Single action exits may be required. Always obtain proper permits and approvals in writing before installing equipment
WARNING: Fail Secure Mode
DO NOT INSTALL THE SYSTEM IN THE FAIL-SECURE MODE UNLESS PERMITTED BY THE LOCAL AUTHORITY HAVING JURISDICTION. Doing so may cause interference with the operation of panic hardware.
WARNING: Heat and Noise
DO NOT INSTALL THE CONTROL PANEL IN AN AREA THAT COULD DROP BELOW 32 DEGRESS FAHRENHEIT OR EXCEED 120 DEGREES. Doing so can cause damage to components within the control panel. DO NOT INSTALL THE CONTROL PANEL NEAR OR ON THE SAME CIRCUIT WITH DEVICES THAT PRODUCE LARGE AMOUNTS OF ELECTRICAL NOISE. This includes grinders, electric motors and blowers, electrical switch-gear and other electrically noisy equipment. Electrical noise can interfere with panel operation. If it is not possible to install the panel away from such sources of noise, it is advisable to isolate it by using a high-quality UPS (Uninterruptible Power Supply) between the AC Mains and the transformer.
- This product is not intended for outside wiring as covered by Article 800 in the National Electrical Code, NFPA 70.
- Unit is for indoor use only.
- Power wiring attached to the ACS300 unit should be 26 AWG or larger.
- Category 5 cabling is the minimum performance category recommended.
- Do not connect to a receptacle controlled by a switch.
- Compliance with IEEE 802.3 (at or af) specifications was not verified as part of UL294/B.
- UL testing on the ACS300 powered by ITE Listed PoE Injector manufactured by Altronix, model Netway 1X and a plug-in transformer manufactured by Yeo Heung Electronics Co. LTD., model SEP/P-2450U.
- If powered by 12VDC, the power supply must be a UL294 listed or UL 603 listed power supply. Battery capacity for loss of primary power at least zero (0) hours.
GENERAL ASSEMBLY PROCEDURES
Assemble and mount ACS300.
- Mount the ACS300 box using one of the three methods described below.
- Option 1
- Use four bolts at the corners of the ACS300 enclosure to mount the ACS300 securely in place.

- Option 2
- Looking at the back of the enclosure, use two of the four bolts to hang the ACS300 board in place and then secure the enclosure with the remaining two bolts.

- Option 3
- Looking at the back of the enclosure, using the provided cutouts, mount the ACS300 enclosure to a 4-gang junction box.

- Verify presence of optical tamper reflector on the inside lid of the ACS300.
- OPTIONAL: Install the physical tamper switch in the ACS300.
- Install the tamper switch in the ACS300.
Confirm the SW-2 switch settings are in the correct positions
NOTE: Putting the switch SW2-4 (Wi-Fi) in the OFF position will ENABLE Wi-Fi. Putting the switch in the ON position will DISABLE Wi-Fi. 
ACS300 SW-2 Switch Bank Location
ACS300 SW-2 Switch Settings
The ACS300 Tamper On/Off Toggle in the off position deactivates both optical and physical tamper switches.
Tamper Switch and Optical Tamper Sensor Locations
If there is no reflector present, the optical tamper will not activate. The presence of the optical reflector is required for this functionality.
OPTIONAL: Connect the physical tamper switch to the ACS300.
If the ACS300 unit is installed within an external metal chassis (i.e., ACS6000-EXP), the option for attaching an external physical tamper switch is provided. Connect the physical tamper switch to the ACS300.
- The tamper header connects to the supplied tamper switch.
- The header connector for the tamper switch should be connected to the TAMPER pins located on the upper right side of the ACS300.
NOTE: If the tamper switch is not going to be used, leave the supplied jumper on this connector to keep the circuit closed.
OPTIONAL: If not using Power over Ethernet, wire the DC transformer to the power supply
WARNING: Transform Connection
DO NOT CONNECT THE TRANSFORMER TO A SWITCHED OUTLET OR OTHERWISE CONTROLLED AC OUTLET. DO NOT CONNECT THE TRANSFORMER TO THE 120 VAC OUTLET UNTIL ALL WIRING IS COMPLETED.
- Use 18 AWG wire (minimum grade) to connect the screw terminals on the transformer to the POWER INPUT terminal block on the ACS300, using terminals DC +/AC1 and DC -/AC2. Compliance with IEEE 802.3 (at or af) specifications was not verified as part of UL294/B.

Connect AC Transformer to Power Supply
| Model | Circuit | Voltage (VDC) | Current (A) |
| Brivo ACS300-A/E | Input | 12VDC | 2.5 A |
POWERING AND TESTING PROCEDURES
WARNING: Power Precautions (if using Power over Ethernet) CHECK THE FOLLOWING CONNECTIONS AND MAKE SURE THAT:
- No external transformer is being used to provide power to the ACS300.
Power up the ACS300
- Plug the CAT 5 cable into the LAN/PoE connector.
- Alternately, if not using PoE and instead using an external power supply, plug in the transformer.
NOTE: Firmware Upgrade at First Time Connect When first registered and connected to the Brivo Onair cloud service, your ACS300 will automatically download and install the latest firmware. This process may take several minutes, so do not disconnect or cut power to your ACS300 during this process. If you encounter any difficulties, please contact Brivo Technical Support at 866-274-8648 or email [email protected]. - Check ALL power indicators:
- Check the ACS300 to confirm that the green power rail LED lights are on, indicating that AC power is being supplied to the board and that the board is producing 12 VDC power.
- Check the ACS300 to confirm that the Health and Connect Status Lights have come on.

| Front Panel | Meaning | |
| Health | Connect | |
| Mostly Solid (Slow blink every 15 seconds) | Solid | Unit is healthy and connected to host server |
| Mostly Solid (Slow blink every 15 seconds) | Off | Unit is healthy but not connected to host server |
| Blinking | Solid | Unit not healthy |
| Blinking | Blinking | Unit not healthy and not connected to host server |
| Off | Off | No Power |
- If any of the power indicators are not correct (i.e., the green power rail LED lights do not come on or the blue Health and Connect LEDs do not begin blinking, check the connections from the ACS300 to the network connection. If all connections are good but there is still a problem with the power indicator, refer to the Diagnostic LED table below. If still unable to resolve the issue, contact Technical Support.
| State # | Diag 1 | Diag 2 | Diag 3 | State Meaning |
| 1 | OFF | OFF | OFF | All off indicates no diagnostic codes, everything is OK |
| 2 | OFF | OFF | ON | No IP Address |
| 3 | OFF | ON | OFF | Unable to reach Brivo Server |
| 4 | OFF | ON | ON | Time not known |
| 5 | ON | OFF | OFF | Rebooted within the last hour |
| 6 | ON | OFF | ON | Internal Fault within the last hour |
| 7 | ON | ON | OFF | File corruption detected. Device is damaged but still aware enough to indicate it cannot function properly |
| 8 | ON | ON | ON | Device not registered/configured |
NOTE: When an ACS300 is experiencing any issues shown on the ACS300 Diagnostic LEDs table above, the diagnostic LEDs will display each issue for two seconds. The last issue displayed on the LEDs will display for an additional five seconds before the cycle starts again.
INSTALLATION PROCEDURES
Connect a laptop to the ACS300 Administrative Interface Port
- Connect a laptop to the Administrative Interface port on the ACS300 using a standard Ethernet cable or a patch cable.
- The Administrative Interface port is a 10/100 Ethernet interface with RJ45 jack for connecting the ACS300 to a laptop or PC to gain access to the local administrative interface for debug and manual configuration utilities.
- The port uses auto-sensing technology to determine polarity, which permits either a straight or crossover cable to be used between the board and the computer.
NOTE: If using two OSDP RS-485 readers on the RS-485 bus, the OSDP addresses for each reader must be different. To accomplish this, the installer must do one of two things.
- Use the tools provided by the reader manufacturer to change the OSDP address on one of the two OSDP readers.
- Use the local administrative interface (WebCLI) on the ACS300 to change the OSDP address on one of the new OSDP readers.
For instructions on connecting to the local administrative interface and configuring the OSDP reader(s), please refer to the Panel Networking Admin Interface Guide (available at www.brivo.com).
Verify the connection of the LAN to the ACS300 (this should already have been done when powering up the ACS300 using Power over Ethernet)
- Verify the connection of the LAN to the ACS300 according to the instructions in the Panel Networking Admin Interface Guide.
- The LAN port is a 10/100 Ethernet interface with an RJ45 jack for connecting the MAIN BOARD to a Local Area Network in order for it to gain connectivity to the Internet.
- Use a straight, (i.e., non-crossover) cable to connect this port to a local hub, switch or router.
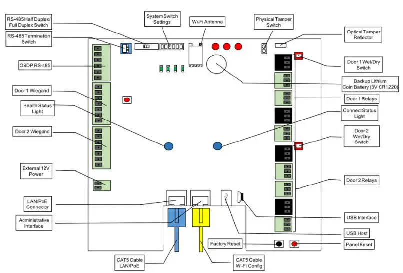
Wire Doors
Provided below is a diagram recommending how to appropriately run wiring within the ACS300 unit.
NOTE: Wiring should not be run underneath the mylar shield, only above it.
WARNING: Power Precautions (if NOT using Power over Ethernet) CHECK THE FOLLOWING CONNECTIONS AND MAKE SURE THAT:
- The transformer is NOT plugged into the 120 VAC outlet when wiring up any connections on the ACS300. Apply power only after wiring is complete.

ACS300 Wiring Recommendation
For each node to be used for controlling a door, as indicated in the completed Installation Worksheet, make the following connections.
NOTE: The ACS300 has two Wiegand wiring blocks and one RS-485 wiring block. The ACS300 can support up to two wired locks, and up to 30 wireless locks, with a total of 30 in any combination.
NOTE: The RS-485 block can support an OSDP reader OR an Allegion Gateway, but not both at the same time. 
Wire Doors for Wiegand Readers
NOTE: Output Ratings for the ACS300
- Two (2) reader ports, 11.4 – 12VDC, 350mA each
- Two (2) selectable wet contacts, 11.4 – 12VDC, 350mA each
- Four (4) dry contacts are 28VDC, 6A each
- One (1) RS-485 port, 11.4 – 12VDC, 350mA
- Wire the REX & DOOR terminal block.
- Connect the Normally Open (NO) contacts of the REX device to the REX and COM terminals.
- When this switch closes, it initiates a Request-to-Exit (REX) program sequence, as defined by the appropriate application, including the option to activate the door or other relays, fire the door strike, and suppress any “Door Forced” messages.
- Connect the Normally Closed (NC) contacts of the Door Sensor to the COM and CONTACT terminals.
- In this context, an NC switch is considered closed when the door is closed (magnet is present), and open when the door is open (no magnet is present).
- When the switch is open, the control panel interprets this input as a “Door Open” condition. When the switch is closed, the control panel interprets this input as a “Door Closed” condition.
- This circuit provides door status information (open/closed) to the control panel so ACS Online can take appropriate action locally, or send email notifications if necessary.
- Wire the DOOR LOCK RELAY terminal block.
- Connect the door latch to the COM terminal and either the NO or NC terminal.
- The DOOR LOCK RELAY provides both NO (Normally Open) and NC (Normally Closed) contacts, and is driven in response to the presentation of valid credentials or the programmable REX input.
- Timing and other aspects of relay activation are programmed through the Brivo programming interface.
- If used for an alarm shunt, wire the AUX RELAY 1 terminal block. If not used for an alarm shunt, AUX RELAY 1 can be used for a variety of purposes.
- Wire AUX RELAY 2. Like the AUX RELAY 1, this terminal block can be used for a variety of purposes, and are programmed via the Brivo programming interface.
NOTE: The fully programmable AUX RELAYs provide both NO (Normally Open) and NC (Normally Closed) contacts.
WARNING: Relay Amp Limit THERE IS A 6 AMP 28 VOLT DC LIMIT ON THROUGH CURRENT FOR ALL RELAYS. - 5. If used, wire the AUX INPUTS terminal block.
- The AUX INPUT 1 and AUX INPUT 2 terminals are contact closure type inputs.
- The terminals can be used for a variety of purposes, and are programmed through the Brivo programming interface.
- If using Wiegand readers, wire the reader terminals to the DOOR 1 and DOOR 2 terminals on the left side of the ACS300 board.
- If using OSDP RS-485 readers, wire the reader terminal to the RS-485 terminal on the upper left side of the ACS300 board.
Important RS-485 Wiring Information
NOTE: Ensure that when wiring the RS-485 bus that BOTH ENDS of the RS-485 bus are terminated using a 120 resistor.
NOTE: When wiring the RS-485 bus, use only twisted pair shielded wire.
NOTE: The RS-485 bus uses a series bus topology, not a star topology. Failure to wire the RS-485 bus properly will result in communication failure between devices.
NOTE: Any device at the end of the RS-485 bus needs to be terminated using a 120 resistor. This resistor may be built into the device or may need to be added externally.
Typical Half-Duplex RS-485 Wiring Diagram
NOTE: The ACS300 board’s factory default setting is Half-Duplex communication when using RS-485 reader functionality. In order to switch to Full-Duplex communication, move the HDX/FDX switch to the Full-Duplex position.
RS-485 Half Duplex/Full Duplex Switch Location
NOTE: RS-485 bus requires termination. The RS-485 termination switch is located in the upper left hand corner of the ACS300.
RS-485 Termination Switch Location
NOTE: Door lock relays can be provided with power by using Door 1 Wet/Dry Switch above Door Node 1 and Door 2 Wet/Dry Switch above Door Node 2.
NOTE: When powering a maglock through the ACS300 unit, the lock relay must be set to Wet on the corresponding Wet/Dry Switch (Door 1 or Door 2).
NOTE: Refer to the Approved Wiegand and OSDP Reader List for Brivo-approved devices and connection diagrams.
- Use the wire recommended by the manufacturer of the reader or keypad. If no wire is recommended, use a minimum of 22 AWG wire with sufficient conductors that include shield (drain).
- If your reader interfaces use standard Wiegand conventions, connect the wire properly to the terminal block on the appropriate board node. Following is a typical, but not universal, wiring guide. Refer to the Approved Wiegand and OSDP Reader List for guidelines related to your specific reader or keypad.
- Connect the green reader wire to the DATA0 terminal. This is the standard Data 0 circuit for Wiegand readers.
- Connect the white reader wire to the DATA1 terminal. This is the standard Data 1 circuit for Wiegand readers.
- Connect the black reader wire to the GND terminal. This is the standard Ground circuit for the reader.
- Connect the blue or yellow reader wire to the BUZZ terminal. This is the standard Buzzer circuit for the reader.
NOTE: In regards to the BUZZ terminal, please consult the manufacturer’s wiring instructions to determine the color of the wire. - Connect the red reader wire to the 12VDC terminal. This provides +12VDC to power the reader.
- Connect the orange reader wire to the GRN LED terminal. This is the green LED circuit.
- Connect the brown reader wire to the RED LED terminal. This is the red LED circuit.
- If your reader is OSDP using RS-485 wiring conventions, connect the wire properly to the terminal block on the appropriate board node. Following is a typical, but not universal, wiring guide. Refer to the Approved Wiegand and OSDP Reader List for guidelines related to your specific reader or keypad.
- Connect the wire to the RXD+ terminal. This is the standard RXD+ circuit for OSDP readers using RS-485.
- Connect the wire to the RXD- terminal. This is the standard RXD- circuit for OSDP readers using RS-485.
- Connect the wire to the GND terminal. This is the standard Ground circuit for the reader.
- Connect the wire to the 12VDC terminal. This provides +12VDC to power the reader.

Install MOVs
WARNING: Noise Suppression
INSTALL THE TRANSIENT NOISE SUPPRESSION DEVICE (MOV) SUPPLIED WITH THE CONTROL PANEL.
- Install the MOV across the conductors, as close as possible to the electric strike or latch. This will normally be at the connection from the field-installed wiring to the pig tail or screw terminals of the electronic strike or latch.
- Use the wire recommended by the manufacturer of the electric strike or latch. If no wire is recommended, use a minimum of 18 AWG wire with sufficient strands for the specific electronic strike or latch.
Connect the ACS300 Wi-Fi Antenna
- The ACS300 Wi-Fi antenna sits atop the mylar shield over the ACS300 board, and already comes connected on the ACS300 unit. Should it become detached and need to be reattached, instructions are provided.
- Extending from the ACS300 Wi-Fi antenna is a black connector cable with a silver connector cap at the end.
- Attach the silver connector cap to the right connector of the Wi-Fi chip.
- When the connector attaches, you may hear an audible click as it fits into place.

ACS300 Wi-Fi Antenna Connection
Ground the ACS300.
- When grounding the ACS300 unit, use 18 AWG or larger wire to connect the ACS300 to suitable earth ground.
- The ground contact point is the copper ringed screw point located in the lower-left corner of the ACS300 board.

ACS300 Earth Ground
| Revision | Date | Author | Change |
| 1.0 | 8/8/2016 | LMW | Original |
| 1.1 | 10/17/2016 | LMW | Added Wi-Fi antenna instructions |
| and mounting options | |||
| 1.2 | 10/21/2016 | LMW | Applied UL requested language |
| changes and updates | |||
| 1.3 | 3/27/2017 | LMW | Added UL requested language |
| concerning Bluetooth | |||
| 1.4 | 3/28/2017 | LMW | Added UL requested language and |
| updates | |||
| 1.5 | 3/29/2017 | LMW | Changed 1.6A to 2.5A on Page 13 |
| 1.6 | 4/26/2017 | LMW | Removed reference to ACS300-F and |
| Brivo Onair for Government and | |||
| removed reference to ACS300-S and | |||
| Brivo Onsite | |||
| 1.7 | 6/7/2017 | LMW | Added FCC 15B Class A and EN 55032 |
| Class A language | |||
| 1.8 | 11/9/2017 | LMW | Updated the SW 2 switch bank |
| diagram and ACS300 board graphics, | |||
| replaced references to the | |||
| Reader/Keypad Wiring Guide with | |||
| Approved Wiegand and OSDP Reader | |||
| List, and added the ACS300 | |||
| Diagnostic LEDs table | |||
| 1.9 | 11/22/2017 | LMW | Added a note after the ACS300 |
| Diagnostic LEDs table detailing LED | |||
| behavior when displaying multiple | |||
| issues | |||
| 1.10 | 01/16/2019 | LMW | Corrected typo on page 15 |
| 1.11 | 03/27/2019 | LMW | Updated notes on page 17 |
| 1.12 | 6/21/2019 | LMW | Added RS-485 bus |
| configuration/termination | |||
| information and updated Bill of | |||
| Materials | |||
| 1.13 | 08/27/2019 | LMW | Corrected a typo on page 15 |
| 1.14 | 05/06/2020 | LMW | Added new Firmware Upgrade |
| information | |||
| 1.15 | 08/06/2020 | LMW | Added OSDP addressing clarification |
| 1.16 | 08/19/2020 | LMW | Corrected warning messages on |
| pages 14 and 17 | |||
| 1.17 | 01/19/2021 | LMW | Added note on page 11 |
LEGAL DISCLAIMERS
Federal Communications Commission (FCC) Compliance
You are cautioned that changes or modifications not expressly approved by the part responsible for compliance could void the user’s authority to operate the equipment.
FCC 15B Class A
This equipment has been tested and found to comply with the limits for a Class A digital device, pursuant to Part 15 of the FCC Rules. These limits are designed to provide reasonable protection against harmful interference when the equipment is operated in a commercial environment. This equipment generates, uses, and can radiate radio frequency energy, and if not installed and used in accordance with the instruction manual, may cause harmful interference to radio communications. Operation of this equipment in a residential area is likely to cause harmful interference in which case the user will be required to correct the interference at his own expense. If this equipment does cause harmful interference to radio or television reception, which can be determined by turning the equipment off and on, the user is encouraged to try to correct the interference by one or more of the following measures:
- Re-orient or relocate the receiving antenna.
- Increase the distance between the equipment and receiver.
- Connect the equipment to a circuit other than the one to which the receiver is connected.
- Consult the dealer or an experienced radio/TV technician for help.
This device complies with Part 15 of the FCC Rules. Operation is subject to the following two conditions:
- This device may not cause harmful interference and
- This device must accept any interference received, including interference that may cause undesired operation of the device.
FCC RF Radiation Exposure Statement
- This transmitter must not be co-located or operate in conjunction with any other antenna or transmitter.
- This equipment complies with the FCC RF radiation exposure limits set forth for an uncontrolled environment. This equipment should be installed and operated with a minimum distance of 20 centimeters between the radiator and your body.
EN 55032 Class A
Equipment compliant with the Class A requirements of this publication should have a warning notice in the user manual stating that it could cause radio interference. For example
Warning: Operation of this equipment in a residential environment could cause radio interference.
Underwriter Laboratories (UL) Compliance
The ACS300 complies with the UL 294 Standard for access control units with the following restrictions:
- The Ethernet port is for supplemental use only. The unit will continue to operate standalone if the network connection is interrupted.
- The monitoring software is not UL evaluated.
- Wi-Fi connection is supplemental and was not evaluated by UL.
- The Bluetooth capability was not verified by UL.
Canada-Underwriters Laboratories (C-UL) Compliancy (CSA C22.2 No. 205)
For C-UL Listed applications, the unit shall be installed in accordance with Part 1 of the Canadian Electrical Code.
UL294/ULC Listing Compliancy
| Model Number | Access Control Line Security Level | Destructive Attack Level | Endurance Level | Stand-by Power Level | Conditions |
| Brivo ACS300 followed by the | Level I | Level I | Level IV | Level I | N/A |
| suffix A and E |
Parts and Service
The ACS300 controller contains no user-serviceable parts. The lithium battery is not serviceable and is to be replaced by qualified service technicians only.
Documentation Disclaimer and Restrictions
Information in this document is subject to change without notice and does not represent a commitment on the part of Brivo Systems LLC. For the most up-to-date information, visit www.brivo.com. This document and the data herein shall not be duplicated, used or disclosed to others for procurement or manufacturing, except as authorized with the written permission of Brivo Systems LLC. The information contained within this document or within the product itself is considered the exclusive property of Brivo Systems LLC. All information in this document or within the hardware and software products themselves is protected by the copyright and/or other intellectual property laws of the United States.
Product Support
All support for this product is provided by the third-party dealer. Please contact the dealer who installed the product with questions and support requests. © 2021 Brivo Systems LLC. All rights reserved. Brivo® is a trademark of Brivo Systems LLC. Brivo Systems LLC., 7700 Old Georgetown Road, Suite 300, Bethesda, MD 20814






























