
Convotherm maxx pro easyDial Combi Steamer
CXGSD10.10 GAS DIRECT STEAM 11 x 1/1 GN
Owner’s Manual

CXGSD10.10 Convotherm Maxx Pro Combi Steamer
- Direct steam system
- Natural Smart ClimateTM (ACS+) cooking methods: Steam, Combi-steam, Convection
- Natural Smart Climate’ extra functions:
— Crisp&Tasty – 5 moisture removal settings
— BakePro – 5 levels of traditional baking
— HumidityPro – 5 humidity settings
— Controllable fan – 5 speed settings - easyDial: all functions are set on one operating level
- ConvoClean fully automatic cleaning system
- HygieniCare
- USB port integrated in the control panel
- TriColor indicator ring – indicates the current operating status
- Steam generated by injecting water into the oven chamber
- LED lighting in oven cavity
- Triple glass appliance door
- Right-hinged appliance door
Standard Features
- Cooking methods:
— Steam (30-130°C) with guaranteed steam saturation
— Combi-steam (30-250 °C) with automatic moisture control
— Convection (30-250 °C) with optimised heat transfer - Operation of easyDial user interface:
— Central control unit, Convotherm-Dial (C-Dial)
— Digital display - Climate Management
— Natural Smart ClimateTM (ACS+), HumidityPro, Crisp&Tasty - Quality Management
— Airflow Management, BakePro, Multi-point core temperature probe - Production Management
— 99 cooking profiles each containing up to 9 steps
— HACCP data storage
— USB port
— Regenerating function – regenerates products to their peak level
— Preheat and cool down function - Cleaning Management:
— ConvoClean: Fully automatic cleaning system, with optional single-dose dispensing - HygieniCare: safety by antibacterial surfaces
— Hygienic Handles - Door handle with safety latch and sure-shut function
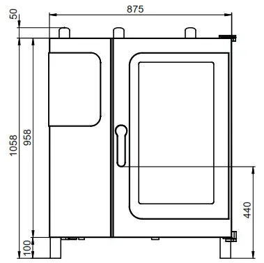
- Adjustable appliance feet, from 100 mm to 125 mm
- Integrated recoil hand shower
Options
- Steam and vapour removal (built-in condensation hood)
- Sous-vide sensor, with external socket
- Core temperature sensor, with external socket
- Ethernet / LAN interface
- Available in various voltages
Accessories
- Stainless steel stand
- Stacking kit
- ConvoLink – HACCP and cooking profile management PC software
- Banquet system package: plate rack, mobile shelf rack, transport trolley, thermal cover (individual items are available)
- Care products for ConvoClean fully automatic cleaning system (multiple and single-dose dispensing)
Front view

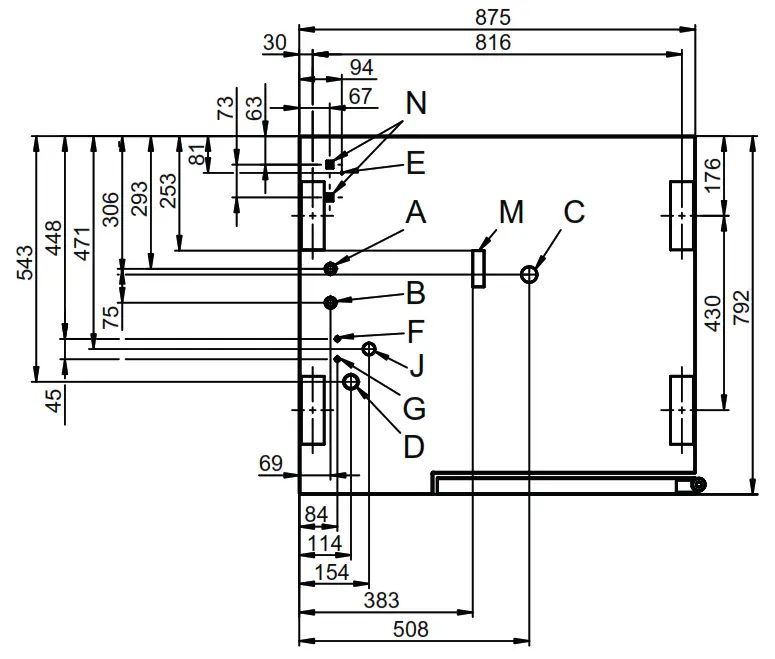
View from above with wall clearances

Connection points
A Water connection (for water injection)
B Water connection (for cleaning, recoil hand shower)
C Drain connection DN 50
D Electrical connection
E Equipotential bonding
F Rinse-aid connection
G Cleaning-agent connection
H Air vent Ø 50 mm
I Dry air intake Ø 50 mm
J Gas supply
K Exhaust outlet Ø 50 mm
M Safety overflow 80 x 25 mm
N RJ45 Ethernet port
| DIMENSIONS | |
| Width | 875 mm |
| Depth | 792 mm |
| Height | 1058 mm |
| Weight | 133kg |
| PACKED DIMENSIONS | |
| Width | 1100 mm |
| Depth | 940 mm |
| Height | 1300 mm |
| Weight (including cleaning system) | 161 kg |
| Safety clearances* | |
| Rear | 50 mm |
| Right | 50 mm |
| Left (larger recommended for servicing) | 50 mm |
| Top (for ventilation) | 1000 mm |
*Heat sources must lie at a minimum distance of 500 mm from the appliance.
INSTALLATION REQUIREMENTS
For precise installation instructions please refer to the units installation manual
LOADING CAPACITY
| Max. number of food containers | |
| Shelf distance | 68mm |
| GN 1/1 (with standard rack) | 11 |
| 600 x 400 baking sheet (with appropriate rack) | 8 |
| Max. loading weight GN 1/1 / 600 x 400 | |
| Per combi steamer | 50 kg |
| Per shelf | 15 kg |
| ELECTRICAL SUPPLY 1N~ 230-240V 50/60Hz (1P+N+E) | |
| Rated power consumption | 0.6 kW |
| Rated current | 2.3 A |
| Fuse | 16 A |
| RCD (GFCI), frequency converter (singlephase) (recommended), type B/F (optional) | Type A |
| 3 Pin plug (10 Amp) | Cordset fitted |
| GAS SUPPLY | |
| Gas Connection for natural or LPG | R3/4 |
| Installation conditions | customer premise |
| Nominal gas consumption | 81 MJ/hr |
| Convection power output | 81 MJ/hr |
| Supply flow pressure | |
| Natural Gas | 1.13kPa – 3kPa |
| LPG | 2.75kPa – 4kPa |
WATER CONNECTION
Water supply
2 x G 3/4’’ permanent connection, optionally includingconnecting pipe (min. DN13 / 1/2’’)
| Flow pressure | 150 – 600 kPa (1.5 – 6 bar) |
| Appliance drain | |
| Drain version | Permanent connection (recommended) or funnel waste trap |
| Type | DN50 (min. internal Ø: 46 mm) |
| Slope for waste-water pipe | min. 3.5% (2°) |
WATER QUALITY
Drinking water (install water treatment system if necessary)
Treated tap water for water injection
Untreated tap water for cleaning, recoil hand shower
| Total hardness | |
| Injection (soft water) | 4-7°dh / 70-125 ppm / 7-13°TH / 5-9°e |
| Cleaning, recoil shower Shower (hard water) | 4-20 °dh / 70 – 360 ppm /7 – 35°TH / 5 – 25°e |
| Properties | |
| pH | 6.5 – 8.5 |
| Cl- (chloride) | max. 60 mg/l |
| Cl2 (free chlorine) | max. 0.2 mg/l |
| SO4²- (sulphate) | max. 150 mg/l |
| Fe (iron) | max. 0.1 mg/l |
| Temperature | max. 40°C |
| Electrical conductivity | min. 20 μS/cm |
EMISSIONS
| Heat output | |
| Latent heat | 2900 kJ/h / 0.81 kW |
| Sensible heat | 4300 kJ/h / 1.19 kW |
| Waste water temperature | max. 80 °C |
| Noise during operation | max. 70 dBA |
STACKING KIT
| Permitted combinations (Gas on gas appliance) | 6.10 on 10.10 | |

| moffat.com.au moffat.co.nz | Australia moffat.com.au |
| Moffat Pty Limited Victoria/Tasmania 740 Springvale Road Mulgrave, Victoria 3170 Telephone +61 3-9518 3888 Facsimile +61 3-9518 3833 [email protected] | New South Wales Telephone +61 2-8833 4111 [email protected] South Australia Telephone +61 3-9518 3888 [email protected] |
| Queensland /Northern Territory Telephone +61 7-3630 8600 [email protected] Western Australia Telephone +61 8-9413 2400 [email protected] New Zealand moffat.co.nz | Moffat Limited Rolleston 45 Illinois Drive Izone Business Hub Rolleston 7675 Telephone +64 3-983 6600 Facsimile +64 3-983 6660 [email protected] Auckland Telephone +64 9-574 3150 [email protected] |
In line with policy to continually develop and improve its products, Moffat Limited reserves the right to change specifications and design without notice.
© Copyright Moffat Ltd
AN.CON.S.2101
![]()
Distributor:
| Chefs Hat Australia Pty. Ltd 131 Cecil St South Melbourne,VIC 3205 p: +61 3 9682 1441 e: [email protected] |



















