FRACARRO SWI85SPL2 Smart Switchline XS Splitter 2 Ways

SAFETY WARNINGS
The product must only be installed by qualified persons, according to local safety standards and regulations. Fracarro Radioindustrie is free from all civil and criminal responsibilities due to breaches of the current legislation derived from the improper use of the product by the installer,user or third parties. The product must be used in full compliance with the instructions given in this manual in order to protect the operator against all possible injuries and the product from being damaged.
Installation warnings
Humidity and condensation could damage the product. In case of condensation, wait until the product is dry before using it. Handle the product carefully. Impacts can damage the product. Leave enough space around the product to ensure sufficient ventilation. Excessive temperatures and/or overheating may affect the performance and the life of the product. Don’t install the product above or near any heat sources,in dusty places or where it might come into contact with corrosive substances.In the event that the unit is fixed to the wall, use the proper screw anchors suitable to the characteristics of the fixing support. The wall and the anchoring system must be able to support at least 4 times the weight of the unit.
ATTENTION: To avoid being hurt, the unit must be fixed to the wall/floor in accordance with the installation instructions.The product must not be exposed to any dripping or splashing and thus it should be installed indoors and in a dry location. The product must be connected to the earth electrode of the antenna system, in accordance with standard EN60728-11. The screw arranged for this scope is marked by the symbol . It is recommended to follow the provisions of the standardEN60728-11 and not to connect this screw (terminal) (product) to the protective ground of the supply mains. Earth screw/Faston connector symbol
General warnings
In the event of malfunctioning, do not try to fix the product as the guarantee would be invalidated. Although the information given in this manual has been prepared carefully and thoughtfully, Fracarro Radioindustrie S.r.l. reserves the right to modify it without notice and to improve and/or modify the product described in this manual. See the website www.fracarro.com to have information relevant to the technical support and product guarantee.
SWI85SPL2

2 way SAT+TV splitter. Divides the 4 IF polarities and the TV signal, evenly. It can be used where you need to split the trunk with equal losses. DC voltage is allowed to pass on each of the 4 polarities only by their respective output lines, it is also bidirectional. By inserting a voltage on the dedicated input (DC input), the voltage will be then available for all the output and input lines (see figure).
SWI85T15

1-way SAT+TV tap. It divides the signal in two ways. One pass-through line and one tap line with -13dB. It can be use you need to tap the trunk line. It has the F connector that allows the DC power through all SAT line (see figure). the DC voltage can be put into all input/output line and it allows into all SAT output/input line. Also it has IN Vdc F connector to put the DC voltage and allows it into all SAT input/output line; the DC voltage is not available into Vdc input when you put DC into other F connectors. The DC through is not available into TV line.
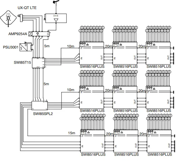
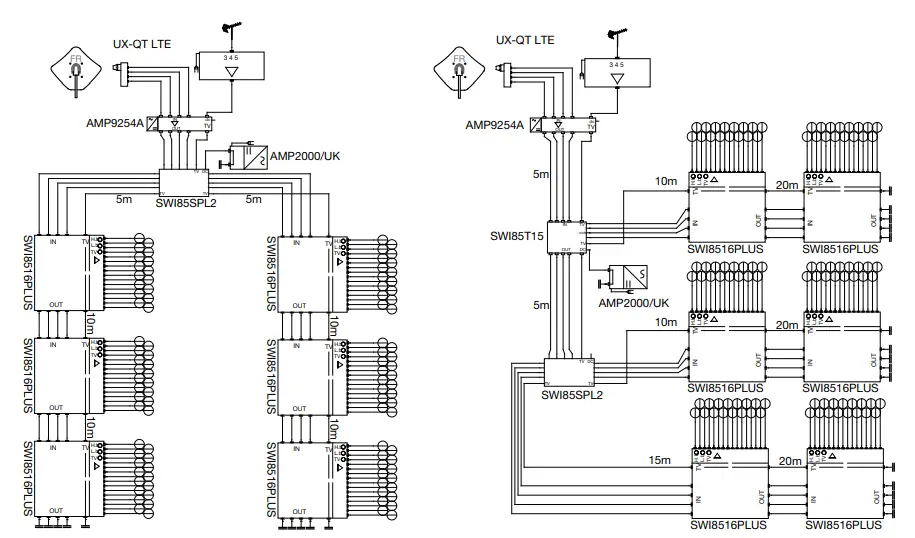
CONFIGURATION EXAMPLE


In a Multiswitch distribution system with Line amplifier, there is a DC on the first two lines V/L and H/L. The output of the last switch must be Terminated by 75Ohm Isolated Load Ex: T75IF. The maximum line current is 1.5A.
TECHNICAL SPECIFICATIONS

USER’S INFORMATION
Disposal of Old Electrical & Electronic Equipment (Applicable in the European Union and other European countries with separate collection system This symbol on the product or on its packaging indicates that this product shall not be treated as household waste. Instead itshall be handed over to the applicable collection point for the recycling of electrical and electronic equipment. By ensuring this product is disposed of correctly, you will help prevent potential negative consequences for the environment and human health, wich could otherwise be caused by inappropriate waste handling of this product. The recycling of materials will help to conserve natural resources. For more detailed information about recycling of this product, please contact your local city office, your household waste disposal service or the shop where you purchased the product.
CONFORMITY TO EUROPEAN LAWS
Fracarro declares that the product complies with EU Directive 2014/53 and 2011/65/UE. The full text of the EU Declaration of Conformity is available on the following website ce.fracarro.com;

















