resistex 759364 Plafoled Sleek Design LED Wall Ceiling Light
Installation Instructions
Safety notes
- Never work when voltage is present on the luminaire.
- The installation must be performed by a professional installer in compliance with the standards and regulations relating to electrical installations
- Risk of electrostatic discharges. (ESD Norm). Handle with precautions.
- Please observe the notes and steps described in the mounting instructions.
Maintenance instructions
- Do not use chemicals or abrasives products to clean the fixture.
- Keep these instructions for dismantling or future maintenance. You can consult additional information about RESISTEX luminaires on the website
www.resistex-sa.com .
RESISTEX cannot be responsible for any misuse of the product.
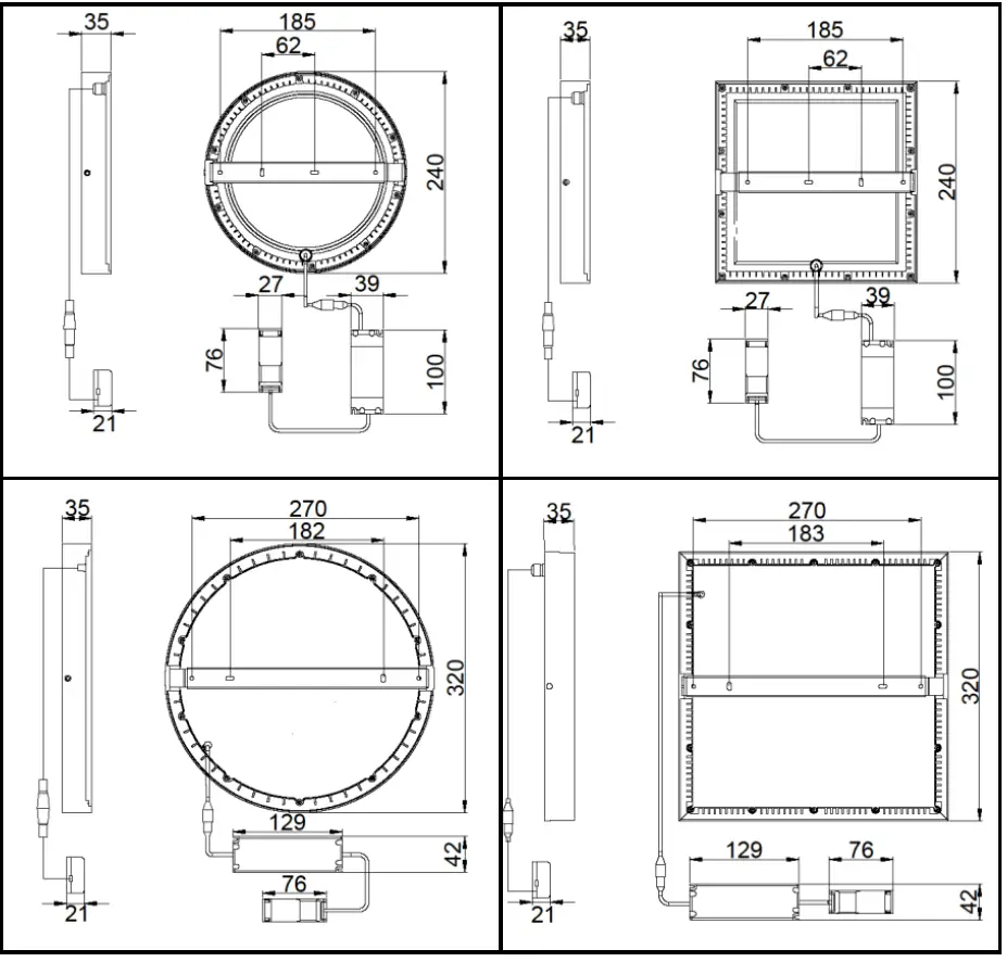
DIMENSION / SIZE
MONTAGE / INSTALLATION
www.resistex-sa.com
RESISTEX EXPLOITATION, 11 Quai de la Banquière CS 80010, 06730 Saint-André-de-la-Roche – France Tél. 04 93 276 276 – Fax 04 93 276 280 – [email protected]
APE 2740Z – Siret 487 593 477 00010 – SAS CAPITAL 649979 € – T.V.A. F.R. 73 487 593 477






















