Gen 3 Wall Connector Manual
48A Single Phase
User Manual
IMPORTANT SAFETY INFORMATION
Read all instructions before using this product. Save these instructions. Wall Connector features built-in Type B RCD .
This manual contains important instructions for the Tesla Gen 3 Wall Connector that shall be followed during installation, operation, and maintenance. Please review all warnings and cautions before installing and using the Wall Connector.
WARNING: When using electric products, basic precautions should always be followed, including the following.
INSTRUCTIONS RELATING TO RISK OF FIRE OR ELECTRIC SHOCK
WARNING: Do not install or use the Wall Connector near flammable, explosive, harsh, or combustible materials, chemicals, or vapors.
WARNING: Turn off power at the circuit breaker before installing or cleaning the Wall Connector.
WARNINGS
WARNING: This product can expose you to one or more chemicals that are known to the state of California to cause cancer.
WARNING: This device should be supervised when used around children.
WARNING: The Wall Connector must be grounded through a permanent wiring system or an equipment-grounded conductor.
WARNING: Use the Wall Connector only within the specified operating parameters.
WARNING: Never spray water or any other liquid directly at the wall mounted control box. Never spray any liquid onto the charge handle or submerge the charge handle in liquid. Store the charge handle in the dock to prevent unnecessary exposure to contamination or moisture.
WARNING: Do not use the Wall Connector if it is defective, appears cracked, frayed, broken, or otherwise damaged, or fails to operate.
WARNING: Do not use the Wall Connector if the flexible power cord or cable is frayed, broken, or otherwise damaged, or fails to operate.
WARNING: Do not attempt to disassemble, repair, tamper with, or modify the Wall Connector. The Wall Connector is not user serviceable. Contact Tesla for any repairs or modification.
WARNING: When transporting the Wall Connector, handle with care. Do not subject it to strong force or impact or pull, twist, tangle, drag, or step on the Wall Connector, to prevent damage to it or any components.
WARNING: Do not touch the Wall Connector’s end terminals with fingers or sharp metallic objects, such as wire, tools, or needles.
WARNING: Do not insert fingers or foreign objects into any part of the Wall Connector.
WARNING: Do not forcefully fold or apply pressure to any part of the Wall Connector or damage it with sharp objects.
WARNING: Use of the Wall Connector may affect or impair the operation of any medical or implantable electronic devices, such as an implantable cardiac pacemaker or an implantable cardioverter defibrillator. Check with your electronic device manufacturer concerning the effects that charging may have on such electronic devices before using the Wall Connector.
CAUTIONS
CAUTION: Do not use private power generators as a power source for charging.
CAUTION: Incorrect installation and testing of the Wall Connector could potentially damage the vehicle’s battery, components, and/or the Wall Connector itself. Any resulting damage is excluded from the New Vehicle Limited Warranty and the Charging Equipment Limited Warranty.
CAUTION: Do not operate the Wall Connector in temperatures outside its operating range of -22˚ F to 122˚ F (-30˚ C to 50˚ C).
CAUTION: Wall Connector should only be installed by personnel who are trained and qualified to work on electrical systems.
CAUTION: Ensure that Wall Connector is within storage temperature when moving, transporting, or storing.
PRODUCT OVERVIEW
This manual applies to Wall Connectors identified by part number 1457768-**-*.
Product Specifications
| Voltage and Wiring | Nominal 200-240 V AC single-phase |
| Current Output Range | 12 – 48 amps |
| Terminal Blocks | 12-4 AWG (3.5 – 25 mm2), copper only |
| Supported Conduit Sizing | ¾ in (21 mm) default, 1 in (27 mm) optional |
| Grounding Scheme | TN/TT |
| Frequency | 50/60 Hz |
| Cable Length | 7.3 m (24 ft) |
| Wall Connector Dimensions | Height: 13.6 in (345 mm) Width: 6.1 in (155 mm) Depth: 4.3 in (110 mm) |
| Wire Box Bracket Dimensions | Height: 9.8 in (250 mm) |
| Weight (including wirebox) | 10 lb. (4.5 kg) |
| Operating Temperature | -22˚F to 122˚F (-30˚C to 50˚C) |
| Storage Temperature | -40˚F to 185˚F (-40˚C to 85˚C) |
| Enclosure Rating | Type 3R |
| Ventilation | Not required |
| Means of Disconnect | External branch circuit breaker |
| Ground Fault Circuit Interrupter | Integrated, no additional required (CCID20) |
| Wi-Fi | 2.4 GHz, 802.11b/g/n |
| Agency Approvals | cULus – E351001 |
Transportation and storage: Ensure that Wall Connector is within storage temperature when moving, transporting, or storing.
This device complies with part 15 of the FCC Rules. Operation is subject to the following conditions: (1) This device may not cause harmful interference, and (2) this device must accept any interference received, including interference that may cause undesired operation.
Circuit Breaker Rating / Maximum Output
Power Output
For maximum power output, install a standard double pole 60 amp circuit breaker. Wall Connector includes integrated GFCI protection – do not install a GFCI circuit breaker.
Wall Connector incorporates automatic load management, which allows the max output to be customized to an existing power supply. If the electrical supply is unable to support the 60 amp configuration, select a lower amperage configuration.
| Circuit breaker (amps) | Max output (amps) | Power output at 240 volts (kW) |
| 60 | 48 | 11.5 |
| 50 | 40 | 9.6 |
| 40 | 32 | 7.6 |
| 30 | 24 | 5.7 |
| 20 | 16 | 3.8 |
| 15 | 12 | 2.8 |
NOTE: External disconnect switches are neither required nor recommended.
NOTE: Circuit breaker size is programmed during the commissioning process. See Commissioning Procedure on page 28 for details.
NOTE: Some Tesla vehicles may draw less current than the max output. Actual charging rate depends on Wall Connector output and onboard charger in the vehicle.
Branch Circuit Conductors and Ground Wire
- If installing for less than maximum power, refer to local electrical code to select correct conductors and ground wire size that are suitable for the chosen circuit breaker.
- If installing for maximum power, use minimum 6 AWG, 90° C-rated copper wire for conductors.
NOTE: Upsize conductors if necessary. - For sites with multiple Wall Connectors, each Wall Connector must have its own branch circuit with L1, L2/N, and Ground.
- COPPER WIRE TERMINATIONS ONLY for landing in Wall Connector wirebox terminals. Conductors can be stranded or solid.
- Hardwire branch circuits to disconnects or circuit breakers. Do NOT install cord-and-plug type connections.
- For outdoor installations, use watertight fittings when securing feeder wires to the wirebox.
Grounding Connections
Wall Connector must have a ground path back to the main equipment earthing point on site. Without a proper ground connection, the Wall Connector will fault during a ground assurance test. Equipmentgrounding conductor must be run with the circuit conductors and connected to the equipment-grounding terminal in the wirebox.
Install a ground (PE) wire sized according to local electrical code.
Using Wall Connector
- Open the vehicle charge port by pressing the button on the charge handle, pressing on the charge port door, using the mobile app, using the vehicle touchscreen, or by pressing and holding the trunk button on the keyfob.
- Insert the charge handle into the vehicle charge port.
- Check the vehicle controls to verify charging.
- To remove the charge handle from the vehicle, press and hold the button on the handle to unlock the charge port.
NOTE: The vehicle must be unlocked for the charge handle to be removable.
- Remove the charge handle from the vehicle charge port.
- Wrap the charge cable counter-clockwise around the Wall Connector and insert the charge handle into the holster.

Features
Connectivity
Wall Connector is equipped with Wi-Fi to communicate with local site routers, vehicles, mobile devices, other Wall Connectors, and other Tesla products.

Hosted Access Point
Wall Connector hosts a WPA2 password-secured, 2.4 GHz, 802.11 Wi-Fi access point network to facilitate commissioning and connecting to other devices.
A unique SSID Wi-Fi network name and WPA2 password for connecting to the Wall Connector are printed on a label at the rear of the main unit, as well as on the front cover of the Quickstart Guide included in the box.

Local Network
Connecting Wall Connector to a local Wi-Fi network enables it to receive over-the-air firmware updates, remote diagnostics access, and usage data tracking capability. A Wi-Fi connection is required for sites that utilize authentication, billing, and other property management features.
Wall Connector only supports WPA2/3-secured, 2.4 GHz, 802.11 infrastructure mode networks.
NOTE: Networks that are not password protected are not supported. The Wall Connector will not display non-password protected networks in the options list.Open networks without a password are not supported and will not be recognized by the Wall Connector.
NOTE: WPA enterprise will be supported in a future firmware update.
NOTE: Property management features will be enabled via future firmware updates.
Ground Fault Circuit Interruption
Integrated ground fault circuit interruption (GFCI) protection automatically detects a current mismatch between power delivery conductors that would indicate that current is flowing through the ground (PE) conductor.
If a ground fault occurs after 10 seconds of charging, Wall Connector will wait 15 minutes before automatically re-attempting to charge. Up to four attempts to charge will be made before user interaction is required.
If a residual current fault occurs within 10 seconds of charging, Wall Connector will lock out and user interaction is required to restore charging functionality.
Recommended interaction includes pressing the button on the charging handle, or removing the charging handle from the vehicle and reinserting it. If this does not resolve the issue, look for a ground fault issue such as water ingress.
Ground Assurance
Wall Connector continuously checks for the presence of a safe ground connection and automatically recovers from faults. Grounded assurance operates by injecting a small amount of current into the ground conductor in order to measure the impedance between line and ground. If high impedance is detected, the Wall Connector will lock out charging and display a fault code of two (2) red blinks. See Fault Codes on page 38 for a full list of fault codes.
For ground assurance to operate on TN grids, one leg of the distribution transformer must be groundbonded (Neutral).
Ground bond should only occur at one location in a site’s electrical system.
Wall Connector ground assurance may be adjusted in countries with TT or IT grid configurations and can be disabled in the commissioning procedure.
The Ground Monitor Interrupter feature monitors the Wall Connector ground connection. Select the correct option based on the installation’s earthing system and earth impedance.
Depending on country, three options are available:
- Enable: Ground connection will be monitored and a high detected ground resistance will disable the Wall Connector. This is the preferred setting to provide protection, and should be selected where ground connection is expected to be strong (as in the case on TN networks and most TT networks), and where required by regulation.
- Monitor: Ground connection will be monitored but a high detected ground resistance will not disable the Wall Connector. This should be selected if the ground monitoring check yields false positives and ground impedance cannot be improved (as is the case in some TT networks).
- Disabled: Ground connection will not be monitored. This should be selected where the ground connection is not made (as is the case for IT networks), or where the current induced by this check would be problematic (as is the case on some TT networks with sensitive residual-current devices).
NOTE: Ground Monitoring is always enabled for installations in North America.
Temporary problems such as ground faults or utility power surges are resolved automatically.
Thermal Monitoring
Wall Connector actively monitors temperatures in multiple locations while charging to ensure stability of the charge session. Temperature sensors are located at the relays, microcontroller, charge handle, and rear of the main unit to monitor the temperature of the terminals in the wirebox.
In warmer conditions, Wall Connector may reduce current and charge speed to protect itself. When this happens, the light bar on the faceplate will continue to display the “streaming green” and a blink code of three red flashes to indicate that charging has been reduced due to high temperatures. If heat continues to rise, Wall Connector will stop charging and display a blink code of three red flashes.
NOTE: See Fault Codes on page 38 for full list of error codes.
For optimal performance, install Wall Connectors in areas where ambient temperature will remain below 50˚C (122˚F). In rare circumstances, Wall Connector may begin reducing amperage at 35˚C (95˚F) ambient temperatures. Adjustments to amperage are automatic and do not require user input; Wall Connector will return to starting current when temperatures are reduced.
Power Outages
If there is a power outage while Wall Connector is charging a vehicle, charging will automatically resume within 1 to 3 minutes after power restoration. The Wall Connector will display a solid blue light on the faceplate to indicate that it is communicating with the vehicle and waiting to resume charging. Alternatively, pressing the button on the charge handle after power restoration will cause Wall Connector to resume charging immediately.
Firmware Updates
Firmware updates will be automatically applied to the Wall Connector to improve the user experience and introduce new features. Connect Wall Connector to Wi-Fi for access to the most recent firmware update. See Commissioning Procedure on page 28.
Tesla vehicles can provide firmware updates to Wall Connectors.
Wall Connector External Components
“Wall Connector” refers to the product as a whole.

- Faceplate
- Light bar (vertical)
- Main unit
- Charge handle button
- Charge handle
Wall Connector Internal Components

- RS-485 port
- Contact blades
- Temperature sensor
- Conductor terminals
- Zip tie anchor
- Sliding contacts
- Wirebox drainage opening (enables Type 3R protection)
INSTALLATION
In the Box

NOTE: The hex bit, zip tie, and fasteners are located in a plastic bag inside the wirebox, which comes attached to the main unit of the Wall Connector.
NOTE: Wall plugs are not included. If installing in concrete or other like materials, use 6 mm wall plugs.
Tools
Required Tools
NOTE: Drill bit sizes assume wood mounting surfaces. If installing on concrete or other masonry, consult with an electrician for optimal pilot hole sizes.

Optional Tools

Installation Considerations
Wall Connector may be installed on any flat, vertical surface capable of supporting its weight (e.g. wall, pedestal, etc.). Wall Connector weighs .
Choosing Location
Install Wall Connector in a location that allows the charge cable to reach the vehicle charge port without putting strain on the cable. Recommended installation area for Wall Connectors with 24 ft (7.3 m) cable:

Install Wall Connector in a location with ample clearance on all sides to allow the charge cable to loop around the unit and the charge handle to comfortably land in the side dock.
NOTE: If constrained by space, a cable organizer can be installed near the Wall Connector (sold separately).
Choosing Height

- Maximum height (indoor and outdoor): 60 in (1.52 m)
- Recommended height: ~45 in (~1.15 m)
- Minimum outdoor height: 24 in (0.6 m)
- Minimum indoor height: 18 in (0.45 m)
Maximizing Wi-Fi Signal Reception
Wall Connectors should be connected to a local Wi-Fi network for optimal functionality. For maximum signal reception, avoid installing Wall Connector on opposite sides of concrete, masonry, metal studs, and other physical obstructions that could impede Wi-Fi signal reception.
NOTE: If a mobile device is able to connect to local Wi-Fi at a given location, it is a good indication that Wall Connector will also be able to connect.

Wire Entry Options

Wall Connector’s wirebox has multiple wire entry options. Choose one entry path and follow installation instructions based on chosen entry path.
- Top entry location
- Rear entry locations (left or right)
- Bottom entry location
For additional installation considerations on sites that will have multiple Wall Connectors, see Considerations for Power Sharing on page 33.
Step 1: Prepare Wirebox for Conduit Fittings and Bushings
The default conduit size is 3/4 in (21 mm). 1 in (27 mm) conduit is acceptable if needed.
Based on fittings and conduit size, prepare the wirebox.
- For top or bottom entry: Manually remove the conduit plug.
- For rear entry: Drill with 1-1/8 in (29 mm) step bit to prepare wirebox for fittings.

NOTE: For 1 in (27 mm) rear and bottom entry options, drill with 1-3/8 in (35 mm) step bit to prepare wirebox for fittings.
Step 2: Prepare Mounting Surface
- If applicable, use a stud finder to locate a wooden support stud. Plywood, or other flat wall surfaces capable of supporting the weight of the Wall Connector, may also be used.

- Based on the chosen wire entry path, position the included cardboard mounting template onto the installation surface and use a 5/32 in (4 mm) bit to drill two pilot holes (one from the top row and one from the bottom row).
NOTE: When installing for rear left or rear right wire entry, select the two mounting holes that are on the opposite side of the wire entry point.
NOTE: Use a level tool with the cardboard mounting template to ensure a level installation as desired.

Drill bit, 5/32 in (4 mm)

Step 3: Prepare Wirebox and Mount to Wall
- Use a 1/4 in (6.5 mm) bit to drill two pilot holes into the wirebox that match the locations chosen on the cardboard mounting template.
Drill bit, 1/4 in (6.5 mm)
- Attach the wirebox to the mounting location using the included 4 mm hex bit and the two included wood fastener screws.

NOTE: Type 3R rating is only possible when washers have sealing gaskets. If mounting to alternate surface (such as a prefabricated pedestal), use alternate fasteners with sealing washers.
NOTE: The wood fastener screws are designed to support the weight of the entire Wall Connector, cable, and charging handle.
Step 4: Route Wiring Through Wirebox
- Route wiring into selected entry point and through the service loop channel on the right side of the wirebox.

- Use appropriate cable glands, bushings, or fittings to secure the wiring in place and protect from water and debris intrusion.
CAUTION: Ensure that bushings are in place to avoid damage to conductors and ground wire when pulled into wirebox.
CAUTION: Use copper conductors only.
NOTE: Compression-style fittings are recommended to prevent interference.
NOTE: For top or bottom wire entry, if installing fittings with a set screw, ensure that the screw is positioned to avoid interference with Wall Connector cables.
Step 5: Strip and Land Wiring
- Strip insulation from wires ~1/2 in (~13 mm), route through service channel, and land each wire in its correct terminal block.
NOTE: Terminals are bi-directional.
- Secure the wiring in the service channel using the included zip tie.

- Use a torque driver and the included 4 mm hex bit to torque the terminal screws to 50 lbf . in (5.6 Nm).

NOTE: When installing Wall Connector in a split phase electrical system, use Line-to-Line instead of Line-to-Neutral.
Step 6: Attach Wall Connector to Wirebox
- Attach the main unit to the wirebox by pushing it inward.

- Secure the main unit to the wirebox with the four included fasteners and the included 4 mm hex bit using a bit driver, applying pressure to the faceplate during the process to compress the internal seal.
Firmly hand-tighten the four fasteners until they are secure.
NOTE: Do not use a power drill for this step.

Step 7: Energize Wall Connector
- Energize the Wall Connector by turning on the upstream circuit breaker.
The Wall Connector’s LEDs will turn on. See Wall Connector LEDs on page 36. - Proceed with commissioning.
COMMISSIONING PROCEDURE
The commissioning process for Wall Connector enables easy configuration of circuit breaker size, Wi-Fi connectivity, and power sharing options.
- Turn on Wall Connector’s corresponding branch breaker to energize the unit.
During startup, Wall Connector will display green LEDs for 10 seconds to indicate the maximum circuit breaker it is configured for. - Use a Wi-Fi-enabled device such as a smart phone to connect to the SSID Wi-Fi signal broadcasted by the Wall Connector. Joining the Wall Connector network can be done by scanning the sticker QR code on the Quickstart Guide cover page, or by manually selecting the network and typing in the WPA2 password (found on the sticker on the Quickstart Guide cover page).
NOTE: The Wi-Fi network will broadcast for 15 minutes.To have the Wall Connector broadcast the SSID again, hold the button on the charging handle for 5 seconds or turn the circuit breaker off, then on again.
NOTE: If you are unable to connect to the Wall Connector SSID, turn off the cellular data function on your mobile device and try again. - Scan the QR code below with the device that is connected to the Wall Connector to access the web browser commissioning interface. Alternatively, manually type the URL address (http://192.168.92.1) into the web browser.

- Follow the onscreen commissioning steps on the web browser to assign Wall Connector to its own circuit breaker and connect it to the local site Wi-Fi network.
NOTE: To have the Wall Connector broadcast the SSID again, hold the button on the charge handle for 5 seconds or turn the circuit breaker off, then on again.
Setting Up Access Control
The Charging Access Control feature provides full control over which vehicles are allowed to charge with your Wall Connector and excludes vehicles without access based on user specifications.
- Sign into the commissioning wizard..
Use the Commissioning Procedure on page 28 to sign into the commissioning wizard and connect to the Wall Connector Wi-Fi SSID by clicking on the ‘Access Control’ card. - Configure Access Control.
You can choose from three options:
◦ ‘All Vehicles’
This is the default option and will allow charging on all electric vehicles with a matching charge port. To charge with the older generation Tesla Roadster, you will need to pick the ‘All Vehicles’ option
◦ ‘Only Tesla’
This option blocks charging on non-Tesla EVs.
◦ ‘Authorized Teslas Only’
This option allows you to add up to 10 specified Tesla cars by their VIN and assign an optional name. For convenience, the VIN of the last 10 cars previously connected to the Wall Connector is made available for selection. The VIN is usually displayed on your windshield and can also be found in the ‘Software’ tab on your vehicle touchscreen.

POWER SHARING
Power Sharing Overview
The firmware-based power sharing feature enables up to 6 Wall Connectors installed at the same site to intelligently share the site’s total available power via unit-to-unit Wi-Fi. This minimizes the need for many residential and commercial applications to have specific electrical upgrades for concurrent multi-vehicle charging.
During the commissioning process,
- Wall Connectors are allocated to individual branch circuits (each up to 60 amps)
- Total power is allocated to the group of linked Wall Connectors
NOTE: For instructions to commission Wall Connectors in a power sharing network, see Gen 3 Wall Connector Power Sharing.
Total current output of Wall Connectors that share power will never exceed the site’s total allocated power.

- AC feed (service panel)
- Power sharing via Wi-Fi communication
Breaker and Branch Circuit Setup
Power sharing circuits may be installed in an electrical panel that supports other loads. If space is limited or the main power supply is far from the Wall Connectors, installing a dedicated load center may be prudent.
See below for examples of Wall Connector power sharing diagrams (one with sub-panel and one without).
Each individual Wall Connector in below examples is capable of providing 48 amps when it is the only one in use. As more Wall Connectors begin plugging into vehicles, the system will automatically distribute power based on the total power allocated to the site.
Power Sharing Setup with Sub-Panel

- Wall Connector
- 60 A branch circuit
- 100 A sub-panel / feeder breaker
Power Sharing Setup Without Sub-Panel

- Wall Connector
- 60 A branch circuit
Considerations for Power Sharing
Wall Connector power sharing is achieved wirelessly.
For optimal performance, Wall Connectors within a power sharing network should be installed within view of each other whenever possible.
NOTE: Line of sight is recommended but not required. Wireless communication is capable of reaching around concrete corners but network range may degrade as a result.
Avoid placing Wall Connectors on opposite sides of concrete, masonry, metal studs, and other physical obstructions that would impede Wi-Fi signal strength.
NOTE: If a mobile device is able to connect to the Leader Wall Connector Wi-Fi, it is a good indication that the Follower Wall Connector will also be able to connect.
Calculating Power Sharing Requirements for Existing Systems
To calculate power supply requirements per number of Wall Connectors for existing electrical systems, use the following equation:
| Available continuous amperage: | Number of Wall Connectors: | Max amperage output per Wall Connector when 100% utilized: |
÷ = | ||
NOTE: Maximum number of Wall Connectors for power sharing is 6.
NOTE: When calculating maximum amperage per Wall Connector, 100% utilization must be greater than 6 amps for power sharing operation. If maximum amperage is greater than 48 amps, power sharing is not necessary.
For large scale sites, consider expected parking time in relation to a 100% utilization rate.
| Expected Park Time (hours) | Examples | Recommended Amperage per wall Connector at 100% Utilization |
| 6+ (long term) | Long term parking, overnight parking | 12+ amps |
| 3-5 (medium term) | Workplace, hospitality | 24+ amps |
| 1-2 (short term) | Shopping and dining | 32+ amps |
NOTE: 100% utilization represents the worst case scenario for charging speeds, where the least amount of power would be available for each individual vehicle. In most situations, not all Wall Connectors would be actively charging a vehicle, which enables faster charging for the remaining vehicles.
Power Sharing Commissioning Procedure
- Identify and configure the wall connector.
One Wall Connector will be the designated leader and provide the configuration and controls for all followers. Install and configure the leader first. Follow the process in the Commissioning Procedure on page 28 to connect and configure the leader. - Add up to five additional followers from the lead Wall Connector.
Click on the power sharing card in the commissioning interface and add additional Wall Connectors to form a power sharing network by wirelessly pairing them to the leader.
NOTE: When pairing followers, the leader will restart, and you will lose Wi-Fi connection. If your connection does not automatically return, ensure you are still connected to the leader’s Wi-Fi connection and refresh the page.
- Set network limits.
Once all followers have been added, set the network limit. This is the total current that will be intelligently distributed between all devices that have vehicles charging.
The minimum current limit is 6 amps per Wall Connector. A six-unit network will have a minimum limit of 36 amps.
The maximum network limit is the sum of the nameplate ratings of all units in the network, minus one amp. A six-unit network of single-phase Wall Connectors can have a maximum network limit of 287 amps. If 288 amps or more electrical service is available in this scenario, then all units can charge at full power and power sharing is not needed. Chat with your electrician for further understanding of the maximum network limit.
NOTE: In the event that your leader and followers have different circuit breakers, you have to individually connect to each of the followers on different breakers via the Wi-Fi broadcast, and then set the correct breaker limit.
NOTE: For example, in a four Wall Connector network with two 60 amp breakers, one 50 amp breaker and one 20 amp breaker where the leader has a 60 amp breaker, individually connect to the Wall Connectors with 50 amp and 20 amp breakers and set their current limit in the commissioning interface using the Commissioning Procedure on page 28. - Enable power sharing network.
Once your power sharing network is fully established (followers paired and network limit set), you will have the ability to enable the network.

NOTE: No units in the network will be able to charge the connected vehicles if the power sharing has not been enabled.
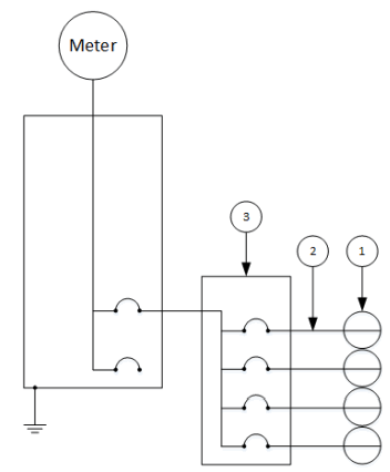
WALL CONNECTOR LEDS
Light Codes
Startup
Once energized at the circuit breaker, every LED (seven total) on the faceplate will illuminate for up to five seconds.

After Startup
After Wall Connector is energized at the circuit breaker, certain green LEDs (depending on the circuit breaker size) will illuminate for 10 seconds. See table below for exact light codes.
![]() | ||||||
| Circuit breaker | 60 A | 50 A | 40 A | 30 A | 20 A | 15 A |
| Maximum output | 48 A | 40 A | 32 A | 24 A | 16 A | 12 A |
NOTE: To re-display the green LEDs after the initial 10 seconds, press and hold the charging handle button.
When multiple Wall Connectors are linked for power sharing, the center blue LED will illuminate during the 10-second startup window.
Other
| Standby, waiting to plug in | Charging in progress | SSID broadcasting, ready to commission | Waiting to charge, communicating with vehicle |
| Top green solid | Every green streaming | Green pulsing | Blue solid |
| Standby, waiting to plug in | Charging in progress | SSID broadcasting, ready to commission | Waiting to charge, communicating with vehicle |
![]() | ![]() | ||
Fault Codes
| All red blink codes pause for one second, and then repeat. | ||
| Light Bar | What It Means | Details |
| No Lights | Power supply issue, charging disabled | Verify that the power supply is turned on. If the issue persists, have an electrician remove the Wall Connector from the wirebox and confirm that voltage is present at the terminal block using a multimeter. Record the voltage readings for the following: L1 to L2/N, L1 to Ground, L2/N to Ground. |
| Solid red | Internal , charging disabled | Turn the circuit breaker off, wait 5 seconds, and turn it back on. If solid red light remains, document part number and serial number, then contact Tesla Energy. |
| One (1) red blink | Ground fault circuit interruption due to unsafe current path, charging disabled | Inspect the handle, cable, Wall Connector, and vehicle charge port for damage or signs of water ingress. Have an electrician check that ground is not directly connected to a conductor wire in the branch circuit. |
| Two (2) red blinks | Ground assurance fault, high ground resistance detected, charging disabled | Verify that the Wall Connector is properly grounded. The ground connection must be bonded in the upstream power supply for proper operation. Check all physical connections, including the wirebox terminals, electrical panel(s), and junction boxes. In residential power supplies, check the bond between ground and neutral at the main panel. If connected to a transformer, contact the transformer’s manufacturer for direction on how to bond the ground connection. |
| Three (3) red blinks | High temperature detected; charging limited or disabled | Verify that Wall Connector is connected to Wi-Fi and updated with the latest available firmware for optimal temperature sensing functionality. Check the faceplate and cable handle for excessive warmth. Have an electrician remove the Wall Connector from the wirebox and verify that the conductors used are sized correctly and that the terminal block is torqued to specification. |
| Four (4) red blinks | Internet connection lost, online features disabled | Check for objects that could interfere with the area’s Wi-Fi signal strength. Confirm that the local Wi-Fi router is operational. If the Wi-Fi password was changed recently, follow the commissioning process on your mobile device to update the Wi-Fi settings. |
| Five (5) red blinks | Power-sharing communication issue, charging reduced | Check for objects that could interfere with the area’s Wi-Fi signal strength. Follow the commissioning process on your mobile device to re-link the Wall Connectors for power-sharing. |
| Six (6) red blinks | Overvoltage or poor grid quality detected, charging disabled | Verify that the power supply is nominal 200-240 volts. If the issue persists, have an electrician remove the Wall Connector from the wirebox and confirm that voltage readings are as expected at the terminal block using a multimeter. Record the voltage readings for the following: L1 to L2/N, L1 to Ground, L2/N to Ground. |
| Seven (7) red blinks | Vehicle overcurrent detected | Reduce the vehicle’s charge current setting. If the issue persists and the attached vehicle is manufactured by Tesla, record the vehicle’s VIN and approximate time of the fault and contact Tesla. If the vehicle is not manufactured by Tesla, contact the vehicle’s manufacturer. |
Additional Assistance for Red LED Faults
A Wall Connector’s alerts are visible in the browser commissioning wizard (for instructions on how to connect to the commissioning wizard, see Commissioning Procedure on page 28).
If additional assistance is required, have the following information prepared before contacting Tesla:
- Short video of Wall Connector LED activity during faulted state
- Photo of Wall Connector’s part number and serial number (located on the side label)
- Timeframe that the issue was observed
- VIN of vehicle that plugged into Wall Connector at time of faulted state
- Photo of any error messages displayed on the vehicle’s screen
Visit tesla.com/support/contact or scan the QR code below to request support.
https://www.tesla.com/support/contact
Optionally, for owner support and issue troubleshooting: (888) 765-2489
For North America Electrician and Installer support: (650) 963-5655
WARRANTY INFORMATION
Subject to the exclusions and limitations described below, the Charging Equipment Limited Warranty covers the refund, repair or replacement necessary to remedy any manufacturing defects in a Tesla manufactured and supplied Wall Connector that occur under normal personal use for a period of 48 months, or a period of 12 months for normal commercial use*, and a Tesla manufactured and supplied Mobile Connector or charging adapter that occur under normal use for a period of 12 months, starting from the date of invoice to the customer for any charging equipment. Any Tesla manufactured and supplied connector or adapter included in the initial purchase and delivery of a Tesla vehicle by Tesla is covered under the Basic Vehicle Limited Warranty section of the New Vehicle Limited Warranty for 4 years or 50,000 miles (80,000 km), whichever comes first, subject to the terms and conditions of the New Vehicle Limited Warranty.
*For warranty claims specific to Wall Connectors, “commercial use” means Wall Connectors used for purposes other than charging at a residential single family home for daily personal use, which includes, but is not limited to, charging at hotels, offices, parking lots and complexes (including apartment, condominiums and other multi-family or unit dwellings), and retail and other locations that allow (including by being listed online or publicly) for pay-for-use charging, or are located where users other than the owner could reasonably obtain access to the Wall Connector.
This Charging Equipment Limited Warranty does not cover any damage or malfunction directly or indirectly caused by, due to, or resulting from, normal wear or deterioration, abuse, misuse, negligence, accident, lack of or improper installation, use, maintenance, storage or transport, including, but not limited to, any of the following:
Failure to follow the instructions, operation, maintenance and warnings published in the documentation supplied with your Tesla connector or adapter;
External factors, including but not limited to, objects striking the Tesla connector or adapter, faulty or damaged electrical wiring or connections, external electrical faults, junction boxes, circuit breakers, receptacles or power outlets, the environment or an act of God, including, but not limited to, fire, earthquake, water, lightning and other environmental conditions;
General appearance or damage to paint, including chips, scratches, dents and cracks;
Failure to contact Tesla upon discovery of a defect covered by this Charging Equipment Limited Warranty;
Any repair, alteration or modification to the Tesla connector or adapter or any part, or the installation or use of any parts or accessories, made by a person or facility not authorized or certified to do so; and Lack of or improper installation, repair or maintenance, including use of non-genuine Tesla accessories or parts.
Although Tesla does not require you to perform all maintenance, service or repairs at a Tesla Service Center or Tesla authorized repair facility, this Charging Equipment Limited Warranty may be voided, or coverage may be excluded, due to lack of or improper maintenance, service or repairs. Tesla Service Centers and Tesla authorized repair facilities have special training, expertise, tools and supplies with respect to Tesla connectors and adapters and, in certain cases, may employ the only persons, or be the only facilities authorized or certified to work on Tesla connectors and adapters. Tesla strongly recommends that you have all maintenance, service and repairs done at a Tesla Service Center or Tesla authorized repair facility in order to avoid voiding, or having coverage excluded under, this Charging Equipment Limited Warranty.
Limits of Liability
This Charging Equipment Limited Warranty is the only express warranty made in connection with your Tesla connector or adapter. Implied and express warranties and conditions arising under applicable local laws, federal statute or otherwise, in law or in equity, if any, including, but not limited to, implied warranties and conditions of merchantability or merchantable quality, fitness for a particular purpose, durability, or those arising by a course of dealing or usage of trade, or any warranties against latent or hidden defects, are disclaimed to the fullest extent allowable by your local law, or limited in duration to the term of this Charging Equipment Limited Warranty. To the fullest extent allowable by your local law, the performance of necessary repairs and/or replacement of new, reconditioned, or remanufactured parts by Tesla for the covered defects
is the exclusive remedy under this Charging Equipment Limited Warranty or any implied warranties. To the maximum extent permissible under your local law, liability is limited to the reasonable price for repair or replacement of the applicable Tesla connector or adapter, not to exceed the manufacturer’s suggested retail price. Replacement may be made with parts of like kind and quality, including non-original manufacturer’s parts, or reconditioned or remanufactured parts, as necessary. This Charging Equipment Limited Warranty covers only parts and factory labor necessary to repair but does not include any on-site labor costs related to un-installing, reinstalling or removing the repaired or replacement charging equipment. Parts repaired or replaced, including replacement of a Tesla connector or adapter, under this Charging Equipment Limited Warranty are covered only until the applicable warranty period of this Charging Equipment Limited Warranty ends, or as otherwise provided by applicable law. Under no circumstances will the original warranty period be extended as a result of your Tesla connector or adapter being repaired or replaced.
Tesla shall not be liable for any defects under this Charging Equipment Limited Warranty that exceed the fair market value of the applicable Tesla connector or adapter at the time immediately preceding the discovery of the defect. In addition, the sum of all benefits payable under this Charging Equipment Limited Warranty shall not exceed the price you paid for the applicable Tesla connector or adapter.
Tesla does not authorize any person or entity to create for it any other obligations or liability in connection with this Charging Equipment Limited Warranty. Subject to local laws and regulations, the decision of whether to repair or replace a part or to use a new, reconditioned or remanufactured part will be made by Tesla, in its sole discretion. Tesla may occasionally offer to pay some or all of the cost of certain repairs that are not covered by this Charging Equipment Limited Warranty, either for specific models or on an ad hoc, case-by-case basis. Tesla reserves the right to do the above at any time without incurring any obligation to make a similar payment to other Tesla charging equipment owners.
To the maximum extent permissible under local law, Tesla hereby disclaims any and all indirect, incidental, special and consequential damages arising out of, or relating to, the Tesla connector or adapter, including, but not limited to, transportation to and from a Tesla Authorized Service Center, loss of the Tesla connector or adapter, loss of vehicle value, loss of time, loss of income, loss of use, loss of personal or commercial property, inconvenience or aggravation, emotional distress or harm, commercial loss (including but not limited to lost profits or earnings), towing charges, bus fares, vehicle rental, service call charges, gasoline expenses, lodging expenses, damage to tow vehicle, and incidental charges such as telephone calls, facsimile transmissions, and mailing expenses.
The above limitations and exclusions shall apply whether your claim is in contract, tort (including negligence and gross negligence), breach of warranty or condition, misrepresentation (whether negligent or otherwise), or otherwise at law or in equity, even if Tesla is advised of the possibility of such damages or such damages are reasonably foreseeable.
Nothing in this Charging Equipment Limited Warranty shall exclude, or in any way limit, Tesla’s liability for death or personal injury solely and directly caused by Tesla’s negligence, or that of its employees, agents or sub-contractors (as applicable), fraud or fraudulent misrepresentation, or any other liability to the extent the same is proven in a court of competent jurisdiction in a final nonappealable judgment and may not be excluded or limited as a matter of local law.
Dispute Resolution
To the fullest extent allowed by local law, Tesla requires that you first provide written notification of any manufacturing defect within a reasonable time, and within the applicable coverage period specified in this Charging Equipment Limited Warranty, and allow Tesla an opportunity to make any needed repairs before submitting a dispute to our dispute settlement program (described below). Please send written notification on dispute resolution to the following address:
Vehicles registered in the U.S.:
Tesla, Inc
3500 Deer Creek Road
Palo Alto, California
Attention: Charging Equipment Warranty Claims
Phone number: 1-877-79-TESLA (1-877-798-3752)
Please include the following information:
- Tesla connector or adapter invoice date
- Your name and contact information
- Name and location of the Tesla Store and/or Tesla Service Center nearest to you
- Description of the defect
- History of the attempts you have made with Tesla to resolve the concern, or of any repairs or services that were not performed by Tesla
- In the event any disputes, differences, or controversies arise between you and Tesla related to this Charging Equipment Limited Warranty, Tesla will explore all possibilities for an amicable settlement
Agreement to Arbitrate
Please carefully read this provision, which applies to any dispute between you and Tesla, Inc. and its affiliates (together “Tesla”).
If you have a concern or dispute, please send a written notice describing it and your desired resolution to [email protected].
If not resolved within 60 days, you agree that any dispute arising out of or relating to any aspect of the relationship between you and Tesla will not be decided by a judge or jury but instead by a single arbitrator in an arbitration administered by the American Arbitration Association (AAA) under its Consumer Arbitration Rules. This includes claims arising before this Charging Equipment Limited Warranty, such as claims related to statements about our products.
Tesla will pay all AAA fees for any arbitration, which will be held in the city or county of your residence. To learn more about the Rules and how to begin an arbitration, you may call any AAA office or go to www.adr.org.
The arbitrator may only resolve disputes between you and Tesla and may not consolidate claims without the consent of all parties. The arbitrator cannot hear class or representative claims or requests for relief on behalf of others purchasing or leasing Tesla products. In other words, you and Tesla may bring claims against the other only in your or its individual capacity and not as a plaintiff or class member in any class or representative action. If a court or arbitrator decides that any part of this agreement to arbitrate cannot be enforced as to a particular claim for relief or remedy (such as injunctive or declaratory relief), then that claim or remedy (and only that claim or remedy) shall be severed and must be brought in court and any other claims must be arbitrated.
If you prefer, you may instead take an individual dispute to small claims court.
You may opt out of arbitration within 30 days after signing this Charging Equipment Limited Warranty by sending a letter to: Tesla, Inc.; P.O. Box 15430; Fremont, CA 94539-7970, stating your name, product, and intent to opt out of the arbitration provision. If you do not opt out, this agreement to arbitrate overrides any different arbitration agreement between us, including any arbitration agreement in a lease or finance contract.
Revision 1.1


Drill bit, 1/4 in (6.5 mm)






The Wall Connector’s LEDs will turn on. See Wall Connector LEDs on page 36.
NOTE: The Wi-Fi network will broadcast for 15 minutes.To have the Wall Connector broadcast the SSID again, hold the button on the charging handle for 5 seconds or turn the circuit breaker off, then on again.
NOTE: To have the Wall Connector broadcast the SSID again, hold the button on the charge handle for 5 seconds or turn the circuit breaker off, then on again.
◦ ‘Authorized Teslas Only’





















