HESS TRSC Cash Systems GmbH

Copyright
This documentation is protected by copyright. All resulting rights are reserved, in particular for translations, reprints, recitations, reuse of illustrations, broadcasting, reproduction on microfilm or duplication in any other form and storage on data processing equipment, even if only extracts of the publication are used. Any reproduction of this documentation in whole or in part is only permitted in individual cases within the limits of the legal provisions outlined in the current valid version of the copyright law of the Federal Republic of Germany dated 9 September 1965. Reproductions are always subject to commission. Any potential infringements will be subject to prosecution under the applicable provisions of the copyright law. Written permission must be obtained from HESS Cash Systems GmbH before the documentation can be used.
Copyright © HESS Cash Systems GmbH. All rights reserved, even in the case of patent award or listing of a registered design.
Technical state
All information on technical data and equipment was correct at the time of printing in October 2020. This documentation (manual) for the module was compiled in German and can be translated into other languages. In the case of differences, the German version is binding. HESS Cash Systems GmbH reserves the right to make technical modifications to the complete or incomplete machine at any time with a view to improving safety, reliability, function and design.
Exclusion of liability
HESS Cash Systems GmbH excludes all liability for the topicality, correctness and completeness of the information provided. Liability claims against HESS Cash Systems GmbH relating to either material or intellectual damage resulting from the use or non-use of any information provided will be categorically rejected, provided there is no evidence of wilful intent or gross negligence on the part of the author. HESS Cash Systems GmbH expressly reserves the right to modify, supplement, delete or temporarily or permanently cease publication of parts of pages or the entire document without special notice.
Disclaimer
We, the Hess Cash Systems GmbH, hereby declare that the module TRSC is will only be used in our own products. It will not be sold to general public or any third party.
Dear service personnel
please read through this service manual carefully. After reading, keep the manual in a safe place for future reference. Our service manual answers many questions relating to maintenance and servicing the product.
Manufacturer’s address
- HESS Cash Systems GmbH
- Robert-Bosch-Straße 30
- D-71106 Magstadt
- Tel.: +49 (0) 7159 4009-0
- Fax.: +49 (0) 7159 4009-148
- E-Mail: [email protected]
- Web: www.hess.de
FCC Information for the RFID module
FCC ID: 2AYQ9TRSC and IC ID: 26889-TRSC
This device complies with Part 15 of the FCC Rules and with RSS-210 of Industry Canada. Operation is subject to the following two conditions.
- this device may not cause harmful interference, and
- this device must accept any interference received, including interference that may cause undesired operation.
Unauthorized modifications may void the authority granted under Federal communications Commission Rules permitting the operation of this device. This equipment has been tested and found to comply with the limits for a Class B digital device, pursuant to Part 15 of the FCC Rules. These limits are designed to provide reasonable protection against harmful interference in a residential installation. This equipment generates, uses and can radiate radio frequency energy and, if not installed and used in accordance with the instructions, may cause harmful interference to radio communications. However, there is no guarantee that interference will not occur in a particular installation. If this equipment does cause harmful interference to radio or television reception, which can be determined by turning the equipment off and on, the user is encouraged to try to correct the interference by one or more of the following measures:
- Reorient or relocate the receiving antenna.
- Increase the separation between the equipment and receiver.
- Connect the equipment into an outlet on a circuit different from that to which the receiver is connected.
- Consult the dealer or an experienced radio/TV technician for help
The module was tested according to the standard FCC – Title 47 CFR Part 15 §207 and §209 and the ISED standard RSS 210 Issue 10 and RSS Gen Issue 5 . The module conforms to the listed limits in the standards.
In normal operation the RF exposure is far below the limits of OET Bulletin 65. This module is approved for installation into fixed and/or mobile host platforms. The manufacturer is obliged to include a notice “Contains FCC ID: 2AYQ9TRSC and IC: 26889-TRSC” at the user manual and on the product label. The manufacturer is obliged to test the terminal device together with the reader module according to the national FCC requirements according to 47 CFR Part15 §209. The manufacturer is obliged to test the terminal device together with the module according to the national FCC requirements according to 47 CFR Part15 §209 The manufacturer is obliged to test the terminal equipment without RF transmitter, according to the national FCC requirements according to 47 CFR Part 15 Subpart B.
About this documentation
This manual must be read carefully before commissioning the module. The module or its components may only be set up, operated and maintained in conjunction with this manual. The commissioning of the module may only be carried out by qualified personnel.
The most important functions of the module are listed and described below.
If the manual is damaged or illegible,
HESS Cash Systems GmbH replacement can be requested in electronic form (PDF format).
Knowledge of the staff
Certain activities on the module require appropriate training or a level of knowledge and knowledge in order to be able to carry them out properly and professionally. The minimum required training or the lowest level of knowledge and knowledge to carry out commissioning and filling is one specialist.
Specialist (service staff)
Abstract:
A skilled worker is someone who “can assess the work assigned to him and recognize possible dangers based on his technical training, knowledge and experience as well as knowledge of the relevant provisions.” This manual cannot replace training or instruction!
Understanding the content
National regulations
The national binding regulations for accident prevention applicable in the country of operation and at the place of use or operating site and also the recognized technical rules for safe and professional work must be observed and supplemented by the operator for this manual.
Protected brand names (trademarks)
The software and hardware names and brand names of the respective companies used in this document are subject to general trademark, brand or patent protection.
References and the mention of protected brand names (trademarks) do not constitute a violation of trademark law. Brand names and product names (logos) are only mentioned for the sake of completeness and do not represent any connection to the respective company.
Warranty
The general terms and conditions of HESS Cash Systems GmbH apply exclusively www.hess.de/agb.html Damage to the machine, including its accessories, caused by, among other things, the following are excluded from warranty claims:
- Failure to observe this manual
- improper operation or use
- incorrect/irregular maintenance and care
- Modifications or changes in function
- not original –or. approved spare parts
- Repair attempts by unauthorized personnel
have arisen. Any changes to the machine that have not been approved by HESS Cash Systems GmbH will invalidate all warranty claims.
Follow-up costs
Follow-up costs arise z. B. by failure of the module, by insufficient and incorrect care or maintenance. The wage costs necessary for restoration will generally not be reimbursed. The general terms and conditions also apply here.
Technical changes
All changes to safety devices and technical changes to the module by the operator, no matter how small, are strictly prohibited! All changes must be approved by HESS Cash Systems GmbH. In the interests of our customers, HESS Cash Systems GmbH reserves the right to make technical changes and improvements as a result of ongoing development. Any changes to the module that have not been approved by HESS Cash Systems GmbH will invalidate all warranty claims.
Notes on defined operating modes
Operation and service-relevant work with this module is only permitted by instructed and trained service personnel. The operator is responsible for the necessary instruction and training of the specialists and/or staff he has commissioned. This is not mandatory or part of the HESS Cash Systems GmbH. In general, the valid safety instructions of the respective trade association (UVV) and relevant national regulations must be observed!
Applicable accident prevention regulations
In general, the valid safety instructions of the respective trade association (UVV) and relevant national regulations must be observed! see> VBG 1 General Regulations
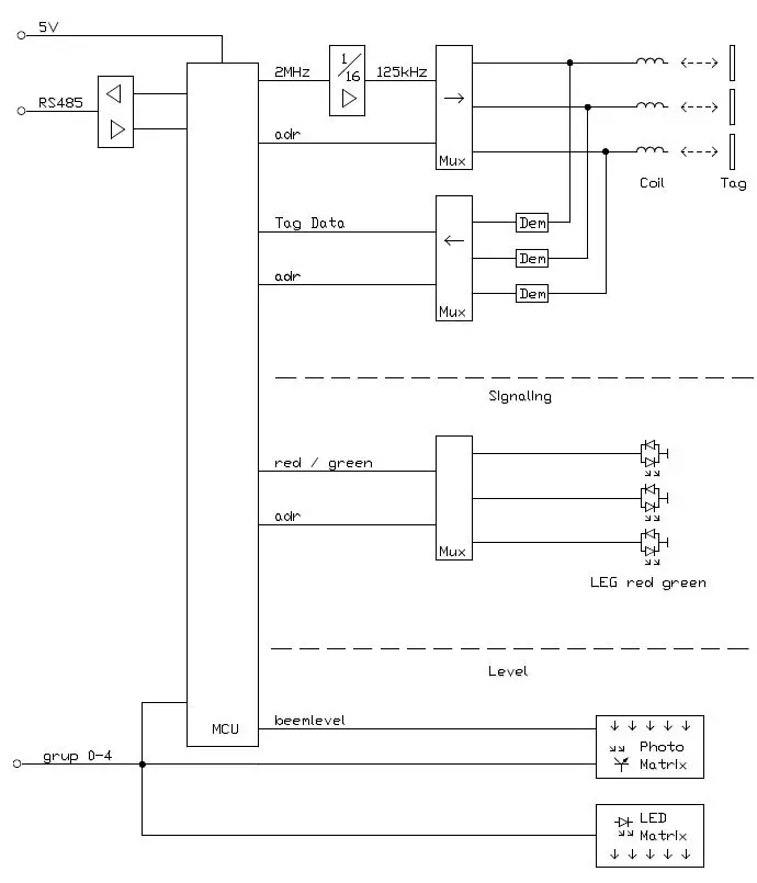
Device functions overview
The TRSC is a module for the floors of a TopRoll system with the following functions:
- RFID reader for the roll magazines
- Status signaling of the magazines
- Level control of the magazines
5.1. RFID reader for the roll magazines
The type of magazine inserted and its serial number are read with the RFID reader. The reader works at a frequency of 125 MHz. Energy and data are transmitted magnetically. The range between the coils of the TRSC and the TAG is in the range of 0-5mm.
The information modulated with the load is Manchester coded.
Status signaling of the magazines
The host system can set the status display for each position to on, off and flashing with the colors red, green and yellow.
Level control of the magazines
With the help of five light barriers that monitor the rear area of the magazine, the host can check whether the magazine is completely full.
Technical data
- Supply voltage 5V DC
- Current consumption 70mA
- Communication standard RS485
- BaudRate 9600Baud
Module variants
Module upper floor, M2TRSC-T
The module on the top floor with only has the LEDs for level monitoring
Module lower floors, M2TRSC
The modules on the lower floors have all functional units
Modules with different numbers of columns
For modules with more or less than four columns, the number of columns is given as the number after TRSC. Currently 4 and 3.
Connections
Connector P1:
Pin Function
- 5V
- GND
- RS485L
- RS485H
- GND
- Group0
- Group1
- Group2
- Group3
- Group4
Block Diagram

Foto M2TRSC-T und M2TRS

Contact details
- [email protected]
- Hotline fron 7 a.m. to 6 p.m.: +49 7159 4009-64
Document Version
| Version | Date | Author | Description |
| 01 | 01.01.2021 | Mö | Initial draft |
| 02 | 26.01.2021 | Mö | FCC Information added, page 5 |
| 03 | 01.02.2021 | Mö | IC-ID 26889 à IC-ID 26889-TRSC, page 5 Document Version added, page 12 |

















