df-models 3168 XL Fighter Brushless Toy Car 
INTRODUCTION
Congratulations on your purchase of a product from DF Models | MALi Racing. All products are carefully checked for completeness and function to ensure that the product is free of manufacturing and material defects. The product is EMC-tested and meets the requirements of the applicable European and national directives. Due to constant further development and improvement of our products, we reserve the right to make technical changes and changes in equipment and design without prior notice. Therefore, no claims can be made on the basis of minor deviations of the product you have from the data and illustrations in these instructions. The responsible handling of the product is for your own safety and the safety of persons not involved. Please observe the safety instructions in this manual. Subject to technical and colour changes.
Warranty/guarantee conditions
The operating instructions for this product are a basic component of the product, as non-observance of the information contained therein on handling and operation and non-observance of the safety instructions invalidates the warranty/guarantee. Therefore, keep the operating instructions in a safe place even if the product is passed on to third parties. The warranty period for consumers is 24 months. Unless otherwise provided by law, the warranty/guarantee is limited to repair at the cost of the purchase price, replacement of the product with an equivalent or refund of the purchase price. A different assertion of other claims from country to country is conceivable. The duration of the warranty/guarantee remains unaffected by repair and/or replacement of parts. We reserve the right to use refurbished or new parts. Services and repairs after the warranty/guarantee period have to be paid for. The warranty/guarantee covers manufacturing and material faults and faults in normal use. Mechanically stressed parts are not covered by the warranty.
We assume no liability for consequential damages! are excluded from the warranty/guarantee:
- Damage caused by non-observance of the safety instructions or the operating instructions
- Force majeure, collisions, incorrect handling
- extraordinary stress or external influence
- unauthorized modifications or repairs carried out by unauthorized persons
- damage caused by loss of control of the model
- Lightning strike or other influence of high voltage or current
- Wear parts, mechanically stressed parts and normal wear and tear, optical impairments
- Transport, shipping or insurance costs
- Costs for the proper disposal of the product as well as setup and readjustment work carried out by the service department
Safety instructions
Use this product responsibly. As manufacturers and distributors of the product, we have no direct influence on the correct handling and operation of the product. The following safety instructions are intended to protect you and your environment from damage that may result from improper use. But also the product itself and your model should be protected against damage by the corresponding instructions. Therefore, please read this chapter carefully before putting the product into operation! We accept no liability for damage to property or personal injury caused by non-observance of the operating instructions or the safety instructions. In such cases, the warranty/- guarantee also expires. We assume no liability for consequential damages! Not suitable for children under 36 months. Contains small parts – the danger of suffocation! The product is suitable for children under 14 years only under the direct supervision of an adult. Dispose of the packaging material properly, as it could be dangerous for children
Before the start
.Clarify with your insurance company whether the operation of a radio-controlled model is covered by insurance (liability insurance). If you are not yet experienced in controlling RC models, first familiarise yourself with the reactions to the control commands on the standing model. If necessary, consult an experienced model athlete or a model building club. If necessary, seek the support of an experienced pilot/driver. Check the remote control system and the model for functional reliability and visible damage, such as defective plug connections or damaged cables, before putting it into operation. All moving parts must function smoothly, but without bearing play. Check all screw and plug connections, wheel nuts and electrical contacts for tightness, as these can become loose or detached during transport, while driving or in the event of minor accidents. Fasten excess lengths of cables in such a way that they cannot get into moving/rotating parts. Cables must also not be kinked. Make sure that all batteries are fully charged and not damaged.
Driving/ Flying
Do not drive/fly if your reactions are restricted (e.g. if you are tired or under the influence of medication or alcohol). Incorrect reactions can cause serious personal injury and damage to property. Do not drive if you have the slightest doubt about the perfect technical condition of your model/remote control system. Always maintain direct visual contact with the model. Operate the model only on private property or in places designated for this purpose. Observe the conditions and regulations for the terrain. When operating a model, always ensure that no parts of the body or objects in the danger zone of motors or rotating parts. Regularly check all screw connections and fastenings, as these can become loose or detached during operation. In the event of a malfunction, stop operation of your model immediately and eliminate the cause of the malfunction before continuing to use the model. Avoid driving in low outside temperatures, as this reduces the battery capacity and the plastic of the bodywork loses its elasticity and splinters easily. Do not expose your model and the remote control system to direct sunlight, moisture, heavy soiling or extreme heat/cold for long periods. Do not drive in crowded areas, towards people or animals, in nature reserves, at night, under power lines, radio masts or during thunderstorms. Electrical fields and atmospheric disturbances can affect the signals of your remote control transmitter, in rain or damp conditions, otherwise the electrical system will be damaged. Please note that RC models must not be driven on terrain where there is public transport.
Intended use
The product is designed exclusively for private use in the model building sector and with the associated operating times. This product is not approved for commercial or industrial use or for continuous operation. Improper use can lead to personal injury and damage to the product and the associated risks such as loss of control over the model, short circuit, fire, electric shock, etc. Follow the safety instructions in this manual. They contain important information for handling the product. The product is suitable for children under 14 years of age only under adult supervision
Notes for batteries and rechargeable batteries
- Keep batteries out of the reach of children and pets as they may accidentally swallow the batteries.
- In this case, consult a doctor immediately! Leaking or damaged batteries can cause burns if touched.
- If skin or eyes come into contact with the electrolyte, rinse immediately and thoroughly with clear water. and see a doctor.
- Use suitable protective gloves when disposing of the defective Batteries.
- If you notice any abnormal smell, discoloration, excessive heating or deformation of the battery, disconnect the battery from the charger or consumer immediately.
- Dispose of the battery! Conventional alkaline batteries (1.5V) are intended for single use only and must then be disposed of properly.
- Dispose of empty batteries or defective rechargeable batteries in an environmentally friendly manner at authorised collection points.
- It is prohibited to dispose of them with household waste! Batteries must not become damp or wet.
- Also avoid the formation of condensation water.
- Never expose the batteries/rechargeable batteries, the charger and the model to adverse environmental conditions (e.g. wetness, excessively high or low ambient temperature, sources of ignition or open fire, dust, vapours, solvents)!
- Avoid heavy soiling and excessive mechanical stress on the battery and never pull the connecting cables!
- Never mix batteries and rechargeable batteries at the same time in one device!
If no brand-new batteries are used to power the transmitter, ensure that there is sufficient residual capacity (battery tester). - Always replace the complete set of batteries, not just individual cells.
- Always use batteries of the same type and manufacturer.
- Do not mix batteries with different charge levels.
- Make sure that the polarity is correct when inserting batteries into the battery holder.
- If the polarity is incorrect, not only your model but also the battery will be damaged.
- Batteries must never be short-circuited, damaged, disassembled or thrown into an open fire.
- There is a risk of fire and explosion! If the battery gets hot, disconnect it from the charger immediately!
- If the model is not used for a longer period of time, remove the batteries or rechargeable batteries from the remote control and from the model in order to avoid damage from leaking / deeply discharged batteries.
- Extinguishing media: In the event of a fire, it must be extinguished by water spray, carbon dioxide or extinguishing powder/foam.
- The full water jet is not suitable for extinguishing. The use of a fire extinguisher with AVD extinguishing agent is particularly recommended.
Disposal
At the end of its service life, dispose of the product in accordance with the applicable regulations. legal regulations (do not dispose of with household waste). You as end user are legally obliged (battery regulation) to return all used batteries and accumulators. disposal via household waste is prohibited! The adjacent symbols refer to the prohibition of disposal with household waste. Batteries containing harmful substances are additionally marked with the designations for the decisive heavy metal: Cd=Cadmium, Hg=Mercury, Pb=Lead (the name appears on the battery/rechargeable battery, e.g. under the garbage can symbols shown on the left). You can return your used batteries/rechargeable batteries free of charge to the collection points in your municipality or wherever batteries/rechargeable batteries are sold. In doing so, you fulfil your legal obligations and make your contribution to environmental protection.
Scope of delivery
- brushed models:
- RC-Car RTR
- 2,4 GHz remote control
- brushed ESC
- NiMH battery 7.2 Volt-1800mAh
- charger
- manual (DE/ENG/FR/IT/ES)
- brushless models:
- RC Car RTR
- 2,4 GHz remote control
- 60A brushless ESC
- LiPo battery 11,1 Volt-3300mAh
- LiPo Balancer Charger
- Manual (DE/ENG/FR/IT/ES)
Remote control
Insert the transmitter batteries:
- Open battery compartment (15), insert batteries (4x AA) (do not use AA batteries!), pay attention to correct polarity! Close battery compartment (15) again. If the model is not used for a longer period of time, remove batteries from transmitter!
- Cover
- Servo reversing steering
- Power LED
- Trim steering (-)
- Status LED
- Trim throttle (-)
- Dual Rate Steering (-)
- On-Off switch
- Bind button
- Servo reverse throttle
- Trim Steering (+)
- Trim throttle (+)
- Dual Rate Steering (+)
- Mounting eyelet
- Battery compartment
- 3-position switch (channel3)
- On/Off button (channel4)
- Steering wheel
- Throttle lever


Reduction of the maximum speed (50 %)
With the FS-G4P remote control you have the possibility to reduce the maximum speed to 50% with the throttle fully pulled. To switch between 100 % and 50 %, proceed as follows: Switch off model and remote control. Turn the steering wheel (18) completely to the left and hold in this position, additionally press and hold the Press and hold the button (17) while switching on the remote control. The status LED (5) now flashes green several times. The remote control is now in 50 % mode, to set it back to 100 % proceed in the same way. (LED does not flash green). If the status LED (5) flashes green when the transmitter is switched on, it is set to 50 %, if the status LED (5) does not flash, it is set to 100 %. With the 50 % reduction, the reverse gear may under certain circumstances may only function to a limited extent or not at all.
2+10
If you steer to the right and the model moves to the left, you can reverse this with the “2” switch.
4 + 11
If your model does not go straight ahead in the neutral position, use the trim to adjust the straight line tracking.
6 + 12
If your model starts to fly by itself in the neutral position, use the trim to adjust the neutral position.
7 + 13
Using the dual rate, you can continuously reduce the maximum steering deflection of the model. By turning + / – the servo travel is increased or decreased. Please note that the servo never jams or may press against an obstacle, reduce the steering deflection in this case. As a rule, a deflection of level 4 is sufficient
Fail Save
- By means of a Fail Save you can “teach” the model what it should do, should the remote connection to the remote control no longer exist.
- It is recommended to program it in such a way that the model brakes automatically in case of signal loss.
- Program the Fail Save as follows (not preset!):
- Switch on the model (“jack up” so that the wheels can turn freely).
- Switch on the transmitter and check if there is a connection to the model.
- Make sure the throttle is in neutral position.
- Press and hold the bind button (9) for 3-5 seconds. The status LED will quickly flash green several times.
- The Fail Save is now set.
Remote control rebinding
If you use a new receiver/transmitter or the remote control loses its binding to the receiver (no function of the model on control commands) you must establish a new “binding” between transmitter and receiver.
Proceed as follows:
- For safety reasons, disconnect the servo cable from the receiver. Switch off the model and the transmitter.
- Now switch the model back on. Press and hold the bind button (9) while switching on the transmitter.
- The status LED flashes green quickly. Switch the transmitter off and on again.
- Reconnect the servo / speed controller to the to the receiver. Check the function of the servo and the range of the remote control system.
- If the servo does not respond correctly, repeat the procedure.
Start preparations
Your new RC caris ready to drive. Transmitter and receiver are bound. The speed controller is adjusted and immediately applicable. Charge the drive battery and place it in the battery compartment in your RC model. Attach the battery like this, that it cannot slip. Connect the battery to the controller. Switch on the remote control, then the cruise control. After driving, first switch off the controller, then the remote control. Always remove the battery from the model, if it is not operated. Always store the batteries safely and professionally (e.g. LiPo-Bag).
Charging the battery
- The brushed models are equipped with a NiMH battery and a charger.brushed models are NOT LiPo compatible!
- When using LiPo batteries, the motor will be damaged within a very short time!
- Brushless models are equipped with a LiPO battery (3S – 11.1 volts) and LiPo balancer charger.
- The operation of the enclosed charger is printed on the charger.
- The charging current is about 0.8 A. A LiPo battery with 3000 mAh thus has a charging time of about 4 hours.

Charging the NiMH battery (brushed models):
Plug the charger into the socket and connect the battery (red plug, pay attention to correct polarity!). The charging current is approx. 0.3 – 0.5 A. A battery with 2000 mAh thus has a charging time of approx. 4-6 hours.
- Always charge the battery outside of the model to avoid overheating.
- Always use a fireproof base when charging.
- NEVER charge unattended (e.g. “overnight”).
- When the model is not in use the battery must ALWAYS be disconnected and removed from the model.
- Disconnect connectors by pulling the plug ONLY, NEVER pull the cables.
Driving
- Always switch on the remote control first and then the model.
- After driving, first switch off the model and remove the battery from it and then switch off the transmitter.
- By turning the steering wheel to the left the model steers to the left.
- If you turn to the right, the model also steers to the right.
- By pulling the gas handle in direction of the handle the model accelerates (drives forward).
- By pressing away from the handle, the model moves backwards (ESC in crawler mode).
- In normal mode of the ESC you have to press the throttle twice (press, release, press again).
- The speed is continuously adjustable (the further you pull or push the lever, the faster or slower the model moves).


Regular checks / Maintenance
- The model is already assembled ready to drive and can be put into operation directly after inserting the transmitter batteries (not included) and the drive battery (must be charged first).
- The drive and control components are mounted and wired, the connection between transmitter and receiver is automatic, after each switch-on.
- However, you should check all screw connections for tightness before the first journey.
- Replace defective parts immediately and clean the model from dirt and dust.
- Also check the following points regularly:
- Are the wheel nuts and screw connections tight?
- Is the servo control lever firmly seated on the servo shaft?
- Is the drive battery charged and secured in the holder?
- Are the rotating and moving parts running smoothly?
- Are the cables laid and secured so that they cannot get into moving parts?
- Is the range of the remote control transmitter sufficient?
Spare parts
Front Shocks (2) – N°6500
Rear Shocks (2) – N°6501
Differential – N°6402


ASSEMBLY
Front Assembly

Right Steering Set / Left Steering Set





Central differential – N°6380
Rear Assembly





Wing Assembly
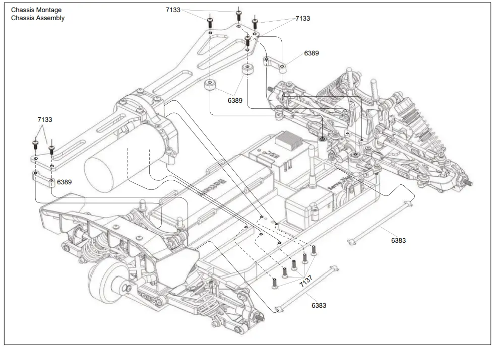
Chassis Assembly
Tyres Assembly
Body Assembly






HOP PARTS








Declaration of conformity (CE)
Radio Equipment Directive (RED) 2014/53/EU Declaration of Conformity in accordance with the Radio Equipment Directive (RED) 2014/53/EU
I hereby declare that the product:
Product numbers: 3169 (EAN: 4250684131699)
Complies with the essential requirements and the other relevant provisions of the Directive (RED) 2014/53/EU, when used for it intended purpose.
Manufactured in accordance with the following harmonised standards:
- ETSI EN 301 489-1 V2.2.3 (2019-11)
- ETSI EN 301 489-17 V3.1.1 (2017-02)
- ETSI EN 300 328 V2.2.2 (2019-07)
- EN 62311:2088
- Health and Safety: EN 62368-1:2014/A11:2017
- RoHS Directive (EU) 2015/863 amending 2011/65/EU
MEASUREMENTS DATA
The source-based time-averaging power which is below the max permitted sending level of 20 mW, and then the EUT is not needed to conduct SAR measurement.



































