milwaukee MXF512 MX Fuel Pipe Threading Machine with One Key

Cat. No. / No de cat.
MXF512
MX FUEL™ PIPE THREADING MACHINE W/ ONE-KEY™
WARNING To reduce the risk of injury, user must read and understand operator’s manual.
GENERAL POWER TOOL SAFETY WARNINGS
Read all safety warnings, instructions, illustrations and specifications provided with this power tool. Failure to follow all instructions listed below may result in electric shock, fire and/or serious injury. Save all warnings and instructions for future reference. The term “power tool” in the warnings refers to your mains-operated (corded) power tool or battery-operated (cordless) power tool.
WORK AREA SAFETY
- Keep work area clean and well lit. Cluttered or dark areas invite accidents.
- Do not operate power tools in explosive atmospheres, such as in the presence of flammable liquids, gases or dust. Power tools create sparks which may ignite the dust or fumes.
- Keep children and bystanders away while operating a power tool. Distractions can cause you to lose control.
ELECTRICAL SAFETY
- Power tool plugs must match the outlet. Never modify the plug in any way. Do not use any adapter plugs with earthed (grounded) power tools. Unmodified plugs and matching outlets will reduce risk of electric shock.
- Avoid body contact with earthed or grounded surfaces, such as pipes, radiators, ranges and refrigerators. There is an increased risk of electric shock if your body is earthed or grounded.
- Do not expose power tools to rain or wet conditions. Water entering a power tool will increase the risk of electric shock.
- Do not abuse the cord. Never use the cord for carrying, pulling or unplugging the power tool. Keep cord away from heat, oil, sharp edges or moving parts. Damaged or entangled cords increase the risk of electric shock.
- When operating a power tool outdoors, use an extension cord suitable for outdoor use. Use of a cord suitable for outdoor use reduces the risk of electric shock.
- If operating a power tool in a damp location is unavoidable, use a ground fault circuit interrupter (GFCI) protected supply. Use of an GFCI reduces the risk of electric shock.
PERSONAL SAFETY
- Stay alert, watch what you are doing and use common sense when operating a power tool. Do not use a power tool while you are tired or under the influence of drugs, alcohol or medication. A moment of inattention while operating power tools may result in serious personal injury.
- Use personal protective equipment. Always wear eye protection. Protective equipment such as a dust mask, non-skid safety shoes, hard hat or hearing protection used for appropriate conditions will reduce personal injuries.
- Prevent unintentional starting. Ensure the switch is in the off -position before connecting to power source and/or battery pack, picking up or carrying the tool. Carrying power tools with your finger on the switch or energizing power tools that have the switch on invites accidents.
- Remove any adjusting key or wrench before turning the power tool on. A wrench or a key left attached to a rotating part of the power tool may result in personal injury.
- Do not overreach. Keep proper footing and balance at all times. This enables better control of the power tool in unexpected situations.
- Dress properly. Do not wear loose clothing or jewelry. Keep your hair and clothing away from moving parts. Loose clothes, jewelry or long hair can be caught in moving parts.
- If devices are provided for the connection of dust extraction and collection facilities, ensure these are connected and properly used. Use of dust collection can reduce dust-related hazards.
- Do not let familiarity gained from frequent use of tools allow you to become complacent and ignore tool safety principles. A careless action can cause severe injury within a fraction of a second.
POWER TOOL USE AND CARE
- Do not force the power tool. Use the correct power tool for your application. The correct power tool will do the job better and safer at the rate for which it was designed.
- Do not use the power tool if the switch does not turn it on and off . Any power tool that cannot be controlled with the switch is dangerous and must be repaired.
- Disconnect the plug from the power source and/ or remove the battery pack, if detachable, from the power tool before making any adjustments, changing accessories, or storing power tools. Such preventive safety measures reduce the risk of starting the power tool accidentally.
- Store idle power tools out of the reach of children and do not allow persons unfamiliar with the power tool or these instructions to operate the power tool. Power tools are dangerous in the hands of untrained users.
- Maintain power tools and accessories. Check for misalignment or binding of moving parts, breakage of parts and any other condition that may affect the power tool’s operation. If damaged, have the power tool repaired before use. Many accidents are caused by poorly maintained power tools.
- Keep cutting tools sharp and clean. Properly maintained cutting tools with sharp cutting edges are less likely to bind and are easier to control.
- Use the power tool, accessories and tool bits etc. in accordance with these instructions, taking into account the working conditions and the work to be performed. Use of the power tool for operations different from those intended could result in a hazardous situation.
- Keep handles and grasping surfaces dry, clean and free from oil and grease. Slippery handles and grasping surfaces do not allow for safe handling and control of the tool in unexpected situations.
BATTERY TOOL USE AND CARE
- Recharge only with the charger specified by the manufacturer. A charger that is suitable for one type of battery pack may create a risk of fire when used with another battery pack.
- Use power tools only with specifically designated battery packs. Use of any other battery packs may create a risk of injury and fire.
- When battery pack is not in use, keep it away from other metal objects, like paper clips, coins, keys, nails, screws or other small metal objects, that can make a connection from one terminal to another. Shorting the battery terminals together may cause burns or a fire.
- Under abusive conditions, liquid may be ejected from the battery; avoid contact. If contact accidentally occurs, flush with water. If liquid contacts eyes, additionally seek medical help. Liquid ejected from the battery may cause irritation or burns.
- Do not use a battery pack or tool that is damaged or modified. Damaged or modified batteries may exhibit unpredictable behavior resulting in fire, explosion or risk of injury.
- Do not expose a battery pack or tool to fire or excessive temperature. Exposure to fire or temperature above 265°F (130°C) may cause explosion.
- Follow all charging instructions and do not charge the battery pack or tool outside the temperature range specified in the instructions. Charging improperly or at temperatures outside the specified range may damage the battery and increase the risk of fire.
SERVICE
- Have your power tool serviced by a qualified repair person using only identical replacement parts. This will ensure that the safety of the power tool is maintained.
- Never service damaged battery packs. Service of battery packs should only be performed by the manufacturer or authorized service providers.
SPECIFIC SAFETY RULES FOR PIPE THREADER
- Keep floor dry and free of slippery materials such as oil. Slippery floors invite accidents.
- Restrict access or barricade the area from bystanders when the workpiece extends beyond the machine to provide a minimum of three feet (one metre) clearance from the workpiece. Restricting access or barricading the work area around the workpiece will reduce the risk of entanglement.
- Do not wear gloves. Gloves may be entangled by the rotating pipe or machine parts leading to personal injury.
- Do not use the machine for other purposes such as drilling holes or turning winches. Other uses or modifying this machine for other applications may increase the risk of serious injury.
- Secure the machine to a bench or stand. Support long heavy pipe with pipe supports. This practice will prevent the machine from tipping.
- While operating the machine, stand on the side where the operator control switch is located. Operating the machine from this side eliminates need to reach over the machine.
- Keep hands away from rotating pipe and fittings. Stop the machine before wiping pipe threads or screwing on fittings. Allow the machine to come to a complete stop before touching the pipe.
This practice will reduce the risk of entanglement in rotating parts. - Do not use this machine to install or remove fittings. This practice could lead to trapping, entanglement and loss of control.
- Do not operate the machine without all covers properly installed. Exposing moving parts increases the probability of entanglement.
- Do not use this machine if the foot switch is broken or missing. The foot switch provides safe control of the machine, such as emergency shut off in case of entanglement.
- Before each use, inspect the pipe threader for any broken, worn, missing, misaligned or binding parts or other damage. Confirm that the foot switch is attached and operating properly. Such preventive measures reduce the risk of serious injury from electric shock, crushing and helps prevent pipe threader damage.
- Never reach into the machine from front or rear chuck, this will reduce the risk of entanglement.
- Only one person must control the work process, tool operation, and foot switch. Additional people involved in the process may result in unintended operation and personal injury.
- Keep sleeves and jackets buttoned while operating the tool. Do not reach across the tool or pipe. Clothing can be caught by the pipe or the tool resulting in entanglement.
- Never run the machine without thread cutting oil. Parts may become hot and cause machine to overheat.
- Do not use dies that are showing signs of wear, dull, or damaged. Sharp cutting tools require less torque and the tool is easier to control.
- Only use MILWAUKEE or equivalent die heads.
Other die heads may not fit correctly in the tool increasing the risk of equipment damage and personal injury. - Do not use cart to transport other loads or add additional accessories.
- Fingers can be pinched between the legs of the cart. To reduce the risk of injury while setting up/collapsing, keep fingers out of areas where the legs are secure in place.
- Chemical Burn Hazard. Keep coin cell battery away from children.
To reduce the risk of injury in applications that produce a considerable amount of dust, use an OSHA compliant dust extraction solution in accordance with the solution’s operating instructions.- Always use common sense and be cautious when using tools. It is not possible to anticipate every situation that could result in a dangerous outcome. Do not use this tool if you do not understand these operating instructions or you feel the work is beyond your capability; contact Milwaukee Tool or a trained professional for additional information or training.
- Maintain labels and nameplates. These carry important information. If unreadable or missing, contact a MILWAUKEE service facility for a free replacement.
Some dust created by power sanding, sawing, grinding, drilling, and other construction activities contains chemicals known to cause cancer, birth defects or other reproductive harm. Some examples of these chemicals are:- lead from lead-based paint
- crystalline silica from bricks and cement and other masonry products, and
- arsenic and chromium from chemically-treated lumber. Your risk from these exposures varies, depending on how often you do this type of work. To reduce your exposure to these chemicals: work in a well ventilated area, and work with approved safety equipment, such as those dust masks that are specially designed to filter out microscopic particles.
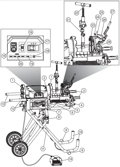
FUNCTIONAL DESCRIPTION
- Hammer chucks
- Foot switch holder
- Accessory carriage handles
- Carriage assembly adjuster
- Debris tray
- Oil reservoir
- Battery bay
- Cart latch
- Cross bar
- Cart handles
- Cart
- Cord holders
- Accessory arms
- Footswitch
- Arm button
- Speed control
- Direction control
- ONE-KEY™ indicator
- Over temperature indicator light
- Fuel gauge
- Cutting wheel
- Cutting wheel tightening handle
- Pipe scale
- Die release lever
- Clamp lever
- Reamer
- Reamer handle
- Die head

SYMBOLOGY
V Volts
⎓ Direct Current![]()
Risk of Electric Shock
Read Operator’s Manual
Always wear eye protection
Keep hands and clothing away from moving parts
Do not wear gloves
Two-person lift
UL Listing for Canada and U.S.
SPECIFICATIONS
Cat. No. ……………………………………………..MXF512
Battery Type …………………………………. MX FUEL™
Charger Type………………………………… MX FUEL™
Module/FCC ID ………………………. BGM11S/QOQ11
RPM ……………………………………………………..39 / 59
Threading Capacity ………………………………1/8″ – 2″
Pipe Capacity Speed 1 ………………………… 2″ (max)
Pipe Capacity Speed 2 ………………………… 2″ (max)
Compatible Dies ………………………………..1/8″ – 3/8″ 1/2″ – 3/4″ 1″ – 2″
Oil Capacity ……………………………………………1 Gal.
Lifting Weight ………………………………………254 lbs.*
Recommended Ambient
Operating Temperature ………………….0°F to 125°F * Lifting weight includes the weight of the tool, heaviest expected accessories, and oil. Always add in the weight of the battery pack if installed during lift.
ASSEMBLY
Recharge only with the charger specified for the battery. For specific charging instructions, read the operator’s manual supplied with your charger and battery.
Removing/Inserting the Battery To remove the battery, push the battery latch lock to the side and squeeze the battery latch lever. Pull the battery pack away from the machine.
Always remove battery pack before changing or removing accessories.
To insert the battery, slide the pack into the body of the machine. Make sure it latches securely into place.
Only use accessories specifically recommended for this machine. Others may be hazardous.
Do not use this machine if the foot switch is broken or missing. The foot switch provides safe control of the machine, such as emergency shut off in case of entanglement.
Fingers can be pinched between the legs of the cart. To reduce the risk of injury while setting up/ collapsing, keep fingers out of areas where the legs are secure in place.
Fuel Gauge
When the machine is armed, the Fuel Gauge displays the battery pack’s remaining run time. The fuel gauge mirrors the fuel gauge on the battery pack. When less than 10% of charge is left, 1 light on the fuel gauge will flash. When the battery reaches 0% charge, the fuel gauge will flash 8 times. Charge the battery pack.
Less Than 10% if first light flashes 4 times
Setting Up/Collapsing Cart
- Make sure area is dry, stable and level to support pipe threader.
- Remove battery pack.
- To set up cart, gently put the cart down and open the cart latch.

- Pull up on the accessory carriage handles while placing one foot on the cross bar of the cart until the locking pin is in place as shown above.
- Empty debris tray prior to collapsing/transporting cart.
- Before collapsing cart, remove the battery pack.
- Make sure the cutting wheel, die head, and reamer are in place on the assembly carriage.
- Wrap the foot switch cord around the cord holders and place the foot switch on top sliding into foot switch holder.
- To collapse cart, pull to release the cart latch and push down on the accessory carriage handles until the locking pin is all the way down.
Removing/Installing Die Head
- Remove battery pack.
- To remove, push the reamer and cutting wheel to open position.
- Lift the die release lever up to open position.

- Pull out the die head post toward the side of the hammer chucks until the post is completely removed.

- To install, push the die head post into the slot until the post is not visible.
Removing/Installing Dies
- Remove battery pack.
- Remove the die head. Clean the cutting chips off the dies with a wire brush before removing from the die head.

- To remove dies, place the die head with the numbers facing up, open the die release lever.

- Loosen the clamp lever turning counter clockwise until the pin is no longer engaged with the pipe scale.
- Slide the pipe scale align the arrow, and unlock.
- Pull the dies out of the die head.
- To install dies, insert the die with the numbers on the die head facing upward.
NOTE: Ensure dies are going into the correct numbers on the die head. Use dies as a set, do not mix dies with different sets. - Push the die in the die head up to the line etched on the die.
- Re-engage the pin with the pipe scale.
- Tighten clamp lever turning clockwise.
Adjusting Die Head
- Remove battery pack.
- Loosen clamp lever.
- Slide the pipe scale to the desired size. Over has a larger thread diameter removing more material. Under is a smaller thread diameter removing less material.

- Use the micro adjustment knob to adjust to the desired size.
- Tighten clamp lever.
Auto-Opening Adjustment
Lift the die release lever up then slide the auto-opening adjuster up or down for desired pipe size for threading.
- 1/2″ and 3/4″ – End of pipe should hit auto opening adjustment
- 1″ to 2″ – End of pipe should hit shank of auto opening adjustment
Do not use auto-opening adjustment for pipe sizes 1/8″, 1/4″, 3/8″, longer or shorter threads, and bolt threading. Slide the auto-opening adjustment upward away from the pipe.
Thread Cutting Oil
Always remove battery pack before changing or removing accessories.
Check oil level regularly. Add oil as needed into the reservoir hole located under the filter. The oil should drain into the reservoir hole and not pool in the filter tray. Drain the oil every three months and maintain a cleaning schedule every six months. Use high quality threading oil or Cat. No. 48-08-5100 MILWAUKEE Threading Oil to fill the oil reservoir. The oil will keep the pipe properly lubricated. Never run the machine without thread cutting oil. Parts may become hot and cause machine to overheat. If the pump sputters, change the oil and clean out the oil system.
Draining/Filling the Oil Reservoir
- Remove battery pack.

- To drain, pull drain plug off . Let oil drain into a suitable oil container. Dispose of the waste oil in compliance with all applicable regulations. Contact your local waste management authority for more information.
- Ensure the drain plug is pushed in before filling oil reservoir. To fill, pour oil into the oil reservoir located under the debris tray.
Cleaning the Oil System
- Remove battery pack.
- Drain the oil.
- Remove and empty the debris tray. WARNING! Do not touch the cutting chips with bare hands immediately after using the machine; they may be hot and sharp. The cutting chips could burn skin.

- Pull out and empty the filter located under debris tray.

- While pushing the plastic collar of the push-to connect fitting, pull the oil system tubing away from the fitting.
- Remove accessory carriage handles

- Carefully remove the entire oil system.
- Wipe down with warm water and soap.
Removing/Installing the Cutting Wheel
Remove battery pack. To remove, using a hammer and flat punch, remove the pin holding the cutting wheel.
To install, insert the cutting wheel in the bushings. Hammer the pin until secure.
Removing/Installing the Reamer
Remove battery pack. To remove, take a flat punch and hammer the pin holding the reamer until the pin is fully removed.
To install, attach the reamer to the assembly and hammer the pin until secure.
Removing/Installing the Jaw Inserts
Remove battery pack. To remove, using a flat-head screwdriver, twist off the jaw insert. Pull the pin and spring.
To install, push in spring and pin. Insert the jaw insert and tighten with flat head screwdriver.
Transportation
Use two people whenever it is necessary to lift or carry the machine. Machine is heavy. Lift with legs, not back. Do not use cart to transport other loads or add additional accessories.
Always unarm the machine before transporting. Ensure the foot pedal cord is properly wrapped and the pedal is stored before transporting. Always clear the area of obstructions before transporting.
To roll cart from place to place, grasp the cart handles and tilt the machine onto the tires. Push, don’t pull, the machine.
Always use a two person lift when necessary. To lift, grasp the accessory carriage handles and tilt the machine back onto the tires. Have a second person grasp the accessory arms. Always maintain a firm footing.
Removing/Installing the Power Drive from the Cart
When using another means of lift or device, ensure the lift sling is secure under the accessory carriage handles and accessory arms. Always lift according to sling manufacturer’s instructions. Ensure the sling is in good repair and rated for the total weight of tool, any attached accessories, and oil. If in doubt use an experienced professional to lift the machine.
- Ensure pipe threader’s cart is fully set up and remove the battery pack. Remove pipe and drain oil reservoir.
- To remove the power drive, use a device to lift the power drive, secure the lift sling under the accessory carriage handles and accessory arms.
- Using an impact driver with a 6 mm bit remove eight M8-1.25 screws from the cart front mount brackets.
- Continue removing the eight screws from the cart rear mount brackets.
- Lift the power drive away from the cart using a device or two person lift by holding the accessory carriage handles and accessory arms.
- To install the power drive using a device, secure the lift sling on the accessory carriage handles and accessory arms.

- Place mounting plate on cart. Make sure the alignment pins are towards the center of the cart on the front end of the cart.
- Lift the power drive onto the cart and align the mounting plate holes with the power drive holes.
- Tighten the eight M8-1.25 screws on the rear mount brackets to the machine to torque 163 in-lbs.
- Continue tightening eight screws on front mount brackets to the machine to torque 163 in-lbs.
Vertical Storage Position
- Remove battery pack.
- Clean oil system.
- Collapse cart.
- Lift up and push pipe threader cart vertically.

ONE-KEY™
To learn more about the ONE-KEY™ functionality for this machine, please refer to the quick reference included with this machine or go to milwaukeetool.com/One-Key. To download the ONE-KEY™ app, visit the App Store or Google Play from your smart device.
| ONE-KEY™ Indicator | |
| Solid Blue | Wireless mode is active and ready to be configured via the ONE-KEY™ app. |
| Blinking Blue | Machine is actively communicating with the ONE-KEY™ app. |
| Blinking Red | Machine is in security lockout and can be unlocked by the owner via the ONE-KEY™ app. |
OPERATION
To reduce the risk of injury, always wear proper eye protection marked to comply with ANSI Z87.1.
Do not wear gloves. Gloves may be entangled by the rotating pipe or machine parts leading to personal injury. Wear gloves only when handling hot parts and not when the machine is in operation.
Keep sleeves and jackets buttoned while operating the tool. Do not reach across the tool or pipe.
Clothing can be caught by the pipe or the tool resulting in entanglement.
Keep hands away from rotating pipe and fittings.
Stop the machine before wiping pipe threads or screwing on fittings. Allow the machine to come to a complete stop before touching the pipe. This practice will reduce the risk of entanglement in rotating parts.
Do not use the machine for other purposes such as drilling holes or turning winches. Other uses or modifying this machine for other applications may increase the risk of serious injury.
Do not use this machine without the debris tray or filter.
Do not use this machine if the foot switch is broken or missing. The foot switch provides safe control of the machine, such as emergency shut off in case of entanglement.
Only one person must control the work process tool operation, and foot switch. Additional people involved in the process may result in unintended operation and personal injury.
Arming the Machine
The MX FUEL™ machines must be armed prior to use. Even with the battery pack inserted, the trigger and machine functions will not operate until the machine is armed.
To arm the machine:
- Insert the battery pack.
- Press the Arm button. The MX FUEL™ icon will light. The trigger will become armed in 2 seconds.
- After 15 minutes of inactivity, the machine will enter sleep mode. The MX FUEL™ icon will go off and the trigger and LEDs are un-operational.
- Press and hold the Arm button for 1 second to reactivate the machine.
- Press and hold the ARM button for 1 second to unarm (turn off ) the machine. The MX FUEL™ icon will go off .
Setting Speed/Direction
Low speed – Push down to select 1.
High speed – Push up to select 2.
Reverse – Push to the left.
Forward – Push to the right.
Operating the Machine
- Make sure there is oil in the reservoir and correct size dies are installed. Select the desired threading size on the pipe scale and set auto-opening adjuster, if necessary.
- Lift the cutter, die head, and reamer to open position to install the pipe.
- Turn the hammer chucks counter clockwise all the way.
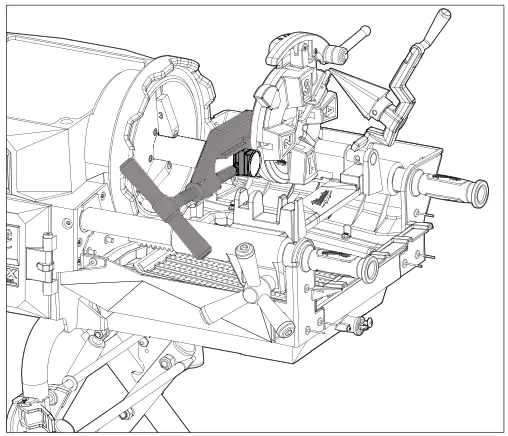
- Insert pipe into machine from the rear as shown below.

- Secure the pipe by turning the hammer chucks clockwise until tight.
- Place cutting wheel on pipe ensuring the cutting wheel assembly does not come into contact with the hammer chucks.
- Press the arming button to arm system.
- Select direction and speed.
- Push foot switch to rotate pipe.
- To stop the machine, release pedal on the foot switch.
- Using reamer:
a. Put the reamer down and use the carriage assembly adjuster to slide reamer closer to pipe .
b. Using the carriage assembly adjuster, slide the reamer away and lift reamer up to open position. - Using die head:
a. Set the die head down into position aligning the height adjustment screw on the carriage assembly.
b. Using the carriage assembly adjuster, slide the die head applying pressure until the threads engage on the pipe.
c. The machine will release the die head from the pipe. Use caution and keep body away from die release lever when dies release. Twist the carriage assembly adjuster removing the die head away from the pipe.
Do NOT attempt to use carriage assembly adjuster to remove pipe from the die head while threading. Release the pedal on the foot switch and wait until the machine comes to a complete stop to remove pipe from threading.
d. Lift the die head to open position. Use caution threaded pipe will be sharp. - Using cutting wheel:
a. Turn the cutter wheel handle counter clock wise until cutter bushings can engage with the pipe.
b. Turn cutting wheel handle clockwise (1/4 turn per pipe revolution) until pipe is cut.
c. Once pipe is cut, turn the cutter wheel handle counter clockwise to loosen and lift the cutting wheel to open position. - Press and hold the arm button to unarm the machine.
- Remove pipe from threader by loosening the hammer chucks.
Over temperature Indicator
If over temperature occurs, the over temperature indicator light will flash. The machine will not operate until the over temperature indicator light has stopped flashing. Release the pedal on the foot switch and allow the machine to cool down. Inspecting Threads/Using a Ring Gauge
- After removing the pipe from the machine, wipe any oil, chips or debris from the thread.
- Inspect the thread. Threads should be smooth, complete, and in good form. If irregularities such as thread tearing, thin threads, or pipe out-of roundness are seen, the thread may not seal.
- To check the size of the thread with a ring gauge, thread the gauge onto the pipe and hand-tighten. The end of the pipe should be flush with the side of the gauge (plus or minus one turn). If thread does not gauge properly, cut off the thread, adjust the die head, and cut another thread. WARNING! Using a thread that does not gauge properly can cause leaks.
MAINTENANCE
To reduce the risk of injury, always unplug the charger and remove the battery pack from the charger or machine before performing any maintenance. Never disassemble the machine, battery pack or charger. Contact a MILWAUKEE service facility for ALL repairs.
Maintaining Machine
Keep your machine, battery pack and charger in good repair by adopting a regular maintenance program.
Inspect your machine for issues such as undue noise, misalignment or binding of moving parts, breakage of parts, or any other condition that may affect the machine operation. Return the machine, battery pack, and charger to a MILWAUKEE service facility for repair. After six months to one year, depending on use, return the machine, battery pack and charger to a MILWAUKEE service facility for inspection.
If the machine does not start or operate at full power with a fully charged battery pack, clean the contacts on the battery pack. If the machine still does not work properly, return the machine, charger and battery pack, to a MILWAUKEE service facility for repairs.
Grease Zerks
Use medium viscosity, synthetic, high temperature grease. Apply five pumps of grease to the zerks once a year.
ONE-KEY™
Chemical Burn Hazard.
This device contains a lithium button/coin cell battery. A new or used battery can cause severe internal burns and lead to death in as little as 2 hours if swallowed or enters the body.
Always secure the battery cover. If it does not close securely, stop using the device, remove the batteries, and keep it away from children. If you think batteries may have been swallowed or entered the body, seek immediate medical attention.
Internal Coin Cell Battery
An internal coin cell battery is used to facilitate full ONE-KEY™ functionality.
If the Mode Indicator LED turns off and the tool cannot adjust speed, or if the Bluetooth communication stops working, remove and reinsert the coin cell battery to reset. Replace the battery if the problem continues.
To replace the coin cell battery:
- Remove the battery pack.
- Remove the screw(s) and open the battery door located in the battery bay.
- Remove the old coin cell battery, keep it away from children, and dispose of it properly.
- Insert the new coin cell battery (3V CR2032), with the positive side facing up.
- Close the battery door and tighten the screw(s) securely.
To reduce the risk of personal injury, electric shock and damage, never immerse your machine in liquid or allow a liquid to flow inside it.
Cleaning
Clean dust and debris from any vents. Keep machine clean, dry and free of oil or grease. Use only mild soap and a damp cloth to clean, since certain cleaning agents and solvents are harmful to plastics and other insulated parts. Some of these include gasoline, turpentine, lacquer thinner, paint thinner, chlorinated cleaning solvents, ammonia and household detergents containing ammonia.
Never use flammable or combustible solvents around machines.
Cleaning the Battery and Battery Bay
Keep battery connections and surfaces between the machine and battery free of debris and materials.
Failure to keep surfaces clean may result in misalignment and/or damage to the battery connection.
Repairs
For repairs, contact the nearest authorized service center.
ACCESSORIES
Use only recommended accessories. Others may be hazardous. For a complete listing of accessories, go online to www.milwaukeetool.com or contact a distributor.
WIRELESS COMMUNICATION
For products provided with wireless communication features, including ONE-KEY™:
Pursuant to part 15.21 of the FCC Rules, do not modify this product. Modification could void your authority to operate the product. This device complies with part 15 of the FCC Rules and ISED-Canada’s license exempt RSS standards. Operation is subject to the following two conditions:
- This device may not cause harmful interference, and
- This device must accept any interference received, including interference that may cause undesired operation.
SERVICE – UNITED STATES
1-800-SAWDUST (1.800.729.3878) Monday-Friday, 7:00 AM – 6:30 PM CST or visit www.milwaukeetool.com
Contact Corporate After Sales Service Technical Support with technical, service/repair, or warranty questions.
Email: [email protected] Become a Heavy Duty Club Member at www.milwaukeetool.com to receive important notifications regarding your purchases.
LIMITED WARRANTY USA & CANADA
Every MILWAUKEE MX FUEL™ Product, battery pack, and charger is warranted to the original purchaser from an authorized MILWAUKEE distributor only to be free from defects in material and workmanship. Subject to certain exceptions, MILWAUKEE will repair or replace a MX FUEL™ product, battery pack, or charger which, after examination, is determined by MILWAUKEE to be defective in material or workmanship for a period of two (2) years after the date of purchase. Return of the MX FUEL™ product, battery pack, or charger to a MILWAUKEE factory Service Center location or MILWAUKEE Authorized Service Station, freight prepaid and insured, is required. For the proper shipping procedure of battery packs, contact 1.800.SAWDUST (1.800.729.3878), or go to www.milwaukeetool.com. A copy of the proof of purchase should be included with the return product. This warranty does not apply to damage that MILWAUKEE determines to be from repairs made or attempted by anyone other than MILWAUKEE authorized personnel, misuse, alterations, abuse, normal wear and tear, lack of maintenance, or accidents.
Normal Wear: Many MX FUEL™ products need periodic parts replacement and service to achieve best performance. This warranty does not cover repair when normal use has exhausted the life of a part including, but not limited to, assist & drive belts, pulleys, blade flanges, vacuum gaskets, tool free handles, set pins, skis, drive couplers, rubber boots, auto feed, stabilize blocks, wheels, carrier wheels, cords, o-rings, seals, bumpers, driver blades, pistons, strikers, lifters, tool holder, and bumper cover washers.
Warranty Registration is not necessary to obtain the applicable warranty on a MX FUEL™ product, battery pack, or charger.
ACCEPTANCE OF THE EXCLUSIVE REPAIR AND REPLACEMENT REMEDIES DESCRIBED HEREIN IS A CONDITION OF THE CONTRACT FOR THE PURCHASE OF EVERY MILWAUKEE PRODUCT.
IF YOU DO NOT AGREE TO THIS CONDITION, YOU SHOULD NOT PURCHASE THE PRODUCT. IN NO EVENT SHALL MILWAUKEE BE LIABLE FOR ANY INCIDENTAL, SPECIAL, CONSEQUENTIAL, OR PUNITIVE DAMAGES, OR FOR ANY COSTS, ATTORNEY FEES, EXPENSES, LOSSES OR DELAYS ALLEGED TO BE AS A CONSEQUENCE OF ANY DAMAGE TO, FAILURE OF, OR DEFECT IN ANY PRODUCT INCLUDING, BUT NOT LIMITED TO, ANY CLAIMS FOR LOSS OF PROFITS. SOME STATES DO NOT ALLOW THE EXCLUSION OR LIMITATION OF INCIDENTAL OR CONSEQUENTIAL DAMAGES, SO THE ABOVE LIMITATION OR EXCLUSION MAY NOT APPLY TO YOU. THIS WARRANTY IS EXCLUSIVE AND IN LIEU OF ALL OTHER EXPRESS WARRANTIES, WRITTEN OR ORAL. TO THE EXTENT PERMITTED BY LAW, MILWAUKEE DISCLAIMS ANY IMPLIED WARRANTIES, INCLUDING WITHOUT LIMITATION ANY IMPLIED WARRANTY OF MERCHANTABILITY OR FITNESS FOR A PARTICULAR USE OR PURPOSE; TO THE EXTENT SUCH DISCLAIMER IS NOT PERMITTED BY LAW, SUCH IMPLIED WARRANTIES ARE LIMITED TO THE DURATION OF THE APPLICABLE EXPRESS WARRANTY AS DESCRIBED ABOVE. SOME STATES DO NOT ALLOW LIMITATIONS ON HOW LONG AN IMPLIED WARRANTY LASTS, SO THE ABOVE LIMITATION MAY NOT APPLY TO YOU, THIS WARRANTY GIVES YOU SPECIFIC LEGAL RIGHTS, AND YOU MAY ALSO HAVE OTHER RIGHTS WHICH VARY FROM STATE TO STATE.
This warranty applies to product sold in the U.S.A. and Canada only.
Please consult the ‘Service Center Search’ in the Parts & Service section of MILWAUKEE’s website www.milwaukeetool.com or call 1.800.
SAWDUST (1.800.729.3878) to locate your nearest service facility for warranty and non-warranty service on a MX FUEL™ product, battery pack or charger.



































