PCR7A.B9.A, PCS7A.B9.A Built In Gas Hob
User Manual
PCR7A.B9.A, PCS7A.B9.A Built In Gas Hob
Register your new device on MyBosch now and get free benefits: bosch-home.com/welcome
¹Component
A Pan support
B Control knobs
C Economy burner with an output of up to 1,00 kW
D Standard-output burner with an output of up to 1,75 kW
E High-output burner with an output of up to 3,00 kW
H Dual-wok multi-crown burner with an output of up to 5,00 kW
¹The images shown in these instructions are for guidance only.
Futher information and explanations are available online:
Safety
This cooktop is approved for use with Natural
Gas and Universal LPG.
Leave these instructions with the owner.
DO NOT MODIFY THIS APPLIANCE.
1.1 General information
- Read this instruction manual carefully.
- Keep the instruction manual and the product information safe for future reference or for the next owner.
- Do not connect the appliance if it has been damaged in transit.
1.2 Intended use
The appliance can only be used safely if it is correctly installed according to the safety instructions. The installer is responsible for ensuring that the appliance works perfectly at its installation location.
Only use this appliance:
- In accordance with these instructions for installation and use.
- For cooking purposes.
- Under supervision. Never leave the appliance unattended when cooking for short periods.
- In a private household and in a domestic environment.
- Up to an altitude of max. 2000 m above sea level.
This appliance is not suitable for use in a marine craft, caravan or mobile home.
DO NOT USE THIS APPLIANCE AS A SPACE HEATER.
DO NOT USE IN FREEZING CONDITIONS.
Do not use this appliance with an external timer or a remote control.
Do not use this appliance outdoors.
Call the after-sales service if you want to convert your appliance to a different type of gas.
1.3 Restriction on user group
This appliance may be used by children aged 8 or over and by people who have reduced physical, sensory or mental abilities or inadequate experience and/or knowledge, provided that they are supervised or have been instructed on how to use the appliance safely and have understood the resulting dangers.
Do not let children play with the appliance.
Children must not perform cleaning or user maintenance unless they are at least 15 years old and are being supervised.
Keep children under the age of 8 years away from the appliance and power cable.
1.4 Safe installation
Follow these safety instructions when installing the appliance.
- Read the installation instructions carefully.
→ “Installation instructions”, Page 6 - The images shown in these instructions are for guidance only.
- The appliance can only be used safely if it is correctly installed according to the safety instructions. The installer is responsible for ensuring that the appliance works perfectly at its installation location.
WARNING ‒ Risk of explosion!
Escaping gas may cause an explosion.
▶ All Installation, connection, regulating and conversion work to a different gas type must be carried out by an authorised professional while taking into account the respective applicable regulations and legal requirements as well as the regulations regarding the local electricity and gas suppliers. Special attention must be paid to the provisions and guidelines that are applicable for the ventilation. For conversion work to a different gas type, we recommend that you call the after-sales service.
- Before any work is carried out on the appliance, switch off the power supply and the gas supply.
- Ensure that the kitchen is sufficiently ventilated, in particular when operating the gas cooking appliance.
- Do not connect the appliance to an exhaust gas system for combustion products.
- This appliance is not suitable for use in a marine craft, caravan or mobile home.
- The warranty applies only when using the appliance as intended.
- Before installing the appliance, check that the local conditions of the supplier are compatible with the appliance settings specified on the rating plate (type of gas and pressure, power, voltage).
- Secure the power cord to the cabinet to prevent it from touching hot parts of the oven or cooktop.
- Connect the appliance to the power supply using the earth.
- Do not make any changes to the inside of the appliance. If required, contact our technical customer service.
1.5 Safe use
WARNING ‒ Risk of explosion!
Escaping gas may cause an explosion. WHAT TO DO IF YOU SMELL GAS OR IF THERE ARE FAULTS IN THE GAS INSTALLATION
▶ Do not try to light the appliance.
▶ Immediately shut off the gas supply or close the gas cylinder valve.
▶ Immediately extinguish all naked flames and cigarettes.
▶ Do not operate any light switches or appliance switches.
▶ Do not pull any plugs out of any sockets.
▶ Do not use any telephones or mobile phones within the building.
▶ Open windows and ventilate the room.
▶ Call the after sales service or the gas supplier.
▶ If you cannot reach your gas supplier, call the fire department.
Escaping gas may cause an explosion. Small amounts of gas can collect over a longer period of time and ignite.
▶ Close the safety valve for the gas supply when the appliance is out of use for prolonged periods.
Escaping gas may cause an explosion. If the liquefied gas bottle is not upright, liquefied propane/butane can enter the appliance. Intense darting flames may therefore escape from the burners. Components may become damaged and start to leak over time so that gas escapes uncontrollably.
▶ Always use liquefied gas bottles in an upright position.
WARNING ‒ Risk of poisoning!
Using the gas cooking appliance leads to a build-up of heat, moisture and combustion products in the room where the appliance is installed.
▶ Ensure that the kitchen is sufficiently ventilated, in particular when operating the gas cooking appliance.
▶ If the appliance is used intensively and for prolonged periods, ensure that there is additional ventilation so that the combustion products are safely fed to the outside, e.g. if using existing ventilation equipment, set a higher performance level and, at the same time, ensure that the air is replaced with fresh air in the room where the appliance is installed.
▶ Consult specialist personnel when installing additional ventilation equipment.
WARNING ‒ Risk of fire!
Leaving fat or oil cooking on an unattended hob can be dangerous and may lead to fires.
▶ Never leave hot oil or fat unattended.
▶ Never attempt to extinguish a fire using water; instead, switch off the appliance and then cover with a lid or a fire blanket.
The appliance becomes very hot.
▶ DO NOT USE OR STORE FLAMMABLE MATERIALS IN THE APPLIANCE STORAGE DRAWER OR NEAR THIS APPLIANCE.
▶ DO NOT SPRAY AEROSOLS IN THE VICINITY OF THIS APPLIANCE WHILE IT IS IN OPERATION.
Hob covers can cause accidents, for example due to overheating, catching fire or materials shattering.
▶ Do not use hob covers.
When gas burners are in operation without any cookware placed on them, they can build up a lot of heat. The extractor hood above it may become damaged or catch fire.
▶ Only operate the gas burners with cookware on them. The appliance becomes very hot, fabrics and other objects may ignite.
▶ Keep fabrics (e.g. garments or curtains) away from the flames.
▶ Never reach over the flames.
▶ Do not place combustible objects (e.g. tea towels or newspapers) on, next to or behind the appliance.
Escaping gas may ignite.
▶ If the burner does not ignite after 10 seconds, turn the control knob to the “Off” position and open the door or window in the room. Do not attempt to re-ignite the burner for at least one minute.
▶ In the event of the burner flames being accidentally extinguished, turn off the burner control. Do not attempt to re-ignite the burner for at least one minute.
Food may catch fire.
▶ The cooking process must be monitored. A short process must be monitored continuously.
WARNING ‒ Risk of burns!
The accessible parts can become hot during operation.
▶ Small children should be kept away from the appliance.
Hob protective grilles may cause accidents.
▶ Never use hob protective grilles.
Empty cookware becomes extremely hot when set on gas burners that are operating.
▶ Never heat up empty cookware.
The appliance becomes hot during operation.
▶ Allow the appliance to cool down before cleaning.
WARNING ‒ Risk of electric shock!
Incorrect repairs are dangerous.
▶ Repairs to the appliance should only be carried out by trained specialist staff.
▶ Only use genuine spare parts when repairing the appliance.
▶ If the power cord of this appliance is damaged, it must be replaced by the manufacturer, the manufacturer’s Customer Service or a similarly qualified person in order to prevent any risk.
If the appliance or the power cord is damaged, this is dangerous.
▶ Never operate a damaged appliance.
▶ Never pull on the power cord to unplug the appliance. Always unplug the appliance at the mains.
▶ If the appliance or the power cord is damaged, immediately unplug the power cord or switch off the fuse in the fuse box and turn off the gas supply.
▶ Call customer services. → Page 17
An ingress of moisture can cause an electric shock.
▶ Do not use steam- or high-pressure cleaners to clean the appliance.
The insulation on cables of electrical appliances may melt if it touches hot parts of the appliance.
▶ Never bring electrical appliance cables into contact with hot parts of the appliance.
WARNING ‒ Risk of injury!
Faults or damage to the appliance and repairs that have not been carried out correctly are dangerous.
▶ Never switch on the appliance if there is a fault with it.
▶ If the appliance is faulty, unplug the mains plug or switch off the fuse in the fuse box.
Shut off the gas supply and call the after sales service.
▶ Always have repairs carried out to the appliance and damaged gas lines replaced by trained, specialist personnel.
Cookware that is not the right size, or that is damaged or incorrectly positioned may cause serious injuries.
▶ See the notes on cookware.
When switching on the burner, sparks are generated in the ignition plugs.
▶ Never touch the ignition plugs while the burner is being lit.
If a control knob is too stiff to turn or it is loose, it must no longer be used.
▶ Contact our after-sales service immediately to have the control knob repaired or replaced.
WARNING ‒ Risk of suffocation!
Children may put packaging material over their heads or wrap themselves up in it and suffocate.
▶ Keep packaging material away from children.
▶ Do not let children play with packaging material. Children may breathe in or swallow small parts, causing them to suffocate.
▶ Keep small parts away from children.
▶ Do not let children play with small parts.
Installation instructions
Observe this information when installing the appliance.![]()
2.1 Statutory requirements
This installation must conform with the following:
- Manufacturer’s Installation instructions
- Local Gas Fitting Regulations
- Municipal Building Codes
- Refer to AS/NZS 5601.1 for Gas Installations
- S.A.A. Wiring Code
- Local Electrical Regulations
- Any other statutory regulations
2.2 Preparing to install
These built-in cooktops are intended to be inserted in a worktop cutout.
- Make a cut-out in the worktop with the required dimensions.

- Seal the cut surfaces of wooden work surfaces with a special glue seal to protect them from moisture.
- Any adjoining vertical wall surface situated within 200 mm from the edge of any cooktop burner must be a suitable non-combustible material for the entire length of the cooktop, in accordance with clause 6.10.1.2 of AS/NZS 5601.1.
2.3 Clearances
- A range hood fitted above the top must be installed according to the installation instructions for the range hood. A minimum distance of 650 mm is required for a range hood and 750 mm for an exhaust fan.
- Any combustible construction above the cooktop must be at least 650 mm above the top of the burner and no construction shall be within 430 mm above the top of the burner.
- Height of the pan support above the worktop surface: up to 60 mm.

- A minimum depth of 50 mm from the top of the worktop surface must be provided for the appliance.
2.4 Shield
If the base of the hotplate can be touched, fit a protecting shield.
- The shield must be at least 10 mm from the lowest part of the hotplate and must be capable of withstanding the appliance temperatures. Minimum thickness of worktop is 30 mm.
- The shield material must be mdf or similar with minimum thickness of 12 mm.
- The shield overall dimensions must be 560 mm wide x 480 mm deep.
- Provide cutout in right hand rear of shield of 80 mm wide x 80 mm deep to provide for gas regulator / LPG connection fitting.
- After installation of the shield the clearance around the top and sides of shield will allow adequate ventilation. Ensure the side and top clearances are not obstructed.
2.5 Positioning the appliance
Note: Do not use silicone to bond the appliance to the worktop.
- Position the cooktop with the upper side facing down on a flat, stable surface.
- Apply the adhesive seal supplied to the lower edge of the cooktop. The adhesive seal prevents the penetration of liquids.

- Screw the brackets supplied into the specified position so that they can turn freely.

- If you install the appliance in a 480 mm wide niche, you must remove the spacer, which is preinstalled on the back of some models.

- Turn the cooktop around and insert it into the recess. Insert the cooktop in the front of the recess.

- Turn the brackets and tighten them fully.
The position of the brackets depends on the worktop thickness.
2.6 Electrical connection
Follow the instructions for electrical connection.
- An electrical 10 amp socket needs to be within 1 m of the hotplate to allow electrical connection. The socket must remain accessible after installation of the appliance.
- This appliance is connected to the mains (240 VAC) by means of the connecting lead. The connecting lead must be fixed to the kitchen unit to prevent it from coming into contact with hot parts of the cooktop or an oven installed underneath and remain accessible after installation of the cooktop.
- This appliance must be earthed. When connecting the cooktop ensure that the earth wire is connected first and that all wires are connected to the correct terminals.
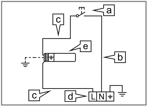
Wiring diagram
Observe the wiring diagram.
a Switch
b Blue wire
c Brown wire
d Terminal
e Ignition module
2.7 Gas connection
Only an officially authorised technician should connect the appliance.
Before connecting the gas
Observe any special conditions imposed by local suppliers (utilities).
- During the planning stage, consider the position of supply connections.
- The cooktop must be connected to the gas supply with upstream connection of an isolation valve in accordance with the respectively valid regulations.
We recommend that the isolation valve be fitted prior to the cooktop to enable isolation of cooktop from gas supply. The valve must be easily accessible at all times. - Position of the inlet connection.

- Check whether the local connection conditions (gas type) are compatible with the unit’s setting. The specifications of this cooktop are stated on the data label located on the bottom of the cooktop base.
- A duplicate data label is supplied for adhesion to an accessible location near the hotplate if the data label on the base of the hotplate cannot be accessed when the hotplate is installed.
Gas connection R 1/2
▶ Fit regulator (N. G.) or a test point (Universal LPG) directly to the R 1/2 connection.
- Direction of gas flow is indicated on the rear of the regulator.
- a: Pressure test point.
Connecting the unit to the gas line
The supply connection point shall be accessible with the appliance installed.
Tip: Make sure that all connections performed are free of leakage. Use pipe compound or thread sealant, properly threaded pipes and careful assembly procedure so that there is no cross threading and so on, which might cause damage or leakage.
The manufacturer does not accept any liability for leakage on connections performed by the installer or if the L-tube is moved or twisted.
- Refer to AS/NZS 5601.1 for piping size details.
- Remove plastic cap from gas supply line prior to installation.
There are two ways to carry out the connection to the main gas line: - Connect with rigid pipe as specified in AS/NZS 5601.1.
- Connect with flexible hose. The hose assembly must comply with AS/NZS 1869, 10 mm ID, class B or D, no more than 1.2 m long and installed in accordance with AS/NZS 5601.1.
Note:
If installing with a hose assembly:
- Ensure that the hose assembly is restrained from accidental contact with the flue outlet of an underbench oven.
- Ensure that the hose does not contact the hot surfaces of the hotplate, oven, dishwasher or any other appliance that may be installed underneath or next to the hotplate.
- The hose should not be subjected to abrasion, kinking or permanent deformation.
- The hose should be able to be inspected along its entire length with the cooktop in the installed position.
- Unions compatible with the hose fittings must be used and all connections tested for gas leaks.
Before leaving
It should be expressly noted that we cannot accept any liability for direct or indirect damage caused by wrong connection, leakage or improper installation.
- Check all connections for gas leaks with soap and water. DO NOT use a naked flame for detecting leaks.
- Ignite all burners both individually and concurrently to ensure correct operation of gas valves, burners and ignition.
- Turn gas taps to low flame position and observe stability of the flame for each burner individually and all together.
- Adhere the duplicate data plate to an accessible location near the hotplate.
- When satisfied with the hotplate, instruct the user on the correct method of operation.
- In case the appliance fails to operate correctly after all checks have been carried out, refer to the authorised service provider in your area.
When being repaired, the appliance must always be disconnected from the mains supply; if required, notify our customer service.
2.8 Converting the cooktop from Natural Gas to ULPG
All work involved in installation, setting and adaptation to a different gas type must be carried out by a licensed gas fitter and must comply with current regulations and the conditions laid down by the local gas company.
Before conversion the cooktop must be disconnected from the electricity and gas valves must be turned to the OFF position.
Adjusting the taps
- Turn the rotary knobs to the minimum power position and pull them out.
- With the tip of the screwdriver, push down on the flexible rubber holder to access the bypass screw.
Never remove the sealing ring. The sealing rings prevent liquids and dirt from finding their way into the appliance and impairing its ability to function properly. - Adjust the bypass screws:
‒ A: For ULPG, the bypass screws must be tightened properly.
‒ B: For Natural Gas, the bypass screws must finish flush with the fitting.
Injectors
Request change-over injectors from our customer service deparment. Refer injector chart below for sizes.
| Burner | NG Hourly gas consumption (MJ) | NG Injector mark | ULPG Hourly gas consumption (MJ) | ULPG Injector mark |
| Economy burner | 4.00 | 88 | 3.50 | 50 |
| Standard-output burner | 6.85 | 116 | 6 | 66 |
| High-output burner | 11 | 153 | 11.00 | 87 |
| Dual-wok multi-crown burner | 19.50 | • Outer flame: 190 • Inner flame: 77 | 16.50 | • Outer flame: 96 • Inner flame: 45 |
Replacing the injectors
- Remove all pan supports, burner caps and distributors.
- Replace the nozzles using the appropriate wrench and tighten them carefully to guarantee the seal.
Ensure that the nozzle does not become detached during removal or fastening.
Reinstalling the appliance
▶ Install the appliance components in reverse order.
Checking if equipment is working
- Check that turning the rotary knob between the position for maximum power and the position for minimum power does not cause the burner to go out or result in backfire.
- If the gas flow from the burner is not correct, check whether the nozzle and the position of the bypass screw are correct.
→ “Injectors”, Page 10
→ “Adjusting the taps”, Page 10
Documenting the gas type conversion
▶ Attach the sticker showing the new gas type near to the rating plate.
Preventing material damage
ATTENTION!
A build-up of heat may damage the appliance.
▶ Never cover the stainless steel gas cooktop, for example with aluminium foil or oven protectors.
▶ Only use the accessories specified.
Heat can cause damage to adjacent appliances or kitchen units. If the appliance is in operation for an extended period, heat and moisture will be generated.
▶ Open a window or switch on an extractor hood leading to the outside.
A build-up of heat may damage the appliance.
▶ Do not use two burners or heat sources to heat one single item of cookware.
▶ Do not use griddle plates, clay pots, etc. for a long time at full power.
▶ Do not use large pots which can deflect flame onto the cooktop.
▶ Do not remove the pan support and enclose the burner with a wok stand as this will concentrate and deflect heat onto the cooktop.
▶ Do not place anything, for example, flame tamer or asbestos mat, between pan and pan support as serious damage to the appliance may result.
A build-up of heat may damage the controls.
▶ Do not use a large item of cookware on burners that are close to the control knobs.
If a control knob is in the wrong position, this could lead to malfunctions.
▶ Always turn the control knob to the “Off” position when the appliance is not being used.
Handling the cookware roughly may damage the surface of the appliance.
▶ Handle the cookware on the cooktop carefully.
Acidic liquids, such as lemon juice or vinegar, may damage the surface of the appliance.
▶ Do not leave acidic liquids on the cooktop.
Environmental protection and saving energy
4.1 Saving energy
If you follow these instructions, your appliance will use less energy.
Choose a burner roughly the same size as your pan.
Centre the cookware on the hob.
Tip: Cookware manufacturers often give the upper diameter of the saucepan. It is often larger than the base diameter.
- Unsuitable cookware or incompletely covered cooking zones consume a lot of energy.
Cover saucepans with suitable lids. - Cooking without a lid consumes considerably more energy.
Lift lids as infrequently as possible. - When you lift the lid, a lot of energy escapes.
Use a glass lid. - You can see into the pan through a glass lid without having to lift it.
Use cookware that is suitable for the quantity of food. - Large items of cookware containing little food need more energy to heat up.
Cook with only a little water. - The more water that is contained in the cookware, the more energy is required to heat it up.
Turn down to a lower power level early on. - If you use an ongoing power level that is too high, you will waste energy.
4.2 Disposing of packaging
The packaging materials are environmentally compatible and can be recycled.
▶ Sort the individual components by type and dispose of them separately.
Familiarising yourself with your appliance
5.1 Control knob
You can use the control panel to configure all functions of your appliance and to obtain information about the operating status.
You can use the control knobs to set the flame height to different power levels.
| Display | Meaning |
| Burner assigned to the control knob. | |
| Burner off. | |
| Highest power setting and electric ignition of the burner. | |
| Lowest power setting. |
Dual-wok multi-crown burner
With the dual-wok multi-crown burner, you can regulate the inner and outer flames independently of each other.
| Power level | Meaning |
| Inner and outer flame on full power. | |
| 4 | Outer flame on minimum, inner flame on full power. |
| 3 | Inner flame on full power. |
| Inner flame on minimum power. |
5.2 Burner
You can find an overview of the parts of the burner here.
- Burner cover
- Burner cup
- Thermocouple for the flame monitoring
- Ignition plug
5.3 Pan supports
Insert the pan supports correctly.
Place the cookware correctly on the pan supports.
Never place the cookware directly on the burner.
Always carefully remove the pan supports. When moving a pan support, the pan supports next to it may also move.
Tip: You can remove the metal residue that remains when some items of cookware are moved on the pan support by cleaning it properly.
→ “Cleaning the pan supports”, Page 15
Accessories
You can buy accessories from the after-sales service, from specialist retailers or online. Only use original accessories, as these have been specifically designed for your appliance.
Accessories vary from one appliance to another.
When purchasing accessories, always quote the exact product number (E no.) of your appliance. → Page 17
You can find out which accessories are available for your appliance in our catalogue, in the online shop or from our after-sales service.
www.bosch-home.com
| Accessories | Description | Use |
| Additional wok grid | ![]() | ■ Only use on the multi-crown burner. ■ Always use for cookware with a rounded base. ■ Recommended in order to extend the service life of the appliance. |
| Additional espresso maker grid | ![]() | ■ Only use on the burner with the lowest power setting. ■ Use with cookware with a diameter smaller than 12. |
| Simmer cap | ![]() | ■ Secure this above the economy burner cap. ■ Use only with the lowest power setting of the burner. ■ Place the cookware on the pan support, never directly on the simmer cap. |
| Simmer plate | ![]() | ■ For cooking on a low heat. ■ Use the economy burner or the standardoutput burner. If there are several standard-output burners, it is preferable to use the rear or front-right burner. ■ Place it on the pan support with the bumps facing up – never place it directly on the burner. |
Basic operation
7.1 Igniting a gas burner
The cooktop has automatic ignition of the burners.
WARNING ‒ Risk of fire!
Escaping gas may ignite.
▶ If the burner does not ignite after 10 seconds, turn the control knob to the “Off” position and open the door or window in the room. Do not attempt to re-ignite the burner for at least one minute.
▶ In the event of the burner flames being accidentally extinguished, turn off the burner control. Do not attempt to re-ignite the burner for at least one minute.
ATTENTION!
If you turn the control knob directly between position
and 1, malfunctions may occur.
▶ For this reason, never turn directly from position
to position 1 or vice versa.
- Press the control knob for the selected burner and turn it anti-clockwise to the highest level.
Keep the control knob pressed in.
For all of the burners, sparks are generated and the flame ignites. - Wait a few seconds and release the control knob.
→ “Safety system”, Page 14 - Turn the control knob to the required position.
- If the burner does not ignite, turn the control knob to the off position and repeat the steps described above. This time, hold the control knob down for longer (up to 10 seconds).
Note:
Take the following information into account to ensure that the appliance works correctly:
- The burner parts → Page 12 and the pan supports
→ Page 12 must be inserted correctly. - Do not swap the burner caps around.
- It is important to keep the appliance clean. Clean the ignition plugs regularly with a small, non-metallic brush. Take care to prevent the ignition plugs from suffering any heavy knocks.
- The burner holes and grooves must be clean to ensure a correct flame.
→ “Cleaning the burners”, Page 15
7.2 Safety system
The safety system (thermocouple) interrupts the flow of gas if the burners accidentally go out. To ignite the burner, you must activate the system that enables the gas flow.
- Ignite the burner without releasing the control knob.
The flame ignites. - Press and hold the control knob for a further four seconds.
7.3 Igniting a gas burner manually
In the event of a power cut, you can light the burners manually.
- Press the control knob for the selected burner and turn it anti-clockwise to the highest level.
- Hold a lighter or a flame (lighter, match, etc.) against the burner.
7.4 Switching off a burner
▶ Turn the control knob clockwise to o.
7.5 Normal behaviour during operation
This behaviour is normal for the appliance:
- Slight hissing noise from the ignited burner.
- Release of odours when using the appliance for the first time. These odours disappear after a short time.
- An orange flame is normal. This is due to dust in the environment, spilled liquids, etc.
- Popping noise a few seconds after the burner is switched off. This is caused by switching on the safety system.
→ “Safety system”, Page 14
Cookware
This information has been provided to help you save energy and avoid damaging your cookware.
8.1 Suitable cookware
Only use cookware with a suitable diameter. The cookware must not protrude over the edge of the cooktop.
Never use small cookware on large burners.
The flames must not touch the sides of the cookware.
| Burner | Minimum diameter of the cookware base | Maximum diameter of the cookware base |
| Multi-crown burner | 22 cm | 30 cm |
| High-output burner | 20 cm | 26 cm |
| Standard-output burner | 14 cm | 22 cm |
| Economy burner | 12 cm | 16 cm |
Only use cookware with a rounded base on the multicrown burner.
- The cooktop must have a multi-crown burner and additional wok grid.
- The additional wok grid must be correctly inserted.
→ “Accessories”, Page 13
8.2 Using cookware
The selection and positioning of the cookware affects the safety and energy efficiency of your appliance.
→ “Saving energy”, Page 11
WARNING ‒ Risk of fire!
Flammable objects may ignite.
▶ Maintain a distance of at least 50 mm between the cookware and flammable objects.
Note: When using some items of cookware, a temporary, slight deformation of the stainless steel cooking surface may occur. This is normal and does not affect the functionality of the appliance.
| Do not use deformed cookware. Only use cookware with a thick, flat base. | Deformed cookware is not stable on the cooktop and may tip over. |
| Place the cookware right in the centre of the burner. | The cookware may tip over if it is not placed in the centre of the burner. |
| Place the cookware correctly on the pan supports. | The cookware may tip over if you place it directly on the burner. |
Recommended settings for cooking
You can use the control knobs on the appliance to set the flame height incrementally to different power levels from 1 to 9.
The cooking times and power levels may vary depending on the type of food, its weight and quality, on the type of gas used, and on the material from which the cookware is made.
Tips
- Cooking tips
– When cooking soups, creams, lentils or chickpeas, add all of the ingredients to the cookware at the same time.
– For pan-fried dishes, heat the oil up first. As soon as you have started frying, keep the temperature constant and adjust the power level as required.
When preparing several portions, wait until the relevant temperature has been reached again. Turn the food regularly. - To reduce the cooking time:
– Use a pressure cooker to cook creams and pulses. If you are using a pressure cooker, follow the manufacturer’s instructions.
– The water must be boiling before you add pasta, rice or potatoes. Then adjust the power level in order to continue boiling.
– Always use a lid when cooking rice and potatoes.
| Power level | Preparing meals |
| 9 | ■ Bringing water to the boil ■ Baking in a bain-marie: Sponge, blancmange, bread pudding. ■ Frying at a high temperature: Asian dishes. |
| 7-9 | ■ Starting the cooking process: Pasta, soups, creams, paella, pulses, rice pudding. ■ Deep-fat frying in oil: Tempura vegetables, croquettes, chips, potato omelettes, escalope, frozen food, baked items. ■ Frying with a little oil: French omelette, steak, well-done sirloin steak, strogonoff. ■ Frying, searing: Vegetables, meat. |
| 4-6 | ■ Continuing the cooking process: Pasta, soups, creams, paella, pulses, rice pudding. ■ Deep frying with a little oil: Hamburgers, sausages, grilled salmon, rissoles. ■ Stew, pot roast: Ragout, goulash, ratatouille. ■ Cooking at a medium temperature: Cheese sauce, béchamel, carbonara, Neapolitana sauce, blancmange, crepes. ■ Defrosting: Frozen food. |
| 1-3 | ■ Finishing cooking: Paella rice, pulses, rice pudding. ■ Steaming: Fish, vegetables. ■ Heating and keeping warm: Ready-toeat meals. |
| 1 | Melting: Butter, chocolate, butter, gelatine, honey, caramel. |
Cleaning and servicing
To keep your appliance working efficiently for a long time, it is important to clean and maintain it carefully.
10.1 Cleaning product
You can obtain suitable cleaning products from aftersales service or the online shop.
ATTENTION!
Unsuitable cleaning products may damage the surfaces of the appliance.
▶ Do not use harsh or abrasive detergents.
▶ Do not use steel wool.
▶ Do not use a knife or sharp objects to remove driedon food remnants from the cooktop.
▶ Do not use knives or sharp objects to clean the connection between the metal and the glass or aluminium plate wit.
▶ Do not use steam-cleaning appliances.
10.2 Cleaning the appliance
ATTENTION!
When the control knob is removed while cleaning the appliance, humidity may get in and damage the interior of the appliance.
▶ When cleaning the appliance, do not remove the controls.
- Allow the appliance to cool down.
- Clean using a sponge and soapy water.
- Dry with a soft cloth.
Tip: Remove spilled liquids immediately. This prevents food remains from sticking, and the time and effort required for subsequent cleaning is reduced.
10.3 Cleaning the burners
After each use, clean the surface of the burner parts.
This prevents food remains from burning on.
ATTENTION!
The burner parts can be damaged if you clean them in a dishwasher.
▶ Do not clean the burner parts in a dishwasher.
Note: Read the information on the cleaning agents.
→ “Cleaning product”, Page 15
- Allow the appliance to cool down.
- Clean using a non-metallic brush and soapy water.
- Completely dry the appliance. If there are water droplets or damp areas at the start of cooking, this may damage the enamel.
- Insert the burner parts. Ensure that the burner caps are correctly positioned on the flame spreader.
→ “Burner”, Page 12
10.4 Cleaning the pan supports
Note: Read the information on the cleaning agents.
→ “Cleaning product”, Page 15
ATTENTION!
The pan supports can be damaged if you clean them in the dishwasher.
▶ Do not clean the pan supports in the dishwasher.
- Allow the appliance to cool down.
- Carefully remove the pan supports.
- Clean using a non-metallic brush and soapy water.
Carefully clean the area around the rubber pads. If the rubber pads come loose, the pan support may scratch the cooktop. - Completely dry the appliance. If there are water droplets or damp areas at the start of cooking, this may damage the enamel.
- Insert the pan supports correctly.
→ “Pan supports”, Page 12
10.5 Multi-crown burner and stainless steel surfaces
High temperatures may lead to the multi-crown burner and the stainless steel surfaces becoming discoloured.
This is normal.
Clean these areas with a stainless steel cleaner after each use.
Tip: Regularly use the cleaning agent that is available from our technical after-sales service.
ATTENTION!
Stainless steel cleaners may remove screen-printed displays.
▶ You should therefore not use stainless steel cleaner in the area around the control knob.
Troubleshooting
You can rectify minor faults on your appliance yourself.
Read the troubleshooting information before contacting
after-sales service. This will avoid unnecessary costs.
WARNING ‒ Risk of injury!
Improper repairs are dangerous.
▶ Repairs to the appliance should only be carried out by trained specialist staff.
▶ If the appliance is defective, call Customer Service.
WARNING ‒ Risk of electric shock!
Incorrect repairs are dangerous.
▶ Repairs to the appliance should only be carried out by trained specialist staff.
▶ Only use genuine spare parts when repairing the appliance.
▶ If the power cord of this appliance is damaged, it must be replaced by the manufacturer, the manufacturer’s Customer Service or a similarly qualified person in order to prevent any risk.
11.1 Malfunctions
| Fault | Cause and troubleshooting |
| The general electrical operation is impaired. | The circuit breaker is faulty. ►Check the circuit breaker in the fuse box. |
| The circuit breaker or one of the residual-current circuit breakers has been triggered. ►In the fuse box, check whether the circuit breaker or one of the residual-current circuit breakers has been triggered. | |
| The mains plug of the power cord is not plugged in. ►Connect the appliance to the power supply. | |
| There has been a power cut. ►Check whether the lighting in your kitchen or other appliances are working. | |
| Automatic ignition is not working. | Food remnants or dirt are located between the ignition plug and the burner. ►Clean the space between the ignition plugs and burners. |
| Burner parts are wet. ►Carefully dry the burner parts. | |
| The burner parts are positioned incorrectly. ►Correctly position the burner parts. | |
| The appliance is not earthed or has not been connected correctly, or the earth cable is damaged. ►Contact an electrician. | |
| The burner flame is not uniform. | The burner parts are positioned incorrectly. ►Correctly position the burner parts. |
| Openings on the burner are soiled. ►Clean and dry the openings on the burner. | |
| The gas does not ap- pear to be flowing normally or there is no gas being produced at all. | The gas supply has been shut off by the intermediate valves. ►Open the intermediate valves. |
| The gas cylinder is empty. • Replace the gas cylinder. | |
| There is a smell of gas in the kitchen. | The control knob is open. ►Close the control knob. |
| The gas cylinder has not been connected correctly. ►Ensure that the gas cylinder has been connected correctly. | |
| The gas pipe to the appliance is leaking. 1.Close the main gas tap. 2.Ventilate the room. 3.Immediately call an authorised installer, who can inspect the gas system and issue an installation certificate. 4.Do not use the appliance until you are sure that gas is not leaking from the installation or the appliance. | |
| The burner switches off as soon as you release the control knob. | Control knob not pressed down long enough. 1. Keep the control knob pressed down for a few seconds after ignition. 2. Press the control knob down firmly. |
| Openings on the burner are soiled. ►Clean and dry the openings on the burner. |
Service
DO NOT MODIFY THIS APPLIANCE. Only authorized personnel from the Service Centre are qualified to work on the appliance.
Any of the following are considered to be abnormal operation and may require servicing:
- Yellow tipping of the cooktop burner flame.
- Sooting up of cooking utensils.
- Burners not lighting properly.
- Gas valves, which are difficult to turn.
In case the appliance fails to operate correctly, contact the authorised service provider in your area.
Customer Service
Detailed information on the warranty period and terms of warranty in your country is available from our aftersales service, your retailer or on our website.
If you contact Customer Service, you will require the product number (E-Nr.) and the production number (FD) of your appliance.
The contact details for Customer Service can be found in the enclosed Customer Service directory or on our website.
13.1 Product number (E-Nr.) and production number (FD)
You can find the product number (E-Nr.) and the production number (FD) on the appliance’s rating plate.
The rating plate can be found:
- on the appliance certificate.
- on the lower section of the hob.
Make a note of your appliance’s details and the Customer Service telephone number to find them again quickly.
Disposal
14.1 Disposing of old appliance
Valuable raw materials can be reused by recycling.
- Unplug the appliance from the mains.
- Cut through the power cord.
- Dispose of the appliance in an environmentally friendly manner.
Information about current disposal methods are available from your specialist dealer or local authority.
This appliance is labelled in accordance with European Directive
2012/19/EU concerning used electrical and electronic appliances (waste electrical and electronic equipment WEEE).
The guideline determines the framework for the return and recycling of used appliances as applicable throughout the EU.
Thank you for buying a Bosch Home Appliance!
Register your new device on MyBosch now and profit directly from:
- Expert tips & tricks for your appliance
- Warranty extension options
- Discounts for accessories & spare-parts
- Digital manual and all appliance data at hand
- Easy access to Bosch Home Appliances Service
Free and easy registration – also on mobile phones: www.bosch-home.com/welcome
Looking for help?
You’ll find it here.
Expert advice for your Bosch home appliances, help with problems or a repair from Bosch experts.
Find out everything about the many ways Bosch can support you: www.bosch-home.com/service
Contact data of all countries are listed in the attached service directory.
BSH Hausgeräte GmbH
Carl-Wery-Straße 34
81739 München, GERMANY
www.bosch-home.com
A Bosch Company







The position of the brackets depends on the worktop thickness.
Never remove the sealing ring. The sealing rings prevent liquids and dirt from finding their way into the appliance and impairing its ability to function properly.
Ensure that the nozzle does not become detached during removal or fastening.





















