
User manual
This instruction manual contains information and instructions to enable the user to work safely, correctly and economically on the unit. Understanding and adhering to the manual can help one:
- Avoid any dangers.
- Reduce repair costs and stoppages.
- Extend and improve the reliability and working life of the unit.
PLEASE ENSURE TO USE THE RIGHT VERSION OF THE INSTRUCTION MANUAL SUITABLE FOR YOUR UNIT.
Intended use
The unit is to be used exclusively for the dissipation of heat from control cabinets and enclosures (stationary, not moving) in order to protect temperature-sensitive components in an industrial environment. To meet the conditions of use, all the information and instructions in the instruction manual must be adhered to.
General danger
Indicates compulsory safety regulations which are not covered by a specific pictogram such as one of the following.
High electric voltage
Indicates electric shock danger.
Important safety instruction
Indicates instructions for safe maintenance and operation of the unit.
Attention
Indicates possible burns from hot components.
Attention
Indicates possible damage to the unit.
Instruction
Indicates possible danger to the environment.
Legal regulations
Liability
The information, data and instructions contained in this instruction manual are current at the time of going to press. We reserve the right to make technical changes to the unit n the course of its development. Therefore, no claims can be accepted for previously delivered units based on the information, diagrams or descriptions contained in this manual. No liability can be accepted for damage and production caused by:
- Disregarding the instruction manual
- Operating error
- Inappropriate work on or with the unit
- The use of non-specified spare parts and accessories
- Unauthorized modifications or changes to the unit by the user or his personnel
The supplier is only liable for errors and omissions as outlined in the guarantee conditions contained in the main contractual agreement. Claims for damages on any rounds are excluded.
Safety instructions
Upon delivery, the unit is already meeting current technical standards and can therefore be safely taken into operation. Only authorized personnel is allowed to work on the unit. Unauthorized personnel must be prohibited from working on the unit. Operating personnel must inform their superiors immediately of any malfunction of the unit.
Please note that before starting to work on or with the unit, a procedure must be carried out inside the cabinet on which the unit is to be mounted. Before commencing work inside the cabinet, the control cabinet manufacturer’s instructions must be read with regards to:
- Safety instructions.
- Instructions on taking the cabinet out of operation.
- Instructions on the prevention of unauthorized cabinet reconnection.
The electric equipment meets the valid safety regulations. One can find dangerous voltages (above 50 V AC or above 100 V DC)
- Behind the control cabinet doors.
- On the power supply in the unit housing.
The unit has to be operated according to the type plate and the wiring diagram and must be protected externally from overloading and electrical faults via suitable protective devices.
Danger through incorrect work on the unit
The unit can only be installed and maintained by technically competent and qualified personnel, using only supplied material according to the supplied instructions. Danger from electrical voltage
Only specialized personnel are allowed to maintain and clean the unit. The person must ensure that for the duration of the maintenance and cleaning, the unit is disconnected from the electrical supply.
Attention
Damage to the unit through the use of inappropriate cleaning materials. Please do not use aggressive cleaning material.
Instruction
Damage to the environment through unauthorized disposal. All spare parts and associated materials must be disposed of according to environmental laws.
Settings
Peltier cooling units are intended to be used as a complementary accessory to larger industrial equipment. They are used where heat needs to be dissipated from electrical control cabinets or similar enclosures in order to protect heat-sensitive components. Peltier cooling units can dissipate heat from sealed enclosures such as control cabinets. At the same time, they can reduce the cabinet internal temperature to below the ambient air temperature. They are available in powder-coated sheet steel or stainless steel housings. Peltier units have additional heating functions by changing the supply polarity of the thermoelectric elements. This is possible by using a combination of thermostats or having a specific polarity controller. Peltier air conditioners are resistant to extreme ambient conditions and can operate effectively even in environments that are dusty and oily and where temperatures may vary from -20°C to +65°C. For the cooling capacities and environmental ratings please refer to the type plate data.
Functional principle
The thermoelectric elements create a temperature difference between the internal and ambient heat sinks, making internal air cooler while dissipating heat into the external environment. Fans help the transfer of convective heat from the heat sinks, which are optimized for maximum flow. Peltier units be mounted in any position because these units don’t have a compressor and no moving parts.
- Ambient fans
- Ambient heat sinks
- Thermoelectric elements
- Insulation
- Internal heat sink
- Internal fan

Technical data
| Order Number | 6805303 |
| Cooling capacity L35L35 | 800 W |
| Operating Temperature Range | -20°C – 65°C |
| Air flow volume (system / unimpeded) | Ambient air circuit: 480 / 650 rn3/h |
| Mounting | Cabinet air circuit: 480 / 650 m3/1-1 |
| Recessed | |
| Housing Material | Stainless steel AISI 304 (V2A) |
| Dimensions A x B x C (D+E) | 972 x 514 x 211 (136.5+74,5) mm |
| Weight | |
| 66 kg | |
| Cut out dimensions | 464 x 922 mm |
| Voltage / Frequency | 120 – 230 V – 50/60 Hz |
| Current L35L35 8.2 A @ 120 V | 4.3 A @ 230 V |
| Starting current | 14 A @ 120 V 8A @ 230 V |
| Max. current 9 A @ 120 V | 4.7 A p 230 V |
| Nominal power L35L35 | 979 W |
| Max. power | 1078 W |
| Fuse | 13 A (T) @ 120 V 7 A (T) @ 230 V |
| Connection | 8-Pole Connector |
| Ingress Protection | IP 66 / UL Type 12, 4, 4X |
| Approvals | CE, cURus |
Performance graph

Mounting
Always switch off power supply before starting any work on the unit.
Installation
Ensure that flows of air leaving and entering the cooling unit, internal and external, are not obstructed. Before drilling the enclosure, ensure the fixing elements and couplings ill ot interfere with the equipment inside the enclosure itself. When all mounting preparations are complete the actual mounting operation can commence. Only use the closed material to mount the unit on the cabinet. Proceed as follows to mount the unit on the cabinet:
- Set the unit up on the cabinet.
- Ensure that the electrical connection is above the internal fan.
- Unit without duct: screw the M6 locknuts & washers into the M6 set screws in the unit.
- Unit with duct: screw the M6 screws & washers into the M6 threaded rivets in the unit.
The resistance of the earth connection between cabinet and cooling unit must be <0.1Ω.
Condensate management
Depending on the mounting situation the condensation management may need to be considered and possibly adjusted.
Mounting Principle
In order to maintain the TYPE 4X rating, the tightening torque for this unit should be 4.5 Nm and needs to follow the below sequence.
Cut Out Dimension
Dimension (H x W x D)
Electrical Connection
High electric voltage present. Installation, maintenance, cleaning and any other work must be carried out by qualified personnel only. The personnel must ensure that for the uration of this work the unit and the cabinet are disconnected from the electrical supply and protected against unauthorised/accidental reconnection.
Instruction: Check that the available voltage, frequency and fuse rating are the same as those stated on the unit data label.
Connection to the main electricity supply
The mains connection is made via a cable. To connect the unit to the mains supply proceed as follows:
- Disconnect the control cabinet from the mains.
- See the connection details on the circuit diagram.
- Note the connections on the eight pole connector from the following diagram.

Terminal 230 V~ 50/60 Hz 1 Live 2 Neutral 3 Protective Earth - Connect the unit to the mains.
- Take the control cabinet back into operation in the prescribed manner.
Power consumption and start-up current are stated on the data label and under technical data.
Controller
The display shows the temperature in the range of -50°C to +150°C (-58°F to +302°F). The temperature is displayed with resolution of tenths between -19.9°C and +99.9°C (-3.8°F to +211.8°F). During programming, it shows the codes and values of the parameters. The display also shows icons according to occurring events.
Display icons
| Icon | Function | Description |
| 1 | Cooling relay active | Flashes when activation |
| 2 | Alarm relay active | is delayed or inhibited by |
| 3 | Heating relay active | protection times, external |
| 4 | Ambient blower relay active | disabling or other procedures |
| Alarm | Flashes when alarms are active | |
| Cooling mode | Signal operation of unit in cooling mode | |
| TEST | Test mode in progress | Activated only by manual procedure |
Programming
The operating parameters can be modified using the front keypad. Access differs depending on the type of parameter. Access to configuration parameters is protected by a password that prevents unwanted modifications or access by unauthorised persons. Setting cooling set point, St1:
- Press “SET” and display should show St1 and then the pre-set value of St1. (default: +35°C / +95°F)
- Reach the desired value by using ▲ or ▼.
- Press “SET” again to save the new value of St1.
Setting temperature units (°C / °F), low temperature alarm and high temperature alarm:
- Press “PRG” button for 5 seconds to reach the modifiable parameter list.
- Use ▲ or ▼ to reach the desired parameter:
• C18 for temperature unit of measure
• °C = 0
• °F = 1
• P25 for low temperature alarm threshold (default -10°C / +14°F)
• P26 for high temperature alarm threshold (default +55°C / +131°F) - Press “SET” on the desired parameter to display the current value.
- Use ▲ or ▼ to reach the desired value.
- Pressing “SET” temporarily saves the new value and returns to the parameters list.
- Repeat steps 2-5 to set other parameters.
- Press “PRG” for 5 seconds to permanently save the new values.
Set Point Parameter Default Range Cooling St1 35°C / 95°F 20°C – 50°C / 68°F -122°F Low-Temperature Alarm P25 -10°C / 14°F -50°C – P26 / -58°F – P26 High-Temperature Alarm P26 55°C / 131°F P25 – 150°C / P25 – 302°F Test function
Different test functions can be used depending on the combination of keys pressed. Such tests run for the duration of 4 minutes.
“SET+▲” tests cooling relays
“SET+▼” tests alarm relays
Important Notes
- Whilst programming, if no button is pressed for 10 seconds, the display starts flashing, and after 1 minute returns to the main display without saving changes.
- To increase scrolling speed, press and hold the ▲ or ▼ button for at least 5 seconds.
- When pressing “PRG” for 3 seconds, the firmware revision code is displayed for 2 seconds.
- When cleaning the controller panel, do not use ethanol, hydrocarbons, ammonia, or their by-products. Use neutral detergents and water.
The hysteresis is 5K, the minimum ON-time is 0s, and the minimum OFF-time is 0s.
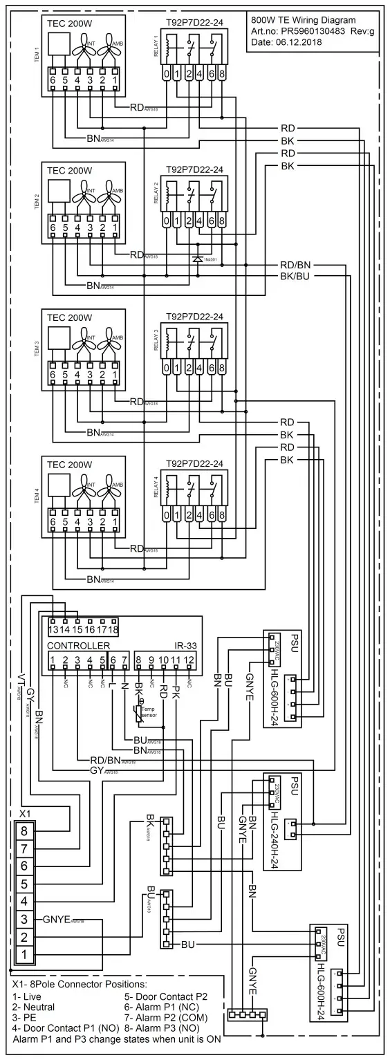
Wiring Diagram

Taking into Operation
The power supply rating on the rating plate must comply with mains supply
Always disconnect the power supply before opening the unit.
Heat load to be dissipated from the enclosure should not exceed the specific cooling output of the unit at any condition.
While selecting a cooling unit always cater for a safety margin of at least 15% extra cooling output.
The Peltier – elements should be controlled by a suitable thermostat. Models TG 6XXX with 100 – 230 V supply have already a controller integrated.
Trouble Shooting
In case of a fault please contact your nearest servicing office. A list of service partners can be found on our website www.seifertsystems.com
Maintenance & Cleaning
Always switch off the power supply before starting any work on the unit. Only qualified personnel may conduct any maintenance work on the cooling unit.
All Peltier units are virtually maintenance-free and no filters which need to be cleaned or replaced. Check the ambient heat sinks from time to time. In case they are dirty proceed as follows:
- Disconnect the enclosure from the mains.
- Clean the heat sink profile as required by blowing it out with compressed air.
- In cases of extreme pollution, wet cleaning is required.
The unit must be removed from the control cabinet for wet cleaning
Should a wet cleaning be necessary proceed as follows:
- Disconnect the whole plant from the mains.
- Remove the unit from the cabinet.
- Ensure that the seals are not damaged.
- Wash the heat sink with an environmentally safe cleaning fluid.
Danger to the environment through unauthorized disposal.
Disposal
Dispose of cooling unit and used parts with due regard for the environment and in accordance with environmental laws and regulations.
Maintenance
Note: Only use original replacement parts when repairing the unit. This ensures that the unit functions perfectly and remains safe.
Fan replacement: The average working life of the fan is ca. 40,000 hours under normal conditions.
Should a fan replacement be necessary proceed as following:
- Disconnect the unit from the mains.
- Remove the unit cover.
- Remove the screws from the relevant fan.
- Mount a new fan. Mount a new fan.
Damage to the unit through incorrect work.
Make sure that the cabinet fan or the ambient fan are not misplaced in the unit as they are different. Ensure that the correct polarity is maintained. - Replace the 4 fan fixing screws.
- Close the unit and take it back into operation.
Transport & Storage
During transport and storage, the cooling unit must be kept in the position marked on the box and at a temperature between -40˚C and 70˚C and a relative humidity of max. 95% (at 25°C). In case of damaged packaging after transport or in-house handling, we recommend controlling the unit for any internal damages.
Parts supplied / Spare parts / Accessories
| Description | QTY | Image |
| Instruction manual | 1 | |
| CE Declaration | 1 | |
| Mounting template | 1 | |
| Screws M6*16 | 12 | ![]() |
| Toothed washer M6 A2 | 12 | ![]() |
| Washer A2 | 12 | ![]() |
| Lifting hook M18 x 12 | 1 | ![]() |
| PVC washer | 1 | ![]() |
| Female connector | 1 | ![]() |
| Accessories: | ||
| Description | Order no. | |
| Condensate Kit 6805 | 1006303 | |
Seifert Systems Inc.
75 Circuit Drive
North Kingstown
RI 02852
USA
Tel.+1 401-294-6960
[email protected]
Seifert Systems Pty Ltd.
105 Lewis Road
Wantirna South
3152 Victoria
Australia
[email protected]
Tel.+61 3 98 01 19 06


























