ELEMENT READY SPEAKERS![]()
M2-65 M2-65B M2-8 M2-8B M2-8H
M2-8HB M2-10H M2-10HB M2-TS
Installation & Operation
Dear Customer,
Congratulations on your purchase of the world’s finest brand of audio products. At Rockford Fosgate, we are fanatics about musical reproduction at its best, and we are pleased you chose our product. Through years of engineering expertise, hand craftsmanship, and critical testing procedures, we have created a wide range of products that reproduce music with all the clarity and richness you deserve.
For maximum performance, we recommend you have your new Rockford Fosgate product installed by an Authorized Rockford Fosgate Dealer. Please read your warranty and retain your receipt and original carton for possible future use.
Great product and competent installations are only a piece of the puzzle when it comes to your system. Make sure that your installer is using 100% authentic installation accessories from Rockford Fosgate in your installation. Rockford Fosgate has everything from RCA cables and speaker wire to power wire and battery connectors. Insist on it! After all, your new system deserves nothing but the best.
To add the finishing touch to your new Rockford Fosgate image, order your Rockford accessories, which include everything from T-shirts to hats.
Visit our website for the latest information on all Rockford products; www.rockfordfosgate.com
or, in the U.S. call 1-800-669-9899. For all other countries, call
+001-480-967-3565.
If, after reading your manual, you still have questions regarding this product, we recommend that you see your Rockford Fosgate dealer. If you need further assistance, you can call us direct at 1-800-669-9899. Be sure to have your serial number, model number, and date of purchase available when you call.
Safety
This symbol with “WARNING” is intended to alert the user to the _&. WARNING presence of important instructions. Failure to heed the instructions could result in severe injury or death.
PRACTICE SAFE SOUND
Continuous exposure to sound pressure levels over 100dB may cause permanent hearing loss. High-powered auto sound systems may produce sound pressure levels well over 130dB. Use common sense and practice safe sound.
CAUTION
This symbol with “CAUTION” is intended to alert the user to the presence of important instructions.
Failure to heed the instructions could result in injury or unit damage.
To prevent injury and damage to the unit, please read and follow the instructions in this manual.
If you feel unsure about installing this system yourself, have it installed by a qualified Rockford Fosgate technician.
Before installation, disconnect the battery negative (-) terminal to prevent damage to the unit, fire and/or possible injury.
Specifications
| Model | M2-65 M2-65B | M2-8 M2-8B | M2-8H M2-8HB | M2-10H M2-10HB | M2-TS |
| Nominal Size – inch (mm) | 6.5” (165mm) | 8” (203mm) | 8” (203mm) | 10” (254mm) | 1” (25.4mm) |
| Description | 2-Way | 2-Way | 2-Way | 2-Way | 1-Way |
| Nominal Impedance (Ohms) | 4Ω | 4Ω | 4Ω | 4Ω | 4Ω |
| Frequency Response (Hz) | 40-24kHz | 35-24kHz | 20-25kHz | 20-25kHz | 1425-25kHz |
| Power Handling – Watts (RMS/Peak) | 150/600 | 250/1000 | 300/1200 | 300/1200 | 200/800 |
| Sensitivity (2.83V/1M) | 91.8dB | 93.1dB | 94dB | 97dB | 97dB |
| Grille/Trim Ring | YES | YES | YES | YES | Integrated |
| LED Current Draw | .25 Amps | .25 Amps | .25 Amps | .25 Amps | N/A |
| Recommended Fused Rating | 1 Amp | 1 Amp | 1 Amp | 1 Amp | N/A |
| LED Voltage Range | 9-16 Volts | 9-16 Volts | 9-16 Volts | 9-16 Volts | N/A |
* Rockford Fosgate determines its rated frequency response range at -6 dB below its nominal sensitivity at upper and lower extents of a speaker’s output.
VERIFIED WITH KLIPPEL
Ta adorns the ‘Verified with Klippel’ mark, the qualifying company’s loudspeaker engineering personnel must be trained and certified by Klippel prior ta using the three separate Klippel systems to design, develop and test. Rockford Fosgate has made the investment in Klippel to deliver the best possible speakers and subwoofers to their customers.
Diagrams
| Model | M2-65 M2-65B | M2-8 M2-8B | M2-8H M2-8HB | M2-10H M2-10HB |
| Overall Diameter (A) | 7.05” (179.12mm) | 9.07” (230.4mm) | 9.07” (230.4mm) | 11.53” (292.8mm) |
| Screw Mounting Diameter (B) | 6.12” (155.5mm) | 7.76” (197mm) | 7.76” (197mm) | 10.08” (256mm) |
| Mounting Screw Angle (C) | 6@60° | 6@60° | 6@60° | 6@60° |
| Overall Height (D) | 3.54” (90mm) | 4.58” (116.4mm) | 4.58” (116.4mm) | 5.97” (151.5mm) |
| Mounting Depth (E) | 2.49” (63.2mm) | 3.35” (85mm) | 3.35” (85mm) | 4.66” (118.4mm) |
| Cut-out Diameter (F) | 5.36” (136.2mm) | 7.05” (179.1mm) | 7.05” (179.1mm) | 9.25” (234.8mm) |
| Grill Height (G) | 1.03” (26.1mm) | 1.23” (31.4mm) | 1.23” (31.4mm) | 1.30” (33.1mm) |

COLOR OPT/XT”‘ Wiring
COLOR OPTIXT”‘ Wiring Precautions
Do not connect to 24 Volt electrical systems
We recommend only using the COLOR OPTIX”‘ wiring chart or connecting to the PMX-RGB. Connecting any other way could cause damage to the speakers or the device you have connected to.
We recommend installing a fuse (not included) on the Yellow 12 Volt wire whenever you are NOT using the PMX RGB. See COLOR OPTIX”‘ wiring chart for wiring options.
Rockford recommends a minimum of 20 gauge wire when hard wiring your COLOR OPTIX”‘ speakers.
Never wire the COLOR OPTIX”‘ lights directly to 12 volts.
Utilize either the PMX-RGB or a toggle switch ( not included) connected to a fused 12-volt power supply. Refer to the specifications to determine the size of the fuse (not included) needed
| COLOR OPTIX™ WIRING OPTIONS | |
| LED OUTPUT COLOR | CONNECT THIS COLOR WIRE TO GROUND |
| RED | RED |
| GREEN | GREEN |
| BLUE | BLUE |
| YELLOW | RED & GREEN |
| PINK | RED & BLUE |
| AQUA | GREEN & BLUE |
| WHITE | RED, GREEN & BLUE |
| Connect colored wires on right to make output color on left. Connect all Yellow wires together to switched 12 Volts. See Wiring Precautions. | |
COLOR OPTIX™ Pin Out (wire side)

- RED (Ground Input)
- Yellow (12V + Input)
- Blue (Ground Input)
- Green (Ground Input)
Included with speakers
The connector is DEUTSCH ™/Amphenol style DT06-4S
SPEAKER Wiring
There are (2) different options for wiring your speakers.
Use the included spade connectors (included) as seen in illustra on 3.1
You can also utilize the DEUTSCH™/Ampaenol connector (not included) input next to the COLOR OPTJX™ connector.
COLOR OPT/X™ Connector


Speaker Pin Out (wire side)
1- RED- Positive Speaker Input
2 – BLACK – Negative Speaker Input
NOT included with speakers
The connector is DEUTSCH™ style DT06-2S
Contents
(1) Pair Marine Grade Speakers
(1) Pair Removable Marine Grade Sport Grills
(1) Pair of Stainless Steel Grill Inserts
(13) Socket head stainless screws
(2) Socket head driver bit
(2) RGB Harness
(1) PairofM2-TS Tweeters (M2-TS ONLY)
(1) Pair External lBdB/Oct Crossover(M2-TS ONLY)
(1) Pair Flush Mount Clamps(M2-TS ONLY)
(1) Pair Horn Loading Mounting Flange w/ O-rings(M2-TS
ONLY)
Installation Considerations
Before beginning any installation, follow these simple rules:
Be sure to carefully read and understand the instructions before attempting to install these speakers.
For easier assembly, we suggest you run all wires prior to mounting your speakers in place.
Use high-quality connectors for a reliable installation and to minimize signal or power loss.
Think before you drill! Be careful not to cut or drill into gas tanks, fuel lines, brake or hydraulic lines, vacuum lines or electrical wiring when working on any vehicle. If installing in a boat, take care not to cut or drill through the main hull.
Never run wires underneath the vehicle. Running the wires inside the vehicle or hull area provides the best protection.
Avoid running wires over or through sharp edges. Use rubber or plastic grommets to protect any wires routed through metal, especially the firewall.
Mounting
Determine where the speakers will be mounted. Ensure an area large enough for the speaker to mount evenly. Be sure that the mounting location is deep enough for the speaker to fit; if mounting in a door, operate all functions (windows, locks, etc.) through their entire operating range to ensure there is no obstruction.
Refer to the specification chart to determine the proper diameter hole to cut for your speaker model. Cutting and mounting templates can be found at www.rockfordfosgate.com.
Mark the locations for the mounting screws. Drill the holes with a 1/8″ bit.
Feed the speaker wires through the cutout and connect to the speaker terminals. Be sure to observe proper polarity when connecting the wires. The speaker’s positive terminal is indicated with a “+”.
Fit the trim ring over the speaker and mount it into place using the four (4) screws that are provided. Tighten the screws until the speaker is snug in place to prevent rattling. Do not over-tighten the screws.
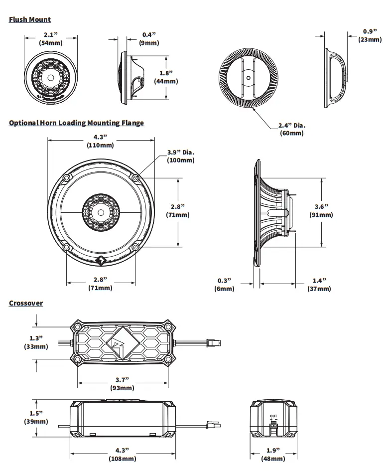
Mounting (M2-TS ONLY)
Flush Mount Option
Determine where the tweeter will be mounted. Ensure an area large enough for the tweeter to mount evenly. Be sure that the mounting location is deep enough for the tweeter to fit; if mounting in a door, operate all functions (windows, locks, etc.) through their entire operating range to ensure there is no obstruction.
Mark the location for the mounting hole. Drill the hole with a standard 1.75-inch (45mm) hole saw.
With a single center screw secure the inner cup from the front of the door panel to the outer cup from back of the door panel. Tighten the screw until balanced pressure is
applied to both faces of the mounting surface.
Feed the speaker wires through the cutout. Be sure to observe proper polarity when connecting the wires. The speaker’s lead wires are indicated with a WHITE wire”+” and a BLACK wire”-“.
Simply snap the tweeter into place and secure with a snap-on trim ring. Removal is easy if needed. The protective grille on the tweeter is non-removable and an integral part of the design.
Optional Horn Loading Mounting
Determine where the tweeter will be mounted. Ensure an area large enough for the speaker to mount evenly. Be sure that the mounting location is deep enough for the speaker to fit; if mounting in a door, operate all functions (windows, locks, etc.) through their entire operating range to ensure there is no obstruction. Mark the location for the mounting hole.
Cut or use a hole saw to drill a 3-5/8″ (91mm) hole for the flange to fit.
Once you have the hole cut, insert the flange and mark the locations for the mounting screws. Predrill your mounting screw holes.
Assemble the horn flange, o-ring, tweeter and retaining ring together. Pay close attention to the alignment tab on both the tweeter and flange. These need to be lined up for proper tweeter orientation in the flange.
Feed the speaker wires through the cutout. Be sure to observe proper polarity when connecting the wires. The speaker’s lead wires are indicated with a WHITE wire “+” and a BLACK wire “-“.
Secure the flange with the included stainless steel mounting hardware.

Add On M2T-S Tweeter with M2 Speaker

Individual Tweeter

Warranty
Rockford Corporation offers a limited warranty on Rockford Fosgate products on the following terms:
Length of Warranty
POWER Amplifiers – 2 Years
BMW® Direct Fit Speakers – 2 Years
PUNCH ® & PRIME® Amplifiers -1 Year
Speakers, Signal Processors, Accessories, and Capacitors -1 Year
All marine, motorcycle, and motorsport products – 2 Years
Any Factory Refurbished Product- 90 Days (receipt required)
What is Covered
This warranty applies only to Rockford Fosgate products sold to consumers by authorized Rockford Fosgate dealers in the United States of America. Products purchased by consumers from an Authorized Rockford Fosgate Dealer in another country are covered only by that country’s Distributor and not by Rockford Corporation.
Who is Covered
This warranty covers only the original purchaser of Rockford products purchased from an authorized Rockford Fosgate dealer in the United States. In order to receive service, the purchaser must provide Rockford with a copy of the receipt stating the customer name, dealer name, product purchased, and date of purchase.
Products found to be defective during the warranty period will be repaired or replaced (with a product deemed to be equivalent) at Rockford’s discretion.
What is Not Covered
Damage caused by accident, abuse, improper installation, operations, theft, or water (on non-Element Ready products).
Any cost or expense related to the removal or reinstallation of the product.
Service performed by anyone other than Rockford or an Authorized Rockford Fosgate service center.
Any product which has had the serial number defaced, altered, or removed.
Subsequent damage to other components.
Any product purchased outside the U.S.
Any product not purchased from an authorized Rockford Fosgate dealer. Refer to rockfordfosgate.com dealer locator for more detail.
Limit on Implied Warranties
Any implied warranties including warranties of fitness for use and merchantability are limited in duration to the period of the express warranty set forth above. Some states do not allow /imitations on the length of an implied warranty, so this limitation may not apply.
No person is authorized to assume for Rockford Fosgate any other liability in connection with the sale of the product.
How to Obtain Service
Please call 1-800-669-9899 for Rockford Customer Service. You must obtain an RA# (Return Authorization number) to return any prod uct to Rockford Fosgate. You are responsible for the shipment of the product to Rockford.
EU Warranty
This product meets the current EU warranty requirements, see your Authorized dealer for details.
Installation assistance available at:
www.rockfordfosgate.com/rftech
600 South Rockford Drive• Tempe, Arizona 85281 United States
Direct: (480) 967-3565 • Toll Free: (800) 669-9899
rockfordfosgate.com






















