
PowerMax
High Performance Vacuum
Maintenance Guide
PowerMax High Performance Vacuum
To ensure years of reliable service, follow the maintenance schedule outlined in this guide. If service is required, contact your authorized Midmark dealer.
Dealer (name / phone):
_______________________________
Model Number: __________________
Serial Number: ___________________
Date of Purchase: _________________
Annual Maintenance Log
Date: __________________________
Services Performed: _______________
Technician: _____________________
Daily
A. Replace Collection Canister
Midmark collection canisters are designed for single patient use only. Refer to collection canister manufacturer directions for replacement.
Bi-Annually
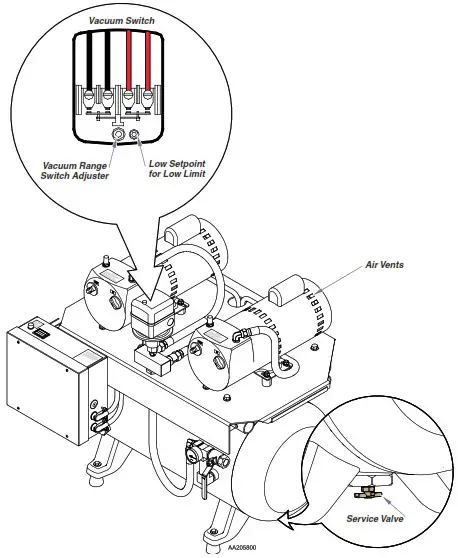
A. Clean Air Vents on Motors
Disconnect power. Wipe with a clean cloth to remove dust and debris.
Annually
A. Replace Vacuum Filter
Procedure is located in this guide.
B. Drain Moisture from Tank
Open service valve to drain any accumulated moisture in tank.
As Necessary
A. Vacuum Pump Flushing
Vacuum pump(s) can be flushed to remove deposits which build up on the pump vanes over time. Removal of these deposits will help to maintain proper vane performance. Contact Midmark Service Technician.B. Adjust Vacuum Setpoints
Adjust vacuum setpoints at initial setup or when needed. Procedure is located in this guide.
Low Setpoint..
Adjust Low Limit if system didn’t turn on at 13″Hg.
- Clockwise will decrease reading.
- Counter Clockwise will increase reading.
Vacuum Range..
Adjust vacuum range if system didn’t shut off at 20″Hg.
- Clockwise will decrease reading.
- Counter Clockwise will increase reading.
Maintenance Kits
Vacuum Filter
Order #: 77000796
Includes:
• 1 Filter (Order 2 per Head)
Flushing Solvent
Order #: 77000699
Accessories
Exhaust (PM-1 and PM-3)
Order #: 77000894 (PM-4)
Order #: 77000895
Includes:
Exhaust kit to vent PowerMax to the outside.
Surgical Operatory Recovery Room Package Order #: 77008037
Includes:
- Pkg of 5 Disposable Canisters (1200 cc)
- DISS Free Flow Regulator
- Outlet Station: Vacuum DISS
- Conductive Tubing – 6′
- Vacuum Slide and Ring
- Replacement Elbow
Disposable Canisters (1200 cc) Order #: 002-1882-00
Includes:
- Pkg of 5 Canisters
Filter Replacement
- Shut off power at supply box.
- Vent tank by closing ball valve and opening service valve.
- Allow pump(s) to cool.
- Unscrew end cap from pump(s).
- Remove filter(s) and o-ring(s).
- Replace with new filter(s) and o-ring(s).

Midmark Warranty
SCOPE OF WARRANTY
Midmark Corporation (“Midmark”) warrants to the original retail purchaser that it will at Midmark’s option repair or replace components of the dental products manufactured by Midmark (except for components not warranted under “Exclusions”) that are defective in material or workmanship under normal use and service. Midmark’s obligation under this limited warranty is limited to the repair or replacement of the applicable components. This limited warranty shall only apply to defects that are reported to Midmark within the applicable warranty period and which, upon examination by Midmark, prove to be defective. This warranty extends only to the first retail purchaser of a product through an authorized Midmark distributor and is not transferable or assignable. Replacement components or products may be used and/or refurbished components or products, provided they are of like quality and specifications as new components or products. Midmark warrants to the original retail purchaser that it will repair or replace software contained within the products manufactured by Midmark (except for those not warranted under “Exclusions”) if: (1) the media on which the software is furnished exhibits defects in material or workmanship under normal use; or (2) the software does not substantially conform to its published specifications.
APPLICABLE WARRANTY PERIOD
Effective March 1, 2018, these applicable warranty periods, measured from the date of invoice to the original user, shall be as follows:
- PowerMax High Performance Vacuum: Two (2) years.
OBTAINING WARRANTY SERVICE
Warranty service must be obtained through either Midmark or an authorized dealer in the Midmark product line for which warranty service is requested. Midmark may be contacted for warranty service inquiries or issues via email at www. midmark.com, by mail to Midmark Corporation, 60 Vista Drive, Versailles, Ohio 45380, or by phone at: 1.800.MIDMARK. It is the retail purchaser’s obligation to arrange for delivery of a product to Midmark or one of its authorized dealers for warranty service, which delivery shall be at retail purchaser’s expense. It is also the retail purchaser’s obligation to comply with the warranty service instructions provided either by Midmark or its authorized dealer. The retail purchaser must provide Midmark with completed warranty registration information within 30 days after purchase in order to obtain the benefits of this limited warranty.
EXCLUSIONS
This limited warranty does not cover and Midmark shall not be liable for the following;
- defects, damage or other conditions caused, in whole or in part, by misuse, abuse, negligence, alteration, accident, freight damage, negligent storage, tampering or failure to seek and obtain repair or replacement in a timely manner;
- products which are not installed, used, and properly cleaned and maintained as required or recommended in the Midmark “Installation” and/or “Installation/Operation Manual” for the applicable product, including the specified structural and operational environment conditions and electrical power requirements;
- products considered to be of a consumable or sterile nature;
- accessories or parts not manufactured by Midmark;
- charges by anyone for adjustments, repairs, replacement parts, installation or other work performed upon or in connection with such products which are not expressly authorized in writing in advance by Midmark;
- costs and expenses of routine maintenance and cleaning;
- representations and warranties made by any person or entity other than Midmark;
- matching of color, grain or texture except to commercially acceptable standards;
- changes in color caused by natural or artificial light;
- custom manufactured products;
- alterations or modifications to the product by any person or entity other than Midmark; and
- products that would otherwise be covered under Sections 1 and 2 of this limited warranty, but are acquired:
(i) from a person or entity that is not Midmark or one of its authorized dealers; or
(ii) from a Midmark dealer that is not authorized to sell the product at issue in the geographic territory where the purchaser is located, or is not authorized to sell the product at issue within the medical, animal health or dental market, as the case may be, in which purchaser intends to use the product.
SOFTWARE
With respect to software that is a product or component thereof, Midmark does not warrant that the software: (1) is error free; (2) can be used without problems or interruptions; or (3) is free from vulnerability to intrusion or attack by viruses or other methods.
EXCLUSIVE REMEDY; CONSEQUENTIAL DAMAGES DISCLAIMER
Midmark’s only obligation under this limited warranty is the repair or replacement of defective parts. Midmark shall not be liable for and hereby disclaims any direct, special, indirect, incidental, exemplary or consequential damages or delays, including, but not limited to, damages for loss of profits or income, loss of use, downtime, cover and employee or independent contractor wages, payments and benefits.
WARRANTY DISCLAIMER
This limited warranty is Midmark’s only warranty and is in lieu of all other warranties, express or implied. Midmark makes no implied warranties of any kind including any implied warranties of merchantability or fitness for a particular purpose. This warranty is limited to the repair or replacement of defective parts.
STATUTE OF LIMITATIONS
No action may be brought against Midmark for breach of this limited warranty, or implied warranty, if any, or for any other claim arising out of or relating to the products, more than 90 days following expiration of the limited warranty period.
NO AUTHORIZATION
No person or firm is authorized to create for Midmark any other obligation or liability in connection with the products
https://www.midmark.com/warranty-information
Midmark Corporation
60 Vista Drive
Versailles, OH 45380 USA
1.800.643.6275
1.937.526.3662
midmark.com
© Midmark Corporation 2007
10542100 Rev. AA1 (8/9/22)





















