Simplebus 2 Mixer/Power Supply Unit
Art. 4888C
Instruction Manual
4888C Simplebus 2 Mixer, Power Supply Unit

Warning
Intended use
This Comelit product has been designed and manufactured for use in the creation of audio and video communication systems in residential, commercial, industrial and public buildings.
Installation
All activities connected to the installation of Comelit products must be carried out by qualified technical personnel, with careful observation of the indications provided in the Manuals / Instruction sheets supplied with those products.
Wires
Disconnect the power supply before carrying out any operations on the wiring.
Use wires with a cross-section suited to the distances involved, observing the instructions provided in the system manual.
We advise against running the system wires through the same duct as power cables (230V or higher).
Safe usage
To ensure Comelit products are used safely:
- carefully observe the indications provided in the Manuals / Instruction sheets,
- make sure the system created using Comelit products has not been tampered with / damaged.
Service
Comelit products do not require maintenance aside from routine cleaning, which should be carried out in accordance with the indications provided in the Manuals / Instruction sheets.
Any repairs must be carried out:
- for the products themselves, exclusively by Comelit Group S.p.A.,
- for the systems, by qualified technical personnel.
Disclaimer
Comelit Group S.p.A. does not assume any responsibility for
- any purpose other than the intended use,
- non-observance of the indications and warnings contained in this Manual / Instruction sheet.
Comelit Group S.p.A. reserves the right to change the information provided in this Manual / Instruction Sheet at any time and without prior notice.
Directives/standards
- The manufacturer, Comelit Group S.p.A., hereby declares that the equipment art. 4888C conforms to directives 2014/30/ EU and 2014/35/EU. The full EU conformity declaration is available at the following web address: https://pro.comelitgroup.com/en-gb/product/4888c
- This product falls within the scope of European product directive 2012/19/UE concerning the management of waste electrical and electronic equipment (WEEE). The device should not be disposed of as unsorted domestic waste as it consists of various materials which can be recycled at relevant premises. Contact your local authority to find out the location of the environmental companies best suited to receiving the product for disposal and subsequent proper recycling. The product is not potentially harmful to human health, as it does not contain toxic substances as specified in Directive 2011/65/EU (RoHS), but if abandoned in the natural environment may negatively impact the ecosystem. Read the instructions carefully before using the product for the first time. We advise against using the product for any purpose other than its intended use, as improper use may present the risk of electric shocks.
This symbol on the product label indicates that the product complies with the standards concerning waste electrical and electronic equipment. Improper use of the equipment, or abandoning it in the natural environment, may be punished by law.
Description
Power supply unit for audio or audio/video systems with 1 input compatible with all outdoor entrance panels featuring Simplebus 1 technology and 4 outputs for the connection of up to 100 devices such as door-entry phones and door entry monitors featuring Simplebus 2 technology.
It is equipped with an LED to signal any short-circuits detected on the lines and an AC output facility for powering additional devices such as switching devices art. 1224A, 1424 and/or actuator relay art. 1256.
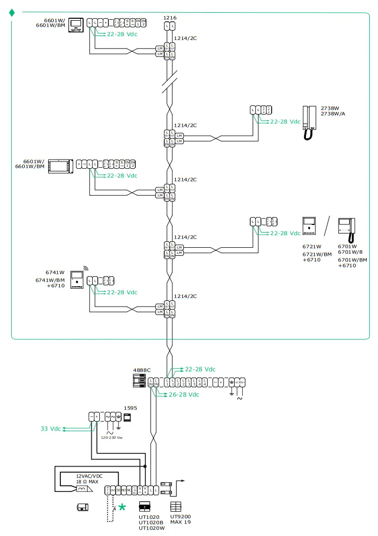
Allows intercom functions between users. Equipped with 4 line termination terminals art. 1216.
Dimensions (L x H x D): 140 x 140 x 67 mm (8 DIN modules).
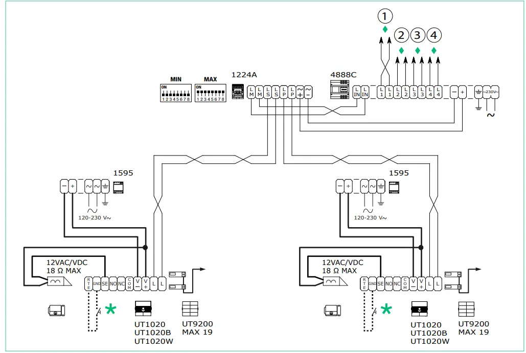
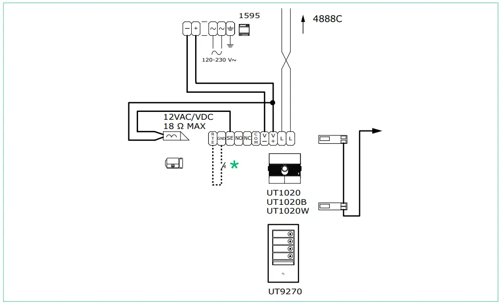
- – + 17.5 VDC (±5%)/100 mA max. Output for power supply Art. 1224A, Art. 1424 , Art. 1256.
- JP1 Jumper to be set according to the total number of users connected to the mixer/power supply Art. 4888C.
- L1 L1 riser branch output 1
L2 L2 riser branch output 2
L3 L3 riser branch output 3
L4 L4 riser branch output 4. - Terminal protection
- DL1 indicator LED.
Continuous flashing: indicates an extended short-circuit on one of the mixer outputs. - JP5 for video closure if several 4888C products are connected in cascade
- Lin Lin connection to the line originating from the external entrance panel.
- JP4 device reset.
- JP2 Jumper to be set according to the total number of users connected to the mixer/power supply Art. 4888C.
- LN ~230 V~. Mains alternating: 230 VAC (+15/-10%) 50/60 Hz/0.7 A.
terminal to be connected to the earthing system.
Specifications
| MAIN FEATURES | |
| Power supply voltage | 230 VAC / 50-60 Hz |
| Input connector | Terminal block |
| Applicable to DIN rail | Yes |
| Number of DIN modules (no.) | 8 |
| HARDWARE SPECIFICATIONS | |
| Product weight (g) | 800 |
| GENERAL DATA | |
| Height (mm) | 67 |
| Width (mm) | 140 |
| Depth (mm) | 140 |
| Coating material type Product colour | Makrolon 9425 |
| Product colour | WHITE RAL9010 |
| Operating temperature (°C) | -45 |
| Operating humidity (max. RH) (%( | 25 – 95 |
| COMPATIBILITY | |
| Simplebus 2 audio/video system | Yes |
| MOUNTING/INSTALLATION | |
| Surface mounting | Yes |
| ELECTRICAL SPECIFICATIONS | |
| Maximum current absorption (mA) | 700 |
Installation
Appliance exclusively for indoor use.
High voltage, proceed with caution.
Install inside a closed electrical panel so that it may only be accessed by authorised personnel.
A suitable omnipolar switch with a contact opening of at least 3 mm must be installed upstream of the video entry phone system.
- Disconnect the power supply before carrying out any operations on the wiring.
- Replace the protections on the terminals.
- Do not obstruct the ventilation and cooling slits or openings.
Wire ducts
- If it is necessary to run (even for short distances) sections of cable entering the mixer Art. 4888C (section SIMPLEBUS 1) through the same ducting as sections exiting the mixer Art. 4888C (section SIMPLEBUS 2), always use separate sheathed cables.
- If it is necessary to run (even for short distances) sections of cable exiting the mixer Art. 4888C (section SIMPLEBUS 2) through the same ducting, always use separate sheathed cables.
- Do not use pairs other than the specified multipolar cable
- Do not use loose cables

Connections

Programming
Configuring number of users via Jumpers JP1 AND JP2
System performance and layouts



Compatible secondary door entry monitors: 6701W (/BM), 6701W/8, 6721W (/BM), 6801W (/BM), 6601W (/BM)
Operating distances
| A MAX | B MAX | C MAX | D MAX | E MAX | F MAX | G MAX | H MAX | I MAX | Art.1216 | |
| Comelit Art. 4577/4579 1 mm² (Ø 1.2 mm AWG 17) | 200 m (650 feet) | 200 m (650 feet) | 200 m (650 feet) | 200m (650 feet) | 150 m (490 feet) | 50 m (165 feet) | 50 m (165 feet) | 100 m (330 feet) | ![]() | |
| UTP5 cat. 5 0.2 mm² (Ø 0.5 mm AWG 24) | 80 m (260 feet) | 150 m (490 feet) | 150 m (490 feet) | 150 m (490 feet) | 100 m (330 feet) | 60 m (195 feet) | ![]() | |||
| 0.28 mm² (Ø 0.6 mm AWG 23) | 100 m (330 feet) | 150 m (490 feet) | 150 m (490 feet) | 150 m (490 feet) | 100 m (330 feet) | 5 m (15 feet) | 10 m (30 feet) | 60 m (195 feet) | ![]() | |
0.5 mm² | 120 m (395 feet) | 100 m (330 feet) | 100 m (330 feet) | 100 m (330 feet) | 80 m (260 feet) | 25 m (85 feet) | 25 m (82 feet) | 60 m (195 feet) | ![]() | |
| 1 mm² (Ø 1.2 mm AWG 17) | 120 m (395 feet) | 150 m (490 feet) | 150 m (490 feet) | 150 m (490 feet) | 80 m (260 feet) | 50 m (165 feet) | 50 m (165 feet) | 60 m (195 feet) | 30 m (98 feet) | ![]() |
| 1 mm² (Ø 1.2 mm AWG 17) | 120 m (395 feet) | 80 m (260 feet) | 80 m (260 feet) | 80 m (260 feet) | 50 m (165 feet) | 50 m (165 feet) | 50 m (165 feet) | 40 m (130 feet) | ![]() | |
| 1.5 mm² (Ø 1.4 mm AWG 15) ![]() | 150 m (490 feet) | 100 m (330 feet) | 100 m (330 feet) | 100 m (330 feet) | 80 m (260 feet) | 75 m (245 feet) | 100 m (330 feet) | 60 m (195 feet) | 50 m (164 feet) | ![]() |
| 2.5 mm² (Ø 1.8 mm AWG 13) | 150 m (490 feet) | 100 m (330 feet) | 100 m (330 feet) | 100 m (330 feet) | 80 m (260 feet) | 100 m (330 feet) | 150m (490feet) | 60 m (195 feet) |
Example of maximum expansion per apartment
VIDEO ENTRY RISER

Apartment block variant with 1 to 4 risers with 2 entrance panels
Video door entry system riser (see: “VIDEO ENTRY SYSTEM RISER”)
20 m MAX. Local door-opener button.
Digital Entrance Panel Variant with Touch-screen module Art. UT9270
20 m MAX. Local door-opener button.
Digital Entrance Panel Variant with number keypad module Art. UT9279M, UT9279MB, UT9279MW and directory Art. UT9260M
20 m MAX. Local door-opener button.
For further information of system performance and to view installation layouts, click on the system type that best meets your requirements:
• Simplebus 2 Audio/Video with 4888C
CERTIFIED MANAGEMENT SYSTEMS
www.comelitgroup.com
Via Don Arrigoni, 5 – 24020 Rovetta (BG) – Italy






















