AURORA EN-FP1230CDA Rectangular 1195 x 295mm LED Flat Panel

INSTALLATION INFORMATION
- Installation should be carried out by a qualified electrician in accordance with the latest edition of the National wiring regulations (For Australia please check the latest edition of the Wiring Rules -AS/NZS 3000:2007).
- IMPORTANT. Ensure that ALL electrical connections are tight with no loose strands including factory made connections.
- Mains supply voltage 220-240V AC 50/60Hz
- Class III Luminaire. Must not be connected to a mains supply without the driver.
- For indoor use only
- Please Note: May not be compatible with PIR’s. Please contact sales office for compatibility.
- There are no replaceable parts in this luminaire.
- We do not recommend mixing LEDs circuits with products such as extractor fans. This is due to the sensitive nature of LEDs and is not product specific.
STEPS



- Connection to non-dimmable driver:
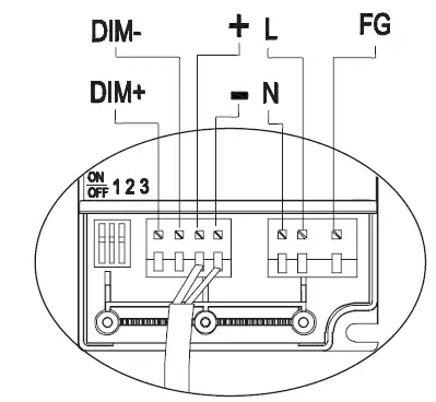
Connection to 1-10V dimmable driver:
- Blue (V-) – (N) Neutral
- Brown (V+) – (L) Live
- Green/Yellow – e Earth (marked FG)
- Connect +ve and -ve 1-10V cable to the terminals DIM+ and DIM-
- All 1-10V connections should be parallel
4c Connection to DALI dimmable driver:





Environmental Protection (W.AE.E.E.)
Waste Electrical & Electronic Equipment Regulations (WEEE) requires that any of our products showing this marking (left) must not be disposed of with other household or commercial waste. Aurora does not levy any WEEE disposal charges to its customers for affected WEEE related products. To prevent possible harm to the environment or human health from uncontrolled waste disposal, please separate any such product from other waste types and recycle it responsibly at your local facilities. Check with your Local Authority, Recycling Centre or retailer for recycling advice. If, when you purchased any Aurora product, your supplier included a WEEE disposal fee, you should then contact your supplier for advice on his take back of the product for the correct disposal.
GUARANTEE
This product is guaranteed for a period of 3 years from the date of purchase. The guarantee is invalid in the case of improper use, installation, tampering, and removal of the Q.C. date label, installation in an improper working environment or installation not according to the current edition of the National Wiring Regulations. Should this product fail during the guarantee period it will be replaced free of charge, subject to correct installation and return of the faulty unit. Aurora does not accept responsibility for any installation costs associated with the replacement of this product. This warranty is in addition to the statutory rights in your country of purchase. Aurora reserves the right to alter specifications without prior notice.




Connection to 1-10V dimmable driver:
4c Connection to DALI dimmable driver:
























