User Manual and Installation Instructions
IMPORTANT SAFETY INSTRUCTIONS
Carefully read the important information regarding installation, safety, and maintenance. Keep these instructions for future reference.
MAAN1572-03 2020-11-27
Before You Begin

INSTALLERS – Start Here
Safety Instructions are on pages 4 and 5 and Installation Instructions are on pages 9 to 15. Please perform these steps:
- Read the safety instructions.
- Read all instructions in the Installation section of this manual BEFORE installing the range hood.
- Remove all packing materials.
- When finished, make sure to leave these instructions with the consumer.
- Installation is to be done by a qualified technician only. However, the ultimate responsibility for proper installation falls to the owner.
- Product failure due to improper installation is not covered under the Warranty.
CONSUMERS – Start Here
Safety Instructions are on pages 4 and 5 and Operating Instructions are on pages 16, 17, and 20.
Please perform these steps:
- Read the safety instructions.
- Read all instructions in the manual BEFORE operating the range hood.
- Remove all packing materials.
- Installation is to be done by a qualified technician only. However, the ultimate responsibility for proper installation falls to the owner.
- Product failure due to improper installation is not covered under the Warranty.
Hardware Note: For safety reasons, rangehood mounting screws and anchors will not be included due to the variation of cabinetry constructions and wall material. Please consult your installation specialist regarding the optimal type of mounting screws and wall anchors to suit your home’s construction.
READ ALL INSTRUCTIONS BEFORE USE
Read and follow all instructions before using the range hood to prevent the risk of fire, electric shock, personal injury, or damage when using the range hood or appliances with the range hood. This guide does not cover all possible conditions that may occur. Always contact your service technician or manufacturer about problems that you do not understand.
Important Safety Information
- The installation in this manual is intended for qualified installers, service technicians or persons with a similar qualified background. Installation must be done by qualified professionals and in accordance with all applicable codes and standards, including fire-rated construction.
- The range hood may have very sharp edges; please wear protective gloves if it is necessary to remove any parts for installing, cleaning, or servicing.
- Activating any switch to ON position before completing installation may cause damage or electric shock.
- Due to the size of this range hood, a two-person installation is recommended.
To reduce the risk of fire, electric shock, or injury to persons:
- For general ventilating use only. DO NOT use to exhaust hazardous or explosive materials and vapors.
- WARNING: To Reduce The Risk Of Fire Or Electric Shock, Do Not Use This Fan With Any Solid-State Speed Control Device.
- The combustion airflow needed for the safe operation of fuel-burning equipment may be affected by this unit’s operation. Follow the heating equipment manufacturer’s guidelines and safety standards such as those published by the National Fire Protection Association (NFPA), and the American Society of Heating, Refrigeration and Air Conditioning Engineers (ASHRAE), and other local code authorities.
- Before servicing or cleaning the unit, switch power off at the service panel and lock the service disconnecting means to prevent power from being switched on accidentally. hen the service disconnecting means cannot be locked, securely fasten a prominent warning device, such as a tag, to the service panel.
- Clean grease-laden surfaces frequently. To optimize performance and to disperse air properly, make sure to vent air outside. DO NOT vent exhaust into spaces between walls, crawl spaces, ceilings, attics or garages.
- Ducted fans MUST always be vented to the outdoors.
- This unit MUST be grounded and used with metal ductwork only.
- Sufficient air is needed for proper combustion and exhausting of gases through the duct to prevent back drafting.
- When cutting or drilling into wall or ceiling, be careful not to damage electrical wiring or other hidden utilities.
- All electrical wiring must be properly installed, insulated and grounded.
- Old ductwork should be cleaned or replaced if necessary to avoid the possibility of a grease fire.
- Check all joints on ductwork to ensure proper connection; all joints should be properly taped using a certified aluminum or foil tape.
- Use this unit only in the manner intended by the manufacturer. If you have questions, contact the vendor.
WARNING: TO REDUCE RISK OF A RANGE TOP GREASE FIRE:
a. Never leave surface units unattended at high Boilovers to cause smoking and greasy spillovers that may ignite. Heat oils slowly on low or medium settings.
b. Always turn range hood ON when cooking at high heat or when flambeing food (i.e. Crepes Suzette, Cherries Jubilee, etc.).
c. Clean ventilating fans frequently. Grease should not be allowed to accumulate on the fan or filter. Before servicing or cleaning the unit, unplug and disconnect the hood from the power supply.
d. Use proper pan size. Always use cookware appropriate for the size of the surface element.
WARNING: TO REDUCE RISK OF INJURY TO PERSONS IN THE EVENT OF A RANGE TOP GREASE FIRE, OBSERVE THE FOLLOWING *
a.SMOTHER FLAMES with a close-fitting lid, cookie sheet, or metal tray, then turn off the burner. BE CAREFUL TO PREVENT If the flames do not go out immediately, EVACUATE AND CALL THE FIRE DEPARTMENT.
b.NEVER PICK UP A FLAMING PAN – You may be burned.
c.DO NOT USE WATER, including wet dishcloths or towels – a violent steam explosion will result.
d. Use an extinguisher ONLY if:
- You know you have a Class A, B, C extinguisher, and you already know how to operate it.
- The fire is small and contained in the area where it is started.
- The fire department is being called.
- You can fight the fire with your back to an exit.
* Based on “Kitchen Fire Safety Tips” published by NFPA
To reduce the risk of injury to persons in the event of gas leaks:
- Extinguish any open flame.
- DO NOT turn on the lights or any type of appliance.
- Open all doors and windows to disperse the If you still smell gas, call the gas company and fire department.
Your safety and the safety of others is very important. We have provided many important safety messages in this manual and on your appliance. Always read and obey all safety messages. All safety messages outline any potential hazards, how to reduce the chance of injury, and possible risks if the instructions are not followed.
READ AND SAVE THESE INSTRUCTIONS
Included Parts
Hardware Note: For safety reasons, rangehood mounting screws and anchors will not be included due to the variation of cabinetry constructions and wall material. Please consult your installation specialist regarding the optimal type of mounting screws and wall anchors to suit your home’s construction.

Range Hood Dimensions

Specifications
| Body Design | Stainless Steel |
| Power Rating | 120 V / 60 Hz (cETLus Certified) |
| Total Input Power | 613 W(2 x 305 W+ 2 x 1.5W) |
| Motor Input Power | 610 W |
| Amperage | 5.28 A |
| Speed Control Levels | 4 Speeds |
| Interference Protection | Radio Frequency Interference Protected |
| Motors | Twin Motor |
| Control | Rotary switch |
| Filtration | Baffle filter |
| Illumination | 2 x 1.5 W LED lights |
| Fan Type | Single chamber quiet |
| Venting Size | Top, 7.75 inches (19.7 cm) round |
Mounting Brackets


Installation
STEP 1
Read the Safety Instructions
- It is very important to read the safety instructions on pages 4 and 5.
IMPORTANT: It is the installer’s responsibility to comply with installation clearances.
STEP 2
Unpack Range Hood and Prepare Tools
- Carefully unpack the range hood and parts. Make sure all parts are included as shown on page 6.
- DO NOT remove the protective film covering the appliance until the installation is fully completed.
- Consult a qualified and trained installer or check local codes for makeup air requirements, if any.
STEP 3
Plan Desired Location
- Plan a desirable location that fits all requirements in the Safety and Installation sections of this manual. Plan where and how the ductwork will be installed.
- A straight or short duct run will allow the unit to perform most efficiently. Long duct runs, elbows and transitions will reduce the performance of the unit. Each elbow is equivalent to 5 to 10 feet (1.5 a 3.0 m) of straight run. Proper size ductwork should be 8 in. (20.3 cm) in diameter.
- To reach a 9 foot (2.74 m) ceiling make sure the hood is installed 30 inches (76.2 cm) from the cooking surface. If you have a ceiling greater than 9 ft (2.74 m), please visit anconahome.com to order a chimney extension.
If ductwork is already installed: ensure ductwork is free from debris and measures 8 in. (20.3 cm). 1 in. (2.5 cm) reducers may be used but more than 1 in. (2.5 cm) will overwork the motor and the unit will not function properly.
STEP 4
Test Unit Functions
- Plug the unit in and test all of the functions before installing.
- Place the range hood on a flat, stable surface. Connect the range hood to a designated standard outlet (120-Volt, 60Hz, AC only) and turn on the range hood. Verify all operations of the range hood by referring to Range Hood Operations.
- Turn power On in control panel.
- Check all lights and fan operations.
WARNINGS:
- Please make sure to read ALL safety instructions on pages 4 and 5.
- Use two or more people to move and install a range hood.
- Failure to follow these instructions can result in serious injury.
STEP 5
Venting Installation Guidelines
- The following steps are for exterior ventilation.
IMPORTANT:
- Vent system must terminate to the outside (roof or sidewall).
- DO NOT terminate the vent system in an attic or other enclosed area.
- DO NOT use 4 in. (10.2 cm) laundry-type wall caps.
- Use metal/aluminum vent only. A rigid metal/aluminum vent is recommended.
- DO NOT use a plastic vent.
- Always keep the duct clean to ensure proper airflow.
- Calculate the following figures before installation:
- Distance from the floor to the ceiling
- Distance between the floor and the countertop/stove
- A distance of 24 in. to 30 in. (61 cm to 76.2 cm) is recommended between the stovetop and the bottom of the range hood. 30 in. (76.2 cm) minimum is required for gas stovetops.
- Height of hood and duct cover.
For the most efficient and quiet operation:
- It is recommended that the range hood be vented vertically through the roof through 8 in. (20.3 cm) or bigger round metal/aluminum vent work.
- The size of the vent should be uniform.
- Use no more than three 90′ elbows.
- Make sure there is a minimum of 24 in. (61 cm) of straight vent between the elbows if more than one elbow is used.
- DO NOT install two elbows together.
- The length of the vent system and a number of elbows should be kept to a minimum to provide efficient performance.
- The vent system must have a damper. If the roof or wall cap has a damper, you may remove damper flaps from the damper to increase airflow.
- Only one flange is needed in the air duct system, either on top of the motor or outside.
- Use silver tape or duct tape to seal all joints in the vent system
- Use caulking to seal the exterior wall or roof opening around the cap.

IMPORTANT:
- A minimum of 8 in. (20.3 cm) round or 3-1/4 x 10 in. (8.3 cm x 25.4 cm) rectangular duct (purchased separately) must be used to maintain maximum airflow efficiency.
- Always use rigid type metal/aluminum ducts if available to maximize airflow when connecting to the provided duct.
- Please use Duct Run Calculation below to compute the total available duct run when using elbows, transitions, and caps.
- ALWAYS, when possible, reduce the number or transitions and turns. If a long duct run is required, increase duct size from 8 in. (20.3 cm) to 9 in. (22.8 cm). If a reducer is used, install a long reducer instead of a pancake reducer. Reducing duct size will restrict airflow and decrease airflow, thus reduce duct size as far away from opening as possible.
- If turns or transitions are required, install as far away from opening and as far apart, between two (2), as possible.
- Minimum mount height between stovetop to hood bottom should be no less than 24-inch (61 cm) for electric cooktops and a minimum of 30-inch (76.2 cm) for gas stovetops and no higher than 30-inch (76.2 cm) for electric cooktops.
- It is important to install the hood at the proper mounting height. Hoods mounted too low could result in heat damage and fire hazard; while hoods mounted too high may be hard to reach and will lose its performance and efficiency.
- If available, also refer to stovetop manufacturer’s height clearance requirements and recommended hood mounting height above range
| Duct Run Calculation: | |
| Recommended maximum run | |
| 6 in. (15.3 cm) or 3 1/4 x 10 in. (8.3 x 25.4 cm) duct | 30 ft (9.1 m) |
| Vent piece deduction | |
| Each 90° elbow used | 9 ft (2.7 in) |
| Each 45° elbow used | 5 ft (1.5 in) |
| Each 6 in. to 3-1/4 x 10 in. transition used | 7 ft (2.1 m) |
| Sidewall cap with damper | 0 ft (0 m) |
Duct Run Calculation example: One roof cap, two 90° elbows, and one 45° elbow use.
Oft + 9ft + 9ft + 5ft = 23ft used.
Deduct 23ft from 30ft, 7ft maximum available for straight duct run.
- This range hood is factory set for venting through the roof or wall.
- Vent work can terminate either through the roof or wall. To vent through a wall, a 90° elbow is needed.
IMPORTANT:
- NEVER exhaust air or terminate ductwork into spaces between walls, crawl spaces, ceiling, attics or All exhaust must be ducted to the outside.
- Use metal/aluminum ductwork only.
- Fasten all connections with sheet metal screws and tape all joints with certified Silver Tape or Duct Tape.
- Use caulking to seal the exterior wall or roof opening around the cap.

STEP 6
Preparations
NOTE: To avoid damage to your hood, prevent debris from entering the vent opening. Determine and mark the centerline on the ceiling or wall where the range hood will be installed. Make sure there is proper clearance within the ceiling or wall for the exhaust vent.
- Due to the weight and size of this unit, please make sure that the support system or framework being used is stable and secure in the ceiling or wall.
- Put a thick, protective covering over the countertop, cooktop or range to protect from damage or dirt. Remove any hazardous objects around the area when installing.
CAUTION
If moving the cooking range is necessary to install the hood, turn OFF the power on an electric range at the main electrical box. SHUT OFF THE GAS BEFORE MOVING A GAS RANGE.
STEP 7
Installing the Hood Mounting Bracket and Hood
- Using references in Height & Clearance on Page 10 and Measurements and Diagrams on Page 7 and 8, use a pencil to mark the leveling point of the hood. Position two mounting screws on the wall, leaving 1/8 in. space away from the wall.
- Position the chimney-mounting bracket directly above the hood-mounting bracket, mark the leveling points and secure it using two mounting screws.

NOTE: Use threaded drywall anchors only when mounting the hood on sheetrock. Mounting the hood on wall studs or lumbers is highly recommended.
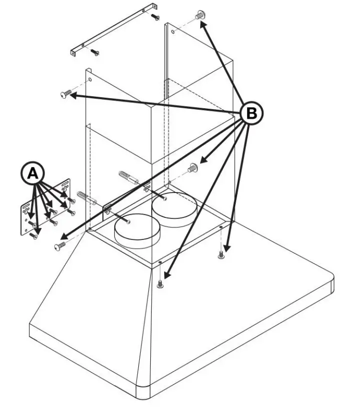
- Attach the hood-mounting bracket to the back of the hood with six screws A as shown in Figure #1.
- Align hood-mounting bracket to the screws on the wall and hook hood into place as shown in Figure #2. Tighten screws to secure the hood to the wall.
CAUTION – Make certain the range hood is secure before releasing!
STEP 8
Connect Ductwork
- Use 6 in. round steel pipe (follow building codes in your area) to connect the exhaust on the hood to the ductwork above.
- Attach ductwork to the damper. Secure the ductwork with duct tape to make sure joints are secure and air-tight. Refer to Figure #3.
- Do not install the duct tape too tightly as this may prevent the damper flaps from opening which will overwork the motor and cause improper functioning of the unit.
- Fasten all connections with sheet metal screws and tape all joints with certified aluminum or foil tape. Use caulking to seal the exterior wall or roof opening around the cap.

SAFETY WARNING: Risk of electrical shock. This range hood must be properly grounded. Make sure this is done by a qualified electrician in accordance with all applicable national and local electrical codes. Before connecting wires, switch power off at the service panel and lock the service panel to prevent power from being switched on accidentally.
STEP 9
Connect to AC
- Connect AC plug into a grounded AC outlet having 120 V, 60 Place the outlet at a maximum distance of 33-1/2 in. (851 mm) from where the cord exits on the hood.


- Or cut off the plug and connect three wires (black, white, and green) to house wires and cap with wire connectors. Connect according to colors (i.e. black to black, white to white, and green to green). Store excess wires in the wiring
- SEE IMPORTANT INSTRUCTIONS BELOW AND ON THE NEXT PAGE.
IMPORTANT:
- Observe all governing codes and ordinances.
- It is the customer’s responsibility to contact a qualified electrical installer.
- If codes permit and a separate ground wire is used, it is recommended that a qualified electrician determine that the ground path is adequate. A 120-Volt, 60 Hz, AC-only, fused electrical supply is required on a separate 15-amp circuit, fused on both sides of the line.
- DO NOT ground to a gas pipe.
- Check with a qualified electrician if you are not sure that the range hood is properly grounded.
- DO NOT have a fuse in the neutral or ground circuit.
IMPORTANT: Save this Installation Guide for the electrical inspector’s use.
GROUNDING INSTRUCTIONS:
- This appliance must be grounded. In the event of an electrical short-circuit, grounding reduces the risk of electric shock by providing an escape wire for the electric current.
- This appliance is equipped with a cord having a grounding wire with a grounding plug. The plug must be plugged into an outlet that is properly installed and grounded.
WARNING: Improper grounding can result in a risk of electric shock.
Consult a qualified electrician if the grounding instructions are not completely understood, or if doubt exists as to whether the appliance is properly grounded. DO NOT use an extension cord. If the power supply cord is too short, have a qualified electrician install an outlet near the appliance.
STEP 10
Install Chimney
- Install chimney brackets on the hood body as shown on Figure #4.
- Place chimney on top of the main housing. Remove the protective coating from the upper chimney. Carefully slide the upper chimney down into
- the lower chimney. Make sure the upper chimney is moving freely.
- Install both chimneys and tighten screws B to secure the lower chimney to the range hood as shown in Figure #5.
- To avoid scratching the chimney, extend the upper chimney slowly and carefully to the chimney-mounting bracket and tighten screws as shown in Figure #6.

STEP 11
Install Grease Tunnel
The baffle filters and grease tunnel should be cleaned once a month, or as needed.
- Angle tunnel towards the edge at the rear end of the unit.
- Rotate and insert in the bottom end of the opening (Figure #7 and Figure #8).

STEP 12 Install Filters
Assemble the metal handles to the filters using provided screws, before installing them in the range hood.
- Angle and insert one end of the filter into the upper channel of the range hood (Figure #9).
- Raise the other end towards the inside of the range hood, rotate and insert in the bottom end of the opening (Figure #10 and #11).
- Release the handle once the filter fits into a resting position.
- Repeat to install all filters.
Installation Overview

Operation

Power Settings Lights
- “Rotate the knob clockwise to turn the blower ON.
- To increase the speed continue to rotate the switch clockwise from speed 1 to speed 4.
- To decrease the speed rotate the switch counterclockwise from speed 4 to speed
- Continue to rotate the switch counterclockwise to turn the blower OFF
Lights
Rotate the knob clockwise to turn the lights ON, and rotate the knob counterclockwise to turn the light OFF.
Troubleshooting
| Problem | Possible Cause |
| If the range hood or LED light does not operate after installation: | Check if the range hood has been plugged in, make sure that all power has been turned back ON, fused not blown and all electrical wiring is properly connected. |
| Swap out light assembly to working ones to determine whether it is caused by defective bulbs. See Replacing the light pucks on Page 17. | |
| The range hood vibrates when the the blower is on: | The range hood might not have been secured properly onto the ceiling or wall. |
| The blower or fan seems weak: | Check that the duct sized used is at least 8 in. (20.3 cm) or 3 1/4 x 10 in. (8.3 x 25.4 cm). Range hood WILL NOT function efficiently with insufficient duct size. For example, 9 in. (22.8 cm) duct over 8 in. (20.3 cm) hole and loosely secured. |
| Check if the duct is clogged or if the damper unit (half-circular flange) is not installed correctly or opening properly. A tight mesh on a side wall cap unit might also cause restriction to the airflow. | |
| The lights work but the fan is not spinning at all is stuck, or is rattling: | The fan might be jammed or scraping the bottom due to shipping damage. Please contact us immediately. |
| The hood is not venting out properly: | Make sure the distance between the stovetop and the bottom of the hood is within 24 in. and 30 in. (61 and 76.2 cm) in distance. |
| Reduce the number of elbows and length of ductwork. Check if all joints are properly connected, sealed, and taped. |
Maintenance
Replacing the Light Pucks
IMPORTANT: ALWAYS SWITCH OFF THE ELECTRICITY SUPPLY AT THE MAIN PANEL BEFORE CARRYING OUT ANY OPERATION ON THE APPLIANCE.
- Make sure the range hood is unplugged or turn OFF the breaker.
- Remove filters. Reach into the interior of the range hood until touching both lateral clips located on the side of the puck light. Gently squeeze and push down until the puck pops out from its location, pull out the LED puck and unplug it.
CAUTION: THE PUCK MAY BE HOT, PLEASE TAKE OUT THE PUCK WHEN THE PUCK IS COMPLETELY COOL! - Replace with a 12 Volt, 1.5 Watt max, LED lights. Plugin the new puck and push it back into the light panel.
- Turn ON breaker and range hood to test for operation.

Cleaning Filters
IMPORTANT: Drain oil from baffles, spacers, filters, oil tunnels, oil containers before oil and residue overflow!
- Remove all baffles, spacers, filters, grease tray, and oil containers and discard oil and residue.
- Wash with warm soapy water. NOTE: Stainless steel baffles, spacers, and oil tunnels are top-rack dishwashers safe.
- Dry thoroughly before replacing and follow directions for installation in reverse.
- Filters should be cleaned after every 30 hours of use.
- Should filters wear out due to age and prolonged use, replace them with a new filter.
Range Hood Assembly

| Number | Part |
| 1 | Hood casing |
| 2 | Hood-mounting bracket |
| 3 | Transition |
| 4 | Power cable |
| 5 | Top panel |
| 6 | Blowers |
| 7 | Rotary switch |
| 8 | LED light |
| 9 | Light panel |
| 10 | Oil tunnel |
| 11 | Baffle filter |
| 12 | PCB box |
| 13 | Chimney set |
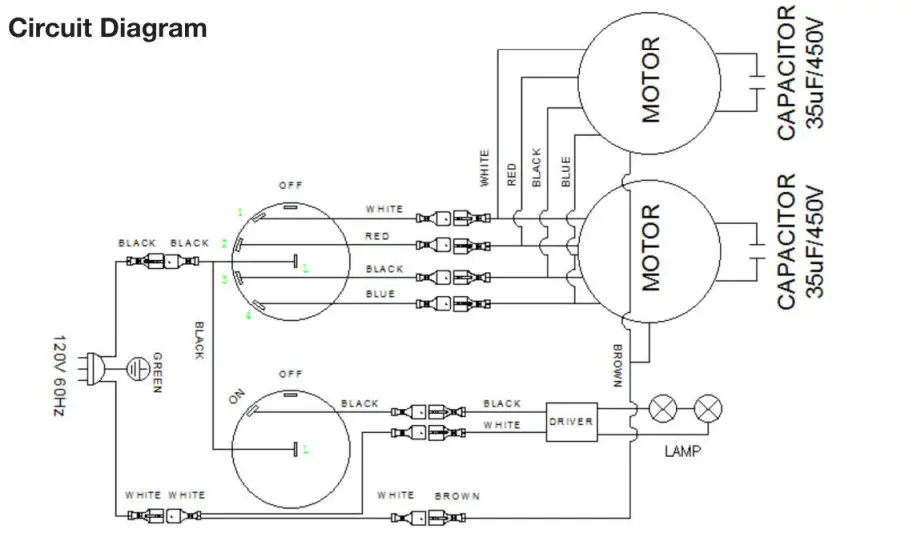
Assembly


| Number | Part |
| 1 | Motor |
| 2 | Air chamber |
| 3 | Squirrel cage |
| 4 | Locknut |
| 5 | Safety screen |

| Number | Part |
| 1 | Screws (3/16 in. x 3/8 in.) |
| 2 | Electrical box cover |
| 3 | Processor board |
| 4 | Screws (3/16 in. x 3/8 in.) |
| 5 | Electrical box base |
| 6 | Electrical panel |
| 7 | Capacitor |
| 8 | Screws (3/16 in. x 3/8 in.) |
| 9 | LED light transformer |
Use and Care Information
Operations
Read and understand all instructions and warnings in this manual before operating the appliance. Save these instructions for future reference.
Always leave safety grills and filters in place. Without these components, operating fans could catch on to hair, fingers, and loose clothing.
NEVER dispose of cigarette ashes, ignitable substances, or any foreign objects into fans.
NEVER leave cooking unattended. When frying, oil in the pan can easily overheat and catch fire. The risk of self-combustion is higher when the oil has been used several times.
NEVER cook on “open” flames under the range hood. Check deep-fryers during use; superheated oil may be flammable.
Cleaning
- The saturation of greasy residue in the fan and filters may cause increased inflammability. Keep unit clean and free of grease and residue build-up at all times to prevent possible fires.
- Filters must be cleaned periodically and free from the accumulation of cooking residue (see Cleaning Instructions below). Old and worn filters must be replaced immediately.
- DO NOT operate fans when filters are removed. Never disassemble parts to clean without proper instructions.
- Disassembly is recommended to be performed by qualified personnel only. Read and understand all instructions and warnings in this manual before proceeding.
SAFETY WARNING: Never put your hand into area housing the fan while the fan is operating!
For optimal operation, clean range hood and all baffle/spacer/filter/grease tray/oil container regularly. Regular care will help preserve the appearance of the range hood.
Cleaning Exterior Surfaces
- Clean periodically with hot soapy water and a clean cotton cloth. DO NOT use corrosive or abrasive detergent (e.g. Comet
- Power Scrub®, EZ-Off® oven cleaner), or steel wool/scoring pads, which will scratch and damage the stainless steel surface. For heavier soil use liquid degrease such as “Formula 409®” or “Fantastic®” brand cleaner.
- If the hood looks splotchy (stainless steel hood), use a stainless steel cleaner to clean the surface of the hood. Avoid getting cleaning solution onto or into the control panel. Follow the directions of the stainless steel cleaner. CAUTION: DO NOT leave on too long as this may cause damage to the hood finish. Use a soft towel to wipe off the cleaning solution, gently rub off any stubborn spots. Use dry soft towel to dry the hood.
- After cleaning, you may use nonabrasive stainless steel polish such as 3M® or ZEP®, to polish and buff out the stainless luster and grain. Always scrub lightly, with a clean cotton cloth, and with the grain.
- DO NOT allow deposits to accumulate or remain on the hood.
- DO NOT use ordinary steel wool or steel brushes. Small bits of steel may adhere to the surface and cause rusting.
- DO NOT allow salt solutions, disinfectants, bleaches, or cleaning compounds to remain in contact with stainless steel for extended periods. Many of these compounds contain chemicals, which may be harmful.
- Rinse with water after exposure to these compounds and wipe dry with a clean cloth.
Please register your product warranty by visiting the Ancona Home website.
Canada & USA Phone: 1-800-350-4562
Fax: 800-350-8563
Email: [email protected]
Website: www.anconahome.com
Ancona is in association with Mr Appliance for all after-sales service calls. Please contact their service provider or visit their website:
Phone: 888-998-2011 Website: www.mrappliance.com
MAAN1572-03
© 2020 Copyright of Ancona Home. All rights reserved. This material may not be reproduced, displayed, modified, or distributed.
Installation Overview

















