MONDOLUX MO32 Thomas Midi Instruction Manual
Installation Steps
- Ensure the mains power to the power supply is turned off and plug is removed, and secondary voltage is completely discharged.
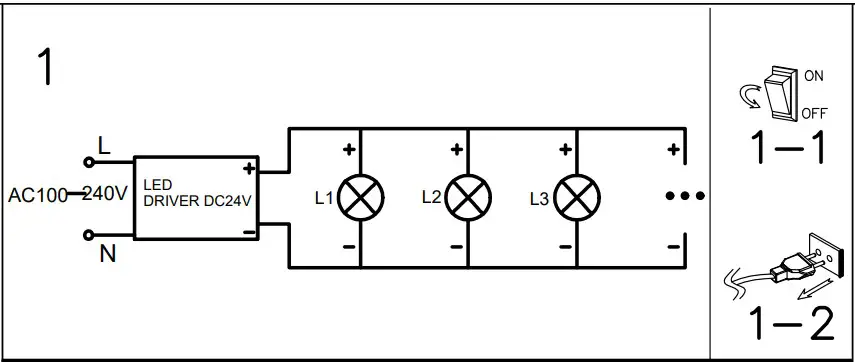
- As per the electrical wiring/ lighting layout, prepare the required additional wiring to connect the designated fittings in parallel i.e. all (+)vs. and (-)vs. of the fittings should be wired together and connected to the positive and negative terminals respectively on the secondary side of the power supply. See picture 1.

- Use the hex key provided to unscrew the back mounting plate of the fitting. Pass the power supply cable through the gasket of the mounting plate and secure it. See pictures 2 & 3.


- For surface mount installation mark and drill 2 holes in the surface and fix the mounting plate using the provided screws. See picture 3-1.
- To use the spike, use the screws to secure the mounting plate to the spike. See picture 3-2.
- Make sure all the external wiring connections are made using waterproof cable joins ONLY. Weatherproof junction boxes or waterproof heat shrinks to ensure proper operation. Any damages caused due to this issue will void the product warranty. See picture 4.

- Ensure the fittings are secured properly and placed as per the lighting plan. See picture 5-1 & 5-2.

- Connect the AC supply wires on the primary side of the power supply.
- Installation is complete. Turn the mains on. See picture 6.

Notes
- This fitting requires DC 24V input ONLY and it must NOT be connected to 240VAC/50Hz supply.
- While connecting multiple fittings together, proper attention should be given towards polarities – refer to Picture 1 in installation steps section.
- Electrical Wiring and installation should always comply as per the local standards.
- The H05RN-F cable provided is UV stabilized and rated to IP68 ingress protection and is suitable for direct burial.
- However, we recommend that all low voltage cables should be run in flexible conduit for extra protection. Where extra cable is required, please source and use the equivalent cable only.
- Wherever applicable – waterproof cable joints like junction boxes or heavy walled adhesive lined heat shrinks must be used, or warranty is void.
- Do not install any inductive loads such as exhaust fans or pond pumps etc. within the same lighting circuit of this fitting. Issues caused by such wirings are not covered under our warranty policy.
- Do not open or interchange any parts of this fitting or the warranty is void.
- The fitting may be hot to touch after continuous use.
- If you have any questions about the installation of this product, please contact Mondolux at 1300 601 931.
Care & Refinishing
Mondolux strongly recommends following cleaning procedures to maintain proper finish of the product.
- Do not use bleach or concentrated solvents under any circumstances.
- For Black finish: Wipe gently with a soft damp cloth or chamois. Do not use any abrasive compounds.
- Stainless Steel finish: Clean regularly using a soft brush with diluted detergent and warm water. Do not use bleach or any abrasive compound.
Optional Accessories
Thomas Spotlight range has following optional accessories to suit different lighting and control method requirements.
- Black Honeycomb Louvre and snoots are available to reduce any further glare.
- Nylon Tree straps and spikes are available for tree and garden-based installations respectively.*
- Rag bolts for concrete floor installation are available.
- Only available in ON/OFF control method as standard.




























