PARMCO WD106WF 6KG Dryer Condensor

Dear Valued Customer,
Thank you and congratulations on purchasing your new Parmco appliance. All Parmco products are made to the highest quality and design standards. We are sure you will enjoy your new appliance. As a note, please read through these instructions carefully. These will assist you in gaining a complete understanding of the functions and features offered by your appliance. Please take special note of all detailed technical information and installation instructions. It is essential that you follow these instructions to ensure the safety and reliability of this appliance.
Furthermore, not using appropriate personnel to install this appliance may affect any future warranty claims lodged, so please check with Parmco Appliances before any installation is carried out. We hope you enjoy your new appliance. If you would like to find out more about this product or any other products in Parmco’s extensive range, visit us online at www.parmco.co.nz.
Regards,
The Parmco Team
Safety Notices
WARNING
Read and understand thoroughly these safety instructions before use. The items indicated here are very important safety precautions, which must be followed. We cannot be held liable for damage caused \by non-compliance with the warning and safety instructions or resulting from incorrect use or operation.
Cleaning and user maintenance shall not be made by children without supervision. Children of less than 3 years should be kept away unless continuously supervised. The new hose sets supplied with the appliance are to be used and the old hosesets should not be reused.
This appliance is not intended for use by persons {including children) with reduced physical, sensory or mental capabilities, or lack of experience and
knowledge, unless they have been given supervision or instruction concerning use of the appliance by a person responsible _ for their safety. Children should be supervised to ensure that they do not play with the appliance. This appliance is intended to be used in households and similar applications. such as:
- staff kitchen areas in shops, offices and other working environments;
- farm houses;
- by clients in hotels, motels and other residential-type environments;
- bed and breakfasts type environments;
- areas for communal use in blocks of flats or in launderettes.
For a washer-dryer having ventilation openings on the base, the washer-dryer cannot be washed on the carpet.
Technical safety
- Before setting the washer-dryer, check it for any externally visible damage.
- Do not install or use a damaged washer-dryer.
- Before connecting the washer-dryer, ensure that the connection data on the plate(voltage and current) match the electricity supply. if in any doubt, consult a qualified electrician.
- The electrical safety of this washer-dryer can only be guaranteed when continuity is complete between it and an effective earthing system which complies with current local and national safety regulations. It is most important that this basic safety requirement is present and regularly tested. and where there is any doubt the household wiring system should be inspected by a qualified electnc1an. The manufacturer cannot be held liable for the consequences of an inadequate earthing system.
- Do not connect the washer-dryer to the mains electricity supply by an extension lead. – Extension leads do not guarantee the required safety of the appliance. ‘c:0
- Unauthorized repairs could result in unforeseen dangers for the user, for which the manufacturer can not accept hab1hty. Repairs should only be undertaken by an approved service technician. Ensure current is not supplied to the machine until after maintenance of repair work has been carried out.
- If the connection cable is damaged or broken, it must only be replaced by an approved service technician to protect the user from danger.

- Faulty components must only be replaced by genuine manufacturer original spare parts. Only when these parts are fitted the safety standards of the machine can be guaranteed.
Correct use
- To avoid the risk of personal injury or damage to the washer-dryer, do not install it in place where it is damp and where it suffers from rainfall.
- Do not install the washer-dryer in place where it suffers from the sun directly, in which plastic or components will be damaged. It will be shortened the life of your washer-dryer.
- Do not install the washer-dryer in place where temperatures below freezing may occur. Frozen hoses may burst or split. The reliability of the electronic control unit may be impaired at temperatures below freezing point.
- Do not shoot the washer-dryer with water when you clean it.

- Keep the washer-dryer away from fire or heat sources.
- Before using the washer-dryer for the first time, check that the transit bolts at the rear of the machine have been removed. During spinning, transit bolts which is still in place may result in damage to both the machine and adjacent furniture or appliances.
- Turn off the tap if the machine is to be left any length of time (e.g. holiday), especially if there is no floor drain (gully) in the immediate vicinity.
- Take care to ensure that foreign objects (e.g. nails, pins, coins, paper clips) do not find their way into the machine with the laundry. These may damage components of the machine (e.g. drum), which in turn can result in damage to the laundry.
- Do not wash water-repellent things(e.g. raincoats) with washer-dryer .
- Only remove laundry from the washer-dryer once the drum has stopped turning. Reaching into a moving drum is extremely dangerous and could result in injury.
Safety with children
- Keep children away from the washer-dryer at all times. To avoid the risk of injury do not allow children to play on or near it or to play with its controls. Supervise children whilst you are using it.
- Older children may only use the washer-dryer if its operation has been clearly explained to them and they are able to use it safely, recognizing the dangers of misuse.
- For machines with a”porthole” door, remember that the porthole glass will be hot when washing at very high temperatures. Do not let children touch it.

PARTS AND FEATURES

NOTE: Unscrew the drain pump filter to let water run out when the machine is not used for a long time.

NOTE: The drawing of machine in the manual is only use for instruction. It may vary from the model you buy.
Backout packing
- Remove all the packing including the foam base) or vibration and noise may occur.
- Dispose all the wrappage safety and keep them out of the reach of children. Danger of suffocation!
- It is normal that water drops appear on the packing plastic bag and the door glass, which are resulted from the water left in the tub for checking out.

Accessories 
Removing transit bolts 
- Remove all the transit bolts at the back of the machine with tools.
- Plug the holes with the transit bolts caps supplied.
NOTE: Strong vibration, noise or failures may occur if the transit. - Keep the transit bolts for future transportation. Whenever the machine is transported, the transit bolts must be refitted.
INSTALLATION
Installation place requirement
- A concrete floor is the most suitable installation surface for a washer-dryer, being far less prone to vibration during the spin cycle than wooden floorboards or carpeted surface.
- The machine must be level and securely positioned. The distance between the machine and wall must be more than 10 cm.
- To avoid vibrations during spinning. the machine should not be installed on soft floor coverings.

Level adjustment
The machine must stand perfectly level on all four feet to ensure safe and proper operation. Incorrect installation may increase electricity and water consumption and may cause the machine to move about. To do these when the machine is not level:
- Using the spanner turn locknut in clockwise direction. Then turn locknuts together with adjust feet to unscrew.
- To avoid vibrations during spinning, the machine should not be installed on soft floor coverings.

Note: Vibration and noise may occur if the locknuts do nut sit firmly up against the houses.
Drain hose connection
- Direct into a sink
If the outlet spigot has not been used before, remove any blanking plug that may be in place. Push the drain hose onto the spigot and secure with a clip if required, ensure a loop is formed in the drain hose to prevent waste from the sink entering the washer-dryer. If required, the drain hose can be extended to a length of 4 m.
- Connected securely to a standpipe.
Firstly form a hook in the end of the drain hose using the “U” piece supplied. Place the drain hose into your standpipe, which should have an internal diameter of approximately 38mm thus ensuring there is an air break between the drain hose and standpipe. When discharging into a standpipe ensure that the top of the standpipe is no more than 90cm and no less than 60cm above floor level.
Water inlet connection
Connect the inlet hose supplied with the machine to a tap with a 3/4″ thread. Do not use previously employed hoses. Installation should comply with local water authority and building regulations’ requirements.
Connect a water supply to the inlet valve at back of the machine. Follow the indication of the picture below to complete the connection.
Functions of the control panel
The operation panel.
- Start/pause ( ►II )
Press this button to start or pause a wash cycle. The door can not be open when the machine pauses. You can press this button for 3 seconds to pause wash cycle and add clothes, but if the water level or the temperature of the drum is high, the door will not open. - Dry
Select the time for drying. If you want to dry laundries after washing, select this button. Press this button repeatedly to select drying times orderly. The detail is in the form on page 7. The required lamp will light up for identification. - Temp
Press this button repeatedly to change the wash temperature. The detail is in the form on page 7. - Speed
Press this button repeatedly to change the spin speed. The detail is in the form on page 7. - Rinse+
Press this button repeatedly to change the rinse times. The detail is in the form on page 7. - Knob
Turn the knob clockwise or anticlockwise to select the required wash program. Once you press the Start/Pause button and the machine is running, the program can not be changed. The detail is in the form on page 7.
(Note: At the end of a wash cycle, the knob must be turned to the position”Q “)
Note: For your safety, please not turn the knob to the position “Q” and get clothes while the machine is running. Because the temperature of water may be high and it may scald you. The door lock will open automatically at the end of a wash cycle while the temperature of the drum is cool down.
Child lock (“Rinse+”+”Speed”)
The function of “Child lock” is to lock the control panel to prevent misuse by children.
- Press the “Rinse+” and “Speed” buttons at the same time for 3 seconds. When the icon ” 0″ is lighted up on the screen, the function works. This function can be selected during a washing cycle.
- When this function works, all keys and knob are not available, except for the knob turn to the position ” 0 “.
Mute ( “Temp “)
The function of “Mute” is to close all the prompt tone and alert sounds. How to start this function: Press the “Temp” button for 3 seconds. How to cancel this function: Press the “Temp” button for 3 seconds again.
Icon explanation
WARNING:
- The washer-dryer is not to be used if industrial chemicals have been used for cleaning.
- That lint must not to be allowed to accumulate around the washer-dryer (not applicable for appliances intended to be vented to the exterior of the building);that adequate ventilation has to be provided to avoid the back flow of gases into the room from appliances burning other fuels, including open fires.
- Do not dry unwashed items in the washer-dryer.
- Items that have been soiled with substances such as cooking oil, acetone, alcohol, petrol, kerosene, spot removers, turpentine, waxes and wax removers should be washed in hot water with an extra amount of detergent before being dried in the washer-dryer. Items such as foam rubber (latex foam), shower caps, waterproof textiles, rubber backed articles and clothes or pillows fitted with foam rubber pads should not be dried in the washer-dryer.
- Fabric softeners, or similar products, should be used as specified by the fabric softener instructions.
- Remove all objects from pockets such as lighters and matches.
- Never stop a washer-dryer before the end of the drying cycle unless all items are quickly removed and spread out so that the heat is dissipated.
- The appliance must not be supplied through an external switching device, such as a timer, or connected to a circuit that is regularly switched on and off by a utility.
- That exhaust air must not be discharged into a flue which is used for exhausting fumes from appliances burning gas or other fuels.
- That the appliance must not be installed behind a lockable door, a sliding door or a door with a hinge on the opposite side to that of the washer-dryer, in such a way that a full opening of the washer-dryer door is restricted.
- These kinds of clothes should not be used for the dry program: clothes has the logo, woollen clothes, silk, clothes contains leather or foam rubber, clothes washed by volatile solvent such as detergents and gasoline.
- For drying the clothes washing by hands, please choose the highest spin speed to spin the clothes, then choose the suitable dry program to dry the clothes.
- The clothes using to dry should not more than the weight marked in the table on page 7.
- The drying must use the tap water, so be sure the tap is be opened and the water is cold.
- If drying to much clothes at one time, the drying effect is not ideal and the time may be long. If the clothes is not fully dry, please dry the clothes in several parts.
- For preventing burns, the machine will reduce the temperature of the drum before the dry program ended. It is normal that the time stops reducing on the display. Do not stop the machine during the cooling, since the temperature of the drum is still high, the door will not be opened.
- If you select the dry function, the default spinning speed and time will be the max. You can select the speed and time by yourself, according to the clothes washed.
- The program “Refresh” is using the dry function to refresh the clothes, so please make sure the water tap is open and do not put any detergent or softener into the machine.
How to use washer-dryer
Before washing clothes for the first time, you must run a complete cycle without clothes. Connect the power and turn on the tap, turn the knob to position “Daily” and press “Start / Pause”. It can remove the water which is left in the tub because of manufacturer’s checking out.
Washing preparation
- Connect the inlet hoses well and turn on the tap.
- After making sure the power socket is grounded reliably, insert the power plug into the power socket.
- Place the drain hose well.
PREPARATION OF CLOTHES
- Sort the laundry by colour and by care label. Most garments have a textile care label in the collar or side seam.

- Make sure all the pockets are empty, Foreign objects (e.g. nails, coins, paper Diagram 1 clips, etc.) can cause damage to garments and components in the machine.
- Close any zips, fasten hooks and eyes etc before washing.
- Dark textiles often contain excess dye and should be washed separately several Diagram 2 times before being included in a mixed load. Always wash whites and colored separately.
- Badly soiled areas, stains etc. should be pre-treated with liquid detergent, stain removers etc.
- Turn over the clothes which pill easily and is with woolen surface before putting them into the machine.
Put clothes into the washer-dryer
Unfold the laundry and load loosely in the drum. Mixing both large and small items gives better wash results and also helps distribute the load evenly during spinning. The most efficient use of energy and water is achieved when a full load is washed. However, do not overload as this causes creases and reduces cleaning efficiency.
USING THE DETERGENT DRAWER
- Open the drawer and add adequate detergent into main wash compartment marked “\ill” or ” II”.
- Add the fabric softener into compartment marked. Do not exceed the maximum level mark.
- Add the detergent into the pre-wash compartment marked ” W ” or” I ” Main wash compartment according to the programme you select.
- Close the drawer. The right amount to dispenser will depend on the following:
- The quantity of laundry
- The soiling level of the laundry
- Lightly soiled
No visible dirt or stains. Possibly slight body odour. - Normally soiled
Visibly dirty and/or just a few slight stains. - Heavily soiled
Visible dirt and stains and/or dried on soiling. - The water hardness level.

NOTE: It is recommended to use low foaming powder for all washing temperature programs.
PROGRAMME CHART

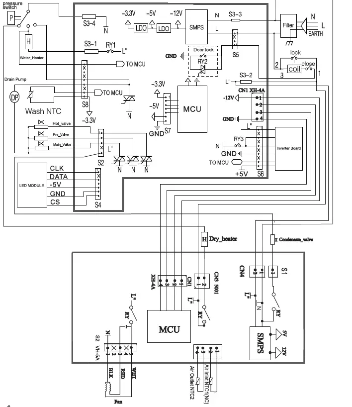
ELECTRIC DIAGRAM
























