ADAMSON S10p Web Box

Heed all warnings and follow all instructions.
- A qualified technician must be present during the installation and use of this product.
- This product is capable of producing extremely high sound pressure levels and should be used according to the specified local sound level regulations and good judgement.
- Adamson Systems Engineering will not be liable for damages caused by any possible misuse of this product.
- Servicing is required when the loudspeaker has been damaged in any way, such as when the loudspeaker has been dropped; or when for undetermined reasons the loudspeaker does not operate normally.
- Inspect your products regularly for any visual or functionality irregularities.
- Protect the cabling from being walked on or pinched.
- View the S-Series Rigging Tutorial video and/or read the S-Series Rigging Manual before suspending the product.
- Pay attention to rigging instructions included in both Blueprint and the S Series Rigging Manual.
- Use only with the rigging frames/accessories specified by Adamson, or sold with the loudspeaker system.
- This speaker enclosure is capable of creating a strong magnetic fi eld. Please use caution around the enclosure with data storage devices such as hard drives.
- In an effort to continuously improve its products, Adamson releases updated accompanying software, presets and standards for its products.
- Adamson reserves the right to change the specifications of its products and the content of its documents with no prior notice.
S10p Sub Compact Point Source
- The S10p is a sub-compact, 2 way, full range point source enclosure designed with high output level and high clarity in mind.
- It contains two symmetrically arrayed 10 transducers and a 3 compression driver mounted on an Adamson waveguide.
- The high frequency waveguide is rotatable in increments of 90° and is available with dispersion patterns of either 70° x 40° HxV or 100° x 50° HxV.
- Adamson’s use of proprietary technologies such as Advanced Cone Architecture give the S10p an extremely high maximum SPL level.
- The nominal impedance of the S10p is 8 Ω per band.
- The operational frequency range of the S10p is 60 Hz to 18 kHz, +/- 3 dB.
- The S10p is intended to be used as either a standalone system, or a fill enclosure in tandem with other S-Series products.
- The S10p is designed to pair easily and coherently with Adamson subwoofers.
- The wooden enclosure is made of marine grade birch plywood, has an inset steel pole mount on the bottom, and has a steel rigging system mounted on each side.
- The rigging discs are compatible with several different Adamson rigging accessories. Without sacrificing low resonance to composite material, the S10p is able to maintain a low weight of 26 kg / 57.4 lbs.
- The S10p is designed for use with Lab grippe’s PLM+ Series amplifiers.
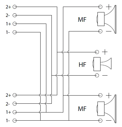
Wiring

- The S10p (70×40 – 963-0008/100×50 – 963-0010) comes with 2x Neutrik Speak on NL4 connections, wired in parallel.
- Pins 1+/- are connected to the 2x ND10-LM MF transducers, wired in parallel, pins 2+/- are connected to the NH3-8 HF transducer.
S10p Internal Wiring

Amplification
The STOP Is paired With Lab Gruppen PLM+ Series amplifiers. Maximum quantities of the STOp per amplitier model are shown below. For a master list, please refer to the Adamson Amplification Chart, found here, on the Adamson website.

- 1x S10p per circuit
- 2x S10p per amplifier

- 4x S10p per circuit
- 8x S10p per amplifier
Presets

he Agamson Load Liorary Contains presets designed for a variety or Sup applications. Inese presets are designed to pair with either Adamson subs, or Adamson Line Arrays. For a master list, please refer to the Adamson PLM & Lake Handbook Phase alignment with additional cabinets and subwoofers should be measured with suitable software.
Dispersion

S10p Horizontal Pattern (70×40)

S10p Horizontal Pattern (40×70)

S10p Horizontal Pattern (100×50)

Horizontal Pattern (50×100)
Technical Specifications

| Frequency Range +/- 3dB 60 Hz – 18 kHz | |
| Nominal Directivity -6 dB H x V 70° x 40° / 100° x 50° (Rotatable) | |
| Maximum Peak SPL | 139 dB |
| Components LF 2x ND10LM 10” Kevlar Neodymium Driver | |
| Components HF Adamson NH3-8 3 Diaphragm / 1.4 Exit Compression Driver | |
| Nominal Impedance LF 8 Ω (2 x 16 Ω in parallel) | |
| Nominal Impedance HF | 8 Ω |
| Power Handling AES / Peak LF 700 / 2800 W | |
| Power Handling AES / Peak HF 110 / 440 W | |
| Rigging Integrated Rigging System | |
| Connection | 2x Speakon NL4 |
| Height (mm / in) 737 / 29 | |
| Width Front (mm / in) | 326 / 12.8 |
| Width Back (mm / in) 203 / 8 | |
| Depth (mm / in) 442 / 17.4 | |
| Weight kg / lbs) 26 / 57.4 | |
| Processing Lake | |
Accessories
There are a number of accessories available for the Adamson S10p point source cabinets The list below is only a few of the many available accessories.
Sub Compact Vertical Bracket (934-0037) S10p/CS1Op Vertical Yoke

Sub Compact Horizontal Bracket(934-0034) S10p/CS10p Horizontal Yoke

Point Source H-Clamp (932-0045) Horizontal articulator clamp

Point Source Sight Mount (934-0035) Circular disk with multiple angle bar

Point Source Super Sight Mount (930-0033)
Used with the Sub and Ultra-Compact Horizontal Brackets to achieve greater articulation.
Point Source Articulator (934-0038)

Used with Sub and Ultra-Compact Horizontal Brackets to achieve articulation between two point source cabinets





















