8 Gal (30.3 Liter) WET/DRY VACUUM
OWNER’S MANUAL
IMPORTANT: READ THIS OPERATOR’S MANUAL
BEFORE USING!
Toll-free helpline for replacement parts:
1-888-899-0146
© 2016 Alton Industry Ltd. Group – All Rights Reserved
Manufactured in China
PRODUCT SPECIFICATIONS
| Power | 120 V / 60 Hz / 7 A |
| Motor | By-Pass, Single Stage |
| Tank Capacity | 8 Gallon |
| Hose | 1-7/8 in. x 6 ft. |
| Power cord | SJTW18AWG / 6 ft. Length |
WARNING:
Use only extension cords that are rated for outdoor use. Extension cords in poor condition or that are too small in wire size can pose fire and shock hazards.
To reduce the risk of these hazards when using an extension cord, be sure it is in good condition and that the connection does not come into contact with liquid. To keep power loss to a minimum, use the following table to choose the minimum wire size extension cord.
| Extension Cord Length | Gauge A.W.G. |
| 0-50 ft. | 14 |
| 50 – 100 ft. | 12 |
PACKAGE CONTENTS

| Part | Description | Qty |
| 1 | Handle | 1 |
| 2 | Power Switch | 1 |
| 3 | Two Lid Latch | 2 |
| 4 | Vacuum Port | 1 |
| 5 | Dust Tank | 1 |
| 6 | Dolly | 1 |
| 7 | Drain port | 1 |
| 8 | Blowing port | 1 |
| 9 | Caster | 4 |
| Part | Description | Part No. | Qty |
| A | 1-7/8″ hose | 19-1100 | 1 |
| B | Extension wand | 19-1200 | 2 |
| C | Floor nozzle | 19-1900 | 1 |
| D | Crevice nozzle | 19-1400 | 1 |
| E | Utility nozzle | 19-1300 | 1 |
| F | Dispoable filler bag | 19-3100 | 1 |
| G | Cartridge filter | 08-2566B | 1 |
SAFETY INFORMATION
IMPORTANT SAFETY INSTRUCTIONS & GROUNDING INSTRUCTIONS
When using an electrical appliance, basic precautions should be always followed, including the following: READ ALL INSTRUCTIONS BEFORE USING THIS APPLIANCE.
ATTENTION!
Read all safety rules carefully before attempting to operate. Retain for future reference.
DANGER!
Never operate this unit when flammable materials or vapors are present because electrical devices produce arcs or sparks that can cause a fire or explosion.
NEVER LEAVE OPERATING VACUUM UNATTENDED!
WARNING!
To reduce the risk of fire, electric shock, or injury:
- Do not leave appliance when plugged in. Unplug from outlet when not in use and before servicing. Connect to a properly grounded outlet only. See Grounding Instructions.
- Do not expose to rain. Store indoors.
- Always disconnect the plug from the wall outlet before removing the tank cover.
- Do not allow to be used as a toy. Close attention is necessary when used by or near children.
- Do not use with damaged cord or plug. If appliance is not working as it should, has been dropped, damaged, left outdoors or dropped into water, contact service center for assistance.
- Do not: pull or carry by cord, use cord as a handle, close a door on cord or pull cord around sharp edges or corners. Do not run appliance over cord. Keep cord away from heated surfaces.
- Do not unplug by pulling on cord. To unplug, grasp the plug, not the cord.
- Do not handle plug or appliance with wet hands.
- Do not put any object into openings. Do not use with any openings blocked; keep free of dust, lint, hair and anything that may reduce air flow.
- Keep hair, loose clothing, fingers and all parts of body away from openings and moving parts.
- Do not pick up anything that is burning or smoking, such as cigarettes, matches or hot ashes.
- Do not use without dust bag and/or filters in place.
- Turn off all controls before unplugging.
- Use extra care when cleaning on stairs.
- Do not use to pick up flammable or combustible liquids such as gasoline or use in areas where they may be present.
- Do not use your cleaner as a sprayer of flammable liquids such as oil-based paint, lacquers, etc.
- Do not vacuum toxic, carcinogenic, combustible or other hazardous materials such as asbestos, arsenic, barium, beryllium, lead, pesticides or other health endangering materials.
- Do not pick up soot, cement, plaster or drywall dust without filter and dust bag in place. These are very fine particles that may affect the performance of the motor or be exhausted back into the air. Additional dust bags are available.
- Do not leave the cord lying on the floor once you have finished the cleaning job. It can become a tripping hazard.
- Use special care when emptying heavily loaded tanks.
- To avoid spontaneous combustion, empty tank after each use.
- The operation of a utility vac can result in foreign objects being blown into eyes, which can result in eye damage. Always wear safety goggles when operating vacuum.
- STAY ALERT. Watch what you are doing and use common sense. Do not use vacuum cleaner when you are tired, distracted or under the influence of drugs, alcohol or medication causing diminished control.
NOTE: Use only as described in this manual. Use only manufacturer’s recommended attachments. - This appliance is provided with double insulation. Use only identical replacement parts. See instructions for servicing double insulated appliances.
- Unplug before connecting the hose, nozzle and the like.
WARNING!
SERVICING OF DOUBLE-INSULATED WET/DRY VAC
In a double-insulated Wet/Dry Vac, two systems of insulation are provided instead of grounding. No grounding means is provided on a double-insulated appliance, nor should a means for grounding be added. Servicing a double-insulated Wet/Dry Vac requires extreme care and knowledge of the system and should be done only by qualified service personnel. Replacement parts for a double-insulated Wet/Dry Vac must be identical to the parts they replace. Your double-insulated Wet/Dry Vac is marked with the words “DOUBLE INSULATED” and the symbol
(square within a square) may also be marked on the appliance.
To reduce the risk of injury from electrical shock, unplug power cord before servicing the electrical parts of the Wet/Dry Vac.
IMPORTANT!
If the supply cord is damaged, it must be replaced by the manufacturer or its service agent or a similarly qualified person in order to avoid a hazard.
IMPORTANT!
Remove the plug from the socket before performing maintenance. Before using the machine make sure that the frequency and voltage shown on the rating plate correspond with the mains voltage. Specifications and details are subject to change without prior notice. The accessories shown in the pictures may vary from model to model.
IMPORTANT SAFEGUARDS
The symbol on the product or packaging indicates that the product must not be treated as domestic refuse. Instead, it should be handed in to a collection point for the recycling of electrical and electronic components. By ensuring the product is treated in the correct manner, you will help prevent any negative impact on the environment and health that might arise were the product to be discarded as ordinary refuse. For further information about recycling, you should contact your local authorities, refuse collection service or the sales outlet where you bought the goods.![]()
WARNING!
This product or its power cord may contain chemicals, including lead, known to the state of California to cause cancer and birth defects or other reproductive harm. Wash hands after handling.
OPERATING INSTRUCTIONS
UNPACKING & SET-UP SUMMARY
- Pull lid latches in an outward motion, remove power head and some accessories that may have been shipped in the tank.
- Attach the casters according to the instruction in this manual.
- Before replacing power head, refer to this manual to ensure you have the proper filters installed for your cleaning operation.
- Replace power head, and apply pressure with thumb to each latch until it snaps tightly in place. Make sure all lid latches are clamped securely.
- Insert the flexible hose end into inlet of tank.
- Attach the extension wands to the accessor end of the hose. Apply slight pressure until fitting is tight.
- Attach one of the cleaning accessories (depending on your cleaning requirements) on the extension wands. Twist slightly to tighten the connection.
- Plug the cord into the wall outlet. Your cleaniner is ready for use.
CASTER ASSEMBLY
- Insert casters into dolly and snap them into place.

WARNING:
To reduce the risk of fire or explosion, do not operate this vac in areas with flammable gases, vapors or explosive dust in the air. Flammable gases or vapors include but are not limited to: lighter fluid, solvent-type cleaners, oil-based paints, gasoline, alcohol or aerosol sprays. Explosive dusts include but are not limited to: coal, magnesium, aluminum, and grain or gun powder. Do not vacuum explosive dust, flammable or combustible liquids or hot ashes. Do not use this vac as a sprayer for any flammable or combustible liquid. To reduce the risk of health hazards from vapors or dusts, do not vacuum toxic materials.
WARNING:
The operation of any utility vac can result in foreign objects being blown into the eyes, which can result in severe eye damage. Always wear safety eyewear complying with ANSI Z87.1 or in Canada, CSA Z94.3 before starting operation.
CAUTION:
To reduce risk of hearing damage, wear ear protectors when using the vac for extended hours or when using it in a noisy area.
This vac is assembled at the factory and ready for use when you remove it from the carton. The unit is ready for dry vacuuming or blowing. After you plug the power cord into the wall receptacle, turn the unit “ON” by pushing the switch from position “O” to position “I”. The “O” is the “OFF” position and the “I” is the “ON” position.
DRY PICK-UP
- The filter must always be in correct position to reduce the risk of leaks and possible damage to vac. Make sure that the filter is completely covering the filter cage. Make sure there are no gaps between the filter and the lid. (See illustration). It is very important to assemble the filter to the cage without allowing any possible leaks or tears. Any leaks will allow the picked up debris to be blown out of the blowing port and back into the surrounding environment.
- When using your vac to pick up very fine dust, it will be necessary to empty the dust tank and clean or replace the filter at more frequent intervals to maintain peak vac performance.
NOTE:
A dry filter is necessary to pick up dry material. If you use your vac to pick up dust when the filter is wet, the filter will clog quickly and be very difficult to clean. If the filter gets wet, replace it before continuing to do dry pickups.
INSTALLING THE CARTRIDGE FILTER
The cartridge filter can be used for wet or dry pick, installation is the same for both.
- With the power head in an upside down position, slide the cartridge filter down over the lid cage, push the filter seals against the power head.
- Place filter retainer into the top of the cartridge filter, hold the power head with one hand, turn the handle on filter retainer clockwise to tighten, locking the filter into place.
- To remove the filter for cleaning, again hold the power head and turn the filter retainer counter-clockwise to loosen and remove, slide the cartridge filter off the lid cage.
- To cleaning the cartridge filter, shake or brush off excess dirt or rinse (from the inside of the filter) with water, dry completely (approximately 24 hours) and re-install.
NOTE:
If the filter has been used for wet pick-up, it must be cleaned and dried before using for dry pick-up.
INSTALLING DISPOSABLE FILTER BAG
- Slide the cardboard collar opening firmly onto the vacuum port deflector until it stops against the deflector wall.
- Position the bag so that it is distributed around the inside of the tank.
- Replace and secure the power head onto the tank.

WET PICK-UP
This cleaner requires only a minimum of conversion when going from dry to wet pick-up. Remove ALL dry pick-up filters. A clean cartridge filter may be used for vacuuming small amounts of liquids. For best results when vacuuming large quantities of liquid, remove the cartridge filter.
The cartridge filter must be positioned over the filter cage while vacuuming liquids. When picking up several tanks full of liquid, the cartridge filter will become saturated and misting may appear in the exhaust air. At this time, you should dry or replace the cartridge filter to eliminate the misting and possible dripping of liquid around the lid. After completing a wet pick-up job, raise the hose to drain any excess liquid into the tank before shutting off. The interior of tank should be periodically cleaned.
- Always disconnect the plug from the wall receptacle before removing the power head. Place power head in an upside down position. Remove cartridge filter by sliding it up and off the filter cage.
- Shake excess dust off cartridge filter with a rapid up and down movement.
NOTE:WET PICK-UP ACCESSORIES SHOULD BE WASHED PERIODICALLY, ESPECIALLY AFTER PICKING UP WET,STICKY KITCHEN ACCIDENTS. THIS CAN BE ACCOMPLISHED WITH A WARM SOLUTION OF SOAP AND WATER. - This wet/dry vac is equipped with a float mechanism which will rise automatically to cut off the airflow when the liquid in the tank reaches a predetermined level. When this happens, turn off vac, unplug the power cord, and empty the dust tank. You will know that the float has shut the airflow off because the suction ceases and the motor noise becomes higher in pitch due to increased motor speed. The liquid capacity may vary with the rate of pickup.
IMPORTANT: To reduce the risk of damage to the vac, do not run motor with float in raised position.
NOTE:IF ACCIDENTALLY TIPPED OVER, THE VACUUM COULD CLOSED SUCTION. IF THIS OCCURS, PLACE VAC IN UPRIGHT POSITION AND TURN SWITCH OFF. THIS WILL ALLOW THE FLOAT TO RETURN TO ITS NORMAL POSITION, AND YOU WILL BE ABLE TO CONTINUE OPERATION.
EMPTY THE TANK
WARNING:
To reduce the risk of injury from accidental starting, unplug power cord before emptying the dust tank.
- Remove the power head assembly of the wet/dry vac by pulling outward on the lid clips located on each side of the vac. Lift off the power head assembly.
Dump the tank contents into the proper waste disposal container.
- Liquid waster may be emptied by removing the tank drain. To empty, turn unit off and remove plug from the wall receptacle. Remove the drain cap and deposit the liquid
waste conents in a suitable drain. After tank is emplty, return the drain cap to its original position. To continue use, plug the cord into the wall receptacle and turn the unit on.
BLOWING OPERATION
WARNING: Always wear safety eyewear complying with ANSI Z87.1 or in Canada CSA Z94.3 when using as a blower.
WARNING: To avoid injury to bystanders, keep them clear of blowing debris.
CAUTION: Wear a dust mask if blowing creates dust which might be inhaled.
CAUTION: To reduce the risk of hearing damage, wear ear protectors when using the vac/blower for extended hours or when using it in a noisy area.
Your vac contains a blowing feature. It has the capability to blow sawdust and other debris. It can be used to blow dust and debris out of garages or off patios and driveways. Follow the steps below to use your vac as a blower.
- Locate blowing port on your vac.
- Insert one end of the hose into the blowing port.
- Turn vac “ON”.

CARE AND MAINTENANCE
FILTER REPLACEMENT
WARNING: To reduce the risk of injury from accidental starting, unplug power cord before changing or cleaning filter. Your filter should be cleaned often to maintain peak vac performance.
IMPORTANT: After cleaning, check the filter for tears or small holes. Do not use a filter with holes or tears in it. Even a small hole can cause a lot of dust to come out of your vac. Replace it immediately.
WARNING: Do not remove filter cage and float. The float prevents water from entering the impeller and damaging the motor. The cage prevents fingers from touching the moving impeller.
CLEANING
To keep your wet/dry vac looking its best, clean the outside with a cloth dampened with warm water and mild soap.To clean the tank:
- Dump out debris.
- Wash tank thoroughly with warm water and mild soap.
- Wipe out with dry cloth.
FILTER CLEANING
- To remove the cartridge filter for cleaning, hold the power head and turn the filter retainer counter-clockwise to loose and remove.
- To clean filter, brush off excess dirt with water, DRY completey (approximately 24hours) and re-install.

STORAGE
Before storing your vac, the dust tank should be emptied and cleaned. The cord should be wrapped and hung on the unit and the accessories should be kept in the accessory holder so they can be readily available. The vac should be stored indoors.
TROUBLESHOOTING
WARNING!
TO REDUCE THE RISK OF INJURY FROM MOVING PARTS AND/OR ELECTRICAL SHOCK, TURN POWER SWITCH OFF AND DISCONNECT GROUNDED PLUG FROM ELECTRICAL OUTLET BEFORE PERFORMING TROUBLESHOOTING CHECKS.
Minor problems often can be fixed without calling customer service.
| PROBLEM | POSSIBLE CAUSE | CORRECTIVE ACTION |
| Vacuum not run | No electricity | Make sure electrical outlet has voltage (A qualified electrician may need to be contacted) |
| Loss of suction, wet pick-up | 1.Full tank 2.Clogged hose 3.Clogged filter | 1.Drain and clean tank 2.Remove hose and clean debris 3.Clean or replace filter |
| Loss of suction, dry pick-up | 1.Full tank 2.Clogged hose 3.Clogged filter | 1.Drain and clean tank 2.Remove hose and clean debris 3.Clean or replace filter |
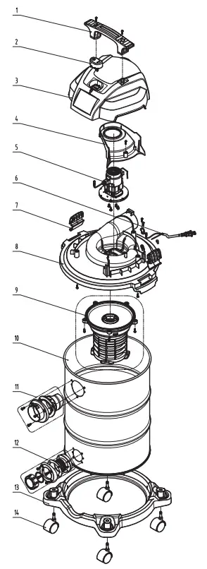
EXPLODED VIEW / PARTS LIST

| PART | DESCRIPTION | QTY |
| 1 | Handle | 1 |
| 2 | On/off switch | 1 |
| 3 | Top cover | 1 |
| 4 | Fan housing | 1 |
| 5 | Motor | 1 |
| 6 | Power cord | 1 |
| 7 | Lid latches | 2 |
| 8 | Middle frame | 1 |
| 9 | Motor bottom support | 1 |
| 10 | Dust tank | 1 |
| 11 | Vacuum port | 1 |
| 12 | Drain port | 1 |
| 13 | Caster dolly | 1 |
| 14 | Caster | 4 |
WARRANTY
Alton Industry Ltd. Group
1 year Limited Warranty
This warranty covers any defects in materials or workmanship of the enclosed product. Alton Industry Ltd. Group will repair or replace any defective materials due to craftsmanship of the product. This warranty does not cover any problem caused by misuse, abuse, accidents or acts of God, such as floods or hurricanes. Consequential and incidental damages are not covered under this warranty. Coverage terminates if you sell or otherwise transfer the ownership. If you feel you have a defective product, please submit a copy of your receipt to the address below and call 1-888-899-0146 for instructions prior returning this item to the store or sending back to:
Alton Industry Ltd. Group
1031 North Raddant Rd
Batavia, Illinois 60510
We will inspect the product and contact you within 72 hours to give you the results of our inspection. We reserve the right to repair or replace the product at our discretion. However, we may replace the product with one of similar but not exact features. Parts and Service Information available call Alton Industry at 1-888-899-0146 This warranty gives you specific legal rights. You may have other rights which vary from state to state.
This manual was downloaded from wet-dry-vac.com The most comprehensive source of information about wet/dry shop vacuums on the Internet!
Wet-dry-vac.com allows you to learn about how to purchase a wet/dry vac, compare and review detailed specifications on hundreds of models, and find compatible filters.
You can also view manuals, parts lists and brochures for hundreds of models. Plus, you can find the best prices for vacuums and filters, and purchase online right from the site.
Wet-Dry-Vac.com Site Copyright ©2023 Christopher Komuves
Stanley® and
are trademarks of Stanley Black & Decker, Inc.,
or its affiliates and are used under license by Alton Industry Ltd. Group
©2016 The Stanley Black & Decker, Inc.
New Britain, CT 06053 U.S.A
http://www.stanleyblackanddecker.com


























