HILTI WSC 85 Cordless Circular Saw

Information about the documentation
About this documentation
- Read this documentation before initial operation or use. This is a prerequisite for safe, trouble-free handling and use of the product.
- Observe the safety instructions and warnings in this documentation and on the product.
- Always keep the operating instructions with the product and make sure that the operating instructions are with the product when it is given to other persons.
Explanation of symbols used
Warnings
Warnings alert persons to hazards that occur when handling or using the product. The following signal words are used:
DANGER!
- Draws attention to imminent danger that will lead to serious personal injury or fatality.
WARNING!
- Draws attention to a potential threat of danger that can lead to serious injury or fatality.
CAUTION!
- Draws attention to a potentially dangerous situation that could lead to slight personal injury or damage to the equipment or other property.
Symbols in the documentation
The following symbols are used in this document:
- Read the operating instructions before use.
- Instructions for use and other useful information
- Dealing with recyclable materials
- Do not dispose of electric equipment and batteries as household waste
Symbols in the illustrations
The following symbols are used in illustrations:
- These numbers refer to the corresponding illustrations found at the beginning of these operating instructions
- The numbering reflects the sequence of operations shown in the illustrations and may deviate from the steps described in the text
- Item reference numbers are used in the overview illustrations and refer to the numbers used in the product overview section
- This symbol is intended to draw special attention to certain points when handling the product.
Product-dependent symbols
Symbols on the product
The following symbols are used on the product:

Product information
products are designed for professional users and only trained, authorized personnel are permitted to operate, service and maintain the products. This personnel must be specifically informed aboutthe possible hazards. The product and its ancillary equipment can present hazards if used incorrectly by untrained personnel or if used not in accordance with the intended use. The type designation and serial number are printed on the rating plate.
- Write down the serial number in the table below. You will be required to state the product details when contacting Hilti Service or your local Hilti organization to inquire about the product.
Product information
| Type: | WSC 85 |
| Generation: | 01 |
| Serial no.: |
Declaration of conformity
We declare, on our sole responsibility, that the product described here complies with the applicable directives and standards. A copy of the declaration of conformity can be found at the end of this documentation. The technical documentation is filed here:
Hilti Entwicklungsgesellschaft mbH | Tool Certification | Hiltistrasse 6 | 86916 Kaufering, Germany
Safety
General power tool safety warnings
WARNING Read all safety warnings, instructions, illustrations and specifications provided with this power tool. Failure to follow all instructions listed below may result in electric shock, fire and/or serious injury. Save all warnings and instructions for future reference. The term “power tool” in the warnings refers to your mains-operated (corded) power tool or battery-operated (cordless) power tool.
Work area safety
- Keep work area clean and well lit. Cluttered or dark areas invite accidents.
- Do not operate power tools in explosive atmospheres, such as in the presence of flammable liquids, gases or dust. Power tools create sparks which may ignite the dust or fumes.
- Keep children and bystanders away while operating a power tool. Distractions can cause you to lose control.
Electrical safety
- Power tool plugs must match the outlet. Never modify the plug in any way. Do not use any adapter plugs with earthed (grounded) power tools. Unmodified plugs and matching outlets will reduce risk of electric shock.
- Avoid body contact with earthed or grounded surfaces, such as pipes, radiators, ranges and refrigerators. There is an increased risk of electric shock if your body is earthed or grounded.
- Do not expose power tools to rain or wet conditions. Water entering a power tool will increase the risk of electric shock.
- Do not abuse the cord. Never use the cord for carrying, pulling or unplugging the power tool. Keep cord away from heat, oil, sharp edges or moving parts. Damaged or entangled cords increase therisk of electric shock.
- When operating a power tool outdoors, use an extension cord suitable for outdoor use. Use of a cord suitable for outdoor use reduces the risk of electric shock.
- If operating a power tool in a damp location is unavoidable, use a residual current device (RCD) protected supply. Use of an RCD reduces the risk of electric shock.
Personal safety
- Stay alert, watch what you are doing and use common sense when operating a power tool. Do not use a power tool while you are tired or under the influence of drugs, alcohol or medication. A moment of inattention while operating power tools may result in serious personal injury.
- Use personal protective equipment. Always wear eye protection. Protective equipment such as a dust mask, non-skid safety shoes, hard hat or hearing protection used for appropriate conditions will reduce personal injuries.
- Prevent unintentional starting. Ensure the switch is in the off-position before connecting to power source and/or battery pack, picking up or carrying the tool. Carrying power tools with your finger on the switch or energising power tools that have the switch on invites accidents.
- Remove any adjusting key or wrench before turning the power tool on. A wrench or a key left attached to a rotating part of the power tool may result in personal injury.
- Do not overreach. Keep proper footing and balance at all times. This enables better control of the power tool in unexpected situations.
- Dress properly. Do not wear loose clothing or jewellery. Keep your hair, clothing and gloves away from moving parts. Loose clothes, jewellery or long hair can be caught in moving parts.
- If devices are provided for the connection of dust extraction and collection facilities, ensure these are connected and properly used. Use of dust collection can reduce dust-related hazards.
- Do not let familiarity gained from frequent use of tools allow you to become complacent and ignore tool safety principles. A careless action can cause severe injury within a fraction of a second.
Power tool use and care
- Do not force the power tool. Use the correct power tool for your application. The correct power tool will do the job better and safer at the rate for which it was designed.
- Do not use the power tool if the switch does not turn it on and off. Any power tool that cannot be controlled with the switch is dangerous and must be repaired.
- Disconnect the plug from the power source and/or remove the battery pack, if detachable, from the power tool before making any adjustments, changing accessories, or storing power tools. Such preventive safety measures reduce the risk of starting the power tool accidentally.
- Store idle power tools out of the reach of children and do not allow persons unfamiliar with the power tool or these instructions to operate the power tool. Power tools are dangerous in the hands of untrained users
- Maintain power tools and accessories. Check for misalignment or binding of moving parts, breakage of parts and any other condition that may affect the power tool’s operation. If damaged,have the power tool repaired before use. Many accidents are caused by poorly maintained power tools.
- Keep cutting tools sharp and clean. Properly maintained cutting tools with sharp cutting edges are less likely to bind and are easier to control.
- Use the power tool, accessories and tool bits etc. in accordance with these instructions, taking into account the working conditions and the work to be performed. Use of the power tool for operations different from those intended could result in a hazardous situation.
- Keep handles and grasping surfaces dry, clean and free from oil and grease. Slippery handles and grasping surfaces do not allow for safe handling and control of the tool in unexpected situations.
Battery tool use and care
- Recharge only with the charger specified by the manufacturer. A charger that is suitable for one type of battery pack may create a risk of fire when used with another battery pack.
- Use power tools only with specifically designated battery packs. Use of any other battery packs may create a risk of injury and fire.
- When battery pack is not in use, keep it away from other metal objects, like paper clips, coins, keys, nails, screws or other small metal objects, that can make a connection from one terminal to another. Shorting the battery terminals together may cause burns or a fire.
- Under abusive conditions, liquid may be ejected from the battery; avoid contact. If contact accidentally occurs, flush with water. If liquid contacts eyes, additionally seek medical help. Liquid ejected from the battery may cause irritation or burns.
- Do not use a battery pack or tool that is damaged or modified. Damaged or modified batteries may exhibit unpredictable behaviour resulting in fire, explosion or risk of injury.
- Do not expose a battery pack or tool to fire or excessive temperature. Exposure to fire or temperature above 130° C (265 °F) may cause explosion.
- Follow all charging instructions and do not charge the battery pack or tool outside the temperature range specified in the instructions. Charging improperly or at temperatures outside the specified rangemay damage the battery and increase the risk of fire.
Service
- Have your power tool serviced by a qualified repair person using only identical replacement parts. This will ensure that the safety of the power tool is maintained.
- Never service damaged battery packs. Service of battery packs should only be performed by the manufacturer or authorized service providers.
Drill/driver safety warnings
- Hold the power tool by insulated gripping surfaces, when performing an operation where the fastener may contact hidden wiring. Fasteners contacting a “live” wire may make exposed metal parts of the power tool “live” and could give the operator an electric shock.
Additional safety precautions for screwdrivers
Personal safety
- Use the product only when it is in perfect working order.
- Never tamper with or modify the tool in any way.
- Use the auxiliary grips supplied with the power tool. Loss of control can cause personal injury.
- Always hold the tool firmly with both hands on the grips provided. Keep the grips clean and dry.
- Do not touch rotating parts – risk of injury!
- Wear suitable protective glasses, a hard hat, ear protection, protective gloves and light respiratory
protection while using the power tool. - Wear protective gloves also when changing the tool. Touching the accessory tool can result in cuts and
burns. - Wear eye protection. Flying fragments can injure the body and eyes.
- Before starting work, check the hazard class of the dust that will be produced when working. Use
an industrial vacuum cleaner with an officially approved protection class in compliance with the locally
applicable dust protection regulations. Dust from materials such as lead-based paint, certain types of
wood and concrete/masonry/stone containing quartz, minerals or metal can be harmful to health. - Make sure that the workplace is well ventilated and, where necessary, wear a respirator appropriate for
the type of dust generated. Contact with or inhalation of the dust may cause allergic reactions and/or
respiratory or other diseases among operators or bystanders. Certain kinds of dust are classified as
carcinogenic such as oak and beech dust, especially in conjunction with additives for wood conditioning
(chromate, wood preservative). Only specialists are permitted to handle material containing asbestos. - Take breaks and do physical exercises to improve the blood circulation in your fingers. Exposure to
vibration during long periods of work can lead to disorders of the blood vessels and nervous system in
the fingers, hands and wrists.
Electrical safety
- Before beginning work, check the working area for concealed electric cables or gas and water pipes. External metal parts of the power tool may give you an electric shock if you damage an electric cable accidentally.
Power tool use and care
- Immediately switch off the power tool if the accessory tool jams. The power tool might twist off-line.
- Wait until the power tool stops completely before you lay it down.
Battery use and care
- Observe the special regulations and instructions applicable to the transport, storage and use of Li-ion batteries.
- Do not expose batteries to high temperatures, direct sunlight or fire.
- Do not disassemble, crush or incinerate batteries and do not subject them to temperatures over 80 °C.
- Do not use or charge batteries that have suffered the mechanical impact, have been dropped from a height or show signs of damage. In this case, always contact your Hilti Service.
- If the battery is too hot to touch it may be defective. In this case, place the product in a non-flammable location, well away from flammable materials, where it can be kept under observation and allowed tocool down. In this case, always contact your Hilti Service.
Description
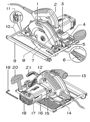
Overview of the product 1

- Sawdust ejection
- On/off switch
- Cutting angle scale
- Clamping screw for blade angle adjustment
- Clamping screw for fence
- Cutting line indicator
- Cutting depth scale
- Pivoting guard
- Fence
- Riving knife
- Securing screws for riving knife
- Switch-on interlock release button
- Suction adapter
- Clamping screw for fence
- Lock for cutting depth
- Base plate
- Drive spindle lock button
- Air vents
- Hex key
- Auxiliary grip
- Adjusting lever for cutting depth
Intended use
The product described is a hand-held cordless electric tool, equipped with a clutch, for use in drywall installation work. The power tool is designed for driving and removing screws in drywall installation work. Drywall screws with a length of up to 55 mm and a diameter of up to 4.2 mm can be used. Do not use the product to work with materials hazardous to the health (e.g. asbestos)
- Use only Hilti Liion batteries of the B 22 series with this product.
- Use only Hilti battery chargers of the C4/36 series for charging these batteries.
Items supplied
Drywall screwdriver, depth gauge, bit holder, bit, operating instructions Other system products approved for use with this product can be found at your local Hilti Store or at: www.hilti.group.
Overloading and overheating protection
The drywall screwdriver is protected from overloading and overheating by an automatic cut-out. Overloading or overheating is indicated by the four LEDs blinking. After overheating, when the control switch is pressed to restart the screwdriver, there may be a delay before the screwdriver restarts.
Technical data
| WSC 85 | |
| Power output | 1,260 W |
| No-load speed | 4,500 /min |
| Speed under load | 3,100 /min |
| Cutting speed under no load | 54 m/s |
| Cutting speed under load | 37.3 m/s |
| Cutting depth at 0 ° | 0 mm … 85 mm |
| Cutting depth at 45 ° | 0 mm … 60 mm |
| Cutting depth at 60° | 0 mm … 43 mm |
| Saw blade diameter | 207 mm … 230 mm |
| Saw blade arbor size | 30 mm |
| Riving knife thickness (standard) | 2 mm |
| Weight in accordance with EPTA procedure 01 | 7.8 kg |
| Protection class | II |
Noise information and vibration values in accordance with EN 62841
The sound pressure and vibration values given in these instructions were measured in accordance with a standardized test and can be used to compare one power tool with another. They can also be used for a preliminary assessment of exposure. The data given represent the main applications of the power tool. However, if the power tool is used for different applications, with different accessory tools, or is poorly maintained, the data can vary. This can significantly increase exposure over the total working period.An accurate estimation of exposure should also take into account the times when the tool is switched off, or when it is running but not actually being used for a job. This can significantly reduce exposure over the total working period. Identify additional safety measures to protect the operator from the effects of noise and/or vibration, for example: maintaining the power tool and accessory tools, keeping the hands warm, and organization of work patterns.
Noise information
| WSC 85 | |
| Emission sound pressure level (LpA) | 94 dB(A) |
| Uncertainty for the sound pressure level (KpA) | 3 dB(A) |
| Sound power level (LWA) | 105 dB(A) |
| Uncertainty for the sound power level (KWA) | 3 dB(A) |
Preparations at the workplace


CAUTION
Risk of injury by inadvertent starting!
- Before inserting the battery, make sure that the product is switched off.
- Remove the battery before making any adjustments to the power tool or before changing accessories.
Observe the safety instructions and warnings in this documentation and on the product.
Charging the battery
- Before charging the battery, read the operating instructions for the charger.
- Make sure that the contacts on the battery and the contacts on the charger are clean and dry.
- Use an approved charger to charge the battery.
Inserting the battery
CAUTION
Risk of injury by short circuit or falling battery!
- Before inserting the battery, make sure that the contacts on the battery and the contacts on the product are free of foreign matter.
- Make sure that the battery always engages correctly.
- Charge the battery fully before using it for the first time.
- Push the battery into the battery holder until it engages with an audible click.
- Check that the battery is seated securely.
Removing the battery
- Press the release buttons on the battery.
- Pull the battery out of its holder in the device.
Fitting the belt hook (optional) 2
The belt hook enables you to attach suitable power tools to your belt. It can be fitted to allow attachment on the left or right side of the body.
CAUTION
Risk of injury by falling power tools!
- Check that the belt hook is fitted securely before beginning work.
- Fit the belt hook.
- Attach your power tool to the belt hook.
- Check that belt hook and power tool are secure.
Working safely with the belt hook and universal hook
- Before beginning work, make sure that the belt hook and universal hook are securely attached to the screwdriver.
- Use the universal hook only when necessary. Lay the screwdriver down in a safe place when it is not in use for a long period.
Changing the accessory tool. 3
- Pull the depth gauge away from the power tool, releasing the snap-on connection.
- Push the chuck towards the screwdriver, turning the chuck slightly at the same time, and then hold it in this position.
- Remove the accessory tool with your other hand.
- Insert the desired accessory tool in the chuck, pushing it into the screwdriver as far as it will go
Forward / reverse 4
The control switch is locked when the forward/reverse switch is in the middle position (safety lock).
- Set the forward/reverse selector switch to forward or reverse rotation.
Types of work

ATTENTION
Risk of damage by incorrect handling!
- Do not operate the switches for direction of rotation and/or function selection during operation.
Observe the safety instructions and warnings in this documentation and on the product.
Driving screws 5
WARNING
Electrical hazards There is a risk of electric shock if a screw is driven into a concealed electric cable and, at the same time, the bit holder or depth gauge is touched.
- Hold the screwdriver only by the grip when driving or removing screws.
- Set the screwdriver to forward rotation.
- Check that the battery is in the working position.
- Position the screw on the bit and bring the tip of the screw into contact with the working surface.
- Use the control switch to regulate the speed of the screwdriver.
Removing screws
- Pull the depth gauge off.
- Set the screwdriver to reverse rotation.
- Insert the bit in the head of the screw and use the control switch to regulate the speed of the screwdriver.
- Refit the depth gauge after removing the screws.
Switching on in sustained operating mode 6
- Switch on in sustained operating mode.
Switching off after sustained operation
- Press the control switch.
- The lock button returns to its original position.
Care and maintenance
WARNING
Risk of injury with the battery inserted!
- Always remove the battery before carrying out care and maintenance tasks!
Care and maintenance of the tool
- Carefully remove stubborn dirt.
- Clean the air vents carefully with a dry brush.
- Use only a slightly damp cloth to clean the casing. Do not use cleaning agents containing silicone as these can attack the plastic parts.
Care of the Liion batteries
- Keep the battery free from oil and grease.
- Use only a slightly damp cloth to clean the casing. Do not use cleaning agents containing silicone as these may attack the plastic parts.
- Avoid ingress of moisture.
Maintenance
- Check all visible parts and controls for signs of damage at regular intervals and make sure that they all function correctly.
- Do not operate the product if signs of damage are found or if parts malfunction. Have it repaired immediately by Hilti Service?
- After cleaning and maintenance, fit all guards or protective devices and check that they function correctly.
To help ensure safe and reliable operation, use only genuine Hilti spare parts and consumables. Spare parts, consumables and accessories approved by Hilti for use with the product can be found at your local Hilti Store or online at: www.Hilti.group.
Transport and storage of cordless tools
Transport
CAUTION
Accidental starting during transport!
- Always transport your products with the batteries removed!
- Remove the battery.
- Never transport batteries in bulk form (loose, unprotected).
- Check the tool and batteries for damage before use after long periods of transport.
Storage
CAUTION
Accidental damage caused by defective or leaking batteries!
- Always store your products with the batteries removed!
- Store the tool and batteries in a place that is as cool and dry as possible.
- Never store batteries in direct sunlight, on heating units or behind a window pane.
- Store the tool and batteries in a place where they cannot be accessed by children or unauthorized persons.
- Check the tool and batteries for damage before use after long periods of storage.
Troubleshooting
If the trouble you are experiencing is not listed in this table or you are unable to remedy the problem by yourself, please contact Hilti Service.
| Trouble or fault | Possible cause | Action to be taken |
| The power tool does not de- velop full power. | The extension cord is too long or its gauge is inadequate. | ▶ Use an extension cord of an approved length and/or of adequate gauge. |
| The voltage provided by the elec- tric supply is too low. | ▶ Check the ratings on your tool’s type identification plate. | |
| The power tool does not work. | The voltage provided by the elec- tric supply is too low. | ▶ Plug in another power tool or appliance and check whether it works. |
| The supply cord or plug is defec- tive. | ▶ Have the tool checked by a trained electrical specialist. | |
| The on / off switch is defective. | ▶ Have the tool checked by a trained electrical specialist. | |
| The carbon brushes are worn. | ▶ Have the power tool checked by a trained electrical specialist and the carbon brushes replaced if necessary. | |
| No suction power or reduced suction power | The chip ejector channel is blocked. | ▶ Clean the chip ejector channel. |
Disposal
Most of the materials from which Hilti tools and appliances are manufactured can be recycled. The materials must be correctly separated before they can be recycled. In many countries, your old tools, machines or appliances can be returned to Hilti for recycling. Ask Hilti Service or your Hilti representative for further information.
Battery disposal
Improper disposal of batteries can result in health hazards from leaking gases or fluids.
- DO NOT send batteries through the mail!
- Cover the terminals with a non-conductive material (such as electrical tape) to prevent short-circuiting.
- Dispose of your battery out of the reach of children.
- Dispose of the battery at your Hilti Store, or consult your local governmental garbage disposal or public health and safety resources for disposal instructions.
- Do not dispose of power tools, electronic equipment or batteries as household waste!
RoHS (Restriction of Hazardous Substances)
Click on the links to go to the table of hazardous substances: qr.hilti.com/r4263 There is a link to the RoHS table, in the form of a QR code, at the end of this document
Manufacturer’s warranty
- Please contact your local Hilti representative if you have questions about the warranty conditions.


















