SOLARIA PowerXT-320R-BX PowerXT High Power Solar Panel

Introduction
This document provides safety and installation information for the PowerXT® residential solar modules.
Read this document before installing, wiring, or using this product. Failure to comply with these instructions will invalidate the Solaria Limited Warranty and may cause loss, damage, injury, or death.
Module limited warranty is described in The Solaria Corporation PowerXT® Warranty document. This document is available at www.solaria.com.
Safety Precautions
Before installing the modules, read all safety instructions in this document.
- Modules produce direct current (DC) when exposed to light. Direct current can arc across gaps and may cause injury or death if improper connection or disconnection is made, or if contact is made with exposed leads. Do not connect or disconnect modules when current from the modules or an external source is present.
- Do not operate the modules in a short circuit condition for extended periods of time.
- Do not artificially expose additional high intensity sunlight directly on the module.
- Do not disconnect modules while under load.
- All installations must be performed in compliance with local, regional, national and international statutory regulations, guidelines, norms and code requirements.
- For projects in Canada, the installations shall be performed in accordance with CSA C22.1, Safety Standard for Electrical Installations, Canadian Electrical Code, Part 1.
- There are no user serviceable parts within the module. Do not attempt to repair any part of the module.
- Installation should be performed by authorized personnel only.
- Use insulated tools to reduce risk of electric shock. Do not touch terminals with bare hands.
- Use heavy duty gloves to reduce risk of injury from sharp edges or corners.
- Do not stand on, drop, or allow objects to fall on modules.
- Do not install or handle modules when they are wet or during periods of high wind.
- Before installing your system, contact local authorities to determine necessary permit, installation and inspection requirements.
- Module support structures should be snow and wind load rated per local code and approved for use by the local authorities.
- The solar system, its components, and installation should be approved by the authorities having jurisdiction in the area.
FIRE RATING AND SAFETY
- PowerXT R-PD & R-PM residential solar modules are UL 61730 fire type 1 rated and IEC 61730 application class II. The solar modules have been certified by an independent third-party testing laboratory.
- Refer to your local authority for guidelines and requirements for building or structural fire safety.
- The roof construction and installation may affect the fire safety of a building: improper installation may contribute to hazards in the event of fire.
- It may be necessary to use components such as earth fault circuit breakers, fuses and circuit breakers.
- Do not use modules near equipment or locations where flammable gases can be generated or can collect.
![]() | Artificially concentrated sunlight shall not be directed onto the module. |
ELECTRICAL INSTALLATION
![]() | Caution: Avoid all electrical hazards when installing, wiring, operating, and maintaining a module or module array. Refer to Section 2 for more information |
- The system must be installed, commissioned and maintained by a licensed electrician unless local electrical codes determine otherwise.
- Contact with DC voltage is potentially hazardous.
- Do not use modules of different electrical or physical configurations in the same DC string or inverter.
- For field connections, Solaria recommends that all connecting cables be double insulated flexible copper (Cu) conductors with a minimum rating of 90°C. The cable size should be determined by the applicable codes but is recommended that this be no less than 4mm² or 12AWG. The connectors must be compatible with the factory installed connectors on Solaria panels (MC4 design) or as specified in the product datasheet.
- Series Connection: The modules may be wired in series to produce the desired voltage output. Do not exceed the maximum system voltage indicated on the module label.
- Parallel Connection: The modules may be combined in parallel to produce the desired current output provided that each series string or module is fused prior to combining with other strings. The maximum fuse size allowed is noted on the module label.
- Connection cables and wiring shall be supported with plastic or rubber cable ties and clips to the module support structures. Metal clips specifically designed to be used in solar applications are allowed when used in accordance with the manufacturer’s instructions. Module junction boxes and metal cable ties should not be used to support cables and wiring.
- Under normal conditions, a photovoltaic module is likely to experience conditions that produce more current and/or voltage than reported at Standard Test Conditions (STC). The requirements of the National Electrical Code (NEC) shall be followed to address these increased outputs. In installations not under the requirements of the NEC, the values of Isc and Voc marked on this module should be multiplied by a factor of 1.25 when determining component voltage ratings, conductor capacities, fuse sizes, and size of controls connected to the PV output
- Refer to the NEC for additional multiplying factors that may be applicable.
- All Solaria modules are equipped with connecting cables and locking connectors. Modules have been designed to be easily connected. The locking connectors are not to be disconnected under load. The proper procedure to disconnect the module locking connectors is as follows: Turn off the inverter(s), shut off the module DC disconnect(s) and then disconnect the locking connectors using an approved tool set. To re-install, connect the module locking connectors, turn on the module DC disconnect(s) and turn on the inverter(s).
- Match the polarities of the cables and terminals when making connections; failure to do so may result in damage to the modules and other electrical equipment
- A properly rated and certified over-current device must be connected in series with each module or string of modules when reverse currents can exceed the value of the maximum protective fused value noted on the module label. The rating of the over-current device shall not exceed the value of the maximum protective fuse rating specified on the module label.
- All Solaria modules are factory supplied with bypass diodes located in the junction box.
- The junction box is not designed or certified to be field accessible or maintainable and should under no circumstances be opened. Opening the junction box may void the module warranty.
Grounding (Grid-tied applications)
- Before installing the solar system, contact local authorities to determine the necessary system hardware grounding requirements.
- Module frames should be electrically connected to an earth ground for safety and protection from lightning in accordance to the National Electric Code (NEC).
- PowerXT® residential solar modules may be installed on a mounting system certified to UL 2703 with approval of the mounting system manufacturer.
- When using a mounting system, grounding of modules must be accomplished by the method prescribed by the mounting system manufacturer.
- Where common grounding hardware (nuts, bolts, star washers, split-ring lock washers, flat washers and the like) are used to attach the solar module to a listed grounding/bonding device, the attachment must be made in conformance with the grounding device manufacturer’s instructions. Common hardware items such as nuts, bolts, star washers, lock washers, and the like have not been evaluated for electrical conductivity or for use as grounding devices and should be used only for maintaining mechanical connections and holding electrical grounding devices in the proper position for electrical conductivity. Such devices, where supplied with the module and evaluated through the requirements in IEC/UL 61730, may be used for grounding connections in accordance with the instructions provided with the module.
- Follow these instructions to ground the module.
- The module frame has four 4.5 mm grounding holes (`A’) that are shown on the module drawing. Attach a 10 AWG (2.588 mm diameter) bare copper ground conductor to a grounding lay-in lug mounted at one of the four grounding holes on the module frame. Use a grounding lug with tin plating and stainless-steel hardware (#10-32 hex head screw at 4 mm diameter, flat washers, tooth lock washer and nut).
- A #10 flat washer must be used between the screw head and the grounding lug to prevent damage to the tin plating on the lug. Insert a #10 flat washer between the grounding lug and the module frame. A #10 tooth lock washer must be inserted between the nut and the module frame to break the anodized layer of the frame. This mechanical bond between the tooth lock washer and the frame of the module will ensure a good electrical bonding path.
- The #10-32 assembly attachment screw must be tightened between 20-25 inch-pound. A 10 AWG bare copper ground conductor must be attached to the ground lug using the stainless-steel set screw provided by the lug manufacturer. Tighten the set screw between 10-15 inch-pound to ensure a strong mechanical and electrical bond.
- Recommended stainless steel hardware and assembly:

Non Grid-Tied Applications
- Contact Solaria for appropriate grounding guidelines.
Module Mounting
The Solaria Limited Product Warranty is contingent upon modules being mounted in accordance to the requirements described in this section.
Site Considerations
Solaria modules should be mounted in locations that meet the following requirements.
- Module should not be mounted in locations where it will be in direct contact with salt water.
- When choosing a site, avoid obstructions that could cast shadows on the modules as much as possible.
Mechanical Installation
Solaria module mounting configurations must meet the following requirements:
- Do not remove or alter the module frame. Creating additional mounting holes may damage the module and reduce the strength of the frame.
- For roof mounting, the modules should be mounted over a fire-resistant covering rated for the application.
- Clearance of 7 mm or more between modules is required to allow for thermal expansion of the frames.
- Clearance of 100 mm or more is recommended between the modules and the rooftop or nearest surface.
- Always keep the back surface of the module free from any foreign objects or structural elements which could come into contact with the module.
- Ensure that the modules are not subject to wind or snow loads in excess of the maximum permissible loads and are not subject to excessive forces due to thermal expansion of the support structure.
- Modules have been tested to Mechanical Loading Test requirements of IEC/UL 61730.
- The fire rating of this module is valid only when mounted in the manner specified in the mechanical mounting instructions.
- The module is considered to be in compliance with IEC/UL certifications only when the module is mounted in the manner specified by the mounting instructions.
- A module with exposed conductive parts is considered to be in compliance with IEC/UL 61730 only when it is electrically grounded in accordance with the instructions presented in this document and the requirements of the National Electrical Code, ANSI / NFPA 70 (2014-2017).
- Any module without a frame (laminate) shall not be considered to comply with the requirements of IEC/UL 61730 unless the module is mounted with hardware that has been tested and evaluated with the module under this standard or by a field inspection certifying that the installed module complies with the requirements of IEC/UL.
- The module has been qualified to operate between -40°C to 85°C in altitudes up to 2000m. y The module has been qualified to meet the heavy snow load requirement of 5400Pa (per IEC61215-2005), for test loads of 5400Pa (Front, 3rd Cycle) and 3600Pa (Back). This includes a safety factor of 1.5 for a design load of 1600Pa
- Modules can be secured with bolts or clamps.
- Mounting Using Bolts:
- Use the four 7.0mm [0.28in] x 10.0mm [0.39in] “MOUNTING SLOTS” shown on the diagram below and on module drawing in section 8. Use M6 (1/4-20) stainless steel bolts, with nuts, two washers, and a locking washer, tightened to a minimum torque of 13.6-16.3 N · m (10-12 ft · lb).
- For areas with heavy snow or when load is expected to be more than 2400Pa, rails supporting the bolted connections should run perpendicular to the length of the module.

PowerXT xxxR-PD
- Mounting Using Clamps:
- When using clamps, place clamps within the “CLAMP AREA A” or “CLAMP AREA B” as indicated on the diagram below. Follow clamp manufacturer’s recommended hardware and torque requirements for solar installations. Various clamp systems specifically designed for PV module mountings are available and compatible with PowerXT. In the absence of manufacturer’s recommendations for clamp size, Solaria recommends minimum clamp size of 40mm (1.57″).
- Maximum Allowed Loading:
| TEST LOAD | CLAMP AREA A | CLAMP AREA B |
| Front Load | 5400Pa | 2400Pa |
| Rear Load | 3600Pa | 2400Pa |
The module has been qualified to meet the heavy snow load requirement of 5400Pa (per IEC61215-2005), for test loads of 5400Pa (Front, 3rd cycle) and 3600Pa (Back, 3rd cycle). This includes a safety factor of 1.5 for a design load of 1600Pa.
PowerXT xxxR-PM
- Mounting Using Clamps:
- When using clamps, place clamps within the “CLAMP AREA A” or “CLAMP AREA B” as indicated on the diagram below. Follow clamp manufacturer’s recommended hardware and torque requirements for solar installations. Various clamp systems specifically designed for PV module mountings are available and compatible with PowerXT. In the absence of manufacturer’s recommendations for clamp size, Solaria recommends minimum clamp size of 40mm (1.57″).
- Maximum Allowed Loading:
| TEST LOAD | CLAMP AREA A | CLAMP AREA B |
| Front Load | 5400Pa | 2400Pa |
| Rear Load | 3600Pa | 2400Pa |
The module has been qualified to meet the heavy snow load requirement of 5400Pa (per IEC61215-2005), for test loads of 5400Pa (Front, 3rd cycle) and 3600Pa (Back, 3rd cycle). This includes a safety factor of 1.5 for a design load of 1600Pa.
- Mounting Using Rail-less Racking Systems:
- Typical rail-less racking system layout is shown in the diagram below.
- Attachments are to be made on the long side of the module with maximum attachment span of 48 inches and maximum cantilever of 17 inches.
- Follow racking system manufacturer’s recommendations for coupling clamps at the module corners, torques, and bonding methods.
- For rail-less systems, maximum allowed loading is 2400Pa (front) and 2400Pa (rear).

Module Direction and Tilt Angle
y Modules produce maximum energy when they are pointed directly to the Sun. Modules get maximum sunlight throughout the year if they face South in Northern Hemisphere and they face North in Southern Hemisphere.
Module Orientation
- Modules can be mounted in either “portrait” or “landscape” orientation.
Maintenance
Solaria modules are virtually maintenance free. Following simple maintenance steps will ensure reliable production of DC electric power for the expected life of the product.
- Inspect electrical and mechanical connections for safety and corrosion once every year.
- Under most weather conditions, normal rainfall is sufficient to keep the module glass surface clean.
- Modules that are mounted at a small tilt angle will not self-clean as easily as modules that are mounted at large tilt angles. If dirt build-up becomes excessive, clean glass surface with water and soft cloth. Do not use harsh cleaning materials.
- Cleaning the back surface of the module is not necessary for proper operation.
Disclaimer of Liability
- Since the use of this Safety, Installation and Operation Manual and the conditions or methods of installation, operation, use and maintenance of the module are beyond The Solaria Corporation control, The Solaria Corporation does not assume responsibility and expressly disclaims liability for loss, damage, injury or expense arising out of or in any connection with such installation, operation, use or maintenance of the module.
- The Solaria Corporation assumes no responsibility for any infringement of patents or other rights of third parties that may result from the use of the module. No license is granted by implication or otherwise under any patent or patent rights.
- The information in this Manual is based on The Solaria Corporation knowledge and experience and is believed to be reliable; but such information, including the product specifications (without limitations) and suggestions, do not constitute a warranty, expressed or implied. The Solaria Corporation reserves the right to make changes to the product specifications or this manual without prior notice.
- This document may be provided in multiple languages. If there is a conflict among versions, the English language version dominates.
Electrical Specifications
- Please refer to the module datasheet for electrical specifications. Rated electrical characteristics are within 10% of STC values. The datasheet is available at www.solaria.com.
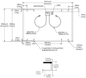
Mechanical Dimensions
PowerXT®-xxxR-PX
PowerXT®-xxxR-BX

- Nominal dimensions in millimeters and [inches] – Not Drawn to Scale
- 4x 4.5mm [0.18in] Grounding Holes ‘A’
- 4x 7.0mm [0.28in] x 10.0mm [0.39in] Mounting Slots ‘B’
- Module Weight: 20 kg (44 lbs.)
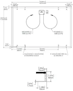
PowerXT®-xxxR-PD
PowerXT®-xxxR-BD

- Nominal dimensions in millimeters and [inches] – Not Drawn to Scale
- 4x 4.5mm [0.18in] Grounding Holes ‘A’
- 4x 7.0mm [0.28in] x 10.0mm [0.39in] Mounting Slots ‘B’
- Module Weight: 21 kg (46 lbs.)
PowerXT®-xxxR-PM

- Nominal dimensions in millimeters and [inches] – Not Drawn to Scale
- 4x 4.5mm [0.18in] Grounding Holes ‘A’
- 4x 7.0mm [0.28in] x 10.0mm [0.39in] Mounting Slots ‘B’
- Module Weight: 21 kg (46 lbs.)
Solaria USA
45700 Northport Loop East Fremont, CA 94538 United States of America
T: +1-510-270-2507
www.solaria.com
























