Razor Power Core E90 Light Up Electric Hub Motor Scooter Owner’s Manual
NOTE: The unit must be traveling at least 3 mph (5 km/h) before motor will engage. Kick to start to at least 3 mph (5 km/h) while applying the throttle to engage motor.
Read and understand this entire manual before allowing child to use this product! For assistance contact Razor.
DO NOT RETURN TO STORE.
NOTE: Manual illustrations are for demonstration purposes only. Illustrations may not reflect exact appearance of actual product.
Specifications subject to change without notice.
Please have your product along with the 19 character product I.D. code with you before contacting Razor for warranty assistance and/or replacement parts. Product I.D. Code: _____________ – ____________ – ____________
SAFETY WARNINGS
WARNING: Riding an electric scooter does present potential risks and caution is required. Like any riding product, an electric scooter has inherent hazards associated with its use (for example, falling off or riding it into a hazardous situation). Like any riding product, electric scooters can and are intended to move and it is therefore, of course, possible to lose control or otherwise get into dangerous situations. Both children, and adults responsible for supervising them, must recognize that if such things occur, a rider can be seriously injured or die even when using safety equipment and other precautions. RIDE AT YOUR OWN RISK AND USE COMMON SENSE.
WARNING: PARENTAL AND ADULT RESPONSIBILITY AND SUPERVISION IS NECESSARY: Because products, like electric scooters, can and do present potential hazards plainly associated with their use, it is well recognized THE NEED FOR EXERCISE OF PARENTAL RESPONSIBILITY IN SELECTING RIDING PRODUCTS APPROPRIATE TO THE AGE OF A CHILD, OR PARENTAL SUPERVISION IN SITUATIONS IN WHICH CHILDREN OF VARIOUS AGES MAY HAVE ACCESS TO THE SAME RIDING PRODUCTS, IS IMPORTANT. Not every product is appropriate for every age or size of child, and different age recommendations are found within this category of product which are intended to reflect the nature of the hazards and the expected mental or physical ability, or both, of a child to cope with the hazards.
The recommended minimum rider age is 8 and older. Any rider unable to fit comfortably on the scooter should not attempt to ride it. A parent’s decision to allow his or her child to ride this product should be based on the child’s maturity, skill and ability to follow rules.
Keep this product away from small children and remember that it is intended for use only by persons who are, at a minimum, completely comfortable and competent while operating the scooter.
Persons with any mental or physical conditions that may make them susceptible to injury, impair their physical dexterity or mental capabilities to recognize, understand, and follow safety instructions and to be able to understand the hazards inherent in scooter use, should not use or be permitted to use products inappropriate for their abilities. Persons with heart conditions, head, back or neck ailments (or prior surgeries to these areas of the body), or pregnant women, should be cautioned not to operate such products.
DO NOT EXCEED THE WEIGHT LIMIT OF 120 lb (54 kg). Rider weight does not necessarily mean a person’s size is appropriate to fit or maintain control of the scooter.
CHECK AND MAINTAIN SCOOTER CONDITIONS
Before use, check to confirm that covers and guards are in place and in serviceable condition. Check that the brake is functioning properly, and that the wheels are free of flat spots from wear. The scooter should be maintained and repaired in accordance with the manufacturer’s specifications, using only the manufacturer’s authorized replacement parts, and should not be modified from the manufacturer’s original design and configuration.
ACCEPTABLE RIDING PRACTICES AND CONDITIONS
Always check and obey any local laws or regulations which may affect the locations where the electric scooter may be used. Keep safely away from cars and motor vehicle traffic at all times. Only use where allowed and with caution.
Do not activate the throttle unless you are on the scooter and in a safe, outdoor environment suitable for riding. The electric scooter must be moving at least 3 mph (5 km/h) before the motor will engage.
The normal powered top speed of this scooter will be approximately 10 mph (16 km/h), which can be affected by conditions, such as rider weight, inclines and battery charge level. Avoid excessive speeds that can be associated with downhill rides.
Maintain a hold on the handlebars at all times. Do not touch the brake or motor on your scooter when in use or immediately after riding, as these parts can become very hot.
Ride defensively. Watch out for potential obstacles that could catch your wheel or force you to swerve suddenly or lose control. Be careful to avoid pedestrians, skaters, skateboards, scooters, bikes, children or animals who may enter your path, and respect the rights and property of others.
The electric scooter is intended for use on flat, dry surfaces, such as pavement or level ground, without loose debris, such as sand, leaves, rocks or gravel. Wet, slick, bumpy, uneven or rough surfaces may impair traction and contribute to possible accidents. Do not ride your scooter in mud, ice, puddles or water. Watch out for potential obstacles that could catch your wheel or force you to swerve suddenly or lose control. Avoid sharp bumps, drainage grates, and sudden surface changes.
Do not attempt or do stunts or tricks on your electric scooter. The scooter is not made to withstand abuse from misuse, such as jumping, curb grinding or any other type of stunts. Racing, stunt riding, or other maneuvers also enhance risk of loss of control, or may cause uncontrolled rider actions or reactions.
Never allow more than one person at a time to ride the scooter.
Do not ride at night or when visibility is limited.
Never use near steps or swimming pools.
Do not allow hands, feet, hair, body parts, clothing, or similar articles to come in contact with moving parts or wheels while the motor is running.
Do not touch hot brake or electric motor when in use or immediately after riding.
Never use headphones or a cell phone to talk or text when riding.
Never hitch a ride with a vehicle.
Do not ride your scooter in wet or icy weather and never immerse the scooter in water, as the electrical and drive components could be damaged by water or create other possibly unsafe conditions. Never risk damaging surfaces, such as carpet or flooring, by use of an electric scooter indoors.
PROPER RIDING ATTIRE
Always wear proper protective equipment, such as an approved safety helmet (with chin strap securely buckled), elbow pads and kneepads. A helmet may be legally required by local law or regulation in your area. A long-sleeved shirt, long pants, and gloves are recommended. Always wear athletic shoes (lace-up shoes with rubber soles) and keep shoelaces tied and out of the way of the wheels, motor and drive system. Never ride barefooted or in sandals.
USING THE CHARGER
The charger supplied with the electric scooter should be regularly examined for damage to the cord, plug, enclosure and other parts. In the event of suchdamage, the scooter must not be charged until the charger has been repaired or replaced.
Use only with the recommended charger.
Use caution when charging.
The charger is not a toy. Charger should be operated by an adult.
Do not operate charger near flammable materials.
Unplug charger and disconnect from scooter when not in use.
Always disconnect from the charger prior to wiping down and cleaning your scooter with damp cloth.
FAILURE TO USE COMMON SENSE AND HEED THE ABOVE WARNINGS FURTHER INCREASES RISK OF SERIOUS INJURY. USE AT YOUR OWN RISK AND WITH APPROPRIATE AND SERIOUS ATTENTION TO SAFE OPERATION. USE CAUTION
BEFORE YOU BEGIN
Remove contents from box. Remove the separators that protect the components from damage during shipping. Inspect the contents of the box for scratches in the paint, dents or kinked cables that may have occurred during shipping. Because the scooter was 95 percent assembled and packed at the factory, there should not be any problems, even if the box has a few scars or dents.
MAKE SURE POWER SWITCH IS TURNED “OFF” BEFORE CONDUCTING ANY ASSEMBLY OR MAINTENANCE PROCEDURES.
Estimated Assembly and Set-Up Time
Razor recommends assembly by an adult.
Allow up to 10 minutes for assembly, not including initial charge time.
Allow up to 12 hours for charge (see page 4 for charging information).
Charger
(Note: Charger design may vary from one shown)
Required Tool
5 mm Allen Wrench (included)
WARNING:
DO NOT USE NON-RAZOR PRODUCTS WITH YOUR RAZOR ELECTRIC SCOOTER. The scooter has been built to certain Razor design specifications. The original equipment supplied at the time of sale was selected on the basis of its compatibility with the frame, fork and all other parts. Certain aftermarket products may not be compatible and will void the warranty
Note: Electric scooter must be moving at least 3 mph (5 km/h) while pressing the throttle to engage motor.
Product ID Locations:
(See locations to the left)
- Handlebar Stem
- Underneath Battery Tray
- Charger
- UPC Side of Box (Not Shown)
Box Contents:
- Electric Scooter
- Charger
- Allen Wrench
- Owner’s Manual
ASSEMBLY AND SET-UP
Attaching the Handlebars
Razor recommends assembly by an adult.
Required Tool: 5 mm Allen Wrench (included)
- Before inserting the T-bar onto the fork, carefully pull the connector through the rubber protector to remove. Discard the rubber protector.

- Join the connector from the T-bar to the fork. Loosen the collar clamp on the T-bar with a side to side twisting motion, install the T-bar to the fork until it bottoms out on the headset locknut.

- With the front wheel pointed straight ahead and the handlebars square to the front wheel, tighten both bolts on the clamp with a 5 mm Allen wrench alternating between each bolt until they are fully tightened. Tighten securely

WARNING: Do not attempt to “thread” or “screw” the t-bar into the front fork. The threads in the fork are present to improve the grip of the screws/collar to hold the t-bar in place.
Note: Make sure any cables/wires are out of the way before inserting the stem into the fork.
WARNING: Failure toproperly tighten the collar clamp may allow the handlebars to dislodge while riding and may cause you to lose control and fall. When correctly tightened, the handlebars will not rotate out of alignment with the front wheel under normal circumstances.
Note: The cable and wire assembly from the handlebar must not wrap around the steering tube or handlebar. Sharp bends or twisting of the brake cable can cause the brake to malfunction.
CHARGING THE BATTERY
Your electric scooter may not have a fully charged battery; therefore you must charge the battery prior to use.
- Initial charge time: 12 hours.
- Recharge time: up to 12 hours, even if the light turns green. Recommended maximum charging time is 24 hours.
- Always charge the battery immediately after riding.
- Fully charge battery before storing for extended periods of time.
- Unplug charger from the wall outlet when not in use.
- Failure to recharge battery periodically may result in a battery that will not accept a charge.
- Make sure the power switch is turned OFF when product is not in use. If the power switch is left on for an extended period of time, the battery may reach a stage at which it will no longer hold a charge.
- To ensure long battery life, never store the product in freezing or below freezing temperatures! Freezing will permanently damage the battery.
- Run time: Up to 40 minutes of continuous ride time. Run time may vary depending on riding conditions, rider weight, climate, and/or proper maintenance.
- Constant starting and stopping may shorten ride time.
- Battery life can vary depending on proper maintenance and usage of the unit.
Charger
Note: Make sure power is turned OFF when unit is not in use. If the power switch is left on for an extended period of time, the battery may reach a stage at which it will no longer hold a charge.
- Plug the charger plug into wall outlet. The light on the charger should be green.
Note: If green light (LED) does not turn on, try a different outlet.
- Plug the charger into the charger port. Make sure the power switch is in the OFF position. The light on the charger should turn red during charging. The light will turn green again when charging is complete.

WARNING: Use ONLY with the recommended charger. Batteries are only to be charged under adult supervision. The charger is not a toy. Always disconnect the charger before wiping down and/or cleaning the electric scooter with a damp cloth.
The charger supplied with the electric scooter should be regularly examined for damage to the cord, plug, enclosure and other parts. In the event of suchdamage, the electric scooter must not be charged until it has been repaired or replaced.
Chargers have built-in overcharge protection to prevent battery from being overcharged.
Note: If the charger gets warm during regular use, this is a normal response and is no cause for concern. If your charger does not get warm during use, it does not mean that it is not working properly.
Wall outlet – Green (stand by)
Wall outlet and unit – Red (charging)
Wall outlet and unit – Green (charged)
Note: Continue charging unit even if light turns green prior to 12 hours.
WARNING: Battery charge can deplete over time. Periodically recharge battery when not in use.
PRE-RIDE CHECKLIST
Brake
Check the brake for proper function. When you step on the rear-fender brake, the brake should provide positive braking action. When you apply the brake with the throttle on/ engaged, the brake cut-off switch should cut power to the motor.
Wheels
Periodically inspect the wheels for excessive wear.
Frame, Fork and Handlebars
Check for cracks or broken connections. Although broken frames are rare, it is possible for an aggressive rider to run into a curb or object and wreck, bend or break a frame. Get in the habit of inspecting your scooter on a regular basis.
Hardware/Loose Parts
Before every ride, check all parts, such as nuts, bolts, fasteners, etc., to ensure they are secure and assembled correctly. There should not be any unusual rattles or sounds from loose parts or broken components. If the product is damaged, do not ride. Reference “Safety Warnings” on pages 1 and 2 of this manual
Safety Gear
Always wear proper protective gear, such as an approved safety helmet. Elbow pads and kneepads are recommended. Always wear athletic shoes (lace-up shoes with rubber soles) and keep shoelaces tied and out of the way of the wheels, motor and drive system. NEVER RIDE BAREFOOTED OR IN SANDALS.
Laws and Regulations
Always check and obey any local laws or regulations.
Insurance
Do not assume that your existing insurance policies necessarily provide coverage for product use. Check with your insurance company for information regarding insurance.
Storage
Prolonged exposure to uv rays, rain and the elements may damage the enclosure materials, store indoors when not in use.
USAGE
Starting the Scooter
Turn power switch “ON”; put kickstand up and place both hands on the handlebars.
Place one foot on the deck plate and with the other foot, push (kick to start) scooter while pressing down on the thumb throttle. Place other foot on deck plate once motor has engaged.
Note: LED lights are activated when the scooter’s power switch is in the ON position..
Stopping the Scooter
For controlled stops, release throttle and apply the brake by pressure on the rear fender brake. Razor recommends that you practice applying the brake at various speeds and in an open area free from obstructions before riding your scooter around others. Step on the rear-fender brake, the power will cut off and then product will slow to a stop.
Note: Scooter must accelerate to at least 3 mph (5 km/h) for motor to engage.
Note: As an additional safety feature, the scooter is designed to cut power to the motor when the brake is applied.
Note: Motor will re-engage, (without having to kick to start), if brake is released and throttle is pressed before scooter has slowed down to under 3 mph (5 km/h).
REPAIR AND MAINTENANCE
Turn power switch “OFF” before beginning repair or maintenance:
- Read the instructions
- Remove charger plug
- Turn the power switch OFF
- Secure the unit under repair
Exercise caution around exposed parts - Contact Razor customer service if unsure about any repair or maintenance
Front Wheel Replacement
Required Tools: Two (2) 5 mm Allen Wrenches (not included
Using two (2) 5 mm Allen wrenches, loosen the axle bolt.
Remove wheel and install replacement wheel.
(Note the sequence of the hardware)
Battery/Rear Wheel/Hub Motor Replacement
Required Tools: Phillips Screwdriver and Two (2) 13 mm Wrenches (not included) (Battery Replacement Steps 1-3)
- Using a Phillips screwdriver, remove the six (6) screws and remove the deck plate.

- Disconnect the wire from the controller to the deck. Set the deck aside

- Using a Phillips screwdriver,remove the two (2) screws and remove the battery straps.

- Disconnect battery.

- Disconnect battery.

- Remove motor cable wires from connector using an awl.

- Remove two (2) motor housing screws using the Phillips screwdriver.

- Using a 13 mm wrench, loosen the outside locknut
(9-7). Use a 13 mm wrench to prevent the inside nut
(9-4) from turning. Remove wheel/hub motor.
- To install the replacement wheel/hub motor, reverse steps 1 through 8.

WARNING: Risk of fire – no user serviceable electrical parts.
Note: Front wheel hardware sequence
Right Side
7-2 Spacer
7-3 Bearing
7-4 Large Spacer
Fork
7-1 Coupling Bolt
Left Side
7-2 Spacer
7-3 Bearing
Fork
7-1 Bolt
Note: Rear wheel/motor hardware sequence
Left Side
9-1 Phillips Screws (2)
9-2 Motor Housing
Right Side
9-3 Spacer
9-4 Nut
Frame
9-5 Flat Washer
9-6 Lock-Washer
9-7 Locknut
Note: When re-inserting the motor wires into the connector, make sure the red wire connects to the blue wire and the black wire connects to the brown wire.
Note:
Motor Control Module
Red 1 Blue
Black 1 Brown
Battery Care and Disposal
Do not store in freezing or below freezing temperatures. To properly maintain your battery and ensure maximum battery life, carefully read the “Charging the Battery” section on page 4 of this owner’s manual.
CONTAINS SEALED LEAD-ACID BATTERY. BATTERY MUST BE RECYCLED.
Disposal: Your Razor product uses sealed lead-acid battery which must be recycled or disposed of in an environmentally safe manner. Do not dispose of a lead-acid battery in a fire. The battery may explode or leak.\ Do not dispose of a lead-acid battery in your regular household trash. Theincineration, land filling or mixing of sealed lead-acid batteries with household trash is prohibited by law in most areas. Return exhausted battery to a federal or state approved lead-acid battery recycler or a local seller of automotive batteries. If you live in Florida or Minnesota, it is prohibited by law to throw away lead-acid batteries in the municipal waste stream.
Charger
The charger supplied with the electric scooter should be regularly examined fordamage to the cord, plug, enclosure and other parts and in the event of such damage, the product must not be charged until it has been repaired or replaced.
Use ONLY with the recommended charger.
Not intended for use at elevations greater than 2000 m above sea level.
Wheels
Wheels and drive system are subject to normal wear and tear. It is the responsibility of the user to periodically inspect wheels for excess wear and replace hub motor components as required.
Replacement Parts
The most frequently requested replacement parts are available for purchase at some Razor retail partners. For the complete selection of replacement parts visit www.razor.com.
Repair Centers
For a list of authorized Razor repair centers
- Check online at www.razor.com.
- Additional Customer Service contact information is listed on the back of this manual.
In the US and Canada only:
For more information regarding recycling of rechargeable batteries, call toll free 1-800-822-8837, or visit http://www.call2recycle.org
WARNING: If a battery leak develops, avoid contact with the leaking acid and place the damaged battery in a plastic bag. Refer to the disposal instructions at left. If acid comes into contact with skin or eyes, flush with cool water for at least 15 minutes and contact a physician.
WARNING: Battery posts, terminals and related accessories contain lead and lead compounds.
Wash your hands after handling.
TROUBLESHOOTING GUIDE
*Unit(s) should be turned OFF and fully charged prior to doing any troubleshooting.
NOTE: All troubleshooting steps should be performed by an adult only.
| Problem | Possible Cause | Solution |
| Does not work out of the box | Unit must be traveling at least 3 mph (5 km/h) before motor will engage Loose connection(s) | Kick to start to at least 3 mph (5 km/h) while pressing down on the thumb throttle to engage motor. Check for loose connections/wires underneath the deck plate. |
| No longer works | Loose connection(s) No lights on charger Undercharged battery Battery will not hold a charge | Check for loose connections/wires underneath the deck plate. Check power to wall outlet and/or try a different outlet. Check lights on charger: With no weight on the unit, lift up back end; manually (and carefully) spin rear wheel and press down on the thumb throttle to engage the motor. If motor engages – replace battery. |
| Short run time/runs slow | Rider’s weight Riding conditions Battery not fully charged Old/damaged battery | Do not exceed 120 lb (54 kg) maximum weight limit. Use only on flat, dry surfaces. Avoid inclines and areas with heavy debris. Charge unit for a full 12 hours. Replace battery. Charge battery at least once a month when not in use. Do not store unit in freezing or below freezing temperatures. Freezing will permanently damage the battery and greatly reduce ride time. Refer to page 4 for charging information. |
| Runs intermittently | Loose connection(s) | Check the wires around the throttle and connectors underneath the deck plate. Replace throttle. |
| For more troubleshooting tips, a list of available replacement parts or to locate an authorized Service Center in your area, visit our website at www.razor.com or call toll free +1 866-467-2967 to speak to a live Customer Service Representative. | ||
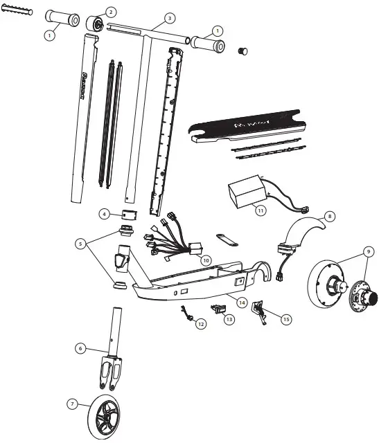
ELECTRIC SCOOTER PARTS
Keep your scooter running for years with genuine Razor parts. Visit our website or e-mail us for more information on spare part availability. (Specifications subject to change without notice.)
- Handlebar Grips (Right/Left)
- Throttle
- Handlebar
- Collar Clamp
- Headset (Upper/Lower)
- Front Fork
- Front Wheel Complete (See Pg. 6 For Hardware Sequence)
- Rear-Fender Brake
- Rear Wheel with Motor Complete (See Pg. 6 For Hardware Sequence)
- Control Module
- Battery (1-12V/6Ah)
- Charger Port
- ON/OFF Switch
- Frame
- Kickstand

NOTICE: INSURANCE YOUR INSURANCE POLICIES MAY NOT PROVIDE COVERAGE FOR ACCIDENTS INVOLVING THE USE OF THIS SCOOTER/ELECTRIC RIDE-ON PRODUCT. TO DETERMINE IF COVERAGE IS PROVIDED, YOU SHOULD CONTACT YOUR INSURANCE COMPANY OR AGENT.
FCC COMPLIANCE
This device complies with Part 15 of the FCC Rules. Operation is subject to the following two conditions: (1) This device may not cause harmful interference, and (2) this device must accept any interference received, including interference that may cause undesired operation.
Note: This equipment has been tested and found to comply with the limits for a Class B digital device, pursuant to part 15 of the FCC Rules. These limits are designed to provide reasonable protection against harmful interference in a residential installation. This equipment generates, uses and can radiate radio frequency energy and, if not installed and used in accordance with the instructions, may cause harmful interference to radio communications. However, there is no guarantee that interference will not occur in a particular installation. If this equipment does cause harmful interference to radio or television reception, which can be determined by turning the equipment off and on, the user is encouraged to try to correct the interference by one or more of the following measures:
- Reorient or relocate the receiving antenna.
- Increase the separation between the equipment and receiver.
- Connect the equipment into an outlet on a circuit different from that to which the receiver is connected.
- Consult the dealer or an experienced radio/TV technician for help.
WARNING: Changes or modifications to this product not expressly approved by Razor USA LLC, could void the user’s authority to operate the equipment.
WARRANTY
Razor Limited Warranty
The manufacturer warranties this product to be free of manufacturing defects for a period of 90 days from date of purchase. This Limited Warranty does not cover normal wear and tear, wheel, or any damage, failure or loss caused by improper assembly, maintenance, storage or use of the electric scooter.
This Limited Warranty will be void if the product is ever:
- used in a manner other than for recreation or transportation;
- modified in any way;
- rented
The manufacturer is not liable for incidental or consequential loss or damage due directly or indirectly to the use of this product.
Razor does not offer an extended warranty. If you have purchased an extended warranty, it must be honored by the store at which it was purchased.
For your records, save your original sales receipt with this manual and write the serial number below.
CUSTOMER SERVICE CONTACT INFORMATION
Need Help? Visit our website for product support, a list of authorized service centers in the US and customer service contact information at www.razor.com. Please have the product I.D. code (located on the white label of your product) available for better assistance. Additional Customer Service contact information is listed below:
AMERICAS
Razor USA LLC P.O. Box 3610 Cerritos, CA 90703 USA
+1 866 467 2967
Monday – Friday
8:00 AM – 5:00 PM Pacific Time
[email protected]
EUROPE, MIDDLE EAST, AFRICA
Razor USA LLC (Europe) Handelsweg 2 2742 RD Waddinxveen Netherlands
+44 (0) 120 267 2702
[email protected]
ASIA
Razor USA LLC (Asia) P.O. Box 3610 Cerritos, CA 90703 USA
+81 50 7579 6622
[email protected]
UNITED KINGDOM AND IRELAND
Razor USA LLC (UK) Unit 20 Hartnoll Business Centre Post Hill, Tiverton Devon EX16 4NG UK
+44 (0) 120 267 2702
[email protected]
AUSTRALIA AND NEW ZEALAND
Razor USA LLC P.O. Box 4280 Auburn South VIC 3122 Australia
+1 800 954 354 (AU)
+0 800 003 221 (NZ)
[email protected]
IMPORTED IN JAPAN BY B-PLUS ASIA CORP.
Razor USA LLC![]()
Kurokawa 3-1, Asaoku, Kawasaki, Kanagawa 215-0035 JAPAN
+81 (0) 44 328 9057 Tel
+81 (0) 44 328 9067 Fax
[email protected]
Printed in China for Razor USA LLC.
Copyright © 2003-2023 Razor USA, LLC. All rights reserved. Razor® and the Razor logo design are among the registered trademarks of Razor USA LLC in the United States and/or select foreign countries. Power Core™, the Power Core E90™ logo design and the Lightshow™ logo design are trademarks of Razor USA LLC.




















