SIEMENS ABHW-4B Intelligent Audible Base
Installation Instructions
Introduction
The Model ABHW-4B audible base from Siemens Industry, Inc. consists of a standard base combined with an audible device. It is an intelligent supervised audible base which provides 6 selectable tone patterns, 2 volume levels and 2 different power types for alarm (loop power or external power) by using system configuration tool when ABHW-4B used with the FD-UL compatible detectors (refer to “Compatible fire alarm control panels”, “Compatible detector”, “Detector Placement” and “Tone and Volume Selection”). The ABHW-4B audible bases in the same device loop are fully synchronized with FD-UL detectors and also support RL-HC, RL-HW remote lamp. The ABHW-4B provides Steady, Temporal 3, Temporal 4, Temporal 4 low power, March time 120 and Canadian March time 30. ABHW-4B is fully compatible with all Siemens addressable detectors (see Compatible detectors section) and recognizes the detector type automatically.
Application note
The ABHW-4B is a UL268 & ULC-S529 listed smoke detector supplementary device which combines detector base and audible device functions. It meets or exceeds 85 dB at 10-foot audibility requirement as specified in UL268. When used in conjunction with listed, compatible Siemens equipment, the ABHW-4B may be used in lieu of single/multiple station smoke alarms to achieve enhanced, system-level functionality. The ABHW-4B can also meet requirement specified in UL464, UL2075 and ULC-525 except 520 Hz requirements for “Sleeping Area”.
Specifications
Physical Specifications:
Operating temperature: 32 °F ~120 °F (0 °C ~ 49 °C)
Operating humidity: 10 ~ 95%RH (Non-Condensing) Compatible electrical mounting boxes: 4″ square gang box ONLY with 2.5-inch depth minimum; 4″ octagon box is NOT compatible
Sound Output:
High: 85 dB
Low: 75 dB
Tones: Steady Temporal 3 Temporal 4 Temporal 4 low power March time 120 Canadian March time 30
Electronic Ratings:
Operating voltage:
Loop power: 16 ~ 33 VDC
External power: 16 ~ 33 VDC
Supervisory current (max):
From loop: 250 µA
From external: 20 uA
Alarm current (RMS max): Loop powered:
High dBA:
7.5 mA
Low dBA:
4.5 mA
External powered:
High dBA: Low dBA:
8.0 mA 3.5 mA
Constraints
- If the alarm current of ABHW-4B is energized by an external power supply, any UL listed 24 VDC regulated power supply including the aux power output of XLS/Desigo Fire Safety Modular/Cerberus PRO Modular FC2005/FC901, FC2025/FC2050/FV2025/FV2050, FC922/FC924/FV922/FV924 and PAD-3/PAD-4/PAD-5 can be used (refer to Figure 3); or a 24 VDC NAC, such as PAD- 3/PAD-4/PAD-5 (refer to Figure 6), ZIC-4A (FireFinder-XLS/ Desigo Fire Safety Modular/Cerberus PRO Modular zone indicating card (NAC), refer to Figure 5) and NAC from FC2005/FC901 (refer to Figure 7.1) or NAC from FC2025/FC2050/FV2025/FV2050, FC922/ FC924/FV922/FV924 (refer to Figure 7.2).
- The alarm current of ABHW-4B CANNOT be energized by a 24 V FWR power supply.
- The maximum number of ABHW-4B is related to the max. current rating and the power line resistance of the external power supplies applied on the ABHW-4B. Refer to the related installation instructions of the auxiliary power supply.
- Refer to Figure 1 for “Loop Powered”. The maximum number of “loop powered” ABHW-4B is limited by the max. load capacity and devices loaded in loop. Refer to APPENDIX-A in this document to calculate the max. number of “loop powered” ABHW-4B audible bases.
- The maximum device line resistance cannot exceed the maximum device line resistance specified in the compatible panels. 6
- T-tapping of the notification appliance circuit is not allowed.
- The NAC output must be set to a steady DC if it is used for ABHW-4B.
Configuration Important!
The ABHW-4B must be configured by the panel when it is connected with FD-UL detectors (see table 1). Failure to configure the ABHW-4B will cause problems. For additional information please refer to the manual of related panel. Also, for use with H-Series detectors (see table 2) it does not require panel configuration as it will function the same as an ADBH-11 which will not be synchronized.
Detector wiring
(Refer to Figure 8,9) Audible base Model ABHW-4B should be interconnected as shown in the Installation/Wiring Diagrams and wired to the specific system modules and control panels following the appropriate instructions. For operation with FireFinder-XLS/ Desigo Fire Safety Modular/Cerberus PRO Modular, FC2005/FC901, FC2025/FC2050/FV2025/FV2050, FC922/FC924/FV922/FV924 system, note any limitations on the number of audible bases permitted on each notification appliance circuit or 24 VDC regulated power supply, depending on the total cable resistance and load of each circuit. (See Electronic Ratings section.)
Note: Recommended wire size: 18 AWG min.; 14 AWG max.
Wire larger than 14 AWG can damage the connector.
Detector mounting
The detector base comes from the factory prewired. All signaling and initiating circuits are connected directly to the back of the ABHW-4B audible base using the four position terminal blocks.
Base mounting
- Route all wires out from the outlet box.
- When the alarm LED viewing is critical, position the LED mark on the base in the intended direction (Refer to Figure 10)
- Make connections directly to the audible base terminals located on the back of the base. Refer to the related Installation/Wiring diagram.
- After all bases are installed, check loop continuity. For ABHW-4B loop continuity check, refer to the DPU or SDPU Manual, “Testing a FireFinder-XLS”.
- If loop continuity is acceptable, proceed with detector head installation.
Detector placement
Use a 30-foot center spacing (900 sq ft), as a starting point referred to in NFPA Standard 72 National Fire Alarm Code and CAN/ULC-S524, in a detector installation layout. This spacing is based on ideal conditions–smooth ceiling, no air movement, and no physical obstructions. In all installations (except in special circumstances like computer room under floors), locate the detector on the ceiling, a minimum of 6 inches from a side wall, or on a wall, between 4 and 6 inches from the ceiling.
If questions arise regarding detector placement, it is extremely important that the drawings provided or approved by Siemens Industry, Inc., or by its authorized distributors be followed! The detector placements shown on these drawings were chosen after a careful evaluation of all facets of protecting the area. Environmental factors such as air current, temperature, humidity, air pressure, and the nature of the fire load are carefully considered. Special consideration is given to room or area configuration and the type of ceiling (sloped or flat, smooth or beamed). Siemens Industry, Inc.’s extensive experience in the design of fire detection systems assures optimum detector placement and is reflected in these drawings. Follow sound engineering judgment made by qualified personnel.
Compatible fire alarm control panels:
| Model | System Type | Doc. P/N |
| DLC (See Page 13 Note 1) | FireFinder® XLS FACP | 315-034242 |
| FC2005 | Desigo™ Fire Safety 50-point panel | A6V10333722 |
| FC901 | Cerberus™ PRO 50-point FACP | A6V10336754 |
| FC2025 / FC2050 / FV2025 / FV2050 | Desigo 250 & 500 point Fire Alarm Control Panels | A6V10337045 |
| FC922 / FC924 / FV922 / FV924 | Cerberus PRO 250 & 500 point Fire Alarm Control Panels | A6V10356958 |
| XDLC | Desigo Fire Safety Modular System Cerberus PRO Modular System | A6V11231620 A6V11231627 |
Compatible detectors
FD-UL series detectors (table 1):
| Model | Siemens Part # | Doc. P/N | Type / Description |
| FDO421 | S54320-F4-A1 | A6V10323926 | Desigo optical detector |
| FDOT421 | S54320-F6-A1 | A6V10323934 | Desigo optical / heat detector |
| FDT421 | S54320-F5-A1 | A6V10323930 | Desigo heat detector |
| FDOOT441 | S54320-F7-A1 | A6V10324655 | Desigo dual optical heat detector |
| FDOOTC441 | S54320-F8-A1 | A6V10324657 | Desigo dual optical heat & CO detector |
| OOH941 | S54320-F7-A2 | A6V10324659 | Cerberus PRO dual optical heat detector |
| OOHC941 | S54320-F8-A2 | A6V10324661 | Cerberus PRO dual optical heat & CO detector |
| OP921 | S54320-F4-A2 | A6V10323928 | Cerberus PRO optical detector |
| OH921 | S54320-F6-A2 | A6V10323936 | Cerberus PRO optical / heat detector |
| HI921 | S54320-F5-A2 | A6V10323932 | Cerberus PRO heat detector |
H-series detectors (table 2):
| Model | Siemens Part # | Doc. P/N | Type / Description |
| HFP-11 | 500-033290 | 315-033290 | H-Series optical / heat detector |
| HFPT-11 | 500-033380 | 315-033290 | H-Series heat detector |
| SFP-11 | 500-033290C | 315-033290C | Canada H-Series optical / heat detector |
| SFPT-11 | 500-033380C | 315-033290C | Canada H-Series heat detector |
| HFPO-11 | 500-034800 | 315-034800 | H-Series optical detector |
| SFPO-11 | 500-034800C | 315-033290C | Canada H-Series optical detector |
Compatible remote lamps (table 3):
| Model | Siemens Part # | Doc. P/N | Type / Description |
| RL-HW | 500-033310 | 315-033230 | Remote alarm lamp (wall) |
| RL-HC | 500-033230 | 315-033230 | Remote alarm lamp (ceiling) |

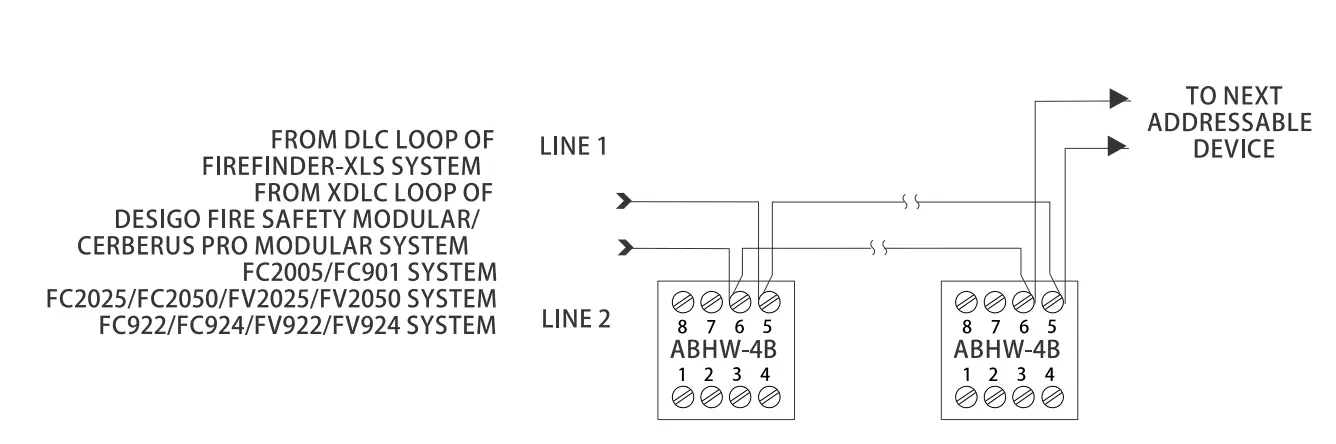
Figure 1
Typical Non-Isolated Installation/Wiring Diagram for ABHW-4B Audible Base Powered by Device Loop
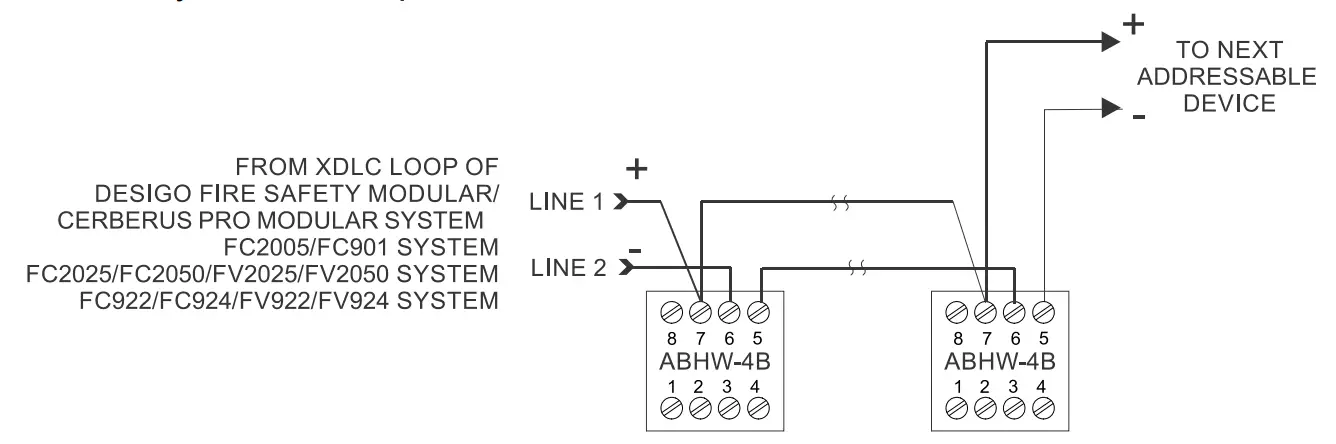
Figure 2
Typical Isolated Installation/Wiring Diagram for ABHW-4B Audible Base Powered by Device Loop
Figure 3
Typical Non-Isolated Installation/Wiring Diagram for ABHW-4B Audible Base Powered by 24 V Regulated Power Supply
Figure 4
Typical Isolated Installation/Wiring Diagram for ABHW-4B Audible Base Powered by 24 V Regulated Power Supply
Figure 3 and 4 Notes:
- RPR-1 remote relay and HTRI or XTRI are used for 24 VDC power supervision. 24 VDC wire open will cause trouble reported by HTRI. Refer to Installation Instruction of RPR-1 (315- 096055).
- ABHW-4B terminals 5-6 are polarity insensitive. Line 1 and Line 2 can be either line of device loop.
- EOL device of HTRI: 3.6 K, 1/4 W resistor, P/N 140-820185.
EOL device of HTRI: 470 Ohm, 1/4 W resistor, P/N 140-820164.
EOL device of XTRI: 470 Ohm, 1% 1/2 W Resistor, P/N A5Q00073045. - ABHW-4B can be wired either Style Z (Class A) or Style Y (Class B).
- For the max load current, refer to the specifications of the compatible panels listed in this document.
- The 24 VDC regulated power supply could be the Aux Power Output from the compatible panels, or from PAD-3/PAD-4/PAD-5, or other UL listed 24 VDC regulated power supply.
24 V FWR power supply cannot be allowed.

Figure 5
Installation/Wiring Diagram for ABHW-4B Audible Base Powered by ZIC-4A (NAC of FireFinder-XLS/ Desigo Fire Safety Modular/Cerberus PRO Modular System)
Figure 5 Notes:
- Polarity shown in active state at terminals 1 and 2 of ABHW-4B and 1-4 of ZIC-4A. Proper polarity must be maintained or audible base will not operate properly. Each audible base must be tested to verify operation.
- Tone selection (Refer to page 13, Notes 2 and 3, for more information).
- ABHW-4B terminals 5-6 are polarity insensitive. Line 1 and Line 2 can be either line of the loop. Non-Isolated wiring shown.
- ABHW-4B shown Style Z (Class A). It may also be wired as Style Y (Class B).
- ZIC-4A Notification Appliance Circuits provide 4 outputs that can be configured for Class A. or Class B. Refer to the ZIC-4A Installation Instructions, P/N 315-033050.
- EOL resistor, 24 k ohms, 1/2 watt, 5%, P/N 140-820405.
- NAC circuit does not provide isolation.

Figure 6
Typical Isolated Installation/Wiring Diagram for ABHW-4B Audible Base Powered by NAC of PAD-3/PAD-4/PAD-5 system
Figure 6 Notes:
- The NAC circuit shown in the diagram is the active state at terminal 1 and 2 of ABHW-4B.
- ABHW-4B terminals 5-6-7 are polarity sensitive. Isolated wiring shown.
- The wiring at NAC of PAD-3/PAD-4/PAD-5 shown in the diagram for ABHW-4B is Style Z (Class A)(No EOL needed). If Style Y (Class B) wiring used at NAC output, EOL (24 K, 0.5 W resistor) must be used.
- For the max load current and max cable resistance, refer to the specifications of PAD- 3/PAD-4/PAD-5, P/N: 315-099082/315-050217/A6V101030358.
- NAC circuit does not provide isolation.

Figure 7.1
Installation/Wiring Diagram for ABHW-4B Audible Base Powered by NAC of FC2005/FC901
Figure 7.1 Notes:
- The NAC circuit shown in the diagram is the active state at terminal 1 and 2 of ABHW-4B.
- ABHW-4B terminals 5-6 are polarity insensitive. Line 1 and Line 2 can be either line of device loop. Non-Isolated wiring shown.
- The wiring at NAC of FC2005/FC901 shown in the diagram for ABHW-4B is Style Z (Class A) (no EOL needed). If Style Y (Class B) wiring used at NAC output, EOL (24 K, 0.5 W resistor) must be used.
- For the max load current and max cable resistance, refer to the specifications of FC2005/FC901.

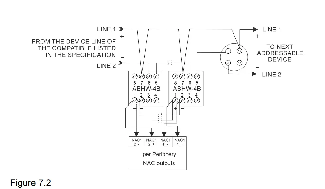
Figure 7.2
Isolated Installation/Wiring Diagram for ABHW-4B Audible Base Powered by NAC of FC2025/FC2050/FV2025/FV2050 and FC922/FC924/FV922/FV924
Figure 7.2 Notes:
- The NAC circuit shown in the diagram is the active state at terminal 1 and 2 of ABHW-4B.
- ABHW-4B terminals 5-6-7 are polarity sensitive. Isolated wiring shown.
- The wiring at NAC of FC2025/FC2050/FV2025/FV2050 and FC922/FC924/FV922/FV924 shown in the diagram for ABHW-4B is Style Z (Class A) (no EOL needed). If Style Y (Class B) wiring used at NAC output, EOL (2.4 K, 0.5 W resistor) must be used.
- For the max load current and max cable resistance, refer to the specifications of FC2025/FC2050 /FV2025/FV2050 and FC922/FC924/FV922/FV924.
- NAC circuit does not provide isolation.

Figure 8
ABHW-4B Audible Base Terminal Blocks (only for HFP-11, HFPT-11, SFP- 11, HFPO-11, SFPO-11, and SFPT-11 detectors)

Figure 9
ABHW-4B Audible Base Terminal Blocks (only for FDO421, FDOT421, FDT421, FDOOT441, FDOOTC441, OP921, OH921, HI921, HFPO-11, SFPO-11, OOH941 and OOHC941 detectors.)
Figure 9 Notes:
The ABHW-4B terminal 3 should be connected to RL-HC/RL-HW TB1 The ABHW-4B terminal 4 should be connected to RL-HC/RL-HW TB2 or TB3

Figure 10
Positioning the Alarm LED
When installing FD-UL detectors in a FireFinder-XLS panel, use the following panel versions
• PMI ver 10.02 or later
• Zeus ver 10.02 or later
• DLC ver 06.01 or later- When the audible base ABHW-4B works with FD-UL series detectors. Up to 6 tone patterns and 2 volume levels can be selected by user with system configuration tool; there are two power types for ABHW-4B during alarm, “Loop Powered” and “External Powered” which can be configured by system tool.
- When the audible base ABHW-4B works with H-series detector Only “External Powered” can be used. A fixed 85dB tone is provided and only 2 tones can be selected (steady and Temporal 3, refer to Figure 8): Steady: without a jumper at terminals 3 and 4; Temporal 3: terminals 3 and 4 are shorted with jumper.
- When using “External Powered” for alarm, the ABHW-4B still takes some power from loop during both supervision and alarm status to keep it alive and external power is only for the alarm current.
- For additional information on the modules used in an individual system, refer to the Installation Instructions for that particular module or contact your authorized Siemens Industry, Inc. representative.
APPENDIX A: Max. number of loop powered ABHW-4B audible bases in one loop
- The max. number of loop powered ABHW-4B audible bases in one device loop depends on the available load current for ABHW-4B audible bases. The available load current for loop powered ABHW-4Bs (I) can be calculated by:
I = Imax – Id
In which, Imax is the max load current in one loop under the worst case scenario with 50 Ω cable resistance. Id is the total load current for the devices loaded in the loop.

- The max. number of loop powered ABHW-4B for the worst case scenario (All detectors wired at the end of 50 ohm cable)
Detector Loaded in one DLC Current available for ABHW-4B Max number of loop powered ABHW-4B High dBA Low dBA 252 FD-UL detectors 189 mA 25 42 252 H-series detectors Note Note Note 100 FD-UL detectors and 152 H-detectors 113 mA 15 25 Note: Loop power cannot be used for ABHW-4B with H-series detectors; the external power must be used.
- How to calculate the max. number of loop powered ABHW-4B.
Step 1: Calculate the total load current (Id) for the devices loaded in the device line using the current rating of each device including accessories.
Example: Current load of 100 FDOT421 detectors = 0.28 mA*100 = 28 mA Current load of 152 HFP-11 detectors = 0.75 mA*152 = 114 mA Step 2: Find out the max. device load current (Imax) of device line card at worst case from the user manual of the panel. Example: For DLC in XLS systems, XDLC in Desigo Fire Safety Modular/Cerberus PRO Modular systems, 252 H-series devices can be loaded at the end of 50 ohms max. line resistance (the worst case) and max. load current is 252 mA (Imax).
Step 3:
Find out the available load current (I) for loop powered ABHW-4B audible bases.
I = Imax – Id Example: If 100 FDOT421/OH921 and 152 HFP-11 detectors are loaded at the end of a 50 ohm cable, I=252–139 = 113 mA Step 4:
Find out the max. alarm current rating for the loop powered ABHW-4B (Ia). Find out the max. number of the loop powered ABHW-4B using the charts above, or it is equal to (I/Ia).
Example: If all ABHW-4Bs are set to Low volume, the max. number of loop powered ABHW-4Bs is 25 (from Figure 12). The max. current rating of ABHW-4B is 4.5mA (from electronic ratings). The max. number of loop powered ABHW-4Bs is equal to 113 mA/4.5 mA=25. If all ABHW-4Bs are set to high volume, the max. number of loop powered ABHW-4Bs is 15 (from Figure 11). The max. current rating of
ABHW-4B is 7.5 mA. The max. number of loop powered ABHW-4Bs is equal to 113 mA/7.5 mA=15.
Cyber security disclaimer
Siemens provides a portfolio of products, solutions, systems and services that includes security functions that support the secure operation of plants, systems, machines and networks. In the field of Building Technologies, this includes building automation and control, fire safety, security management as well as physical security systems. In order to protect plants, systems, machines and networks against cyber threats, it is necessary to implement – and continuously maintain – a holistic, state-of-the-art security concept. Siemens’ portfolio only forms one element of such a concept.
You are responsible for preventing unauthorized access to your plants, systems, machines and networks which should only be connected to an enterprise network or the internet if and to the extent such a connection is necessary and only when appropriate security measures (e.g. firewalls and/or network segmentation) are in place. Additionally, Siemens’ guidance on appropriate security measures should be taken into account. For additional information, please contact your Siemens sales representative or visit https://www.siemens.com/global/en/home/company/topicareas/future-of manufacturing/industrial-security.html.
Siemens’ portfolio undergoes continuous development to make it more secure. Siemens strongly recommends that updates are applied as soon as they are available and that the latest versions are used. Use of versions that are no longer supported, and failure to apply the latest updates may increase your exposure to cyber threats. Siemens strongly recommends to comply with security advisories on the latest security threats, patches and other related measures, published, among others, under
https://www.siemens.com/cert/en/cert-security-advisories.htm.
firealarmresources.com Siemens Industry, Inc.
Smart Infrastructure
Florham Park, NJ
Siemens Canada, Ltd.
1577 North Service Road East
Oakville, Ontario
L6H 0H6 Canada
Document ID
A6V10405587_en–_d
A5Q00058036
101353594
firealarmresources.com






















