JASCO ZWA3017 enbrighten In Wall Smart Dimmer
ADDING YOUR DEVICE TO A Z-WAVE NETWORK
- Follow the instructions for your Z-Wave certified controller to add a device to the Z-Wave network.
- Once the controller is ready to add your device, push the toggle up or down.
You have complete control to turn your fixture ON/OFF according to groups, scenes, schedules, and interactive automation programmed by your controller. If your Z-Wave certified controller features remote access, you can control your fixture from your mobile devices. If prompted by the controller to enter the S2 security code, refer to the QR code/security number on the side of the box or the QR code label on the product Enter the 5-digit code.
TO REMOVE AND RESET THE DEVICE
- Follow the instructions for your Z-Wave certified controller to remove a device from the Z-Wave network.
- Once the controller is ready to remove your device, push the toggle up or down.
TO RETURN YOUR SWITCH TO FACTORY DEFAULTS
- Slide the air gap switch right.
- While pressing the OFF (bottom) button, push the air gap left and continue pressing the OFF button. The LED flashes through the eight colors once.
- NOTE: This should only be used if your network’s primary controller is missing or otherwise inoperable.
- NOTE: SmartStart-enabled products can be added to a Z-Wave network by scanning the QR code on the product with a controller providing SmartStart inclusion. No further action is required and the SmartStart product will be added automatically within 10 minutes of being switched on in the network vicinity.
WARNING — SHOCK HAZARD
Turn OFF the power to the branch circuit for the device and lighting fixture at the service panel. All wiring connections must be made with the power OFF to avoid personal injury and damage to the device. This device is intended for installation in accordance with the National Electric Code and local regulations in the United States or the Canadian Electrical Code and local regulations in Canada. If you are unsure or uncomfortable about performing this installation, consult a qualified electrician.
REMOVE SINGLE-POLE SWITCH
- Shut off power to the circuit at the circuit breaker or fuse box. IMPORTANT! Verify power to switch box is OFF before continuing.
- Remove wallplate.
- Remove the switch mounting screws.
- Carefully remove the switch from the switch box – DO NOT disconnect the wires.
- Identify the following wires in the switch box:
A. Ground – Green/bare
B. Line (hot) – Black (connected to power)
C. Load – Black (connected to lighting)
D. Neutral – White - Disconnect the wires from the existing switch – label wires according to the previous terminal connections.
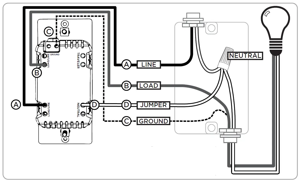
SINGLE-SWITCH WIRING
WIRING REQUIREMENTS
Attach using the enclosure’s holes, strip insulation 5/8in. (16mm). UL specifies the tightening torque for the screws is 12lbf-in (14Kgf-cm).
- A. LINE – Black wire/black screw (input)
- B. LOAD – Black wire/black screw (output)
- C. GROUND – Green or bare wire/green screw
- D. JUMPER – White wire/silver screw
- Connect green/bare wire to the GROUND terminal.
- Connect the black wire from the light to either LINE/LOAD terminal.
- Connect the black wire from the power source (hot) to the other LINE/LOAD terminal.
- Connect the white wire to the NEUTRAL terminal – use a jumper if necessary.
NOTE: The traveler terminal is only used for multi-switch wiring and is not used in a two-way system (one switch and one load). - Secure the device into the switch box with the provided mounting screws – ensure wires are not pinched or crushed.
- Install the wallplate.
CYCLE LED
The LED backlight acts as a guiding light or status indicator.
How to cycle through options:
- Press the menu button for five seconds
- Press up three times and down one time quickly – indicator flashes blue
- Push the toggle up:
- A. Once for LED ON when the load is OFF – illuminates orange to confirm
- B. Twice for LED ON when the load is ON – illuminates yellow to confirm
- C Three times for always OFF – illuminates pink to confirm
- D Four times for always ON – illuminates purple to confirm
- Press the menu button once to save – the indicator flashes green twice
CHANGE LED INDICATOR COLOR
The LED indicator color can be changed from the device.
- Press the menu button for five seconds
- Press toggle up once and toggle down once – LED illuminates in the selected color
- Press toggle up or down to cycle through color options:
• Red
• Orange
• Yellow
• Green
• Blue (default)
• Pink
• Purple
• White - Press the menu button once to save – the indicator flashes green twice
STANDARD 3-WAY SWITCH WIRING
IMPORTANT: The Z-Wave device operates with add-on switches by default. To install it with a standard 3-way switch, follow the steps under 3-way configuration. The instructions below are for wiring a standard 3-way switch. See the add-on switch manual to install add-on switches.
Typical wiring schematic for 3-way installation
LINE SIDE (Z-WAVE DEVICE)
- Shut off power to the circuit at the circuit breaker or fuse box
- Remove line side wallplate
- Remove switch from line side switch box – DO NOT disconnect wires
- Label wire from the power source LINE
- Label one remaining wire traveler 1 – note the color of this wire for installation of the 3-way switch
- Label the other remaining wire traveler 2
- Disconnect all wires from the switch
- Connect green/bare wire to the GROUND terminal
- Connect the line wire to either LINE/LOAD terminal
- Connect the traveler 1 wire to the other LINE/LOAD terminal
- Connect the traveler 2 wire to the TRAVELER terminal
- Connect one end of a jumper to the bundle of neutral wires using a wire nut
- Connect the other end of the jumper to the NEUTRAL terminal
- Secure the device into the switch box with the provided mounting screws – ensure wires are not pinched or crushed
- Install the wallplate
LOAD SIDE (3-WAY SWITCH)
- Remove load side wallplate
- Remove switch from load side switch box – DO NOT disconnect wires
- Label wire from the light LOAD
- Label traveler 1 wire – recall the wire color from the Z-Wave device installation
- Label traveler 2 wire
- Disconnect all wires from the switch
- Connect green/bare wire to the GROUND terminal
- Connect the load wire to the traveler 1 wire using a wire nut
- Connect traveler 2 to the LINE (hot) terminal
- Connect one end of a jumper to the bundle of neutral wires using a wire nut
- Connect the other end of the jumper to the COMMON terminal
- Secure the 3-way switch into the switch box – ensure wires are not pinched or crushed
- Install the wallplate
- Apply power to the fuse box or circuit breaker
SPECIFICATIONS
ZWA3017
- Voltage: 120VAC, 60Hz
- Signal (frequency): 908.4/916MHz
- Maximum loads: 600W, 2-gang 500W or 3-gang 400W incandescent, 360W or 3A CFL/LED
- Operating temperature range: 32-104° F (0-40° C) For indoor use only Specifications are subject to change without notice due to continuing product improvement
FEATURES
IMPORTANT: The fixture controlled by the Z-Wave in-wall smart dimmer must not exceed dimmer ratings. The dimmer is designed only for use with permanently installed fixtures.
Get to you know your Z-Wave smart switch
- Turn ON/OFF manually or remotely through the Z-Wave controller
- Can be added in multiple groups and scenes
- Auto-detect line/load terminals
- May be used in single-pole installation or 3-way wiring configurations
- Compatible with dimmable LED, CFL, incandescent and halogen lights
- Uses a standard, toggle-style wallplate for single-gang installations (wallplate not included)
- Multicolor LED backlight indicates switch location in a dark room
- Screw terminal installation – requires wiring connections for line (hot), load, neutral and ground. Traveler wire required for 3-way installation
- This Z-Wave device has advanced features that allow you to customize your experience. These features can only be adjusted by a Z-Wave enabled controller that supports the Z-Wave configuration command class. For a complete list of adjustable configurations, visit www.ezzwave.com/config
- A. Ground (Green/bare)
- B. Line or load (Black)
- C. Line or load (Black)
- D. Traveler (Red/other)
- E. Neutral (White)
- F. Up — press & release to turn dimmer on, press & hold to increase brightness
- G. Down — press & release to turn dimmer off, press & hold to dim
- H. Menu button
- I. Air gap switch — slide the air gap switch right to disconnect the power. Push it left for normal operation.

ADD-ON SWITCH COMPATIBLE
Enbrighten, UltraPro, and JascoPro Series add-on switches support the same features as the Z-Wave device, such as single-, double- and triple-tap functions, from all locations. It also allows operation from up to five locations and provides a uniform appearance. Visit byjasco.com to purchase add-on switches.
Z-WAVE INTEROPERABILITY
This product can be included and operated in any Z-Wave network with other Z-Wave certified devices from other manufacturers and/or other applications. All non-battery-operated nodes within the network will act as repeaters regardless of vendor to increase the reliability of the network. This device supports association command class (3 Groups)
- Association Group 1 supports Lifeline, Binary Switch Report
- Association Group 2 supports Basic Set and is controlled by pressing the ON or OFF button with the local load
- Association Group 3 supports Basic Set and is controlled by double pressing the ON or OFF button
- Each Association Group supports 5 total nodes
All brand names shown are trademarks of their respective owners
MADE IN MALAYSIA
Distributed by Jasco Products Company LLC, 10 E. Memorial Rd., Oklahoma City, OK 73114. This Jasco product comes with a 5-year limited warranty. Visit www.byjasco.com for warranty details. Questions? Contact our U.S.-based Consumer Care at 1-800-654-8483 7 AM-8 PM, M-F, Central Time. ©JASCO 2022 | ZWA3017 | 59341 | 03/16/22 v2
WARNING
- RISK OF FIRE
- RISK OF ELECTRICAL SHOCK
- RISK OF BURNS
- CONTROLLING APPLIANCES
CAUTION
TO REDUCE THE RISK OF OVERHEATING AND POSSIBLE DAMAGE TO OTHER EQUIPMENT, DO NOT INSTALL TO CONTROL A RECEPTACLE, MOTOR-OPERATED APPLIANCE, FLUORESCENT LIGHTING FIXTURE, OR A TRANSFORMER-SUPPLIED APPLIANCE.
- ONLY USE TO CONTROL INCANDESCENT OR DIMMABLE CFL/LED BULBS
- DO NOT EXCEED RATINGS
- DO NOT USE IT TO CONTROL ANY DEVICE WHERE UNINTENDED OPERATION COULD CAUSE UNSAFE CONDITIONS (HEAT LAMP, SUN LAMP, ETC.)
- NOT FOR USE WITH MEDICAL OR LIFE-SUPPORT EQUIPMENT
- FOR INDOOR USE ONLY
WARRANTY
Jasco Products Company warrants this product to be free from manufacturing defects for five years from the original date of consumer purchase. This warranty is limited to the repair or replacement of this product only and does not extend to consequential or incidental damage to other products that may be used with this product. This warranty is in lieu of all other warranties, expressed or implied. Some states do not allow limitations on how long an implied warranty lasts or permit the exclusion or limitation of incidental or consequential damage, so the above limitations may not apply to you. This warranty gives you specific rights and you may also have other rights which vary from state to state. Please contact our U.S.-based Consumer Care at 1-800-654-8483 (option 1) between 7 AM–8 PM, M-F, Central Time or www.byjasco.com if the unit should prove defective within the warranty period
FCC/IC
Suppliers Declaration of Conformity | Model #: 59341 | Jasco Products Co., 10 E. Memorial Rd., Oklahoma City, OK 73114, www.byjasco.com This device complies with Part 15 of the FCC and Industry Canada license-exempt RSS standards. Operation is subject to the following two conditions: (1) this device may not cause harmful interference, and (2) this device must accept any interference received, including interference that may cause undesired operation.
FCC NOTE
The manufacturer is not responsible for any radio or TV interference caused by unauthorized modifications to this equipment. Such modifications could void the user’s authority to operate the equipment
NOTE
This equipment has been tested and found to comply with the limits for a Class B digital device, pursuant to Part 15 of the FCC Rules. These limits are designed to provide reasonable protection against harmful interference in a residential installation. This equipment generates, uses, and can radiate radio frequency energy, and if not installed and used in accordance with the instructions, may cause harmful interference to radio communications. However, there is no guarantee interference will not occur in a particular installation. If this equipment does cause harmful interference to radio or television reception, which can be determined by turning the equipment off and on, the user is encouraged to try to correct the interference by one or more of the following measures:
- Reorient or relocate the receiving antenna.
- Increase the separation between the equipment and receiver.
- Connect the equipment into an outlet on a circuit different from which the receiver is connected.
- Consult the dealer or an experienced radio/TV technician for help.
See product label for FCC/IC certification numbers. CAN ICES-3(B)/NMB-3(B)
























