
SOFTBALL
SOFTBALL PITCHING MACHINE

HACK ATTACKTM SOFTBALL MACHINE
PATENTS APPLIED FOR
INSTRUCTION MANUAL
OPERATION · SETUP · USE & CARE · SERVICE
![]()
SPORTS ATTACK LLC. | 800.717.4251 | www.sportsattack.com
WARRANTY STATEMENT
What is most important to Sports Attack is that your machine meets your expectations of quality and performance. We stand behind the material and workmanship of our machines for five (5) years from the date or original purchase for institutional and residential use and one (1) year for commercial environments, with the following exceptions:
- Throwing Wheels are warranted for two (2) years;
- Electronic Controller is warranted for two (2) years; and,
- Throwing Wheel Motors are warranted for two (2) years.
This warranty excludes any cosmetic issues or normal wear and tear of the unit, and is not in effect if the machine has been misused, misapplied, improperly assembled, or modified without the express written permission of Sports Attack. In addition, this warranty does not apply to damage in transit, in any accident unrelated to the direct operation of the equipment, or by fire, flood or act of God.
If you encounter any issues during the warranty period, Sports Attack will quickly get your machine back in working order. If the warranty repair involves a replacement part, we will make sure you get both the part and easy instructions for replacement at no cost to you. If a service person is needed, Sports Attack will pay the pre-approved labor charge to get your machine back in working order.
EFFECTIVE IMMEDIATELY: Warranty components such as motors, etc. now require a picture of the component when submitting replacement request.
Please know that any problem can quickly be resolved with a phone call to our experienced, responsive customer service department at 800.717.4251. We are here to answer your questions and to make sure your machine provides you years of service.
RETURNS
Sports Attack manufactures the highest quality sports training equipment in the world. If for any reason you are not satisfied, a machine can be returned within 30 days of receipt for any reason for a full refund less a 10% restocking fee. Cost of shipping the unit back to Sports Attack will also be the responsibility of the purchaser. Please note that the refund amount may be reduced by any non-cosmetic damage to the machine.
If you have any questions or concerns, please give our experienced, responsive customer service department a call at 800.717.4251.
SHIPPING DAMAGE CLAIMS PROCEDURE
NOTE: For your protection, please note that equipment in this shipment was carefully inspected and packaged by skilled personnel before leaving the factory.
Upon acceptance of this shipment, the transportation company assumes full responsibility for its safe delivery.
IF SHIPMENT ARRIVES DAMAGED:
- VISIBLE LOSS OR DAMAGE: Be certain that any visible loss or damage is noted on the freight bill or express receipt, and that the note of loss or damage is signed by the delivery person.
- FILE CLAIM FOR DAMAGE IMMEDIATELY: Regardless of the extent of the damage.
- CONCEALED LOSS OR DAMAGE: If damage is unnoticed until the merchandise is unpacked, notify the transportation company or carrier immediately, and file “CONCEALED DAMAGE” claim with them. This must be done within fifteen (15) days from the date the delivery was made to you. Be sure to retain the container for inspection.
Sports Attack, LLC. cannot assume liability for damage or loss incurred in transit. We will, however, at your request, supply you with the necessary documents to support your claim.
Warranty/Shipping
To register the Warranty, please go to our website: sportsattack.com/warranty
You will need to provide the serial number when registering your machine, (see pg. 4) for location of the serial number.
For repairs and service after the Warranty period, please call:
Sports Attack
Customer Service Dept.
Ph 800.717.4251
Fx 775.345.2883
RETURNS
To return an item, please contact our Customer Service Department at 800.717.4251.
A 15% restocking fee will be charged for any items accepted for return. It is the customer’s responsibility to handle the repacking and shipment (as well as all associated fees) back to Sports Attack.
No returns will be accepted after 30 days of receiving product.
I-HACK ATTACKTM SOFTBALL PITCHING MACHINE
SPORTS ATTACK, LLC. · 800.717.4251 · sportsattack.com
INTRODUCTION
Thank you for purchasing this Sports Attack LLC. equipment.
Proper assembly, careful operation and consistent maintenance of this equipment will ensure that it gives you the very best performance and a long, economical service life.
This manual contains the information needed to properly set up the I-Hack Attack Softball Pitching Machine, and to use, care for and maintain the I-Hack Attack in a manner which will ensure its optimum performance.
SAFETY INSTRUCTIONS
ELECTRICAL SAFETY
Use a 115 volt single phase 3-wire (2 wire with ground) grounded power source.
Up to 200 ft. from power source, use a minimum #14/3 grounded 3-wire 15 amp minimum rating extension cord.
Over 200 ft. from power source, consult a licensed electrician for required power cord size.
OPERATING SAFETY
CAUTION: Never reach down near moving throwing wheels for any reason! If it is necessary to reach into the throwing wheels, ALWAYS:
- Turn all three speed dials to “0”.
- Turn on/off switch “OFF”.
- Unplug Hack Attack from power source
- Wait until the throwing wheels have come to a complete stop before reaching hands or fingers anywhere near the throwing wheels.
CAUTION: Carefully check Hack Attack for completeness and condition before connecting to electrical power:
- Throwing wheels must be tight on the motor shafts
- Wheel guard and ball chute must be tightly fastened to the throwing head.
Carefully check the throwing wheels frequently for cleanliness, chips and cracks. Do not use the machine if the throwing wheels are damaged, or if chips or cracks appear in the wheels. (For damage within Warranty period, see Warranty Statement, page i.)
ALWAYS set the speed controls to “0” before connecting the machine to power. Check that the speed controls are at “0” before turning the on/off switch “ON.”
Do not allow anyone to walk in front of the machine if it is connected to electrical power.
WARNING PERSONAL INJURY HAZARD
Carefully read all instructions in this manual, and all labels and warnings on Hack Attack before using this machine.
Use machine only under adult supervision. Failure to operate Hack Attack as described in this manual can result in severe personal injury or death.
Never loosen the horizontal swivel lock while pitching to a batter. If the lock is not secure, the throwing head could pivot.
A loose swivel lock can allow a pitch to be inside which could hit the batter.
ELECTRICAL SHOCK HAZARD
Hack Attack must be connected to a properly grounded electrical receptacle.
Do not operate on wet ground.
CAUTION PERSONAL INJURY HAZARD
Keep hands away from throwing wheels anytime the machine is connected to a power source.
Carefully check Hack Attack for completeness and condition before connecting to electrical power.
EQUIPMENT ELECTRICAL DAMAGE
Keep hands away from throwing wheels anytime the machine is connected to a power source.
Carefully check Hack Attack for completeness and condition before connecting to electrical power.
BALL SELECTION
Never mix leather balls with synthetic pitching machine balls.
Be careful not to mix new with old balls or balls from different manufacturers.
Balls must be consistent in type and amount of wear to produce repeatability. Never use wet balls!
BATTING PRACTICE
The horizontal swivel lock must be securely tightened before the batter approaches the plate.
ALWAYS test and adjust the Hack Attack before a batter steps up to the plate:
- Adjust so that Hack Attack throws a ball across the plate.
- Throw test pitches until required velocity and break are reached.
- Throw several pitches to verify pitch location repeatability.
DO NOT make any speed or pitch location changes while the batter is at the plate. Batter and pitching machine operator must wear batting helmets. Only one person at a time should operate the machine. Always present the ball to the batter before feeding the ball into the machine.
Operator must stand behind a protective screen to prevent injury from balls off the bat. Screen is not included with I-Hack Attack.
FIELDING PRACTICE
Both the elevation control and swivel lock must be released so that the throwing head moves freely through the intended range of motion.
Never reach up chute to push ball into the throwing wheels.
Keep hands and fingers well away from the throwing wheels.
Be careful to keep all persons away from in front of I-Hack Attack.
For best accuracy, use dimpled pitching machine balls.
NOTE: Vertical (elevation control) must be adjusted whenever you change pitches (spins).
Knuckle Balls thrown too fast are dangerous and unrealistic!
CAUTION PERSONAL INJURY HAZARD
Always use a protective screen to protect the operator from the ball off the bat. (Screen not included with I- Hack Attack.)

Always wait for all three throwing wheels to come to a complete stop before transporting Hack Attack Softball Pitching Machine, lifting the throwing head or performing any repairs.
ADDITIONAL INFORMATION
If you have any questions regarding the safe operation of this equipment, please call:
Sports Attack Customer Service Department: 800.717.4251 or 775.345.2883
FEATURES & OPERATING CONTROLS
I-HACK ATTACK SOFTBALL PITCHING MACHINE
PATENTS APPLIED FOR

Travel lock must be secure prior to movement.
Figure 1 Position I-Hack Attack
Figure 2 Tip up onto wheel guard; Insert two front legs
Figure 3 Set Hack Attack upright

Figure 4 Carefully tilt Hack Attack up onto its legs
SAFETY HINT
Keep your back straight and lift with your legs. Be ready to grab the wheel guard and guide Hack Attack into the upright position.
SET-UP & PREPARATION
- Install the rear leg (NOTE: the leg has a push button, which locks the leg into the socket). Roll I- Hack Attack onto the mound approximately four feet in front of the rubber.
- Be sure the horizontal swivel lock is tightened securely.
- Tilt I-Hack Attack forward until it rests on the throwing wheel guard.
- Insert the two front legs into the front sockets in the undercarriage (NOTE: the front legs also have locking push buttons).
- See Figure 2 on page 4. Walk around to the front of I-Hack Attack, and, with your back to home plate, reach down and grasp the wheel guards. Then, lift I-Hack Attack up and over the front legs and set it gently onto the rear leg.
- Position I-Hack Attack:
a. To approximate the release point of a live pitcher, position I-Hack Attack so that the rear leg is just in front of the rubber.
b. Then, sight down ball chute. Move the rear leg right or left to adjust machine so that it is pointing directly at home plate.
c. Check the horizontal swivel lock to make sure it remains tight. - Unlock the travel lock. Turn the handle of the elevation control counter-clockwise until the bar of the travel lock snaps back out of the way.
- Adjust the throwing head:
a. Turn the handle of the elevation control clockwise. Raise the throwing head until it will throw somewhere near the required height.
b. This initial adjustment will come through experience. To start, turn the elevation adjustment 10 turns clockwise. - Examine I-Hack Attack for condition and completeness:
a. Be sure the horizontal swivel lock is secured.
b. Throwing wheels must be tight on the motor shafts. Check that the keyway retaining bolts are tight.
c. Wheel guard and ball chute must be securely fastened to the throwing head. - Be certain on/off switch is turned “OFF”, then plug I-Hack Attack into an extension cord or other power source. (See generator information at right if applicable.)
WARNING HAZARD FROM HIGH-SPEED PROJECTILES
Being struck by a pitched ball can cause serious injury or death. Make sure that no one steps in front of I-Hack Attack while it is connected to electric power.
Clear all hitters away from home plate, the batter’s box and the backstop area before connecting I-Hack Attack to electric power.
GENERATOR INFORMATION
- I-Hack Attack requires a generator capable of providing clean electricity 2000 watts at 120V 60hz.
- Be sure the on/off switch is “OFF” before plugging I-Hack Attack into the generator.
- Start the generator and allow it to reach full speed before turning the on/off switch “ON.”
IMPORTANT: Generator speed fluctuations can damage the electronic speed control. Maintain adequate fuel in the generator at all times. - Turn the on/off switch “OFF” before shutting off the generator and before unplugging I-Hack Attack.
PITCH LOCATORS
Pitch Locators Purpose
Pitch locators adjust to limit change in the movement of the throwing head defining the location of the pitch: inside/outside and high/low or locked for repeatability.
There are three pitch locators and an elevation handle. Two pitch locators, left pitch locator (LPL) and right pitch locator (RPL) control the amount of horizontal (inside/outside)pitch location. (See Figure 6).
Pitch Locators Functions
Locators in raised positon
- To locate pitch inside and outside for change in the hitters strike zone (See Figure 7).
- Allow for wider pitches for catcher’s blocking drills (See Figure 7).
- To allow head to be locked in position for pitch location repeatability. (See Figure 7).
- To allow for balls to be thrown across width of infield or outfield for around balls/fly balls (fungo) for defenssive work (See pic above).

When pitch locators (LPL & RPL) are in Locating Position (Figure 8) and test pitch is centered on home plate both left (LPL) and right (RLP) pitch locators are firmly up against yoke at A and B throwing head is locked in position for pitch location repeatability.

When LPL is backed off (loosened) at A (Figure 9) and RPL remains at B position pitch location will be outside.

When RPL is backed off (loosened) at A and LPL remains at B (Figure 10) pitch position will be inside.

When both pitch locators (LPL and RPL) are backed off (loosened) (Figure 11) ,A B pitch location can now be moved either inside or outside between pitches.

When pitch locators are in lowered position (Figure 12) throwing head is now free to pivot horizontally throwing across width of field for fungo work (ground balls, fly balls and pop-ups).

Similiary with upper pitch locator (UPL) in vertical pitch limit position (Figure 13) and elevation handle you can establish desired high and low pitch locations to which you can move instnatly. UPL establishes desired height and elevation handle establishes low point within strike zone.

When UPL is fipped over (Figure 14) to free vertical limit position, throwing head can be tilted back for infield for fly balls, time drivers, infield pop-ups and catcher’s popups;

When both LPL and RPL are in lower position (Figure 15) and UPL (Figure 14) is in the free position (Figure 14) throwing head is free to pivot instantly in my direction to throw ground balls and fly balls to any spot onthe field (fungo).

While complicated to describe, actual use will quickly make pitch locators effective and easy to use. These locators are exclusive to the I-Hack!
WARNING HAZARD FROM HIGH-SPEED PROJECTILES
Being struck by a pitched ball can cause serious injury or death. Make sure that no one steps in front of I-Hack Attack while it is connected to electric power. Clear all hitters away from home plate, the batter’s box and the backstop area before connecting I-Hack Attack to electric power.
NOTE: As wheel speeds are changed for different velocities and spins, the ball will be pitched to differing locations. Compen- sate for these changes by turning the elevation control, and by moving the rear leg.
Figure 3 Present the ball to the hitter


Feeding the ball
IMPORTANT: Hitter should stride the instant he sees the ball release from the feeder’s hand at the upper end of the ball chute.
SHUTTING DOWN
TURNING HACK ATTACK “OFF”
- Set each speed control dial to “0”.
- Turn the on/off switch “OFF”.
- Unplug Hack Attack from the power source.
PUTTING I-HACK ATTACK AWAY
- Be absolutely sure that the throwing wheels have completely stopped turning.
- See Figure 7 at right:
a. Turn the elevation adjustment counter-clockwise until the throwing head is all the way down against the elevation control nut.
b. Push and hold the travel lock all the way in.
c. Turn the elevation adjustment clockwise until the throwing head is held tightly against the travel lock. Tighten just enough to secure the throwing head. It is not necessary to over tighten. - Using the rear leg as a handle, tip I-Hack Attack up and over onto the wheel guard.
- Remove (unsocket) both front legs and store by inserting in the travel storage sockets.
- See Figure 8 at right: Again, using the rear leg as a handle, tip I-Hack Attack back until machine can be comfortably rolled on the travel wheels. I-Hack Attack can now be rolled and maneuvered off of the field.
- To transport I-Hack Attack in a car, remove the throwing head:
a. Be sure the travel lock is engaged and the throwing head is tightly secured to the yoke.
b. Loosen the horizontal swivel control. Turn it counter-clockwise until the throwing head is free to lift out of the swivel.
c. Lift the throwing head straight up and clear of the undercarriage.
SUGGESTION: The throwing head, while awkward, can be carried for short distances by gripping the top section of the wheel guard and balancing the piece against your thighs as you walk.
d. To prevent damage in transport, rest the throwing head on the wheel guard and yoke; motors should be down, and the control panel pointing up.
* SEE OPERATION MANUAL FOR SYSTEM OPERATIONS.

Storing legs in travel socket


CARE, CLEANING & MAINTENANCE
LUBRICATION (once per season, or as required):
- Elevation Control
a. Apply fresh grease.
b. Reinstall, making sure that the tension spring is around the threads. (See item 30, 30B and 31 on page 13). - Travel Lock
Apply a small amount of grease where the pin passes through the fitting. Make sure the travel lock operates freely. - Horizontal Swivel Lock
a. Completely remove the horizontal swivel lock nut. Clean all old grease, dirt, etc. from the threads.
b. Wipe the threads with a very small amount of fresh grease.
c. Reinstall.
THROWING WHEEL MOTORS
Motors are sealed and require no lubrication.
Check bolts for tightness once a season. Tighten bolts securely, but do not over-tighten. See Figures 7 and 8 on page 11.
CLEANING THE THROWING WHEELS
The throwing wheels must be kept clean to maintain accuracy. Clean the wheels periodically to control the build-up of grass and dirt.
- Turn the on/off switch “OFF” and allow the wheels to come to a complete stop. Unplug Hack Attack from electric power.
Dampen a rag with soap and water. Turn the throwing wheel by hand and scrub the wheel until the build-up is removed. For very heavy build-up, a synthetic scouring pad, such as a Scotch-Brite® scouring pad, or medium sandpaper may be used sparingly. Methyl Ethyl Ketone (M.E.K.) may be required to help loosen the build-up of dirt or ball residue.
EXAMINE THE MACHINE
Examine Hack Attack for condition and completeness before every use:
- For batting practice, be sure the horizontal swivel lock is secured.
- Throwing wheels must be tight on the motor shafts. Check that the keyway retaining bolts are tight.
- Wheel guard and ball chute must be securely fastened to the throwing head.
CAUTION PERSONAL INJURY HAZARD
Never attempt to clean the throwing wheels while they are turning. Rags or implements caught in spinning wheels can cause serious injury.
Unplug the machine before cleaning the wheels or performing any service.
CHEMICAL HAZARD
Methyl Ethyl Ketone (M.E.K) Read and follow the directions and safety instructions on the M.E.K container.
FIRE HAZARD
Methyl Ethyl Ketone (M.E.K) M.E.K. is flammable. Do not use M.E.K. around a fire or flame. Do not use M.E.K. near a running generator or other source of ignition.
COMPONENT REPLACEMENT
THROWING WHEEL REPLACEMENT
- Turn the on/off switch “OFF” and unplug the power cord. For the bottom throwing wheel, remove 6 bolts holding the wheel guard to the main casting.
- Hold the wheel so that it cannot move. Turn the keyway retaining bolt counter-clockwise using a box end wrench.
- Remove the bolt and washers.
- Work the wheel off of the motor shaft. Be sure to catch the key as it is freed from the keyway.
- Ball throwing wheels are machine balanced. Small holes in the side of the wheel are applied at the factory and are normal. A slight wobble is normal.
Reassemble in reverse order.
a. Install wheel to motor shaft with key slots aligned.
b. Be sure the key is in place, and inserted so that it is flush with the boss at the wheel center.
c. Be sure the washer and lock washer are installed in the right order, and that the keyway retaining bolt is tightened.
d. Test the wheel by spinning it by hand and making sure that it spins freely without wobble before turning the unit “ON”.
e. Be sure the wheel guard is properly and securely reinstalled.
MOTOR REPLACEMENT
- Turn the on/off switch “OFF” and unplug the power cord.
- Remove the throwing wheel (see above).
- Remove four screws holding controller into main casting. Note the position of the motor wires on the controller, then disconnect the wires.
- Note the routing of the motor wires. Loosen any wire clamps.
- Remove four bolts holding the motor to the main casting. See Figures 7 and 8 below.
Reassemble in reverse order.

Hold wheel while loosening bolts.
NOTE: On the bottom wheel, the Front wheel guard (part 43 on page 13) must be removed prior to the removal of the motor or ball-throwing wheel

When replacing the motor, you will see two sets of bolts:
2 – 1/4″ x 1 1/4″ coarse thread bolts
2 – 5/16″ x 1 1/2″ coarse thread bolts
The wrench or socket size needed for the 1/4″ bolt is a 7/16″.
The wrench or socket size needed for the 5/16″ bolt is a 1/2″.

NOTE: Check bolts for tightness once a season. Tighten bolts securely, but do not over-tighten.
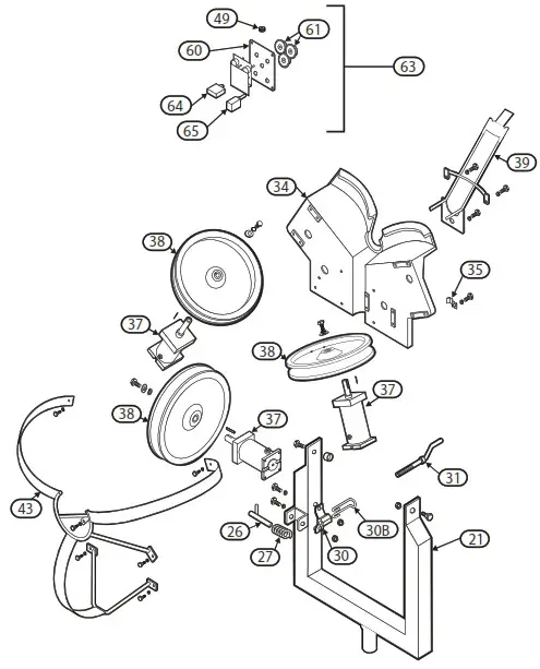
EXPLODED VIEW


| 1 Cane Tip 2 Leg – Standard Size (ea.) 5 Undercarriage 13 Horizontal Swivel Lock Handle 14 Swivel Lock Pivot 17 Snap-Button 19 Travel Wheel (with axle, bolt, nut, washers) 21 Yoke 26 Pin, Travel Lock 27 Spring, Travel Lock 30 Fitting, Elevation Control 30B Tension Spring, Elevation Control 31 Handle, Elevation Control 34 Main Casting, Throwing Head | 35 Clamp, Cable 36 Hinge Assembly, Throwing Head 37 Motor, Variable Speed 90V 38 Throwing Wheel 39 Ball Chute 43 Wheel Guard (ea.) 49 Grommet, Wiring 50 Plate, Travel Lock, and Elevation Control 60 Plate, Control, Panel Cover 61 Knob, Speed Control 63 Controller Assembly 64 Safety Reset 65 On/Off Switch 65 On/Off Switch Power Cord (not shown) |
PARTS LIST
| REF#s | HA SOFTBALL PART#s | DESCRIPTION |
| 39 | 533-1307 | Ball Chute |
| 1 | 280-1003 | Cane Tip ea. |
| 35 | 533-0002 | Clamp, Cable |
| 63 | 530-0006 | Controller Assembly |
| 30 | 531-1505 | Fitting, Elevation Control |
| 49 | 280-3007 | Grommet, Wiring |
| 31 | 531-1504 | Handle, Elevation Control |
| 13 | 533-0500 | Horizontal Swivel Lock Handle |
| 61 | 280-2003 | Knob, Speed Control |
| 2 | 532-0001 | Leg, Standard Size ea. |
| 37 | 530-1012 | Motor, Variable Speed 90V |
| 65 | 223-0004 | On/Off Switch (Rocker) |
| old | 223-0002 | On/Off Switch (Old Style – Toggle) |
| 232-0000 | Power Cord (US) | |
| 64 | 232-0002 | Safety Reset |
| old | 232-0007 | Safety Reset (Old Style Breaker) |
| 14 | 533-0501 | Swivel Lock Pivot |
| 30B | 310-0021 | Tension Spring, Elevation Control |
| 38 | 531-0001 | Throwing Wheel |
| 19 | 281-0002 | Travel Wheel ea. |
| 281-0001 | Travel Wheel, Extra-Heavy Duty |
To order additional parts, please call:
Sports Attack Customer Service Department
Ph 800.717.4251
Fx 775.345.2883
I-HACK ATTACK™ BASEBALL PITCHING MACHINE
SPORTS ATTACK, LLC. • 800-717-4251 • sportsattack.com



















