HEPA550 CleanShield HEPA
Owner’s Manual
HEPA550 CleanShield HEPA
Cleanshield HEPA 550 Owner’s Manual
READ AND SAVE THESE INSTRUCTIONS
AlorAir Solutions INC.
Add: 14752 Yorba Ct Chino CA 91710 US
Tel: 888-990-7469
E-mail: [email protected]
MR SCRUBBER
WARNING!
Please note that the CleanShield 550 should only be used with parts approved by Altair. The use of unauthorized parts or alterations to the machine could void your warranty. Contact an approved distributor for further assistance.
To Avoid the Risk of Fire or Electric Shock:
- The unit must be electrically grounded.
- Insert a 3-prong plug directly Into the outlet with the Ground Fault Circuit Interrupting device.
- Do not use an adapter with this unit.
- Do not use the unit in standing water.
- If electrical parts get wet. they must be dried prior to use.
INTRODUCTION
The CleanShield HEPA 550 is a convenient filtration system that cleans the air. The 550 uses an effective blend of airflow and advanced filtration to expel airborne particles like mold spores. dust, pollen, and pet dander. The CleanShield is ideal for restoration jobs, including water, and sewage. and fire.
IDENTIFICATION
Congratulations on purchasing a CleanShield 550 air scrubber. In order to take advantage of the warranty plan, be sure to note the serial number and date of purchase.
Serial Number:…………………..
Date of Purchase……………….
HOW IT WORKS
- When set to maximum airflow, the 550 draws air through two types of filters- a pre-filter and a HERA/Activated Carbon Filter.
- The first phase of filtration, the prefilter. catches the large particles, while the second phase of filtration, the HERA/Activated Carbon Filter, catches smaller particles, down to 0.3 microns.
SPECIAL FEATURES
Daisy-Chain Capability Using the auxiliary outlet on the control panel, you can link up to 3 units together, creating a maximum airflow 550 CFM. You can also daisy-chain the machines when they are stacked vertically (limit of 2 units). Multi-Positional The CleanShield HEPA 550 can be operated in the vertical position, as well as, when stacked vertically (up to 2 units). When storing, the machines can be stacked horizontally to save space.
Removable Intake Panel The CleanShield 550 is equipped with a removable panel on the Intake side of the machine. The removable panel is quite useful in remediation applications, so you can draw air out the room and create more negative pressure (use a manometer to monitor air pressure).
To use panel:
- Remove the panel.
- Install the machine outside the containment area to draw air out.
- Cut a hole in the containment plastic that is the size of the unit’s inlet.
- Insert the inlet into plastic and seal the circumference tightly with duct tape.
KEY FEATURES

INSTRUCTIONS
SETUP
- Place the CleanShield HEPA 550 so that it is in an upright, vertical position.
- Plug the machine Into a standard 115-volt outlet. Note: Each unit needs 3 amps to operate.
- Power the unit on and adjust the speed by turning the variable speed control. The maximum speed is 750 CFM and the minimum speed is 270 CFM.
- The CleanShield 550 can be operated in the vertical or horizontal portion, depending on the exact situation. At this point, adjust the machine to the optimal position.
THE CONTROL PANEL
Variable Speed Control
The Variable Speed Control Is used to adjust the power of the machine. Turn the knob in a clockwise direction, to Increase the speed from maximum to minimum The minimum speed setting is located immediately under the OFF button. You can switch to minimum speed by turning the knob counterclockwise.
Auxiliary Outlet
If more air filtration Is necessary for a space, you can ‘daisy chain” or link up to 3 CleanShield 550’s to the same outlet. There is a maximum amperage of 12 when the units are turned off, and a maximum of 9 amps when the units are turned on. Other equipment can be plugged into the same outlet as the CleanShield as long as it doesn’t go above the max amperage.
Circuit Breaker Switch
The Circuit Breaker Switch protects the unit if there are more than 12 amps of electricity passing the circuit. If this occurs, the switch will cut off the power to the unit.

CHANGING THE FILTERS
- Loosen the 4 locks that hold the filter board in place.
- Slide out the filter panel board. 3. Remove the used filters and replace them with new filters.
WARNING
- Always wear approved protective gear when changing the filters.
- Filters should be changed after each remediation job
- If the indicator light Is on. always change the HEPAlActivated Carbon Filter
APPLICATIONS
Water Damage In this application, the CleanShield should be placed in the center of the affected area. The air scrubber will draw in the air, filter it, then blow out the newly cleaned air. To begin the process, simply turn on the scrubber and it will start cleaning the at Keep in mind that if you are working in a large area or one divided by walls, you may need several air scrubbers to effectively clean the air.
Odor Control
The CleanShield 550, when used with the HEPA/Activated Carbon Filter. is excellent at odor control, as well. Simply place the carbon filter in the pre-filter slot and it will capture a wide variety of odor-causing gas molecules, such as volatile organic compounds (VOCs). smoke. soot, and paint fumes.
Other Uses
The CleanShield is also useful in many other applications including mold remediation, fire damage, dust control, and sewage remediation.
WARNING!
Breathing Hazard
- When using the CleanShield HEPA 550 in a containment area, always turn off power to open combustion appliances. such as fireplaces, furnaces, water heaters, and HVAC systems, to avoid the risk of bad drafting carbon monoxide fumes.
- If the Filter Change Light illuminates during the remediation process, immediately change the HEPA/Activated Carbon Filter, ‘lipping Hazard
- Use caution when stacking units,
- Do not stack more than 2 units on top of each other.
- Falling equipment could cause bodily harm.
SAFETY NOTES
- Always unplug the unit prior to performing any maintenance.
- Check the power cord for damage (fraying, cuts, etc.) before use.
- Verify that the GFCI outlet Is working by powering on the machine and pressing the red GFCI test button. If the outlet is working, the “reset button will pop up. To operate, press the reset button again.
- To avoid electric shock, never use a water hose or pressure washer to clean the electrical components.
- Check the pre-filter prior to operating the machine to ensure it is not clogged. If there is any sign of air flow restriction change the filter.
- Make sure the unit is dry prior to installing clean filters.
- When using the CleanShield for remedIatIon purposes. replace both filters at the same time and always dean the machine in between jobs. This will help prevent cross-contamination.
LIMITED WARRANTY
This limited warranty starts from the date of purchase. Alorair Solutions Inc warrants to the original purchaser that this ALORAIR product is free from manufacturing defects in material or workmanship for the limited warranty period of:
Six (6) Month parts and labor. This includes the shipment charges for replacement parts or units.
One (1) year parts and labor. The shipment fee to send the unit back to the manufacturer is not covered. Ten (10) years. Polyethylene body ONLY. This limited warranty is valid only on products purchased from the manufacturer or ALORAIR authorized dealer and operated. installed. and maintained according to the instructions included in this user guide or furnished with the product Mourn Solutions Inc will not provide in-home service during or after the warranty period. You may be responsible for the shipping charge to bring the product to the manufacturer for service. To receive warranty service. the purchaser must contact Lorain at 888-990-7469 or [email protected].
Proof of purchase or order number is required to receive warranty service. During the applicable warranty period. a product will be repaired or replaced at the sole option of ALORAIR.
Limited Warranty Exclusions:
This limited warranty covers manufacturing defects in materials or workmanship encountered in a normal household. commercial or noncommercial use of this product and shall not cover the following:
- Damage occurs in uses for which this product was not intended.
- Damage caused by unauthorized modification or alteration of the product.
- Cosmetic damage including scratches. dents. chips. and other damage to the product’s finishes.
- Damage caused by abuse. misuse. pest infestation. accident. fire. floods. or Other acts of nature.
- Damage caused by incorrect electrical line current. voltage, fluctuations. and surges.
- Damage caused by failure to perform proper maintenance of the product.
- Damaged caused by not using the required filters for operation. (Pre-filter. HEPA &Activated Carbon Filter)
- Damaged caused by using in a high humidity environment (75% or higher),
- Damage caused by using next to combustible materials/equipment that may or may not produce carbon monoxide.
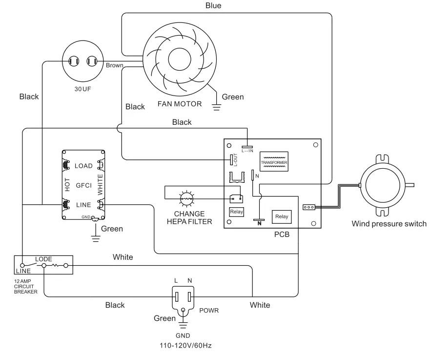
Warning Diagram




















