AMINI Acoustic Master Mini Amp
Owner’s Manual
IMPORTANT SAFETY INSTRUCTIONS
This lightning flash with an arrowhead symbol, within an equilateral triangle, is intended to alert the user to the presence of uninsulated “dangerous voltage” within the product’s enclosure that may be of sufficient magnitude to constitute a risk of electric shock to persons.
The DO NOT STACK symbol is intended to alert the user that the product shall not be vertically stacked because of the nature of the product.

The exclamation point within an equilateral triangle is intended to alert the user to the presence of important operating and maintenance (servicing) instructions in the literature accompanying the appliance.
CAUTION: OVERHEAD LOAD
FOLLOW ALL INSTRUCTIONS
Instructions pertaining to a risk of fire, electric shock, or injury to a person
CAUTION: TO REDUCE THE RISK OF ELECTRIC SHOCK, DO NOT REMOVE THE COVER (OR BACK).
NO USER-SERVICEABLE PARTS INSIDE. REFER SERVICING TO QUALIFIED SERVICE PERSONNEL. THIS DEVICE IS FOR INDOOR USE ONLY!
INSTALLED BATTERY PACKS SHALL NOT BE EXPOSED TO EXCESSIVE HEAT SUCH AS SUNSHINE, FIRE, OR THE LIKE.
Read Instructions: The Owner’s Manual should be read and understood before the operation of your unit. Please, save these instructions for future reference and heed all warnings.
Cleaning: Clean only with a dry cloth.
Packaging: Keep the box and packaging materials, in case the unit needs to be returned for service.
Warning: To reduce the risk or fire or electric shock, do not expose this apparatus to rain or moisture. Do not use this apparatus near water!
Warning: When using electric products, basic precautions should always be followed, including the following:
Power Sources
Your unit should be connected to a power source only of the voltage specified in the owner’s manual or as marked on the unit. This unit has a polarized plug. Do not use with an extension cord or receptacle unless the plug can be fully inserted. Precautions should be taken so that the grounding scheme on the unit is not defeated. An apparatus with CLASS I construction shall be connected to a Mains socket outlet with a protective earthing connection.
Where the MAINS plug or an appliance coupler is used as the disconnect device, the disconnect device shall remain readily operable.
Hazards
Do not place this product on an unstable cart, stand, tripod, bracket or table. The product may fall, causing serious personal injury and serious damage to the product. Use only with a cart, stand, tripod, bracket, or table recommended by the manufacturer or sold with the product. Follow the manufacturer’s instructions when installing the product and use mounting accessories recommended by the manufacturer. Only use attachments/accessories specified by the manufacturer.
Equipment that is suspended overhead must use a secondary safeguard to prevent personal injury in the event the primary mounting mechanism fails. Safety eyebolts attached to the equipment and galvanized steel wire can be used together to implement a failsafe mounting thus ensuring the safety of the equipment and anyone positioned below the equipment.
Improper installation can result in bodily injury or death. If you are not qualified to attempt the installation get help from a professional structural rigger.
Note: Prolonged use of headphones at a high volume may cause health damage to your ears.
The apparatus should not be exposed to dripping or splashing water; no objects filled with liquids should be placed on the apparatus.
Te rminals marked with the “lightning bolt” are hazardous live; the external wiring connected to these terminals requires installation by an instructed person or the use of ready-made leads or cords.
Ensure that proper ventilation is provided around the appliance. Do not install near any heat sources such as radiators, heat registers, stoves, or other apparatus (including amplifiers) that produce heat.
No naked flame sources, such as lighted candles, should be placed on the apparatus.
Power Cord
Do not defeat the safety purpose of the polarized or grounding-type plug. A polarized plug has two blades one wider than the other. A grounding-type plug has two blades and a third grounding prong. The wide blade or the third prong are provided for your safety. If the provided plug does not fit into your outlet, consult an electrician for the replacement of the obsolete outlet. The AC supply cord should be routed so that it is unlikely that it will be damaged.
Protect the power cord from being walked on or pinched particularly at plugs. If the AC supply cord is damaged DO NOT OPERATE THE UNIT. To completely disconnect this apparatus from the AC Mains, disconnect the power supply cord plug from the AC receptacle. The mains plug of the power supply cord shall remain readily operable.
Unplug this apparatus during lightning storms or when unused for long periods of time.
Service
The unit should be serviced only by qualified service personnel. Servicing is required when the apparatus has been damaged in any way, such as power-supply cord or plug is damaged, liquid has been spilled or objects have fallen into the apparatus, the apparatus has been exposed to rain or moisture, does not operate normally, requires battery pack replacement or has been dropped.
Disconnect power before servicing!
The Lightning Flash with an arrowhead symbol within an equilateral triangle is intended to alert the user to the presence of uninsulated “dangerous voltage” within the product enclosure that may be of sufficient magnitude to constitute a risk of shock to a person.
The exclamation point within an equilateral triangle is intended to alert the user to the presence of important operating and maintenance (servicing) instructions in the literature accompanying the product.
- Read these instructions.
- Keep these instructions.
- Heed all warnings.
- Follow all instructions.
- Do not use this apparatus near water.
- Clean only with a dry cloth.
- Do not block any ventilation openings. Install in accordance with the manufacturer’s instructions.
- Do not install near any heat sources such as radiators, heat registers, stoves, or other apparatus (including amplifiers) that produce heat.
- Do not defeat the safety purpose of the polarized or grounding-type plug. A polarized plug has two blades one wider than the other. A grounding-type plug has two blades and a third grounding prong. The wide blade or the third prongs are provided for your safety. If the provided plug does not fit into your outlet, consult an electrician for the replacement of the obsolete outlet.
- Protect the power cord from being walked on or pinched particularly at plugs, convenience receptacles, and the point where they exit from the apparatus.
- Only use attachments/accessories specified by the manufacturer.
- Use only with the cart, stand, tripod, bracket, or table specified by the manufacturer, or sold with the apparatus. When a cart is used, use caution when moving the cart/apparatus combination to avoid injury from tip-over.
- Unplug this apparatus during lightning storms or when unused for long periods of time.
- Refer all servicing to qualified service personnel. Servicing is required when the apparatus has been damaged in any way, such as power-supply
cord or plug is damaged, liquid has been spilled or objects have fallen into the apparatus, the apparatus has been exposed to rain or moisture, does not
operate normally, or has been dropped.
WARNING:
- To reduce the risk of fire or electric shock, do not expose this apparatus to rain or moisture and objects filled with liquids, such as vases, should not be placed on this apparatus.
- To completely disconnect this apparatus from the ac mains, disconnect the power supply cord plug from the ac receptacle.
- The mains plug of the power supply cord or an appliance coupler shall remain readily accessible.
CAUTION![]()
TO PREVENT ELECTRIC SHOCK HAZARDS, DO NOT CONNECT TO THE MAINS POWER SUPPLY WHILE THE GRILLE IS REMOVED.


Acoustic Master Mini
We at Traynor Amplifiers would like to thank you for trusting us with your tone. As musicians, we know just how important your tone is, and we really appreciate that you have chosen us to help you share yours with the world.
With the Acoustic Master Mini, we set out to produce an amplifier that does the best job possible of faithfully reproducing the tone of your instrument while respecting and preserving the dynamics of your playing.
We put a special emphasis on touch sensitivity and performance-oriented features and we believe that the results speak for themselves.
Features
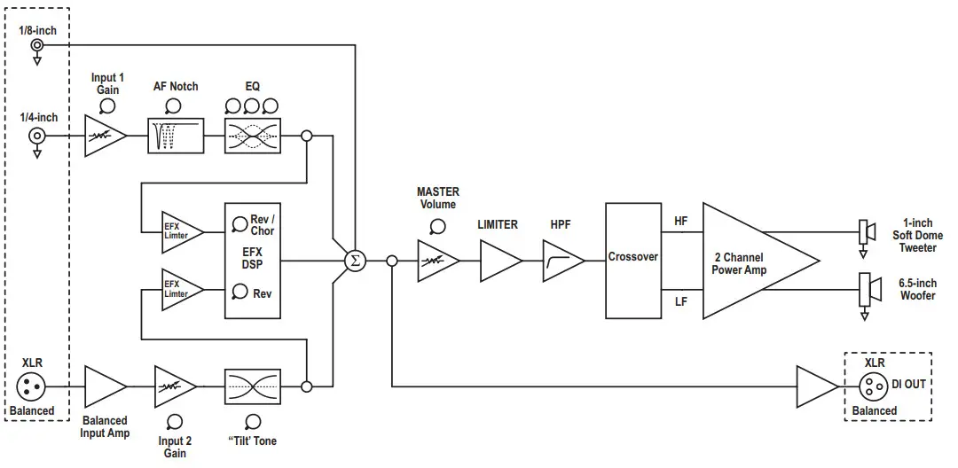
- Channel 1 Input Jack
We suggest you plug in your guitar here but if you want to plug in your resonator, mandolin, banjo, or any other instrument, we won’t be offended. - Clip LED (Ch 1)
This LED will light up whenever your signal is getting too hot to handle and you’re about to clip (or distort) the sound. - Gain Control (Ch 1)
Use this control to increase the level of your signal in the preamp section of the Acoustic Master Mini. A nice, hot signal will result in the best overall performance from your amplifier, so set this control as high as you can without making the clip LED turn on a lot (little blinks are OK). - Anti-feedback Control (Ch 1)
When you’re playing loudly, acoustic guitars are prone to feedback, that’s not good. This control can help reduce the feedback and allows you to increase your performance volume (a bit higher than you would be able to without it).
See the section “A Word about Feedback” for a more in-depth explanation. - Bass, Middle and Treble Controls (Ch 1)
Use these controls to shape the sound of your guitar. The Acoustic Master Mini has been voiced to accurately reproduce the sound of your instrument with these controls at noon but there are a number of reasons why you may want to make adjustments. We suggest you start with all the controls at 12 o’clock and make small adjustments from there. Players of small-bodied guitars may want to bump the bass up slightly for a fuller sound.
Heavy strummers may find the tone more pleasing if they decrease the mids slightly.
A little increase of the treble can help get a little extra life out of dull old strings. - Reverb (Ch 1)
Use this control to add some “space” to your sound. The effect is meant to emulate the sound of playing in a large hall. - Chorus (Ch 1)
This effect adds a thickening “swishy” character to your sound. Set it to 12 o’clock to disable the effect. Turn counter-clockwise for a mild chorus sound, or turn clockwise for more swish. - Channel 2 Mic Input
Use this input to plug in a dynamic microphone to amplify a guitar without a pickup or for singing. - Clip LED (Ch 2)
See item 2. Same deal. - Gain Control (Ch 2)
Like item number 3. - Tone Control (Ch 2)
This channel implements a “tilt” style tone control and is flat at 12 o’clock. As you turn up it increases the treble and simultaneously lowers the bass. As you turn down it drops the treble and increases the bass. - Reverb (Ch 2)
Same as the reverb control on channel 1 (see item 6). - Master Volume
Sets the overall volume of your amplifier. - Power LED
Turns shiny green when you turn on the amp. - Auxiliary Input (back panel)
This input can be used to plug in your phone or an MP3 player for jamming along to your favorite tracks. The level is controlled by the master volume and the volume you set on your player. - DI Out (back panel)
This is a line-level version of your signal taken just before the master volume control. It Can be used for recording with a suitable interface or for sending affected and EQ’d signals to a mixing console.
A Word about Feedback
Feedback in the context of acoustic guitar amplification tends to refer to a low-frequency phenomenon where the sound energy from the amp vibrates the top of the guitar, which in turn vibrates the strings which then send that same frequency back to the amp. This creates an endless loop where the sound is “fed back” from the guitar to the amp to the guitar to the amp etc. and it can interfere with your ability to play the notes you want.
- Here are some important points about feedback in the context of acoustic guitars
- Feedback is MUCH worse when the speaker of your amp is pointed at the top of your guitar.
- Most acoustic guitars have a single frequency at which they tend to feed back much more aggressively than others
- Boosting bass can worsen the feedback phenomenon; inversely, cutting bass can allow you to play louder before feedback becomes an issue.
In order to enhance the gigging abilities of the Acoustic Master Mini, we have implemented a “Variable High-Pass Notch Filter” (see image), which is labeled “Anti-Feedback.” This control introduces a deep notch at one frequency and simultaneously reduces the bass below the notch frequency. This can allow you to play much louder than you might otherwise be able, at the expense of a change in the bass response of the amplifier. This is especially helpful for gigs or for playing with a band where a keyboard or bass guitar might be filling in the bottom end.
To use the control most effectively we suggest you follow this procedure
- Position your amplifier where you intend to use it and position yourself (with your guitar) where you will be while playing.
- Turn up your gain and/or master volume until your guitar begins to feedback.
- Turn up the anti-feedback control until the feedback is suppressed.
- Begin to turn up your volume again until feedback starts again.
- Once feedback starts again, turn down your volume just until it stops.
- You’ve now set up your amp for the maximum output level for your current playing situation.
Specifications
| Power @ min. impedance (wafts) | 65 |
| Speaker Configuration – LF | 6.5-inch |
| Speaker Configuration – HF | 1-inch Soft Dome |
| Input Channels | 2 |
| Channel 1 – inputs | 1/4 inch Unbalanced |
| Channel 1 – controls | Gain, Bass, Mid, Treble, Anti-Feedback, Reverb, Chorus |
| Channel 2 – inputs | Balanced XLR |
| Channel 2 – controls | Gain, Tone, Reverb |
| Line Out (type / configuration) | Balanced XLR |
| Master Volume | Yes |
| Aux input | 1/8-inch TRS |
| LED Indicators | Power, Ch 1 Clip, Ch 2 Clip |
| Dimensions (DWH, inches) | 15.3 x 9.4 x 11.8 |
| Dimensions (DWH, cm) | 39 x 24 x 30 |
| Weight (lbs / kg) | 14.5 / 6.6 |
Balanced 1/4-inch T.R.S. to Balanced XLR
Block Diagram for AM MINI
DESIGNED AND MANUFACTURED BY YORKVILLE SOUND
TYPE: YS1121

Two Year Warranty
Unlimited Warranty
Your Traynor two-year unlimited warranty on this product is transferable and does not require registration with Yorkville Sound or your dealer. If this product should fail for any reason within two years of the original purchase date, simply return it to your Traynor dealer with original proof of purchase and it will be repaired free of charge.
Freight charges, consequential damages, weather damage, damage as a result of improper installation, and damages due to exposure to extreme humidity, accident or natural disaster are excluded under the terms of this warranty.
The warranty does not cover consumables such as vacuum tubes, bulbs or batteries beyond 90 days of original purchase. See your Yorkville dealer for more details. Warranty valid only in Canada and the United States.
REAL Gear.
REAL People.
Canada
Voice: (905) 837-8481
Fax: (905) 837-8746
U.S.A.
Voice: (716) 297-2920
Fax: (716) 297-3689
www.yorkville.com
Yo rkville Sound
550 Granite Court
Pickering, Ontario
L1W-3Y8 CANADA
Yo rkville Sound Inc.
4625 Witmer Industrial Estate
Niagara Falls, New Yo RK
14305 USA


















