DAP PSS-106 Battery Speaker
Introduction
Before Using the Product
Important
Read and follow the instructions in this user manual before installing, operating or servicing this product.
The manufacturer will not accept liability for any resulting damages caused by the non-observance of this manual.
After unpacking, check the contents of the box. If any parts are missing or damaged, contact your Highlite International dealer.
Your shipment includes:
- DAP PSS-106 Battery Speaker
- Antenna (only in D2613)
- Wireless microphone (only in D2613)
- Wireless microphone receiver (only in D2613)
- Schuko to IEC power cable (1,5 m)
- User manual
Intended Use
This device is designed to be used as a wireless loudspeaker. It is suitable only for indoor use. Any incorrect use may lead to hazardous situations and result in injuries and material damage.
Any other use, not mentioned under intended use, is regarded as non-intended and incorrect use.
Text Conventions
Throughout the user manual the following text conventions are used:
- Buttons: All buttons are in bold lettering, for example “Press the UP/DOWN buttons”
- References:References to chapters and parts of the device are in bold lettering, for example: “Refer to 2. Safety”, “press the power switch (03)”
- 0–255:Defines a range of values
- Notes:Note: (in bold lettering) is followed by useful information or tips
Symbols and Signal Words
Safety notes and warnings are indicated throughout the user manual by safety signs.
Always follow the instructions provided in this user manual.
![]() | DANGER | Indicates an imminently hazardous situation which, if not avoided, will result in death or serious injury. |
![]() | WARNING | Indicates an imminently hazardous situation which, if not avoided, could result in death or serious injury. |
![]() | CAUTION | Indicates a potentially hazardous situation, which, if not avoided, may result in minor or moderate injury. |
![]() | Attention | Indicates important information for the correct operation and use of the product. |
![]() | Important | Read and observe the instructions in this document. |
![]() | Electrical hazard | |
![]() | Provides important information about the disposal of this product. | |
Symbols on the Information Label
This product is provided with an information label. The information label is located on the bottom plate of the device.
The information label contains the following symbols:
![]() | This device is designed for indoor use. |
![]() | This device shall not be treated as household waste. |
|
| Caution: Risk of electric shock. Disconnect input power before opening. Warning: This appliance must be earthed. |
Safety
Important
Read and follow the instructions in this user manual before installing, operating or servicing this product.
The manufacturer will not accept liability for any resulting damages caused by the non-observance of this manual.
Warnings and Safety Instructions
DANGER
Danger for children
For adult use only. The device must be installed beyond the reach of children.
- Do not leave various parts of the packaging (plastic bags, polystyrene foam, nails, etc.) within children’s reach. Packaging material is a potential source of danger for children.
DANGER
Risk of explosion caused by incorrect handling
This device contains a built-in rechargeable lithium-ion battery. The battery is not replaceable. The battery may explode or cause burns if it is crushed, disassembled or exposed to fire or high temperatures.
- Do not open the device and do not attempt to remove the built-in battery.
- Do not disassemble the battery.
- Do not crush or puncture the battery.
- Do not short-circuit the battery.
- Do not expose the battery to water or other liquids.
- Keep the battery away from fire and heat.
DANGER
Electric shock caused by dangerous voltage inside
There are areas within the device where dangerous touch voltage (> 120 V DC) may be present.
- Do not open the device or remove any covers.
- Do not operate the device if the covers or the housing are open.
- Disconnect the device from electrical power supply before service and maintenance, and when the device is not in use.
DANGER
Electric shock caused by short-circuit
This device falls under IEC protection Class I.
- Make sure that the device is electrically connected to ground (earth). Connect the device only to a socket-outlet with ground (earth) connection.
- Do not cover the ground (earth) connection.
- Do not bypass the thermostatic switch or fuses.
- Do not let the power cable come into contact with other cables. Handle the power cable and all connections with the mains with caution.
- Do not modify, bend, mechanically strain, put pressure on, pull or heat up the power cable.
- Make sure that the power cable is not crimped or damaged. Examine the power cable periodically for any defects.
- Do not immerse the device in water or other liquids. Do not install the device in a location where flooding may occur.
- Do not use the device during thunderstorms. Disconnect the device from the electrical power supply immediately.
WARNING Stability hazard
The device may fall if it is mounted to a speaker stand, causing personal injury or death. The device is for use only with the stands that are recommended in this user manual.
- Make sure that the device is safely mounted to the speaker stand.
- Do not use speaker stands that are not recommended in this user manual. Use of the device with other stands may result in instability causing injury.
- Do not place objects on the top of the device when it is mounted on a speaker stand. These objects may fall and cause injury.
Attention Power supply
- Before connecting the device to the power supply, make sure that the current, voltage and frequency match the input voltage, current and frequency specified on the information label on the device.
- Make sure that the cross-sectional area of the extension cords and power cables is sufficient for the required power consumption of the device.
Attention General safety
- Do not shake the device. Avoid brute force when installing or operating the device.
- If the device is exposed to extreme temperature variations (e.g. after transportation), do not switch it on immediately. Let the device reach room temperature before switching it on, otherwise it may be damaged by the formed condensation.
- If the device fails to work properly, discontinue the use immediately.
Attention
This device shall be used only for the purposes it is designed for.
This device is designed to be used as a wireless loudspeaker. It is suitable only for indoor use. Any incorrect use may lead to hazardous situations and result in injuries and material damage.
- This device is not suitable for households.
- This device is not designed for permanent operation.
- This device does not contain user-serviceable parts. Unauthorized modifications to the device will render the warranty void. Such modifications may result in injuries and material damage.
Attention
Before each use, examine the device visually for any defects.
Make sure that:
- There are no deformations on the housing.
- The power cables are not damaged and do not show any material fatigue.
Attention
Do not expose the device to conditions that exceed the rated IP class conditions.
This device is IP20 rated. IP (Ingress Protection) 20 class provides protection against solid objects greater than 12 mm, such as fingers, and no protection against harmful ingress of water.
Requirements for the User
This product may be used by ordinary persons. Maintenance and installation may be carried by ordinary persons. Service shall be carried out only by instructed or skilled persons. Contact your Highlite International dealer for more information.
Instructed persons have been instructed and trained by a skilled person, or are supervised by a skilled person, for specific tasks and work activities associated with the installation, service and maintenance of this product, so that they can identify risks and take precautions to avoid them.
Skilled persons have training or experience, which enables them to recognize risks and to avoid hazards associated with the installation, service and maintenance of this product.
Ordinary persons are all persons other than instructed persons and skilled persons. Ordinary persons include not only users of the product but also any other persons that may have access to the device or who may be in the vicinity of the device.
Description of the Device
The DAP PSS-106 is a battery-powered wireless loudspeaker. It can be used as floor monitor, a tilt back or as a PA. The advanced version (D2613) includes the wireless microphone and the wireless microphone receiver with an antenna. If you have the basic version (D2612), you have to purchase those accessories separately.
PSS-106 
- Antenna (only in D2613)
- 3-channel mixer
- 35-mm pole mount
- Power switch ON/OFF/RECHARGE
- IEC power connector IN + Fuse T1,6AL/250V
- Media player (Aux/Music files/Bluetooth)
- Wireless microphone receiver (only in D2613)
Wireless Microphone (only in D2613)
- Battery housing (2 x AA)
- Power/mute LED indicator (green/red)
- ON/OFF/Mute button
- Infra-red (IR) sensor
channel Mixer
- Combo 3-pin XLR/6,3 mm jack IN (balanced/unbalanced)
- Microphone/Line impedance switch CH1
- Bass control CH1/CH2
- Treble control CH1/CH2
- Input gain control CH1/CH2
- Reverb control
- Master volume control
- Voice priority switch ON/OFF
- Signal/Clip LED indicator (Green/Red)
- Media player volume control
- Power LED indicator (Green)
- Battery LED indicator (Red/Yellow/Green)
- Recharge LED indicator (Red/Green)
- Aux stereo 3,5 mm jack IN
- Line(balanced)/Mix 6,3 mm jack OUT
- Line/High impedance switch CH2
- Line/High impedance 6,3 mm jack CH2 IN (balanced/unbalanced)
Wireless Microphone Receiver
- LCD display
- UP button
- Microphone signal volume control
- SET button
- DOWN button
Media Player
- USB A connector IN
- LCD display
- MODE button
- FORWARD/VOLUME + button
- PLAY/PAUSE button
- BACKWARD/VOLUME
- button Aux signal connector IN
- SDcard connector IN
Product Specifications
| Model: | DAP PSS-106 Battery Speaker with Wireless Handheld Mic |
| Physical: | |
| Dimensions (speaker): | 265 x 240 x 325 mm (L x W x H) |
| Weight (speaker): | 5,9 kg |
| Dimensions (microphone): | 240 x 50 x 50 mm (L x W x H) |
| Weight (microphone): | 0,2 kg |
| Inputs: | |
| Mono input connector: | 3-pin XLR/TRS unbalanced 6,3 mm |
| Auxiliary inputs: | TRS stereo 3,5 mm |
| Output: | |
| RMS output power amplifier: | 160 W |
| Playback: | |
| Supported audio files: | MP3, WAV, WMA |
| USB flash drive max. capacity: | < 32 GB, FAT32-formatted |
| Audio Specifications: | |
| Maximum SPL at 1 m: | 110 dB |
| Frequency response: | 70–20000 Hz |
| Woofer diameter: | 6,5 “ |
| Woofer voice coil: | 1 “ |
| Compression driver diameter: | 1 “ |
| Wireless microphone frequency: | 863–865 MHz |
| Main graphic equalizer: | 2 bands |
| Electrical: | |
| Input voltage: | 220–240 V AC, 50 Hz |
| Power consumption: | 100 W |
| Fuse: | T1,6AL/250V |
| Battery: | |
| Battery type: | Lithium-ion |
| Battery voltage: | 25,9 V |
| Capacity: | 2,2 Ah |
| Runtime (full output): | 5 h |
| Runtime (average): | 8 h |
| Charging time: | 5 h |
| Microphone: | |
| Power supply: | 2 x AA LR6 batteries (not supplied) |
| Construction: | |
| Housing: | ABS |
| Color: | Black |
| IP rating: | IP20 |
| Connections: | |
| Power connections: | IEC |
| Product Properties: | |
| Pole mount: | 35 mm |
| Cooling: | Convection |
| Electronic protection: | Clip limiter, Overheating, Overload, Thermal |
| LED indicators: | Battery status, BT Pairing, Charging, Power, Protect, Signal |
| Speaker grill: | Steel |
| Thermal: | |
| Max. ambient temperature ta: | 5–40 °C |
Optional Accessories
You can additionally purchase the following accessories:
Product code: D2614 (Transport Cover for PSS-106)
Product code: D2621 (DAP WM-10 Handheld Microphone for PSS-106)
Product code: D2622 (DAP BP-10 Beltpack for PSS-106)
Product code: D2625 (DAP WR-10 Wireless Receiver for PSS-106)
Product code: D8600 (Speaker Stand, 1300–1900 mm, max. load: 40 kg)
Product code: D8601 (Speaker Stand 35mm Alu, 1260–2050 mm, max. load: 45 kg) Product code: D8602 (Speaker Stand with Baseplate, 1170–1800 mm, max. load: <20 kg) Product code: 98040 (Duracell industrial AA battery)
Dimensions 
Installation
Safety Instructions for Installation
WARNING
Incorrect installation can cause serious injuries and damage of property.
If trussing systems are used, installation must be carried out only by instructed or skilled persons. Follow all applicable European, national and local safety regulations concerning rigging and trussing.
Personal Protective Equipment
During installation and rigging wear personal protective equipment in compliance with the national and site-specific regulations.
Installation Site Requirements
- This device can be used only indoors.
- The device must be installed away from heating sources and direct sunlight.
- The maximum ambient temperature ta = 40 °C must never be exceeded.
- The relative humidity must not exceed 50 % with an ambient temperature of 40 °C.
Note:
It is recommended to charge the device at an ambient temperature between 0 °C and 35 °C.
Mounting Options
WARNING Stability hazard
The device may fall if it is mounted to a speaker stand, causing personal injury or death. The device is for use only with the stands that are recommended in this user manual.
- Make sure that the device is safely mounted to the speaker stand.
- Do not use speaker stands that are not recommended in this user manual. Use of the device with other stands may result in instability causing injury.
The device can be positioned on a flat surface or mounted to a speaker stand. The mounting options are as follows:
Option 1: installation on a speaker stand
Use the 35-mm pole mount (03) to install the device on a speaker stand.
This method ensures greater projection of sound.
Option 2: inclined installation on a flat surface
This method is recommended when both the artist and the audience are standing. Using this method, the artist is also better able to hear his own output during the performance.
There is a HPF (high-pass filter) button at the bottom of the device that gets pressed when you install the device in this position. The HPF cuts off lower frequencies which leads to cleaner microphone output sound.
Option 3: installation as a floor monitor
The device functions only as a floor monitor. This way, the artist is able to hear his own output during performance.
There is a HPF (high-pass filter) button at the side of the device that gets pressed when you install the device in this position. The HPF cuts off lower frequencies which leads to cleaner microphone output sound.
Charging the Battery
DANGER
Risk of explosion caused by incorrect handling
This device contains a built-in rechargeable lithium-ion battery. The battery is not replaceable. The battery may explode or cause burns if it is crushed, disassembled or exposed to fire or high temperatures.
- Do not open the device and do not attempt to remove the built-in battery.
- Do not charge the device in the transport bag.
This device is delivered with an IEC to Schuko power cable that is used to charge the battery. Before connecting the power cable to the socket-outlet, make sure that the power supply matches the input voltage specified on the information label on the device.
To charge the battery follow the steps below:
- Set the power switch (04) to OFF position.
- Connect the IEC power cable to the device. Use only the IEC power cable delivered with the device. Connect the IEC power cable to the socket-outlet.
- Set the power switch (04) to RECHARGE position.
During charging, the Recharge LED indicator (24) is red. When charging is completed, the Recharge LED indicator (24) lights green.
- Charge the battery before using the device for the first time.
- Do not deep discharge the battery as this will shorten the battery’s lifetime. Recharge the battery as early as possible. Do not let the light run until the battery is depleted.
- Make sure that the battery is charged to at least 50 % before storing the device.
It is recommended to charge the device at an ambient temperature between 0 °C and 35 °C. Refer to 3.6. Product Specifications on page 12 for the charging time of the battery.
Installation of the Batteries (Wireless Microphone)
The wireless microphone is delivered without batteries. It accepts 2 x AA LR6 (alkaline) batteries. Rechargeable Ni-Cad batteries can be used but they do not supply adequate current for more than 4 hours.
To install the batteries:
- Turn the battery cover clockwise and remove it (Fig. 10).
- Insert 2 x AA LR6 batteries into the battery compartment.
- Put the battery cover back and turn it counterclockwise to tighten it.
Note:
Make sure that you install the batteries with correct polarity orientation.
Setup
Safety Instructions for Operation
Attention
This device must be used only for the purposes it is designed for.
This device is intended for use as a wireless loudspeaker. It is suitable only for indoor use. This device is not suitable for households.
Any other use, not mentioned under intended use, is regarded as non-intended and incorrect use.
Switching the PSS-106 On/Off
To switch the device on, set the power switch (04) to ON position. To switch the device off, set the power switch (04) to OFF position.
Switching the Microphone On/Off
To switch the microphone on, press and hold down the ON/OFF/Mute button (10) for 3 seconds. The power/mute LED indicator (09) will light green.
To switch the microphone off, press and hold down the ON/OFF/Mute button (10) for 6 seconds. The power/mute LED indicator (09) will turn off.
Muting the Microphone
- Switch the microphone on. See 5.3. Switching the Microphone On/Off on page 17 for more information.
- Press the ON/OFF/Mute button (10) to activate mute. The power/mute LED indicator (09) will light red.
- Press the ON/OFF/Mute button (10) again, to deactivate mute. The power/mute LED indicator (09) will light green.
Connecting the Microphone to the Receiver
Before use, pair the microphone and the receiver. You need to do this for the system to work properly. To pair the microphone with the receiver:
- Switch the PSS-106 and the microphone on.
- Press the UP/DOWN buttons (30/33) to choose one of the 9 channels (0–8). Alternatively, press and hold down the DOWN button (33) for 3 seconds for auto search. The display (29) will show:

- Press and hold down the UP button (30) for 3 seconds. The channel’s number will start blinking on the display.
- Put the microphone’s infra-red (IR) sensor (11) close to the display (29) to pair both devices. The display (29) will show the RF range when the devices are paired.

Pairing Mobile Devices with the Receiver via Bluetooth
Before use, pair your mobile device and the receiver via Bluetooth. To pair a mobile device with the receiver:
- Switch the PSS-106 on.
- Activate Bluetooth on your mobile device and search for available Bluetooth devices.
- Make a connection with “VIRE BT” device.
Setup Examples
PSS-106 and External Devices
You can connect a range of external devices to the PSS-106:
- WM-10 Handheld Microphone for PSS-106 or BP-10 Beltpack for PSS-106
- music instruments
- PCs
- mobile devices (via Bluetooth)
- microphones

Multiple PSS-106
You can connect multiple PSS-106 devices to an audio mixer.
- Make sure that all the devices are switched off.
- Make sure that the main volume controls on all devices are set to the lowest position.
- Use signal cables to connect the main mix outputs (left and right) on the audio mixer to the combo XLR/jack connectors (12) on the first PSS-106 devices.
- Use signal cables to connect the Line(balanced)/Mix 6,3 mm jack OUT (26) connector on the first PSS-106 devices to the Line/High impedance 6,3 mm jack CH2 (28) connector on the second PSS-106 devices.

Operation
Safety Instructions for Operation
Attention
This device must be used only for the purposes it is designed for.
This device is designed to be used as a wireless loudspeaker. It is suitable only for indoor use. This device is not suitable for households.
Any other use, not mentioned under intended use, is regarded as non-intended and incorrect use.
Attention Power supply
Before connecting the device to the power supply, make sure that the current, voltage and frequency match the input voltage, current and frequency specified on the information label on the device.
Start-up
To operate the device:
- Make sure that all PSS-106 and all external devices are switched off.
- Connect all devices. See 5.7. Setup Examples on pages 18–19 for more information.
- Switch on the audio mixer.
- Switch on the PSS-106 devices. See 5.2. Switching the PSS-106 On/Off on page 17 for more information.
- Turn up the volume controls on the PSS-106 devices. See 6.5. 3-channel Mixer, 6.6. Wireless Microphone Receiver and 6.7. Media Player on pages 21–23 for more information.
- Use PFL (Pre-Fade Listen) to set the proper input level for the audio amixer and set the main mix level. After use, switch off the PSS-106 devices. See 5.2. Switching the PSS-106 On/Off on page 17 for more information.
- Switch off the audio mixer.
LED Statuses
There are 3 LED indicators (Signal/Clip indicator (20), Power indicator (22) and Recharge indicator (24) and) on the 3-channel mixer (02). The LED indicators have the following functions:
- SIGNAL/CLIP:
- If the light is green, the output is within the normal range.
- If the light is red, the output is too high. Decrease the volume on the device/instrument/audio mixer.
- RECHARGE:
- If the light is red, the battery is being charged.
- If the light is green, the battery is charged.
- POWER: If the light is on, the device is powered.
Battery Status
There are 4 LED battery indicators (23) (LOW, 1, 2, 3). The LED indicators show the current battery charge level:
- LOW: < 10 %
- 1: 25–49 %
- 2: 50–75 %
- 3: > 75 %
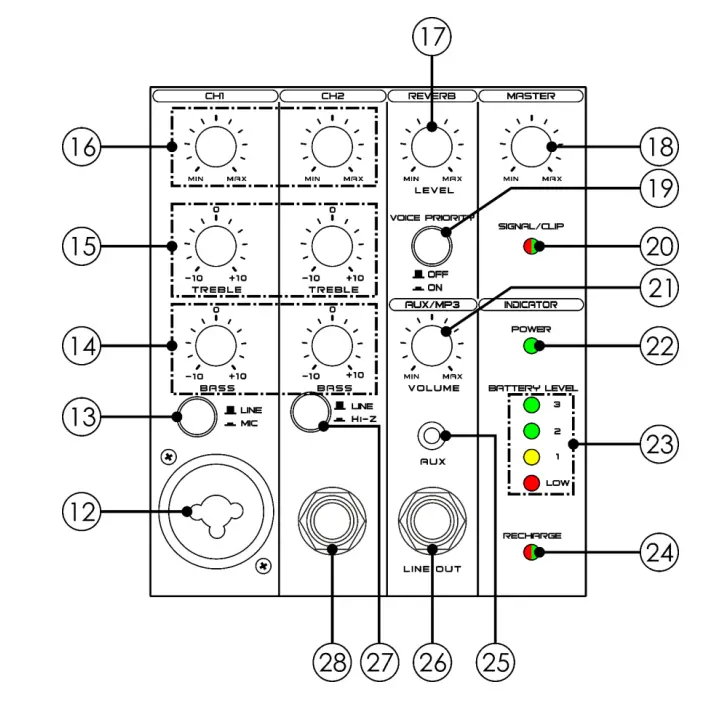
3- channel Mixer
Adjusting Bass/Treble/Volume
Turn the bass (14), treble (15) and input gain (16) controls to the left/right to decrease/increase the setting. The adjustment range for bass and treble is ±10 dB.
Adjusting Master Volume
Turn the master volume control (18) to the left/right to decrease/increase the master volume. This setting affects the overall volume of all channels.
Adjusting Reverb
Turn the reverb control (17) to the left/right to decrease/increase the reverb.
Adjusting Media Player Volume
Turn the media player volume control (21) to the left/right to decrease/increase the volume.
Setting Voice Priority
- When the voice priority switch (19) is pressed, the device will mute other channels whenever you speak into the microphone connected to CH1 or the wireless microphone.
- When the voice priority switch (19) is released, the device’s output will not be muted whenever you speak into the microphone connected to CH1 or the wireless microphone.
Connecting Devices
- Use the combo XLR/jack connector (12) to connect a microphone or a line-level device.
Note: Make sure that the microphone/line impedance switch (13) is in the correct position (pressed for the microphone; released for line level device). - Use the line/high impedance input connector (28) to connect low or high-impedance line level devices.
Note: Make sure that the line/high impedance switch (27) is in the correct position (pressed for high-impedance devices; released for low-impedance devices). - Use the aux stereo input connector (25) to connect auxiliary signal sources (i.e. a laptop or a media player).
- Use the line/mix output connector (26) to connect the device and send signals to another speaker.
Wireless Microphone Receiver
Selecting Channels
Use the UP/DOWN buttons (30/33) to select a channel or to pair the WM-10 microphone or the BP-10 Beltpack with the device. See 5.5. Connecting the Microphone to the Receiver on page 17 for more information. The SET button (32) does not have any function in this version of the device.
Adjusting Microphone Signal Volume
Turn the microphone signal volume control (31) to the left/right to decrease/increase the microphone signal volume.
Media Player
Connecting Auxiliary Signal Sources
Use the aux signal input connector (40) to connect auxiliary signal sources.
Control Modes
There are 3 control modes:
- Aux Mode
- MP3 Mode (USB or SDcard)
- Bluetooth Mode
Repeatedly press the MODE button (36) to toggle through the available control modes.
Aux Mode
For this control mode to work, connect an auxiliary signal source to the aux signal input connector (40). Press the MODE button (36) until the display (35) shows LINE.
- Press and hold down the FORWARD/VOLUME + and BACKWARD/VOLUME – (37/39) buttons to decrease/increase the volume. The adjustment range is 0–27, from low to high volume.
- Press the PLAY/PAUSE button (38) to mute the auxiliary signal.
MP3 Mode
For this control mode to work, insert a USB flash drive into the USB input connector (34) or an SDcard into the SDcard input connector (41). The device will automatically read the MP3 files from the currently inserted source.
If multiple sources are inserted, press the MODE button (36) until you select the desired source.
Note: The USB flash drive should be FAT32-formatted and its maximum capacity should not exceed 32 GB.
- Repeatedly press the FORWARD/VOLUME + and BACKWARD/VOLUME – (37/39) buttons to select tracks backward/forward.
- Press and hold down the FORWARD/VOLUME + and BACKWARD/VOLUME – (37/39) buttons to decrease/increase the volume. The adjustment range is 0–27, from low to high volume.
- Press the PLAY/PAUSE button (38) to play the currently selected track. Press the button again to pause the playback.
Bluetooth Mode
Attention
Bluetooth can be used only for receiving of wireless audio signals.
Bluetooth can only be used as a means to receive wireless audio signals. It is not possible to pair the device with other devices via Bluetooth.
For this control mode to work, you need to pair your mobile device and the receiver via Bluetooth.
See 5.6. Pairing Mobile Devices with the Receiver via Bluetooth on page 18 for more information. Press the MODE button (36) until the display (35) shows BT.
- Repeatedly press the FORWARD/VOLUME + and BACKWARD/VOLUME – (37/39) buttons to select tracks backward/forward.
- Press and hold down the FORWARD/VOLUME + and BACKWARD/VOLUME – (37/39) buttons to decrease/increase the volume. The adjustment range is 0–27, from low to high volume.
- Press the PLAY/PAUSE button (38) to play the currently selected track. Press the button again to pause the playback.
Note: When your mobile device receives an incoming call, press the PLAY/PAUSE button (38) to answer the call. When the conversation is finished, press the button again to end the call and return to Bluetooth mode.
Troubleshooting
This troubleshooting guide contains solutions to problems which can be carried out by an ordinary person. The device does not contain user-serviceable parts.
Unauthorized modifications to the device will render the warranty void. Such modifications may result in injuries and material damage.
Refer servicing to instructed or skilled persons. Contact your Highlite International dealer in case the solution is not described in the table.
| Problem | Probable cause(s) | Solution |
| The device does not function at all | No power to the device | ● Check if the device is switched on ● Make sure the batteries are inserted properly into the wireless microphone ● Replace the batteries with new ones |
| The battery is depleted | ● Recharge the battery. See 4.5. Charging the Battery on page 15 | |
|
No sound | Devices are not paired | ● Check if the device and external devices are paired |
| Bad connections | ● Check if the connections between the device and external devices are correct | |
| Bursts of noise or other audible signals present | Sources of interference are present | ● Identify potential sources of interference (other RF-sources) and turn them off |
| Momentary loss of sound as the device is moved around performing area | Dead spots are present | ● Reposition the device and perform a walk-through test again. If audible drop- outs persist, mark the dead spots and avoid them during performance |
Maintenance
Preventive Maintenance
Attention
Before each use, examine the device visually for any defects.
Make sure that:
- There are no deformations on the housing.
- The power cables are not damaged and do not show any material fatigue.
Basic Cleaning Instructions
To clean the device, follow the steps below:
- Switch off the device.
- Clean the device with a soft, lint-free cloth.
- Do not immerse the device in liquid.
- Do not use alcohol or solvents.
Corrective Maintenance
The device does not contain user-serviceable parts. Do not open the device and do not modify the device.
Refer repairs and servicing to instructed or skilled persons. Contact your Highlite International dealer for more information.
Deinstallation, Transportation and Storage
Instructions for Transportation
This device contains a rechargeable (secondary) lithium-ion battery. Lithium-ion batteries contained in equipment fall under the category of dangerous goods for transportation.
Make sure that you are in compliance with all applicable transportation regulations when you transport this device. See 3.6. Product Specifications on page 12 for the specifications of the battery.
Use the original packaging to transport the device or other suitable packaging that complies with the regulations for transportation of secondary lithium-ion batteries.
Note:
You can additionally purchase a special transport bag for this device. See 3.7. Optional Accessories on page 13 for more information.
Storage
This device contains a rechargeable (secondary) lithium-ion battery. The battery is not replaceable. The battery may explode or cause burns if it is crushed, disassembled or exposed to fire or high temperatures.
- Store the device in a dry place, at temperatures between 5 °C and 20 °C. Lithium-ion batteries self-discharge during storage. Temperatures above 20 °C speed up the self-discharging process.
- Do not store the device with depleted battery. Make sure that the battery is charged to at least 50 %before storing the device. See 4.5. Charging the Battery on page 15.
- If the device is stored for an extended period, check the battery’s charge status regularly. See 6.4. Battery Statuses on page 21.
- Clean the device before storing. Follow the cleaning instructions in chapter 8.1.1. Basic Cleaning Instructions on page 25.
- Store the device in the original packaging, if possible, or in the special transport bag. See 3.7. Optional Accessories on page 13).
Disposal
This device contains a lithium-ion battery. Do not dispose of with household waste.
Correct disposal of this product
Waste Electrical and Electronic Equipment
This symbol on the product, its packaging or documents indicates that the product shall not be treated as household waste. Dispose of this product by handing it to the respective collection point for recycling of electrical and electronic equipment. This is to avoid environmental damage or personal injury due to uncontrolled waste disposal. For more detailed information about recycling of this product contact the local authorities or the authorized dealer.
Hereby, Highlite International declares that the device PSS-106, product code D2612 and D2613, is in compliance with Directive 2014/53/EU (RED – Radio Equipment Directive).
The full text of the EU declaration of conformity is available at the respective product page on the website of Highlite International (www.highlite.com).
Wireless microphone frequency: 863–865 MHz
Exclusion of liability
The frequency ranges available for radio transmitters differ per country and region. Consult the respective national and/or regional authority as licensing or specific restrictions may apply for the use of the device. We do not take any responsibility in case the device cannot operate or cannot be used in your country/region or if it requires additional licensing. Before using the device, check the allowed frequencies in your country or region.
DAP PSS-106 Battery Speaker












Note:



Adjusting Bass/Treble/Volume
Selecting Channels
Connecting Auxiliary Signal Sources
















