HDW-50 Commercial Glass Dishwasher 7.05kw
User Manual
HDW-50 Commercial Glass Dishwasher 7.05kw

Introduction
This manual provides customers with machine information including the use and maintenance.
This manual is only for end-users.
Introduction and general information
Please operate the machine strictly in accordance with this manual to extend the service life and better washing effect.
Read the manual carefully before using
The manual including
Installation * Use method * Application * Security specifications * Service The manual can teach you to install the machine and operate it in the right way avoiding
any machine damage and affecting normal use.
Any damage caused by fault use is not in the scope of warranty.
Any improvement of the machine, please forgive us that we will not notice you.
The manual can teach you to install the machine and operate it in the right way avoiding any machine damage and affecting normal use.
If you need more information not mentioned in this manual, welcome to contact the manufacturer.
Notice: the content of the manual do not include any responsibility agreement and terms. Please carefully keep this manual and we sincerely hope that you can satisfy with our machine.
1.1 Safekeeping
The manual should be together with the equipment .
1.2 Factory name and address
If any inquiry or technical question, please contact the local dealer.
Safety mark introduction
The safety mark will appear in the whole manual ,causing your attention to the safety information right hand.
| All conductive objects, electrical wires should be equipotent connected at the interface. | |
![]() | The warning mark indicate that it may endanger people’s life and health |
![]() | The warning mark indicating danger installation hazardous substance and environment . |
| The mark is to help you learn the machine installation. | |
| Warning! Danger current ! | |
| Hot surface may hurt your hand! | |
| Wash by high-pressure hose is forbidden ! | |
![]() | Potential explosion risk |
| Non-drinking water, or endangering health. | |
| Hot! Be careful! |
3. The equipment function
The dish washer is specially designed to wash tableware.
The dish washer should be used in accordance with the regulations and other purposes are strictly forbidden. The dish washer can only use special washing detergent.
The dish washer is professional equipment only be allowed for commercial use.
4. Basic security measures
Improper use of the machine or washing inappropriate item may cause danger.
The machine electrical system, water pump, conveyors, fans or other rotating and moving parts are likely to endanger user’s life or damage other items close to the machine.
4.1 The user’s rule
The machine can only be operated by professional or skilled workers. People poor health, intellectual defects, sensory defects, lacking of experience and professional skills are not allowed to operate the machine. The children are also not allowed to operate the machine.
Qualified operator should be:
* 18 years old
* Accepted professional training and master the professional knowledge about operation, safe production, avoiding dangerous.
* Accepted ambulance training
* Read and follow safety regulations
* Read and follow manual instruction
When the machine running, the cleaning and rinsing water temperature is high, avoiding body connection, the tableware just finished washing is high in temperature outside, just pay attention to you safety.
Attentions!
When the machine running, all the electrical elements have electrical current .
Please cut off the power before open the electrical box or wash machine.
When the main switch set to” off”, measures should be taken avoiding switch to be “on” accidentally by unrelated people. Only the qualified can do electrical maintenance. When working, you must abide with the safety regulations.
Do not use pipes or high pressure hose to flush electrical box and other electrical components.
Only the professional operator is near the machine, can the machine run, when the machine running, the unrelated staff should keep away with the work place.
When running the machine, all the switch should be turned off.
Please do not operate the machine before you are clear about the manual process.
When the tank finished releasing water, the heater strip is still hot so please be careful when washing the machine.
Only the professional can install the water channel of the dish washer.。
Only special commercial cleaning solvent is allowed to use.
The cleaning solvent should be provided by professional company.
The commercial use detergent and drier is strong in acid, pay attention to the use and moving method
My company will not take any responsibility for the accident caused by failing to attention and abide with the above safety regulations.
4.2 Electrical equipment
Only the professional can be allowed to install and maintain the electrical device.
Please check all the electrical equipment and tighten all electrical terminals. If there is any cable damage, please replace it immediately.
The door of electronic box should be closed when doing maintenance. Please maintain the machine with professional tools.
5. Distribution, transportation, installation and assembly
5.1 Distribution
When receiving the machine, please check whether the goods damaged or something missing, if it has, please contact the company or transportation agent as soon as possible.
If the goods is damaged, please write down the damage report to the agent and photography the damaged parts to the agent.
5.2 Transportation, installation and assembly
Be careful of the collision when moving the machine:
Handling work can only be conducted by qualified professionals.
When moving, the machine should be placed on a wooden base and moved by forklift.
To locate, install and connect electricity according to the installation diagram provided by the manufacturer.
Please take care of the furniture close to the machine door because a small amount of steam or water droplets may overflow from the machine door
The machine installed should be calibrated in the horizontal and vertical directions by level tester.
Please use corrosion-resistant chemical, when adding machine parts. (Such as silica gel)
5.3 Operation condition
The machine label indicates the specification of the products, please confirm that the power standards confirm to the requirements of the machine.
The conditions the client must provide;
* Frost-free storage environment and installation area
* Conform to the national drinking water pipes standard
* Conform to the national wastewater discharge standard
* Conform to the national power connection standard
5.3.1 Storage and installation area
If the machine is stored or installed in the temperature below zero, after washing, make sure that the washing water is completely released or the frozen water in the machine will seriously damage the internal parts such as pumps, solenoid valves , heaters an so on.
5.4 Necessary electronic connection conditions
Electrical connections can only be done by the professional and the machine nameplate posted on the right down side in the front panel.
The equipment must be equipotent bonded at the interface.
Electrical schematic placed in the main washing basket of the washing tank and safekeeping the schematic diagram to facilitate maintenance.
When connecting the machine power, please abide by the electrical workflow.
The machine should connect the electricity according to the right power source specification, the wire connection example is interpreted according to (380V 50HZ three- phase ac) the three phase connection, other voltage specifications should be connected in accordance with the electrical schematic.
The machine need to choose different adapter in different region (for example, in Taiwan is 60HZ).
Leakage protection circuit breaker should be installed in the outside. Circuit breaker specifications: single-phase 60A two stage with leakage protection.
The machine has five power connecting terminals (L1, L2, L3 ,N, PE),L phase wire ,N
Naught wire ,PE grounding line.
When connecting the power, please keep grounding line above 5cm longer to ensuring current-carrying wire disconnect the power when under tension.
Please ensuring PE grounding line is yellow and green, N Naught wire is blue, L1 the main power line black. (note: because the manufacturer is different, the color of the line is different, when the connection is important to open the electrical box to distinguish between the rear can be connected to take earth leakage protection circuit breaker; equipment damage due to wiring, factory will not be warranty.)
The power supply cord should be 4 mm², oil-resistant and flexible sheathed cord not lighter than ordinary neoprene sheathed.
To ensure reliable operation of it, the machine must connect grounding line permanently and separately, do not share the grounding line with other machines.
Electrical protection measures should conform to VED0100 ( IEC 64 ) , the DIN VED0100 and the local power sector standards .
Electrical schematic attached with the machine.
5.5 Necessary condition for water intake
Connect water intake with water source in accordance with DIN1988 or local standards.
The entire machine tested by DVGW in no need of adding a special safety valve at the place of water injection. The water intake must be six internal tooth interfaces.
The injection pressure must be between 0.25Mpa to 0.4Mpa ( before solenoid valve)
If the above criteria can not be met, you can use rinse water pump machine or install booster pumps or pressure reducing valve.
Ensure that the local water supply do not contain metal particles and other debris, if it has, please install filter (not less than 80 mesh / cm ² )
Water temperature must not exceed 60 ° C, water pressure requires at 2.5- 5KPa
5.6 The necessary condition for waste water releasing
The drainage system of the machine must connect with the drainage system in the kitchen through bent duct
If the drainage system is not fluent or the location of drainage pipe is not high enough, you can choose the machine with self –choose pump.
When choosing the drainage and sealing material, please pay attention to:
1,The wastewater temperature of the machine is between 20°C and 75°C
2,Due to the detergent concentration and composition, the PH value is between 3-12 , so the material must be anti-acid
5.7 The machine power off
Close the main switch or pull out the plug.
5.8 Chemicals used to run the machine
The machine can only use commercial -use dishwasher detergents and drier, please contact the manufacturer and supplier if you need more information. Detergent and drier and will cause harm to human body if used improper, please carefully read the instructions before use. The washing effect is closely related with the choice and concentration of detergent used, so please follow the manufacturer’s recommendation about detergent concentration.
Please use water to clean washing the dirty material after using detergents or it may damage the plastic and sealing material.
Different detergents need different concentration and the detergent supplier need to set the concentration according to its performance.
5.9 The introductions about packing material
The wooden base is recyclable raw pine or fir;
Film is recyclable;
The carton is recyclable;
Stainless steel banding and other stainless steel material is recyclable;
Plastic banding is recyclable.
6. The service engineer’s initial setting up and debugging
6.1 Debug machine
In order to avoiding accident, please pay attention to the several points below::
Please adjust heat pump and other parts not produced by the manufacturer.
Debugging machine can only be performed by the professional.
Open the machine for the first time, please check whether the installation tool and other items have been taken away.
Check whether there is water and detergent leakage.
When debugging machine, please check the security system and door switch is in normal.
Please check whether all the screws are tightened or not.
Please read the user’s rule
The machine debugging and operation training can only be done by the professional
Only after training, the operator can use the machine.
7. Dish washer operation
Please do not operate the machine before carefully read the manual or the device would easy to be damaged.
7.1 Operation screen
The dishwasher’s operation panel
A. Dishwasher’s function introduction
A1. Mode choose
Dishwasher has three work modes to choose: fast(Ⅰ), standard(Ⅱ) and full(Ⅲ); In the power on state, you can click on the “mode” button to switch.
In fast mode (lightⅠin the panel lighted) the washing and rinsing time is the shortest, While, in standard mode (lightⅡin the panel lighted) the running time is moderate, the running time in the full mode (light Ⅲ in the panel lighted) is the longest.
Customers can select the appropriate operation mode or default mode according to their actual needs. The default mode is automatically selected mode when start the machine ,it is also a automatically resetting mode after a working cycle.
A2. Manual drainage mode:
Under standby mode press mode key for a long time
, to enter drainage condition, the default drainage work time for 180 seconds. Also can enter the internal parameter settings (specific refer to the following internal parameter settings), then clicking to F03, the range of settings is 60-300 seconds. (Note this is optional, the specific parameters determined by the machine configuration)
B. Setting parameter
B1. Washing parameter settings
Main dishwasher parameters including: washing time, washing temperature, rinse time and rinse temperature.
During three modes, the pause time is fixed and the other four main parameters can be set according to the actual situation in order to maximize the customer needs.
Parameter setting method: turn on the power button
, click on mode button
choose the required mode, long time press the setting button
about 5 seconds until the numbers on the digital tube flashes, press the plus or minus button
to set desired number, press the settings button for the next set (set up the digital tube display in turn, main washing time– main washing temperature—rinse time– rinse temperature), until finished the model setting, then turn off the power to restart.
When cleaning the glass if setting temperature is too high, it may produce breakage, you have to adjust the washing and rinsing temperature and appropriate chemical amount.
1. When cleaning wine cup, set the main wash temperature at 40 ℃ and rinse temperature at 55 ℃.
2. When clean the beer cup, set the main wash temperature at 55℃,rinse temperature at 65℃, also cold rinse is available for beer cup and set the rinse temperature at room temperature so that the cup is cold when finished rinsing.
B2. Internal parameter settings
Under power off mode press set key for a long time
, when the digital tube display digital input password 008, that is press plus key
or minus key
to adjust display number for 008, then you can set the internal parameters.
Ⅰ.Setting the detergent and desiccant parameters: (this setting is limited to the built-in DC24V charging pump)
Enter the internal parameter settings, click on setting key
, left digital tube display F01, right digital tube display 015, said the default detergent pump work time. According to need, you can press plus key
or minus key
to adjust the working time of washing pump.
After the completion of the adjustment to click settings button again
, left digital tube display F02, right digital tube display 005, said the default drier pump work time. According to need, you can press plus key
or minus key
to adjust the working time of drier pump. The default work time as follows: detergent pump for 15 seconds, drier pump for 5 seconds; The range of setting parameters as follows: detergent pump for 10-50 seconds, direr pump for 5-50 seconds.
Click settings button
, until the left digital tube display F22, the machine enter the first pre-mixed drier mode, the default time is 15 seconds, the range of setting parameters is 0-99 seconds.
Ⅱ. Automatic drainage time settings:
When trigger the drainage signal, drainage pump work automatically, after row of excess water, drainage pump stop working after 30 seconds delay. Enter the internal parameter settings, click on setting key , until the left digital tube display F04, the machine enter the automatic drainage time delay mode, the default time is 30 seconds, the range of setting parameters is 10-60 seconds.
Ⅲ. Maintenance time remind settings:
Machine can set the maintenance regularly, to remind the customer to the maintenance.
For the specific setting method as: enter the internal parameter settings, click on setting key
, until the left digital tube display F15, the machine enter the maintenance time remind mode, the default units for 10 hours, that is when set to 100, after the machine is running 100*10=1000 hours, to remind customers for the maintenance.
Ⅳ. Internal parameters initialization:
The machine set up factory settings, under power off mode press set key for a long time ,
when the digital tube display digital input password 101, can be restored to the original factory settings
Click on the “plus” and “minus” button
at the same time, after about 5 seconds, in addition to the power button, the rest of the buttons are locked, then the locking indicator light lit up; press the ” plus” and ” minus” button
at the same time, after about 5 seconds to unlock, then the locking indicator light out.
C. Run / Pause / End working cycle / Off
This is the four basic functions. The ” end working cycle ” refers to the running state to the state before starting key is pressed , “off” refers to switch the state to the state before the power button is pressed
D. Alarming
Some mistake or device damage may cause abnormalities during the operation so in our control system we set alarming system when certain abnormal situation appears, the digital tube will display abnormal parameters to help operator to find and solve the problem.
| Alarm code | Alarm description |
| 0.00E+00 | Water fault: water after 25 minutes, didn’t reach water level, or water level switch didn’t get through, or without water, or the supply electro valve damage. |
| 0.00E+00 | The boiler temperature sensor open circuit or short circuit fault. |
| 0.00E+00 | The tank temperature sensor open circuit or short circuit fault. |
| 0.00E+00 | Boiler heating up fault. |
| 0.00E+00 | Water tank heating up fault. |
| 0.00E+00 | The water drain valve open for 5 minutes, water levels didn’t go down, or don’t disconnect switch. |
| 0.00E+00 | Communication alarm. |
| El 1 | Boiler temperature overtemperature alarm. |
| 0.00E+00 | Water tank temperature overtemperature alarm. |
| E20 | Maintenance time remind. |
E. Operation mode, operation status, operation parameters
Indicator lamp and digital tube are used to indicate the currently selected running mode, which indicate the currently parameters.
F. parameter memory
The parameters set by the users and default mode can permanently preserved regardless of power off or removed.
7.2 Preparation before washing and rinsing
Before operation please check the following
* Open the door
* Make sure the drain pipe and sieve net in the right place
*Close the door
Danger! Must use two hands to close the door .
Each program selection key has indicator for the instructions of the machine operating status. After press the program selection keys, clean water flowing through the rinse heater is repeatedly heated to the washing tank.
The time of washing preparation depends on the water temperature and heating ability of rinsing heater. If filling water is cold, heating time is 30 minutes.
7.3 Using of cleaning solvent
If you do not install the detergent dispenser, you can add the detergent manually. The first time, add 40g, then every 5 washing cycle ,add 30 and keep the detergent concentrations at 2g / l.
If you add the powder detergent, and detergent must uniformly distributed in the washing tank so that the powder can melt into water avoid fading of the stainless steel
7.4 Add washing detergent automatically
The general machine did not have detergent drier distribution device, which need customer to buy or detergent manufacturers to provide. The customer also can purchase the machine with the detergent drier distribution device.
Distributor will automatically add the appropriate amount of detergent according to the amount of water and its dirty degrees (Built-in distributor parameter setting can be set reference B2, adjust the parameters of detergent and drier to be the best state). We recommend to use the detergent ph value great than 7 and detergent drier ph value between 2 and 7.
7.5 Washing and rinsing operation
The washing utensils should be inserted in the washing basket and special classification is no need but the following points be noted that:
① All hollow containers must be inverted, otherwise it is easy to reserve water affecting the drying effect.
When the basket contain small items such as knife and fork spoon , insert the handle down , please do not stack or piled up the small items together and do not place excessive cutlery in the same basket .
Stacking dishes in the washing basket is not allowed otherwise it would worsen the washing effect and properly placing the utensil will make washing effect more better, placing the washing basket on the dishwasher bracket.
④ When the food in dishes becomes dry, must be soaked until soft rear can clean, otherwise it will affect the washing effect.
7.5.1 Start washing
Notice: when first use the machine or the machine has not been used for a long time, please open the water switch and close the power switch.
*Close the top cover, press the power key![]()
*Select washing mode
(below are original setting),You can set different rinsing and washing temperature and time according to different items,
Fast mode (left 1 lighted ): 80s washing time, 55 ° C the washing temperature ; 5s rinsing time, 75 ℃ rinse temperature .
Standard mode (left 2 lighted ): 120s washing time, 55 ° C washing temperature , 5s rinsing time, 75 ℃ rinse temperature .
Full mode ( left 3 lighted) : 160s washing time, 55 ° C the washing temperature, 5s rinsing time and 75℃ rinse temperature.
*Press press/pause key
. The machine automatically feed water, the left digital tube display IN,
the right digital tube display alternately PXX (main washing temperature) and BXX (rinse temperature). When the water reaches the level set, stop the water and began washing after automatic heating to the set temperature, the machine can automatically close when finish washing, if you want to continue the washing, please close the cover then press the key. If you want to pause the washing, you can click this button then machine will pause the washing.
Note: it is strictly prohibited to directly add water into tank, then run the machine, otherwise it’s easy to cause the boiler dry electric heating tube, produce the phenomenon such as damage to other electrical components.
7.5.2 Finish washing process
When washing progress finished automatically, the user can open the cover and take out the washing basket.
Close the machine
Press the
key, the indicator light turned off, the dish washer closed then unplug the drainage pump.
*The model without drainage pump.
When water in the washing tank drain away ,long time press , you can use hot water to wash the inner part of the machine, do not forget to close the cover.
*The model with drainage pump.
(Drainage pump parameters setting reference set AⅡ, before they leave the factory has been set as the default time, customers do not need to set up on its own)
Drainage pump automatic drainage function: when tank water level higher than the normal level and reached the warning level, without any operation, the drainage pumps will start automatically, after discharge the extra water to normal level stop working.
Drainage pump manual drainage function: when finish washing, pull out the washing water tank overflow and close the hood, under the conditions of power key to open (the above power indicator light is green), long press mode key
for about 5 seconds, the light at the top of mode button
is red, said the machine into the drainage condition, click the mode button
, the light turns green, above said drainage pump starts, the waste water in sink can be discharged by drainage pump; Again click on mode key
, the light at the top is red, drainage pumps namely stop working (when the drainage pump work continuously more than 3 minutes, if no other instructions, the pump will automatically stop working, if return need to repeat the above operation).
Maintenance
9.1 General maintenance
In order to ensure the normal operation of equipment, necessary maintenance must be carried out.
9.2 Filling detergent
The outer container.
Filling the outer container or barrel replacement .
Only non-foaming alkaline detergent (PH value greater than 7) is useful for commercial dishwashers.
9.3 Filling drier
The outer container.
Fill the outer container or barrel replacement.
Only non-foaming alkaline driers (PH value less than 7) is useful for commercial dishwashers.
9.4 Cleaning
After drain the water, please clean the machine according to the below:
*use a rag or soft brush to clean the residue of the washing tank.
*clean fouling on the surface of the metal liquid level probe in the washing tank
* remove the wash arm to clean.
* wash nozzle everyday
* check rinse nozzle every week avoiding congestion.
If the nozzle is blocked, use the needles to clear, then wash it with water.
9.4.1 Instructions for the safety of cleaning
The main wash tank heating wire surface temperature is high, having the risk of burning.
It is forbidden to use water pipe or high pressure pipe directly flush control panel and other electrical components.
9.5 Stainless steel surface maintenance
The device is made of high quality stainless steel.
However, corrosion may occur under certain conditions. In order to keep the stainless steel surface away from corrosion, please clean it in the proper way, do not use sharp materials to clean the surface.
9.6 Descaling
If the device is used in hard water areas, a water softener device and washing tank heating device should be added, washing and rinsing system can produce scale, so regular decaling is needed.
Please completely descaling to remove residual detergents. Otherwise it will damage the plastic parts and sealing components within the machine.
10 Operation error
Although the design technical of the machine is already very mature, some minor problems will inevitably occur.
In this section, we summarize some common glitches and you can try to solve them by yourself.
To turn off the main switch, cut off the power or pull out the main fuse before service theequipment
Repeated failures, must be recorded in order to resolve If can not be solved, please contact the supplier or the Company.
11 Equipment information
Every piece of equipment has been tested before sell.
If operate the equipment in a wrong way will cause machine damage.
The damage caused by error operating of equipment , the manufacturer do not assume any responsibility.
To modify the machine without the permission, the manufacturer does not assume any responsibility.
11.1 General description of the dishwasher
11.1.1 Loading
500 * 500 square washing basket with washing capacity of 30 baskets / h.
11.1.2 Cleaning guidelines
Machine wash and rinse cycle
Washing basket fixed, the rotation of the upper and lower wash arm is promoted by high-pressure wash water.
The advantage of this approach is that the washing arm can clean the dishwasher from all angles and there is no dead angels ensuring the quality of the washing.
The rinsing procedure follows after washing procedure, rinse arm spraying 50-70 Celsius high temperature water ( temperature controlled at 65 degrees Celsius when washing cups ), a cycle of rinse water as wash water, thus ensuring the clearance of washing water.
11.1.3 Detergent dosage
The detergent dispenser is purchased by user, not standard machine configuration.
Under normal circumstances detergent amount in the water tank is 2ml / L. according to different water and oil, detergent amount may change between 1ml/L and 5ml / L.
11.1.4 Drier dosage
This machine must use liquid drier. Drier is added by standard drier distributor in every rinsing process.
Correct drier dose should wash the dishes leaving a thin layer of water film.
* If the dose amount is too large, foam or water streaks will appear on the dishes.
* If the dose is too small, there will be residual water droplets on the dishes.
About the drier’s amount, please reader instructions.
11.1.5 The noise level
The noise level is about 61dB when operate the equipment.
11.2 Electrical and hydraulic data
Please see the installation drawing attached.
11.3 Sizes and technical data
Electrical parameters:
| Model | HDW50 | |
| Description | Electric type | |
| Power | 380V/50Hz | |
| Machine dimensions (mm) | 600*610*800 | |
| Basket Dimensions(mm) | 500*500 | |
| Washing Ability(Basket/H) | 30 | |
| Main Washing Pump Power(kw) | 0.55 | |
| Main Washing Tank Capacity(L) | 22 | |
| Rinse Water Quantity(L/H) | 3 | |
| Tank Heater Power(kw) | 2 | |
| Boiler Heater Power(kw) | 4.5 | |
| Rated Power(kw) | 7.05 |
12 Tips for failure
| Problems | Reasons for reference |
| No water entering | No watersource; Filter clogging; Level switch failure; Solenoid valve failure; Safety switch failure. |
| Don’t stop the water | Liquid level switch is damaged; Water level probe scale |
| No heating boiler | Boiler heating tube damage; Boiler limited probe button pop-up or damage; Fouling problem of the water tank liquid level probe; Damage of ac contactor. |
| No heating water tank | Water tank water shortage; Liquid level switch of damage or leakage; The electric heating tube of the tank damage; Tank probe button is pop-up or damage. |
| Rinse arm does not spray water | No watersource; Filter clogging; Solenoid valve failure; Rinse pump not working; Descaling of the rinse system. |
| Washing streaks or stain plaques | Mineral content of rinse water is too high, rinse water temperature less than 80 ° C, please wash and rinse the solenoid valve in front of the filter and rinse arm; Inappropriate drier or drier amount. |
| Much foam in the washing tank | Water amount is too low and the solenoid valve in front of the filter and rinse arm; When the washing temperature is below 40 °C, please check the setting of the washing temperature and thermal protection devices, air circuit breakers, if thermal protection device work, manual reset and check for failure. If air circuit breaker works, please check the line before reset; Unsuitable detergent or drier used or household used. |
Staff training
Only trained operator can use the equipment.
The installer must use the personnel operation, maintenance and repair skills
| staff Training content | operator | dealer | Dealer and customer’s enginneer |
| install the machine | |||
| debug the machine | V | ||
| operation and use | V | ||
| clean | V | ||
| security check | V | V | V |
| Fault detection | V | V | V |
| Mechanical failure | V | V | |
| Electrical fault | V | V | |
| maintain | V | V | |
| repair | V |
Trainees must sign to confirm after training.
Maintenance
The repair work can only be done when dishwasher is cut off power.
In addition, the external power switch must be locked in the OFF position.
The function of all safety systems of the equipment must comply with regular inspections.
We suggest that you should sign a maintenance contract with agent to ensure that the equipment can long-term operation.
14.1 Basic security measures in normal operation
To observe limit time of repair parts in the manual .
Maintenance of individual components, the operating instructions of the operating instructions!
Before any maintenance or repair work, to prohibit any unauthorized person to enter the work area!
Put up notices to remind people of the ongoing maintenance or repair work.
Before any maintenance and repair work, turn off the main power switch and main power switch box locks!
The main power switch box lock key must be in the hands of the maintenance and repair staff!
Before any maintenance work is carried out to ensure that all the mechanical parts that may come into contact with cooling to room temperature!
Carefully placed any cleaning supplies that may be harmful to the environment!
Failure to comply with these requirements may result in severe personal injury or property damage.
14.1.1 Prior to the start of maintenance or repair work
Prior to the start of maintenance or repair work, there must be a service engineer to conduct a preliminary test.
14.1.2 To comply with environmental regulations
Must perform waste removal, in accordance with the law a legal obligation to recycle!
Special installation, repair and maintenance work, the materials may contaminate water sources.
Grease cleaning liquid contains a solvent, and not pollute the ground, must be discharged into the sewerage system!
These materials must be stored, sent, collection and disposal in a suitable container!
14.2 Cleaner dispenser
The detergent dispenser is normal in terms of maintenance-free. Within the distributor of wearing parts (such as peristaltic tube) life depends on the quality of the detergent.
14.2.1 To replace the detergent
Replace the cleaning agent, be careful not to mix two different cleaning agents together.
Mixed together, may cause problems for the distributor.
Replace the detergent with warm water dispenser and straws.
14.3 Maintenance plan
| Maintenance steps | HDW-50 | ||
| 1.Pump | |||
| Check the tightness of the pump, pump noise, rotation direction and circumstances | |||
| Check the pump suction | |||
| Inspect filter position and running circumstances | |||
| Check the water pump seal | |||
| 2.Washing system | |||
| Check water level in the main wash tank | |||
| Check the water pump seal | |||
| Check whether the scrubbing system is complete and spraying condition and check the main wash | |||
| 3.Rinsing system | |||
| Check the water pressure | |||
| Check rinse system is correct or not, spraying condition | |||
| Check the tightness | |||
| 4 Rack and spare parts | |||
| Check the water tank, door and equipment surface, check the main wash tank filter | |||
| Check the rinse tank, hoses, hose clamps, plastic parts and seals | |||
| Check the up and down moving parts | |||
| 5. Water enter position | |||
| Check the water level switch | |||
| Check the solenoid valve, clean the filter | |||
| Check the tightness of all connections | |||
| Check the water softening device | |||
| Check the softener | |||
| Check the water hardness | |||
| 6.Wastewater treatment equipment | |||
| Check for tightness | |||
| Check the water pressure and drainage pump operation | |||
| 7. Electrical equipment | |||
| Check all fuses | |||
| Tighten all related screws |
| Check heating wire of the main wash and rinse | |||
| Check the thermostat and overheat protection switch | |||
| 8.Detergent dispenser | |||
| Check the concentration, if necessary, adjust | |||
| 9.Driers distributor | |||
| Check the concentration, if necessary, please adjust | |||
| 10.Check the machine running | |||
| Various parts of the inspection equipment with the run | |||
| 11. Test running | |||
| Check the washing and rinsing effect | |||
| A brief training for new staff |
Broken machine processing
Please stop using the machine been abandoned avoiding possible accidents. Disconnect the power and unplug the main fuse. The machine can be recycled (stainless steel, plastic, etc.)
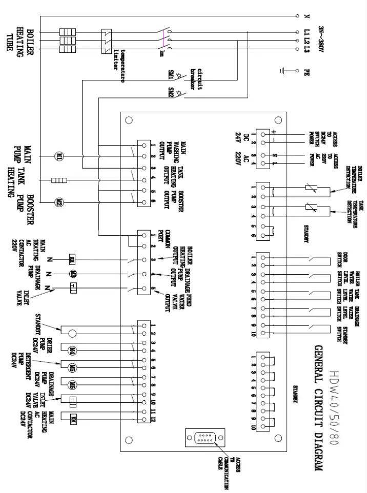
Appendix – PCB wiring diagram:
Accessories list:
| 1. 063A Thorn disc box | 1PC |
| 2. 065 Bowl box | 1PC |
| 3. 069 Tableware screen | 1PC |
| 4. 6” The water hose | 1PC |
| 5. Camp¢18-25 | 1PC |
| 6. Camp¢33-57 | 1PC |
| 7. Operating manual | 1PC |
| 8. Warranty card | 1PC |
| 9. Certification | 1PC |
| 10. 6 points turn 4 core | 1PC |
| 11. Teflon tape | 1ROLL |






















