SEIKAKU BGM99 Timing Media Player User Manual
FCC STATEMENT
- This device complies with Part 15 of the FCC Rules. Operation is subject to the following two conditions:
- This device may not cause harmful interference, and
- This device must accept any interference received, including interference that may cause undesired operation.
- Changes or modifications not expressly approved by the party responsible for compliance could void the user’s authority to operate the equipment.
Radiation Exposure Statement
This equipment complies with FCC radiation exposure limits set forth for anuncontrolled environment. This equipment should be installed and operated with minimum distance 20cm between the radiator & your body
NOTE: This equipment has been tested and found to comply with the limits for a Class B digital device, pursuant to Part 15 of the FCC Rules. These limits are designed to provide reasonable protection against harmful interference in a residential installation. This equipment generates, uses and can radiate radio frequency energy and, if not installed and used in accordance with the instructions, may cause harmful interference to radio communications. However, there is no guarantee that interference will not occur in a particular installation. If this equipment does cause harmful interference to radio or television reception, which can be determined by turning the equipment off and on, the user is encouraged to try to correct the interference by one or more of the following measures:
- Reorient or relocate the receiving antenna.
- Increase the separation between the equipment and receiver.
- Connect the equipment into an outlet on a circuit different from that to which the receiver is connected.
- Consult the dealer or an experienced radio/TV technician for help.
WARNING: TO REDUCE THE RISK OF FIRE OR ELECTRIC SHOCK DO NOT EXPOSE THIS EQUIPMENT TO RAIN OR MOISTURE
AVERTISSEMENT: NE PAS EXPOSER CE MATERIEL A LA PLUIE OU L’HUMIDITE AFIN DE REDUIRE LE RISQUE °INFLAMMATION OU DE CHOC ELECTRIQUE
The symbol is used to indicate that some hazardous live terminals are involved within this apparatus, even under the normal operating conditions.
The symbol is used in the service documentation to indicate that specific component shall be only replaced by the component specified in that Documentation for safety reasons.
Alternating currert/voltage.(for adapter)
ON: Denotes the apparatus turns on.
OFF: Denotes the apparatus turns off,
WARNING: Describes precautions that should be observed to prevent the danger of injury or death to the user.
Disposing of this product should not be placed in municipal waste and should be separate collection.
CAUTION: Describes precautions that should be observed to prevent danger of the apparatus.
Power Supply
Ensure the source voltage matches the voltage of the power supply before turning ON the apparatus.
Unplug this apparatus during lightning storms or when unused for long periods of time.
External Connection
The external wiring connected to the output hazardous live terminals requires installation by an instructed person, or the use of ready-made leads or cords.
Do not Remove any Cover
There are maybe some areas with high voltages inside, to reduce the risk of electric shock, do not remove any cover if the power supply is connected.
The cover should be removed by the qualified personnel only.
No user serviceable parts inside.
Fuse(for adapter)
To prevent a fire, make sure to use fuses with specified standard (current, voltage, type). Do not use a different fuse or short circuit the fuse holder. Before replacing the fuse, turn OFF the apparatus and disconnected the power source.
Operating Conditions
This apparatus shall not be exposed to dripping or splashing and that no objects filled with liquids, such as vases, shall be placed on this apparatus.
To reduce the risk of fire or electric shock, do not expose this apparatus to rain or moisture.
Do not use this apparatus near water. Install in accordance with the manufacture-r’s instructions. Do not install near any heat sources such as radiators, heat registers, stoves, or other apparatus (including am-plifiers) that produce heat. Do not block any ventilation openings.
No naked flame sources, such as lighted candles, should be placed on the apparatus.
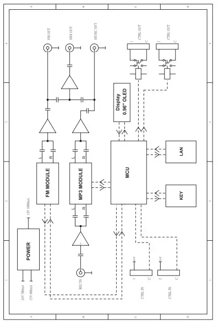
BLOCK DIAGRAM
IMPORTANT SAFETY INSTRUCTIONS
- Read these instructions.
- Follow all instructions.
- Keep these instructions.
- Heed all warnings.
- Only use attachments/accessories spec-ified by the manufacturer.
Cleaning
When the apparatus needs a cleaning, you can blow off dust from the apparatus with a blower or clean with rag etc.
Don’t use solvents such as benzol, alcohol, or other fluids with very strong volatility and flammability for cleaning the apparatus body. Clean only with dry cloth.
Servicing
Refer all servicing to qualified personnel. To reduce the risk of electric shock, do not perform any servicing other than that contained in the operating instructions unless you are qualified to do so .
Servicing is required when the apparatus has been damaged in any way , such as power supply cord or plug is damaged , liquid has been spilled or objects have fallen into the apparatus, the apparatus has been exposed to rain or moisture , does not operate normally, or has been dropped.
The mains plug is used as the disconnect device, the disconnect device shall remain readily operable.
Battery
- High or low extreme temperatures that a battery can be subjected to during use, storage or transportation;
- And low air pressure at high altitude.
- Replacement of a battery with an incorrect type that can defeat a safeguard (for example, in the case of some lithium battery types)
- Disposal of a battery into fire or a hot oven,or mechanically crushing or cutting of a battery, that can result in an explosion;
- Leaving a battery in an extremely high temperature surrounding environment thatcan result in an explosion or the leakage of flammable liquid or gas; and
- A battery subjected to extremely low airpressure that may result in an explosion or the leakage of flammable liquid or gas.
PREFACE
Thank you to purchase the product which works as a timing medio player.
As one kind of solution which is used in commercial audio application for timing, voice playback and FM radio management.
The product is easy to use and implement, and provides the most advanced signal processing in a cost-effective package.

It is widely used in following electromagnetic environment such as Residential, commercial and light industry, urban outdoor. As a device for rack mounting .
It maybe need to rise SNR by 3dB under electromagnetic interference.
Add Time Rule

a. Media: To select sound sources such as USB/SD.
b. Trigger: To select playback status (play/pause).
c. Song Mode: Play mode
h. Track No: To select the serial number of songs listed
k. Timer Mode: To setup the timing mode
I. FM-Track: To set specific time.
f. All above setting completed, Click ” f “to save relative information to tablet.
Note: Once all settings completed, click “Save To Device”box to save all.
FUNCTION FEATURE
Timing broadcast
Adding timing-playback plan, The up to set timing plan for 500 PCS one time with following playback plan for each PC.
- When: one time,every day,every week or every month as options for playback time.
- What: Play a MP3 file or a folder which includes 1000 songs (MP3 format).
- How long: Playback seconds or times can be limited.
- Playback sequency: the files in the folder can be played sequentially or randomly.
- Date range: Specifies the effective date range of the playback plan.
Software function description
Play music automatically based on the time set, Set multiple time periods freely, Many songs can be played in one time period and the number of playback cycles can be set too. Simultaneously it is available to set not to playback on holiday and can be played once by day, week, month, specified date or temporarily. Support to playback sequencily or randomly. Support directory playback.
Background music playback
Multiple playback plans can be made usually. Such as playing music in the recess and exercises time of school each day or to play background music everyday in the factory. In the enterprise office area, it can play commute music every day, and it can also be used to ring the bell regularly at school (play the bell).
NAME & FUNCTION DESCRIPTION FOR EACH PART

- SD card slot
- USB port
- LCD display
- Last song, FM frequency goes down
- Next song, FM frequency goes up
- Voice increases
- Voice reduces
- Mode switching
Shortly press to switch FM/MP3.
Press and hold the switch to enter time-adjustment page. - Power indicator (Green lights after powered normally).
- MP3 recording and FM save preset button.
- Play/Pause
- Function switching
- USB/SD mode switching
- Stop
- Power Switch
- DC power supplier input port (connected to DC15V power supply)
- DC power supply port (connected to DC24V power supply)
- FM antenna port
- Network gate port.
Function-Ctrl In/out Setup
“Filter” used to quickly search exported or existing preset information based on peroid mode( year or week)
Clear”
Clear all current preset data the tablet gets. Note: click “Save All To Device” to save, Ensure to clear all previous data!
- (Detailed operation as Point 6.3 shows )
- control input
- control output
- Outer audio input port ( for recording )
- Independent MP3 audio output port
- Independent FM audio output port
- MP3&FM mixing audio output port
USE OPERATION
- Linkage among units
Follow below diagram to link each unit .
- Play sound sources
Perform playing with relative buttons built on front panel of the unit.
(Play in MP3 mode)
- Insert SD or USB card, Press down “mode” button to choose MP3 mode for playing.
Then press down “SD/USB” button again to insert sound sources. - Shortly press “m” button to enter USB/SD mode switching.
- Shortly press “d” button for pervious songs and shortly press “e” button for next songs.
- Shortly press “f” button to rise voice volume by 1, Shortly press “g” button to reduce voice volume by 1.
- Shortly press “i” button to cycle mode switching. 1(single)/A(all)/R(random)/F (loop in current folder).
- Shortly press “n”button to stop MP3 audio.
(FM mode play)
Press down “mode”button to enter FM mode .
- Shortly press “d” button to rise frequency by 0.1MHZ, Shortly press “e” button to reduce frequency by 0.1MHZ.
- Press and hold “f” button for 3 seconds to search upper frequency, Press and hold “g” button for 3 seconds to search lower frequency Stop searching and play automatically once signal frequency found.
- Press “j” button to enter any shortcut key to save radio station to M1-M4, Itmeans to press down corresponding “k”, “l”, “m” or “n” button.
- Press and hold “n” button for 3 seconds to stop FM audio.
Recording
- Input audio signal via “u” input port on rear panel.
- Shortly press “j” button to enter recording mode.
- Press down “k” button to pause, Press down “n” button to end recording. To save automatically it to the USB/SD of current page.
- MP3 as the format of recording files, The folder will be automatically generated at this time.
Select the IP address applied on the unit which needs updating, Click “connect” box, The green will light for “connection-status” indicator.
Function- load from device
ANDROID CONTROL SOFTWARE
Device Linkage
- Link the unit with your router
- Proceed related operation with an android tablet
- Connect the tablet to the router’s wifi of your unit.
- Install the “software update” APP software.
- Start APP software

- Click “scan” to display device name &IP address.

FIRMWARE UPDATES
Link the unit’s LAN port with your router
Proceed related operation with an android tablet
- Connect the tablet to the router’s wifi of your unit.
- Install the “software update” APP software.
- Start App software

- Click “scan” to display device name &IP address.

- Select the IP address applied on the unit which needs updating, Click “connect” box, The green will light for “connection-status” indicator.

- Click “update”box or “start update”box

- Enter updating status, below contents will be displayed.

- A prompt dialog box pops up once updating completed.
































