ALLVIEW 65ePlay7100-U Android Smart TV

PREPARATION
Disassembly and Installation
Note: The pictures are only for reference.

- Open the package.
- Take out the TV.
- Install the TV stands.
- Connect the power cord.
Accessories
Note: The pictures are only for reference.

WARNING AND PRECAUTION
Read all of the instructions before operating the set. Keep these instructions well for later use.
Important Safety Instructions
- Read these instructions — All the safety and operating instructions should be read before this product is operated.
- Keep these instructions — The safety and operating instructions should be retained for future reference.
- Heed all warnings — All warnings on the appliance and in the operating instructions should be adhered to.
- Follow all instructions — All operating and usage instructions should be followed.
- Do not use this device near water — The appliance should not be used near water or in damp environments — for example, in a wet basement or near a swimming pool, and the like.
- Clean only with dry cloth.
- Do not block any ventilation openings. Install in accordance with the manufacturer’s instructions.
- Do not install near any heat sources such as radiators, heat registers, stoves, or other apparatus (including amplifiers) that produce heat.
- Do not ignore the safety purpose of the polarized or grounding plug. A polarized plug has two blades with one wider than the other. A grounding plug has two blades and a third grounding prong. The wide blade or the third prong is provided for your safety. If the provided plug does not fit into your outlet, consult an electrician for replacement of the obsolete outlet.
- Protect the power cord from being walked on or pinched particularly at the plugs, convenience receptacles, and at the point where they exit from the apparatus.
- Only use attachments/accessories specified by the manufacturer.
- Use only with the cart, stand, tripod, bracket, or table specified by the manufacturer, or sold with the device. When a cart or rack is used, use caution when moving the cart/apparatus combination to avoid injury from tipping-over.
- Unplug the device during lightning storms or when unused for long periods of time.
- Refer all servicing to qualified personnel. Servicing is required when the device has been damaged in any way, such as the power supply cord or plug is damaged, liquid has been spilled or objects have fallen into the device, it has been exposed to rain or humidity, does not operate normally, or has been dropped.
- CAUTION: These servicing instructions are for use only by qualified service personnel. To reduce the risk of electric shock, do not perform any servicing other than that contained in the operating instructions, unless you are qualified to do so.
- Do not install this equipment in a confined or built-in space such as a book case or a similar unit, and keep proper ventilation conditions at open site. The ventilation should not be impeded by covering the ventilation openings with items such as newspaper, table-cloths, curtains etc.
- Please refer the information on rear enclosure for electrical and safety information before installing or operating the device.
- To reduce the risk of fire or electric shock, do not expose this device to rain or humidity.
- The device shall not be exposed to dripping or splashing and no objects filled with liquids, such as vases, shall be placed on it. Do not put near a dusty place.
- The terminals marked with the symbol “↯” may be of sufficient magnitude to constitute a risk of electric shock. The external wiring connected to the terminals requires installation by an instructed person.
- To prevent injury, use the stand/wall-mount bracket to securely install this device on the table/wall in accordance with the installation instructions.
- Danger of explosion if the battery is incorrectly replaced. Replace only with the same or equivalent type.
- The battery (battery or batteries or battery pack) shall not be exposed to excessive heat such as sunshine, fire or the like.
- Excessive sound pressure from earphones and headphones can cause hearing loss. Listening to music at high volume levels and for extended durations can damage one’s hearing. In order to reduce the risk of damage to hearing, one should lower the volume to a safe, comfortable level, and reduce the amount of time listening at high levels.
- The appliance coupler is used to disconnect the device. It shall remain readily operable.
- When not in use and during movement, please take care of the power cord set, e.g. tie up the power cord set with a cable tie or something similar. Protect it from sharp edges and the like that can cause abrasion to the power cord set. When put into use again, please make sure the power cord set is not damaged. If any damages are found, please contact the service person to replace the power cord set specified by the manufacturer or have the same characteristics as the original one.
- Pay attention to the environmental aspects of battery disposal.
- No naked flame sources, such as lit candles, should be placed on the device. To prevent the spreading of fire, keep candles or other open flames away from the device at all times.
- Warning: We take no responsibility for situations where the device is used other than as provided in the manual. Our company reserves the right to make changes in the content of the manual without making this public. These changes will be posted on the company website to the product it amends. The contents of this manual may be different from that in the product. In this case, the first one will be taken into consideration.
- If the device has the symbol in its rating label and the power cord has two pins, it means that the equipment is a Class Il or double insulated electrical appliance. It has been designed in such a way that it does not require a safety connection to electrical grounding. (Only for Class Il appliance)
- Warning for devices containing COIN/BUTTON CELL BATTERIES (The instructions below are only used for the apparatus containing a user-replaceable coin/button cell battery)
Do not ingest the battery, Chemical Burn Hazard
The remote control supplied with this product contains a coin/button cell battery. If the coin/button cell battery is swallowed, it can cause severe internal burns in just 2 hours and can lead to death. Keep new and used batteries away from children. - If the battery compartment does not close securely, stop using the product and keep it away from children. If you think batteries might have been swallowed or placed inside any part of the body, seek immediate medical attention.
- This lightning flash with an arrowhead symbol within an equilateral triangle is intended to alert the user of the presence of a non-insulated “dangerous voltage” within the product’s enclosure that may be of sufficient magnitude to constitute a risk of electric shock.
- To reduce the risk of electric shock, do not remove cover (or back). No user serviceable parts inside. Refer to qualified service personnel.
- The exclamation point within an equilateral triangle is intended to alert the user to the presence of important operating and maintenance instructions in the literature accompanying the appliance.
- The following information is recommended to be included as far as applicable, where applicable:
- Refers to alternating current(AC).
- Refers to direct current(DC).
- Refers to Class II equipment.
- Refers to stand-by.
- Refers to power ON.
- Refers to dangerous voltage.
- WEEE Directive
Correct Disposal of this product. This marking indicates that this product should not be disposed with other household wastes throughout the EU. To prevent possible harm to the environment or human health from uncontrolled waste disposal, recycle it responsibly to promote the sustainable reuse of material resources. To return your used device, please use the return and collection systems or contact the retailer from where the product was purchased. It can take this product for environmental safe recycling.
Positioning the TV
- Place the TV with the display side down on a flat surface. Use a cloth to protect the display. Place the panel side of TV on the platform and insert the two stands into TV, making the screws holes of stands correspond to the right holes of TV.
- Fix screws on the bottom of back cover, two for each side, assembly finished.

- Warning: Never place a television set in an unstable location. A television set may fall, causing serious personal injury or death. Many injuries, particularly to children, can be avoided by taking simple precautions such as:
- Using cabinets or stands recommended by the manufacturer of the television.
- Only using furniture that can safely support the television.
- Ensuring the television is not overhanging the edge of the supporting furniture.
- Not placing the television on tall furniture (for example, cupboards or bookcases) without anchoring both the furniture and the television set to a suitable support.
- Not placing the television set on cloth or other materials that may be located between the television set and supporting furniture.
- Educating children about the dangers of climbing on furniture to reach the television or its remote control.
If your existing television set is being retained and relocated, the same considerations as above should be applied. (Only for the TV with mass exceed 7 kg)
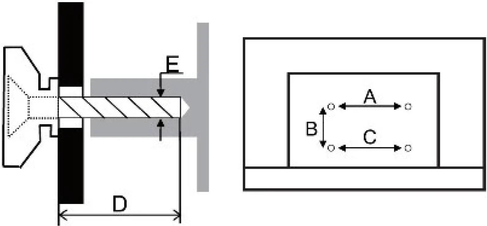
Wall-Hanging Bracket
- An optional wall mount can be used with your television. Consult with your local retailer to purchase the recommended wall mount bracket. Carefully attach the wall mount bracket at the rear of the TV. Install the wall mount bracket on a solid wall perpendicular to the floor. If you are attaching the TV to other building materials, please contact qualified personnel to install the wall mount. Detailed instructions will be included with the wall mount. Please use a wall mount bracket where the device is adequately secured to the wall with enough space to allow connectivity to external devices.

- Disconnect the power before moving or installing the TV. Otherwise, electric shock may occur.
- Remove the stand before installing the TV on a wall mount by performing the stand attachment in reverse.
- If you install the TV on a ceiling or slanted wall, it may fall and result in severe injury. Use an authorized wall mount and contact the local retailer or qualified personnel. Otherwise it is not covered by the warranty.
- Do not over tighten the screws as this may cause damage to the TV and void your warranty.
- To prevent injury, this apparatus must be securely attached to the floor/wall in accordance with the installation instructions.
- Use the screws and wall mounts that meet the following specifications. Any damages or injuries buy misuse or using an improper accessory are not covered by the warranty.
Notes:
1. The pictures are for reference only.
2. For the TV sets with terminals towards the wall, in order to leave enough space to use the terminals, a gasket is needed together with each screw to fix the wall mount. It is a small hollow pillar whose internal diameter is 8mm, external diameter is 18mm and height is ≥30 mm.
Precautions for using Remote Control
- Use the remote control by pointing it towards the remote sensor. The items between the remote control and the remote sensor will interfere with its normal operation.
- Do not shake violently the remote control. Also, do not splash liquid on the remote control, and do not put the remote control in high humidity places.
- Do not place remote control under direct sunlight. It will cause deformation of the unit by heat.
- When the remote sensor is under direct sunlight or strong lighting, the remote control will not work. If so please change the lighting or the TV’s position, or operate the remote control closer to the remote sensor.
- Before Bluetooth searching, please make sure you have activated the pairing mode of the external Bluetooth devices. For the remote control you can press the and HOME buttons together to open its pairing mode. For other Bluetooth devices, please read their own instruction manuals for opening the pairing mode.
Precautions for Using Battery
Improper use of the battery will cause leakage. So please follow the methods below and use carefully.
- Please note the batteries’ polarity, to avoid short circuit.
- When the battery’s voltage is insufficient and affects the use range, you should replace it with a new battery. Remove the batteries from the remote control unit if you do not intend to use it for a long time.
- Do not use different types of batteries (for example, Manganese and Alkaline batteries) together.
- Do not put the battery into fire and charge or decompose the battery.
- Please dispose batteries abiding by relevant environmental protection regulation.
- WARNING: The batteries (battery pack or batteries installed) shall not be exposed to excessive heat such as sunshine, fire or the like.
BASIC OPERATION
Install Remote Control Battery
- Open the cover at the back of the remote control.
- Place two AAA size batteries, making sure to match the polarity markings inside the compartment.
- Replace the cover.

Quick Start guide
Connect
- Connect the cables and the antenna.
- Press the button on the remote control to turn on TV from standby mode. Initial Setup
When the TV is initially powered on, a sequence of on-screen prompts will assist in configuring the basic settings. - Select the desired OSD (On Screen Display) language. Press the directions buttons, then press OK.
- Select the country. Press the directions buttons to select the country, then press OK to start channel tuning.
Turning the TV on and off
Turn the TV on – Connect the power cable. The TV will enter in standby mode. Press the button from the remote control to turn on the TV from standby mode.
Turn the TV off – Press the button from the remote control to enter into standby mode.
Do not leave your set in standby mode for long periods of time. It is best to unplug the TV from the cables and the antenna.
No signal – There is a No Signal menu on screen when there is no input signal. In TV/DTV mode, if there is no signal for 15 minutes, the TV will automatically turn off.
Program Selection
Use the CH+/CH- buttons from the TV or the remote control.
Press CH+ to increase the channel number.
Press CH- to decrease the channel number.
Using the 0-9 buttons, you can select the channel number by pressing 0 to 9. (In TV and DTV mode).
Volume adjustment
Press the VOL+/- buttons to adjust the volume.
If you want to switch off the sound, press the MUTE button.
You can deactivate the mute state by pressing the MUTE button or increasing/decreasing the volume.
Changing the input source
You can select the input source by pressing the button on the remote control.
Press the UP/DOWN arrows to cycle through the input source, and press OK to confirm your choice.
E-Manual
The E-manual is built into your TV and can be displayed on the screen.
To learn more about your TV features, access your E-Manual by referring to the following:
- Press the HOME button to access the home page.
- Press directions button and OK button to select “E-Manual” in “Apps”.

REMOTE CONTROL FUNCTIONS

- POWER: To set the TV in Standby or Power On modes.
- MUTE: To disable or enable the speaker sound output.
- NUMERIC KEYS: For direct access to channels.
- SOURCE: Select the input source.
- INFO: Display channel information.
- MENU: Access the menu of quick settings
- HOME: Access the home page.
- Navigation Buttons ( ): Navigate the menu to select the content you need.
- OK: Confirm, enter or execute the selected item, or show the list of Quick Button.
- EXIT: Exit the current operation.
- BACK: Return to the upper-level content, or exit the current screen.
- Application Buttons: Access specific applications directly.
- ***Teletext Buttons***
- TEXT: Access or exit the teletext menu.
- REVEAL: Display or hide the concealed information,
- INDEX: Display the index page.
- HOLD: Hold the teletext page on screen without updates or changes.
- Program Up/Down (P Ʌ/V): Switch channels.
- Volume Up/Down (VOL +/-): Adjust the sound volume.
- GUIDE: Access the EPG interface in DTV mode.
- MIC Start using the near field voice function.
- ***USB Play Control Buttons***
- Play ( ): Start the playback.
- Pause ( ): Pause the playback.
- Fast Backward ( ): Fast backward the playback.
- Fast Forward ( ): Fast forward the playback.
- SUBTITLES: Turn on or off the subtitle menu.
- AD: Turn on or off the function of audio description.
- Coloured buttons (R/G/Y/B): Execute the prompt function in the specific mode.
VOICE FUNCTION (Optional, for selected models)
Far Field Voice
- Switch of Far Field Microphones
Turn on or off the microphones of far field voice function. Only after turning on the far field microphones, successfully connecting your TV to the network and singing into your Google account, you can start to use the far field voice function by saying „Ok Google” or „Hey Google”. - Power indicator
Indicate the status of the TV power.- Lit in green: working mode.
- Lit in red: standby mode.
- Unlit: power off.

- Far Filed Microphone
Microphones of far field voice function. It is best to keep yourself within 3 meters away from the far field microphones while using the far field voice function. - Far Field Indicator
Indicate the status of far field microphones and far field voice function.- Lit in white: far field microphones are turned on, and far field voice function is being used.
- Unlit: far field microphones are turned on and far field voice function is not being used.
- Lit in orange: far field microphones are turned off.

Near Field Voice

- Near Field Microphone
Microphone of near field voice function. It is best to keep your mouth within 5 centimeters away from the near field microphone, when using the near field voice function. - Mic Button of Near Filed Voice Function
Press to start using the near field voice function. Only after successfully connecting your TV to the network, pairing the Bluetooth remote control with your TV and signing into your Google account, you can press the mic button to start using the near field voice function.
Pair the Bluetooth remote control with your TV
For the remote control supplied with your TV, please finish pairing it with your Android TV before using it for near field voice function. The pairing could be done at the first step of „Initial Setup†or in „Settingsâ€.
In settings, please refer to the following steps to pair the remote control:
- Select HOME – Settings – Remotes and Accessories.
- Press LEFT and HOME buttons simultaneously, until the name of your Bluetooth remote control appears on the TV searching interface.
- Press OK button to start pairing.
- It will show „Paired” after the Bluetooth remote control is successfully paired with the TV.
BASIC SETTINGS
- Connecting the remote with the TV (optional, valid only for TV models with Bluetooth remote control).
For the models that require this step, before searching through Bluetooth, make sure you have activated the external Bluetooth devices in pairing mode.
In the case of the remote, simultaneously press the “LEFT” and “MENU” buttons to enter into pairing mode (the remote LED must flash when entering in pairing mode).
For other Bluetooth devices, read their instruction manuals for the pairing. - Select menu language.
- Select if you want or do not want to use an Android device to set up the TV.
Note: If you want to use an Android device to set up the TV, please proceed as indicated on the screen. If you do not want to use an Android device to set up the TV, continue with the following settings. - Select if you want or do not want to connect the TV to a WiFi network.
If you choose to connect the TV to the network, you must select the desired network – insert password- Press OK and the TV is connected to the network.
Select if you want or not to connect to your Google account.
In order to connect to your Google account, select if you want to use “Phone/PC” or through “Using the remote” – Insert e-mail address and password – OK.
- Press OK and the TV is connected to the network.
- Read/scroll down the text to accept the Google Terms and Conditions and the Google Privacy Policy.
- Choose if you want to allow Google or a third party the permission to use your TV location.
- Choose if you want to allow Google to implicate you in improving the Android TV app.
About the device features – press the right arrow from the remote to skip this step. - Select the country.
- Set the password – press OK – set desired password, with the exception of “0000”
Note: you can use the numbers from the remote - Select usage environment: Home or Shop.
Note: The Home mode is recommended for using at home, whereas the Shop mode is used for shop demonstrations, because it uses more power. - Chromecast: On/Off
- Tuner mode:
- Select Antenna if you are using analogic programs or DVBT/T2;
- Select Cable for CATV signal, given by your provider;
- Select Satellite if you are using a satellite antenna (only for TV model with DVB-S/S2).
- Select cable operator:
DIGI: where scanning is done by predetermined rules and the channels are arranged by the provider’s grid and cannot be rearranged.
OTHERS: where a complete scanning is done and the channels can be arranged by the user’s preference.
Select if you wish or not to start the channel scanning. Connect a signal cable before starting the scan. Note: If you do not want the channel scanning in this step, you can do it later, in the TV settings, from the global settings. - Set up is done. Have a pleasant use – Finish – press OK key from the remote.
- Read the License Agreement for the end user – press OK key from the remote.
Home Screen
Press the HOME button to go to the home page.

- Open the Google Voice Search to start a voice search or use keyboard search.
- Among the applications installed on the TV, the icons for the favorite applications are shown inside here (Favorite applications can be added/deleted/ changed its order by users).
Apps: Click to jump to Apps screen where all the installed applications are listed. Notification: Display the notifications.
Inputs: Icon to select an input source.
Network & Internet: Icon to Setup Network, Such as WiFi
Settings: Various settings can be configured here.
For details on the settings see the next explanation.
Input Source
- In the HOME interface, press▼▲◀▶to select the Inputs icon. Press OK to open the input source list, then press up to highlight an input and press OK to switch.

- Under Live TV, press the SOURCE button to display the list of input sources. So, you can select the desired source.

- There are two ways to enter. First, in Live TV, press the menu button to display TV options, press ▼ ▲◀▶, select the settings menu and press OK to confirm. Second, in the HOME interface, press the ▶ key to select the icon of the circular settings menu and press OK to confirm.

- Press▼▲button to select what you want set.
- Press OK to enter setting.
Press BACK to return to the previous menu. If the main menu is displayed, pressing BACK will close the onscreen menu.
Network & Internet
- Press ▼▲ buttons to select what you want set.
- Press OK button to adjust.
- After finishing your adjustment, press OK to save and return to the previous menu.

Channel
Channels: Display the scan sub-menu based on different channel installation modes.
Channel installation mode: Select on-screen display channel sources. You can select the signal type.

- Antenna: Set the signal type to antenna. When set to Antenna, the TV can receive analog and digital (DVB-T/DVB-T2) broadcasting signals.
- Cable: Set the signal type to cable. When set to Cable, the TV can receive analog and QAM broadcasting signals.
Auto Channel Update
- Parental controls: Press▼▲ buttons to select the option then press OK to enter the sub-menu.
- Audio Channel: Press▼▲ buttons to select the option then press OK to enter the sub-menu.
- Open source licenses: Press▼▲ buttons to select the option then press OK to enter the sub-menu.
Antenna

- Menu->Settings->Channel->Channel Installation Mode->enter, choose Antenna or Cable.
- Enter Menu->Settings->Channel->Channels.
- Channel Scan directly enters the ATV+DTV automatic search platform interface of Antenna.

Update Scan: Re-automatically search for frequency points outside the station.
Analog Manual Scan: Manual ATV search station. After you input the frequency point, you can select up or down to search for a station.

Single RF Scan: DTV manual search, left and right after selecting RF Channel, directly OK search.

Cable
- Menu->Settings->Channel->Channel Installation Mode, select Cable.
- Enter Menu – Settings – Channel – Channels.

- Enter Channel Scan, where Numerical are the local operators, and the default Scan Mode is Advance; Others have Advance, Quick and Full Scan modes.

Single RF Scan: manual search station.

TROUBLESHOOTING
Before calling a service technician, please check the following for a possible cause of the symptom and some solutions.
General Problem / Solution
Remote control does not work
- Change the batteries.
- Batteries are not installed correctly.
- Main power is not connected.
- Check if there are some items between the remote sensor and the remote control.
Poor Signal
This is usually caused by interference from electronic equipment or radio interference sources.
Picture & Sound/Solution
No picture, no sound
- Check the signal source.
- Plug another electrical device into the outlet to make sure it is working or turned on.
- Power Plug is improperly connected to the outlet.
No sound, picture 0K
- If there is no sound, try to unmute or increase the sound volume.
- Open the sound menu and adjust ‘Balance’.
Abnormal picture
No color or bad picture quality
- Adjust the color option in menu settings.
- Keep the TV at a sufficient distance from other electronic products.
- Try another channel, maybe it is an exit broadcasting signal problem.
Bad TV signal (Display mosaic or snowflakes)
- Check the signal cable and adjust the antenna.
- Fine tune the channel.
- Try another channel.
Multimedia Player/Solution
“This file is invalid” appears or audio is normal but video is abnormal
- The media file may be damaged, check if the file can be played on the PC.
- Check if video and audio codecs are supported.
‘Unsupported audio’ appears or video is normal but audio is abnormal - The media file may be damaged, check if the file can be played on the PC.
- Check if video and audio codecs are supported.
Network/ Solution (May not be available)
Network failure
- Check if the router works well.
- Make sure the TV has connected to the router successfully.
Browser/Solution
Web page cannot be displayed completely.
- Some third-party extensions are not supported, please close the current web page.
Browser is forced to be shut down.
- Web page includes too many large pictures, this leading to insufficient memory and closing the browser.
EU DECLARATION OF CONFORMITY
No. 1649
We, S.C. Visual Fan S.A., with the headquarters in Brasov, 61, Brazilor St., CP 500313 Romania, registered at the Trade Commerce Brasov under no. J08/818/2002, CUI RO14724950, as the manufacturer, assure, guarantee and declare on our own responsibility, according to the provisions from article 4 HG no. 325/2017, regarding the regime of the products and services, which can be harmful for life and health, that the product TV 65ePlay7100-U from ALLVIEW, does not jeopardize the life, health and labor protection, does not produce a negative impact over the environment and is in accordance with:
- Directive no. 2011/65/UE, modified by 2014/8/UE regarding the usage restrictions of certain dangerous substances in electric and electronic equipment
- Directive regarding the radio equipment RED 2014/53/EU (HG 740/2016)
- Directive 2014/35/UE regarding the assurance of users of low voltage equipment
- Directive regarding the electromagnetic compatibility EMC 2014/30/EU (HG 487/2016)
- The safety requests of the European Directive 2001/95/EC and the EN 60065:2002/A12:2011 and
EN 60950-1:2006/ A1:2010 /A11:2009/A12:2011 standards, regarding the level of decibels emitted by the sold appliances.
The product has been assessed according to the following standards:
-Health and safety: EN 62368-1:2014/A11:2017; EN 50360:2017; EN 50566:2017; EN 62209-1:2016; EN 50663:2017; EN 61000-4-3: 2006; EN 60065: 2014+A11: 2017
-EMC: EN 301 489-1 V1; EN 301 489-17 V3.2.2; EN 301 489-19 V2.1.1; EN 301 489-17 V3.; EN 55032:2015; EN 55035:2017; EN 62479: 2010; EN 303 340 V1.1.2 (2016-09); EN 301 489-3 V2.1.1 (2017-03)
-Radio spectrum: EN 301 489-3/2017; EN 301 489-1; EN 301 908-2 V11.1.2; EN 303 413 V1.1.1; EN 303 345-1 V1.1.1; EN 55032: 2015; EN 61000-4-3: 2006:2006; EN 61000-4-4:2006
The evaluation procedure of the conformity was made according to Directive 2014/53/EU, the documentation being stored at S.C. Visual Fan S.A., Brasov, 61, Brazilor St., CP 500313, Romania and will be offered at request.
The product has the CE mark on it. The declaration of conformity is available at www.allviewmobile.com



Notes:



Press BACK to return to the previous menu. If the main menu is displayed, pressing BACK will close the onscreen menu.





















