RLG25FC Series Revillusion Fresh Cut Log Set

Product Information
The Revillusion log grate comes in six different models – RLG20, RLG20BR, RLG20FC, RLG25, RLG25BR, and RLG25FC. The part numbers for these models are 6909740159, 6909740400, 6909740500, 6909760159, 6909760200, and 6909760300 respectively.
The log grate comes with manual control and a multi-function remote control. The manual controls are located on the right-front leg of the log grate. The power button is used to turn on the flame effect and activate the previous heat setting (off, low, or high).
The 360o light button is used to change the LEDs on the sides and back of the unit from white flickering to white solid or off. The brightness button is used to toggle the log set LEDs through its four brightness settings.
The log grate also comes with a multi-function remote control that has a range of approximately 30 ft (9 m). The remote control must be pointed towards the front of the unit to operate correctly.
The flame button is used to light the back log, grate log, and ember mat (optional), and start the flame effect. The heat button is used to turn the heat off (indicated by 1 long beep).
Product Usage Instructions
Before attempting to service the log grate, read through the service manual carefully. Always comply with all warnings and safety instructions contained in the manual to prevent personal injury or property damage.
To turn on the flame effect manually, press the power button on the right-front leg of the log grate. Press it again to put the unit in standby mode. After turning off the heater, the fan will continue to run for 60 seconds before turning off. The log LEDs remain on when the heater is on and the flame effect is off.
To change the LEDs on the sides and back of the unit, press the 360o light button multiple times. This feature is active only when the flame effect is on.
To change the brightness of the log set LEDs, press the brightness button multiple times to toggle through its four brightness settings.
The multi-function remote control can be used to turn on the heat and flame effect. Point the remote control towards the front of the unit and press the flame button to start the flame effect.
To turn off the heat, press the heat button. After turning off the heater, the fan will continue to run for 60 seconds before turning off. The log LEDs remain on when the heater is on and the flame effect is off.
Always use a qualified technician or service agency to repair this log grate.
Operation
RLG20
Manual Control
The manual controls for the Revillusion are located on the right-front leg of the log grate.

Power
Press to turn the flame effect on and activate the previous heat setting (Off, Low, or High). Press again to put the unit in standby mode.
Heat
- Heat On
Press to set the heat to Low (indicated by 1 short beep). Press again to set the heat to High (indicated by 2 short beeps). - Heat Off
Press to turn heat Off (indicated by 1 long beep).
NOTE: After the heater is switched off, the fan will continue on for 60 seconds before turning off. The log LEDs remain On when the heater is ON and the flame effect is Off.
360o Light
Press multiple times to change the LEDs on the sides and back of the unit from white flickering to white solid to Off. (This feature is active only when the flame effect is On.)
Brightness
Press multiple times to toggle the log set LEDs through its four brightness settings.
Remote Control
The fireplace is supplied with a multi-function remote control.
The remote control has a range of approximately 30 ft (9 m). To operate correctly, the remote control must be pointed toward the front of the unit.
Power
Press to activate the current standby state (On/Off).
- Standby State On
Press to turn everything Off. Press again to active the previous flame effect state. - Standby State Off
Press to activate the previous flame effect state.- If the flame effect was On, the previous heat setting will be activated (High, Low, or Off).
- If the flame effect was Off, the previous heat setting will be activated (High or Low).
Press again to turn everything Off.
Flame
Press to light the back log, grate log, and ember mat (optional), and start the flame effect.
Heat
- Heat On
Press to set the heat to Low (indicated by 1 short beep). Press again to set the heat to High (indicated by 2 short beeps). - Heat Off
Press to turn heat Off (indicated by 1 long beep).
NOTE: After the heater is switched off, the fan will continue on for 60 seconds before turning off. The log LEDs remain On when the heater is ON and the flame effect is Off.
360o Light
Press multiple times to change the LEDs on the sides and back of the unit from white flickering to white solid to Off. (This feature is active only when the flame effect is On.)
Brightness
Press multiple times to toggle the log set LEDs
RLG25
Manual Control
The manual controls for the Revillusion are located on the right-front leg of the log grate.
Power
Press to turn the flame effect on and activate the previous heat setting (Off, Low, or High). Press again to put the unit in standby mode.
Heat
- Heat On
Press to set the heat to Low (indicated by 1 short beep). Press again to set the heat to High (indicated by 2 short beeps). - Heat Off
Press to turn heat Off (indicated by 1 long beep).
NOTE: After the heater is switched off, the fan will continue on for 60 seconds before turning off. The log LEDs remain On when the heater is ON and the flame effect is Off.
Color Themes
Press multiple times to change the LED lights from: flame base yellow, flame base blue, flame base yellow with yellow 360 LEDs, flame base blue with 360 LEDs. (Feature is active only when the flame effect is On.)
Brightness
Press multiple times to toggle the log set LEDs through its four brightness settings.
Remote Control
The fireplace is supplied with a multi-function remote control.
The remote control has a range of approximately 30ft (9m). To operate correctly, the remote control must be pointed toward the front of the unit.

Power
Press to activate the current standby state (On/Off).
- Standby State On
Press to turn everything Off. Press again to active the previous flame effect state. - Standby State Off
Press to activate the previous flame effect state.- If the flame effect was On, the previous heat setting will be activated (High, Low, or Off).
- If the flame effect was Off, the previous heat setting will be activated (High or Low).
Press again to turn everything Off.
Flame
Press to light the back log, grate log, and ember mat, and start the flame effect.
Heat
- Heat On
Press to set the heat to Low (indicated by 1 short beep). Press again to set the heat to High (indicated by 2 short beeps). - Heat Off
Press to turn heat Off (indicated by 1 long beep).
NOTE: After the heater is switched off, the fan will continue on for 60 seconds before turning off. The log LEDs remain On when the heater is ON and the flame effect is Off.
360o Light
Press multiple times to change the LEDs on the sides and back of the unit from natural yellow flickering to yellow solid to white flickering to white solid to Off. (Feature is active only when the flame effect is On.)
Brightness
Press multiple times to toggle the log set LEDs through its four brightness settings.
Color Themes
Press multiple times to change the flame base colors from Yellow to Blue to Off. (Feature is active only when the flame effect is On.)
RLG20BR, RLG20FC, RLG25BR, RLG25FC
Manual Control
The manual controls for the Revillusion are located on the right-front leg of the log grate.
Power
Press to turn the flame effect on and activate the previous heat setting (Off, Low, or High). Press again to put the unit in standby mode.
Heat
- Heat On
Press to set the heat to Low (indicated by 1 short beep). Press again to set the heat to High (indicated by 2 short beeps). - Heat Off
Press to turn heat Off (indicated by 1 long beep).
NOTE: After the heater is switched off, the fan will continue on for 60 seconds before turning off. The log LEDs remain On when the heater is ON and the flame effect is Off.
NOTE: The heater will only turn on when the flame effect is on.
360o Light
Press multiple times to change the LEDs on the sides and back of the unit from white flickering to white solid to Off. (This feature is active only when the flame effect is On.)
Brightness
Press multiple times to toggle the log set LEDs through its four brightness settings.
Remote Control
The fireplace is supplied with a multi-function remote con-trol.
The remote control has a range of approximately 30 ft (9 m). To operate correctly, the remote control must be pointed toward the front of the unit.
Power
Press to turn the flame effect on and activate the previous heat setting (Off, Low, or High). Press again to put the unit in standby mode.
Flame
Press to light the back log, grate log, and ember mat, and start the flame effect.
Heat
- Heat On
Press to set the heat to Low (indicated by 1 short beep). Press again to set the heat to High (indicated by 2 short beeps). - Heat Off
Press to turn heat Off (indicated by 1 long beep).
NOTE: After the heater is switched off, the fan will continue on for 60 seconds before turning off. The log LEDs remain On when the heater is ON and the flame effect is Off.
NOTE: The heater will only turn on when the flame effect is on.
360o Light
Press multiple times to change the LEDs on the sides and back of the unit from white flickering to white solid to Off. (This feature is active only when the flame effect is On.)
Brightness
Press multiple times to toggle the log set LEDs through its four brightness settings.
Maintenance
General Maintenance
Inspect the log set regularly, depending upon conditions, and at a minimum yearly intervals. Remove dust and clean the logs, mat, grate, and base as required.
Except for installation and cleaning described in this manual, an authorized service representative should perform any other servicing.
WARNING: Disconnect power and allow heater to cool before attempting any maintenance or cleaning to reduce the risk of fire, electric shock, or injury.
Clean Logs and Base
The log set should not be operated with an accumulation of dust or dirt on or in the unit, as this can cause a build up of heat and eventual damage.
Dust and vacuum the log set as needed. Use a damp cloth and a mild detergent to clean painted surfaces of the fireplace. Never use abrasive cleaners.
Clean Mirage™ Flame Panel
The Mirage™ Flame Panel is cleaned in the factory during the assembly operation. During shipment, installation, handling, etc., the screen may collect dust particles; these can be removed by dusting lightly with a clean dry cloth.
To remove fingerprints or other marks, clean the Mirage™ Flame Panel reflector screen with a damp cloth. Never use abrasive cleaners. Dry the screen completely with a lint free cloth to prevent water spots.
Battery Replacement
To replace the battery:
- Push the release tab toward the center and slide the battery cover open.
- Install 3V Lithium battery in the battery holder. The positive (+) side of the battery faces up.
- Close the battery cover.
Battery must be recycled or disposed of properly. Check with your Local Authority or Retailer for recycling advice in your area.
Exploded Parts Diagram – RLG20, RLG20BR, RLG20FC 
Replacement Parts List – RLG20, RLG20BR, RLG20FC
- Logset RLG20 . . . . . . . . . . . . . . . . . . . . . . . . 0441910100RP
RLG20BR. . . . . . . . . . . . . . . . . . . . . . 0442780100RP
RLG20FC . . . . . . . . . . . . . . . . . . . . . . 0442770100RP - Flame LED Strip RLG20. . . . . . . . . . . . . . . . . 3001760100RP
- Back Log RLG 20. . . . . . . . . . . . . . . . . . . . . . 0441920100RP
RLG20BR. . . . . . . . . . . . . . . . . . . . . 0442740100RP
RLG20FC . . . . . . . . . . . . . . . . . . . . . 0442730100RP - Mirage™ Flame Panel. . . . . . . . . . . . . . . . . . 5902930100RP
- Flicker Motor. . . . . . . . . . . . . . . . . . . . . . . . . . 2000500900RP
- Back Light Assembly . . . . . . . . . . . . . . . . . . . 3001770100RP
- Heater-Blower Assy with Cutout. . . . . . . . . . . 2203730100RP
- Main Control Board . . . . . . . . . . . . . . . . . . . . 3001740100RP
RLG20BR & RLG20FC . . . . . . . . . . . 3001740300RP - IR Key Board. . . . . . . . . . . . . . . . . . . . . . . . . 3001750100RP
- Power Supply . . . . . . . . . . . . . . . . . . . . . . . . . 2100250100RP
- Cordset, 3-prong . . . . . . . . . . . . . . . . . . . . . . 4100190300RP
- Remote Control . . . . . . . . . . . . . . . . . . . . . . . 6700580100RP
- Ash Mat (RLG20BR & RLG20FC). . . . . . . . . . . . . . . REM-KIT
Accessory - Ash Mat . . . . . . . . . . . . . . . . . . . . . . . . . . . . . . . . . . . REM-KIT
Exploded Parts Diagram – RLG25
Replacement Parts List – RLG25
- Logset. . . . . . . . . . . . . . . . . . . . . . . . . . . . . . . 0441940100RP
- Flame LEDs, 4x1W . . . . . . . . . . . . . . . . . . . . 3001760200RP
- Back Log . . . . . . . . . . . . . . . . . . . . . . . . . . . . 0441950100RP
- Mirage™ Flame Panel. . . . . . . . . . . . . . . . . . 5902880100RP
- Flicker Motor, 18RPM, CCW . . . . . . . . . . . . . 2000500900RP
- Back Light Assembly . . . . . . . . . . . . . . . . . . . 3001780100RP
- Colored Light Assembly (RLG25 only). . . . . 3001570400RP
- Heater-Blower Assy with Cutout. . . . . . . . . . . 2203730100RP
- Main Control Board . . . . . . . . . . . . . . . . . . . . 3001740200RP
- IR Key Board. . . . . . . . . . . . . . . . . . . . . . . . . 3001750100RP
- Power Supply. . . . . . . . . . . . . . . . . . . . . . . . . 2100250100RP
- Cordset, 3-prong . . . . . . . . . . . . . . . . . . . . . . 4100190300RP
- Remote Control . . . . . . . . . . . . . . . . . . . . . . . 6700580200RP
- Ash Mat . . . . . . . . . . . . . . . . . . . . . . . . . . . . . . . . . . . REM-KIT
Exploded Parts Diagram RLG25BR, RLG25FC
Replacement Parts List – RLG25BR, RLG25FC
- Logset RLG25BR. . . . . . . . . . . . . . . . . . . . . . 0442610100RP
RLG25FC. . . . . . . . . . . . . . . . . . . . . . 0442600100RP - Flame LEDs, 4x1W . . . . . . . . . . . . . . . . . . . . 3001760200RP
- Back Log RLG25BR. . . . . . . . . . . . . . . . . . . . 0442760100RP
RLG25FC. . . . . . . . . . . . . . . . . . . . 0442750100RP - Mirage™ Flame Panel. . . . . . . . . . . . . . . . . . 5902880100RP
- Flicker Motor, 18RPM, CCW . . . . . . . . . . . . . 2000500900RP
- Back Light Assembly . . . . . . . . . . . . . . . . . . . 3001770100RP
- Heater-Blower Assy with Cutout. . . . . . . . . . . 2203730100RP
- Main Control Board . . . . . . . . . . . . . . . . . . . . 3001740300RP
- IR Key Board. . . . . . . . . . . . . . . . . . . . . . . . . 3001750100RP
- Power Supply. . . . . . . . . . . . . . . . . . . . . . . . . 2100250100RP
- Cordset, 3-prong . . . . . . . . . . . . . . . . . . . . . . 4100190300RP
- Remote Control . . . . . . . . . . . . . . . . . . . . . . . 6700580100RP
- Ash Mat . . . . . . . . . . . . . . . . . . . . . . . . . . . . . . . . . . . REM-KIT
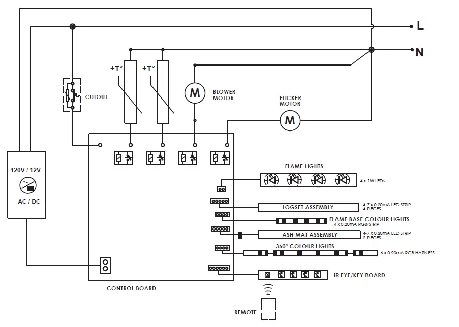
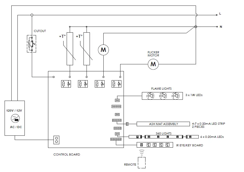
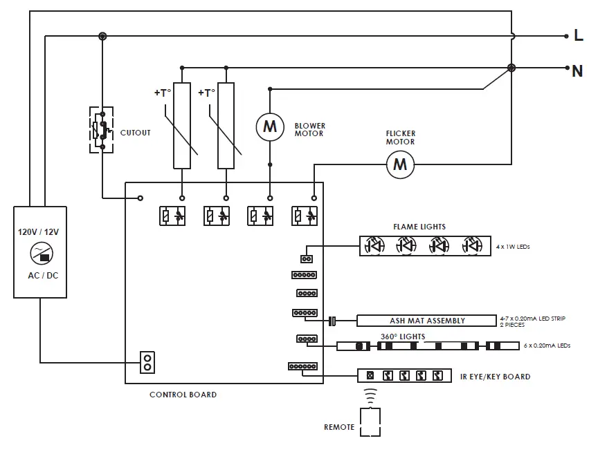
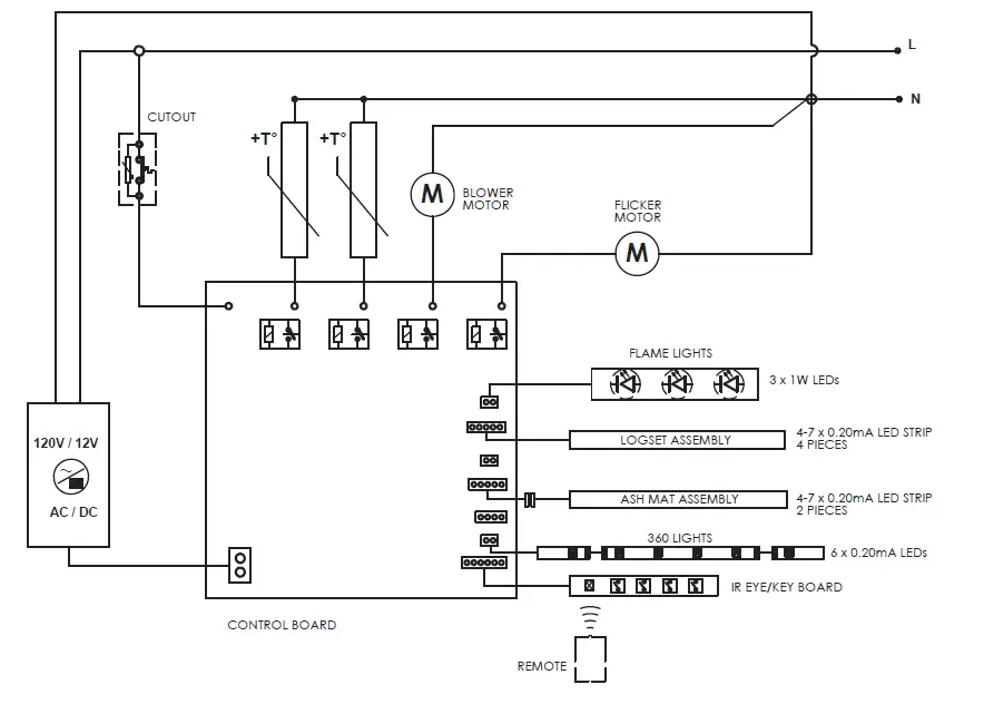
Wiring Diagram
RLG20
RLG25 
RLG20BR, RLG20FC 
RLG25BR, RLG25FC 
Back Log Replacement
- Tools Required: Philips head screwdriver
WARNING: If the log grate was operating prior to servicing, allow at least 10 minutes for the heating elements to cool off to avoid accidental burning of skin.
WARNING: Disconnect power before attempting any maintenance to reduce the risk of electric shock or damage to persons.
- Lift the flame panel from the unit and put it aside in a safe place.
- Remove the ember mat by disconnecting it from the right side of the unit (if applicable).
- Remove the two screws at the front of the back log.(Figure 3)
- Install the replacement log and secure with the two screws that were previously removed.
- Reinstall the flame panel.
- Re-assemble the remainder of the log grate in reverse order from the instructions above.
WARNING: Ensure wires do not come in contact with moving parts by securing wires in wiring tie wraps.

Log Set Replacement
Tools Required: Philips head screwdriver
WARNING: If the log grate was operating prior to servicing, allow at least 10 minutes for the heating elements to cool off to avoid accidental burning of skin.
WARNING: Disconnect power before attempting any maintenance to reduce the risk of electric shock or damage to persons.
- Lift the flame panel from the unit and put it aside in a safe place.
- Remove the ember mat by disconnecting it from the right side of the unit.
- Remove the 3 screws along the bottom of the front and back of the bottom assembly and the four screws from each corner on both ends. (Figure 4)
- Gently tilt the unit onto the back and lower the bottom assembly so that the electrical can be easily accessed.
- Remove the two screws in the bottom of the second and fourth prongs of the grate to release the logs.
- Trace the wire from the logs to the main control board and disconnect the wire, noting the location on the board.
- Run the wire from the new logs, following the same path as the wire that was removed. Attach the new wire to the board.
- Install the replacement logs and secure with the two screws that were previously removed.
- Re-assemble the remainder of the log grate in reverse order from the instructions above.
WARNING: Ensure wires do not come in contact with moving parts by securing wires in wiring tie wraps.
Flame LED Strip and Colured LED
Strip Replacement
- Tools Required: Philips head screwdriver
WARNING: If the log grate was operating prior to servicing, allow at least 10 minutes for the heating elements to cool off to avoid accidental burning of skin.
WARNING: Disconnect power before attempting any maintenance to reduce the risk of electric shock or damage to persons.
- Lift the flame panel from the unit and put it aside in a safe place.
- Remove the ember mat by disconnecting it from the right side of the unit (if applicable).
- Remove the two screws at the front of the back log.(Figure 3)
- Place the back log to the side, trying not to strain the wires (if applicable).
- Lift the LED strip out of the holder.
- Gently pull the connector at the end of the strip out of the plug.
- Connect the new LED strip to the connector and reinstall.
- Re-assemble the remainder of the log grate in reverse order from the instructions above.
WARNING: Ensure wires do not come in contact with moving parts by securing wires in wiring tie wraps.
Back Light Assembly Replacement
- Tools Required: Philips head screwdriver
WARNING: If the log grate was operating prior to servicing, allow at least 10 minutes for the heating elements to cool off to avoid accidental burning of skin.
WARNING: Disconnect power before attempting any maintenance to reduce the risk of electric shock or damage to persons.
- Lift the flame panel from the unit and put it aside in a safe place.
- Remove the ember mat by disconnecting it from the right side of the unit (if applicable).
- Locate the three sections of lights that are located along the bottom edge of the grate. (Figure 6)
- Depress each of the tabs and gently pull the light strips forward and down to remove them from the unit.
- Gently pull the connector at the end of the strip out of the plug.
- Connect the new LED strip to the connector and reinstall.
- Re-assemble the remainder of the log grate in reverse order from the instructions above.
WARNING: Ensure wires do not come in contact with moving parts by securing wires in wiring tie wraps.
Main Control Board Replacement
- Tools Required: Philips head screwdriver
Needle-nose pliers Flat Head Screwdriver
- WARNING: If the log grate was operating prior to servicing, allow at least 10 minutes for the heating elements to cool off to avoid accidental burning of skin.
- WARNING: Disconnect power before attempting any maintenance to reduce the risk of electric shock or damage to persons.
- Lift the flame panel from the unit and put it aside in a safe place.
Remove the ember mat by disconnecting it from the right side of the unit. - Remove the 3 screws along the bottom of the front and back of the bottom assembly and the four screws from each corner on both ends. (Figure 4)
Gently tilt the unit onto the back and lower the bottom assembly so that the electrcial can be easily accessed. - Transfer the wire connectors from the terminals on the original board to the same location on the replacement board.
NOTE: Use a flat head screwdriver to gently pry between the end of the connector and the remote control receiver to release the wires. - Squeeze the mounting tabs located on the corners of the board with the needle-nose pliers, to release the tabs and lift the board off.
- Position the new board over the tabs and gently press down to engage the tabs.
- Re-assemble the remainder of the log grate in reverse order from the instructions above.
WARNING: Ensure wires do not come in contact with moving parts by securing wires in wiring tie wraps.
Power Supply Replacement
- Tools Required: Philips head screwdriver
WARNING: If the log grate was operating prior to servicing, allow at least 10 minutes for the heating elements to cool off to avoid accidental burning of skin.
WARNING: Disconnect power before attempting any maintenance to reduce the risk of electric shock or damage to persons.
- Lift the flame panel from the unit and put it aside in a safe place.
- Remove the ember mat by disconnecting it from the right side of the unit.
- Remove the 3 screws along the bottom of the front and back of the bottom assembly and the four screws from each corner on both ends. (Figure 4)
- Gently tilt the unit onto the back and lower the bottom assembly so that the electrical can be easily accessed.
- Remove the four remaining screws from the right end pane to release the bracket that supports the power supply.
- Trace the wires to the main control board and the wire nuts and replace the old connections with the new connections.
- Reinstall the support bracket over the new power supply.
- Re-assemble the remainder of the log grate in reverse order from the instructions above.
WARNING: Ensure wires do not come in contact with moving parts by securing wires in wiring tie wraps.
IR Key Board Replacement
- Tools Required: Philips head screwdriver
WARNING: If the log grate was operating prior to servicing, allow at least 10 minutes for the heating elements to cool off to avoid accidental burning of skin.
WARNING: Disconnect power before attempting any maintenance to reduce the risk of electric shock or damage to persons.
- Lift the flame panel from the unit and put it aside in a safe place.
- Remove the ember mat by disconnecting it from the right side of the unit.
- Remove the two screws securing the IR key board to the back side of the right leg. (Figure 7)
- Remove the 3 screws along the bottom of the front and back of the bottom assembly and the four screws from each corner on both ends. (Figure 4)
- Gently tilt the unit onto the back and lower the bottom assembly so that the electrical can be easily accessed.
- Trace the wire from the IR key board to the main control board and disconnect the wire, noting the location on the board.
- Run the wire from the IR key board, following the same path as the wire that was removed. Attach the new wire to the board.
- Install the replacement key board and secure with the two screws that were previously removed.
- Re-assemble the remainder of the log grate in reverse order from the instructions above.
WARNING: Ensure wires do not come in contact with moving parts by securing wires in wiring tie wraps.
Power Cord Replacement
- Tools Required: Philips head screwdriver
WARNING: If the log grate was operating prior to servicing, allow at least 10 minutes for the heating elements to cool off to avoid accidental burning of skin.
WARNING: Disconnect power before attempting any maintenance to reduce the risk of electric shock or damage to persons.
- Lift the flame panel from the unit and put it aside in a safe place.
- Remove the ember mat by disconnecting it from the right side of the unit.
- Remove the 3 screws along the bottom of the front and back of the bottom assembly and the four screws from each corner on both ends. (Figure 4)
- Gently tilt the unit onto the back and lower the bottom assembly so that the electrical can be easily accessed.
- Follow the wiring from the power cord to the wire nuts, removing any tie wraps and remove the connections, taking note of the original locations.
- Disconnect the ground wire from the screw on the bottom pane.
- With needle nosed pliers, squeeze and push the grommet securing the power cord out of the casing.
- Insert the new power cord and grommet, reattaching the wire with new tie wraps.
- Reconnect the wires according in their original configuration.
- Re-assemble the remainder of the log grate in reverse order from the instructions above.
Flicker Motor Replacement
- Tools Required: Philips head screwdriver
WARNING: If the log grate was operating prior to servicing, allow at least 10 minutes for the heating elements to cool off to avoid accidental burning of skin.
WARNING: Disconnect power before attempting any maintenance to reduce the risk of electric shock or damage to persons.
- Lift the flame panel from the unit and put it aside in a safe place.
- Remove the ember mat by disconnecting it from the right side of the unit (if applicable).
- Remove the two screws at the front of the back log and set it aside, ensuring that the wires are not strained (if applicable). (Figure 3)
- Remove the 3 screws along the bottom of the front and back of the bottom assembly and the four screws from each corner on both ends. (Figure 4)
- Gently tilt the unit onto the back and lower the bottom assembly so that the electrcial can be easily accessed.
- Remove the two screws that secure the motor support to the base of the grate (verticle). (Figure 8)
- Disconnect the flicker rod and rubber grommet from the flicker motor.
- Remove the two screws that secure the motor from the motor support (horizontal). (Figure 8)
- Trace the wires from the motor to the main control board and disconnect the wire, noting the location on the board.
- Run the wire from the new motor, following the same path as the wire that was removed. Attach the new wire to the board.
- Re-assemble the remainder of the log grate in reverse order from the instructions above.
WARNING: Ensure wires do not come in contact with moving parts by securing wires in wiring tie wraps.

Heater Assembly Replacement
- Tools Required: Philips head screwdriver
Flat Head Screwdriver
WARNING: If the log grate was operating prior to servicing, allow at least 10 minutes for the heating elements to cool off to avoid accidental burning of skin.
WARNING: Disconnect power before attempting any maintenance to reduce the risk of electric shock or damage to persons.
- Lift the flame panel from the unit and put it aside in a safe place.
- Remove the ember mat by disconnecting it from the right side of the unit.
- Remove the 3 screws along the bottom of the front and back of the bottom assembly and the four screws from each corner on both ends. (Figure 4)
- Gently tilt the unit onto the back and lower the bottom assembly so that the electrical can be easily accessed.
- Remove the four screws in the top assembly – two on either end of the heater.
- Turn the logs and log grate on its side, to the right, to access the four screws that secure the heater assembly to the top assembly.
- On the heater assembly, there is a plastic spacer that channels the air from the heater assembly out of the unit, remove the two screws on either end that hold the plastic spacer to the heater. (Figure 9)
- Install the plastic spacer to the new heater, transfer the wires from the old heater to the new heater and re-assemble the remainder of the log grate in reverse order from the instructions above.
! NOTE: Use a flat head screwdriver to gently pry between the end of the connector and the heater assembly to release the wires.
WARNING: Ensure wires do not come in contact with moving parts by securing wires in wiring tie wraps.

Troubleshooting Guide
| PROBLEM CAUSE SOLUTION | ||
| General | ||
| Circuit breaker trips or fuse blows when unit is turned on | Short in unit wiring. | Trace wiring in unit. |
| Improper circuit current rating | Additional appliances may exceed the current rating of the circuit breaker or fuse. Plug unit into another outlet or install unit on a dedicated 15 amp circuit. | |
| Lights dim in room while the unit is on | Unit is drawing close to circuit current rating | Move the unit to another outlet or install unit on a dedicated 15 amp circuit |
| Power cord gets warm | Normal Operation | The power cord may get slightly warm to the touch when the heater is on |
| Defective power cord | Replace power cord if cord gets hot to the touch. | |
| Appearance | ||
| Log grate does not turn on in Manual Mode | Improper operation | Refer to cperation section |
| No incoming power from the electrical wall socket | Check fuse/breaker panel | |
| Defective IR key board | Replace IR key board | |
| Defective main control board | Replace main control board. | |
| Log grate does not turn on in Remote Mode | Improper operation | Refer to operation section |
| Loose wiring | Check wiring connections | |
| Remote Control not working | Install new battery into the remote control. Reinitialize remote control where necessary | |
| Defective main control board | Replace main control board. | |
| One or all logs in log set dim, not glowing (only applicable for the RLG20 & RLG25) | Loose connection | Check wiring connections |
| Defective log set wiring | Replace log set assembly | |
| Ash mat dim or not glowing | Loose connection of ash mat | Check wiring connections |
| Defective ash mat | Replace ash mat | |
| Defective main control board | Replace main control board | |
| Flame dim or not appearing | Improper operation | Refer to operation section |
| Loose connection of flame LEDs | Check wiring connections | |
| Defective flame LED wiring | Replace flame LED assembly | |
| Defective main control board | Replace main control board. | |
| Flame Frozen | Loose wiring | Check wiring connections |
| Defective Flicker Motor | Replace flicker motor | |
| Flame Shudder | Defective Flicker Motor | Replace flicker motor |
| Back lighting dim or not appearing | Improper operation | Refer to operation section |
| Loose connection of back light LEDs | Check wiring connections | |
| Defective back light LED wiring | Replace back light LED assembly | |
| Defective main control board | Replace main control board. | |
| Color themes dim or not appearing (only applicable for the RLG25) | Improper operation | Refer to operation section |
| Loose connection of coloured LEDs | Check wiring connections | |
| Defective coloured LED wiring | Replace coloured LED assembly | |
| Defective main control board | Replace main control board. | |
| Heater | ||
| Heater is not turning Off | Improper operation | Refer to operation section |
| Defective main control board | Replace main control board. | |
| Heater is not turning On | Improper operation | Refer to operation section |
| Loose wiring | Check wiring connections | |
| Defective heater assembly | Replace heater assembly | |
| Heater is turning off after a couple of minutes of operation | Build up of dirt/dust in heater assembly | Ensure that exterior intake louvers and log grate cavity are free of dirt/dust. |
| Defective Heater Assembly | Replace heater assembly | |
| Heater emits an odor | Normal Operation | Normal operation is when the heater emits an odor for a brief period after the heater is initially turned on. The heater is burning off any dust accumulated during manufacturing or operation. |
| Defective heater assembly | Replace heater assembly | |
| Heater fan turns on but heater lacks heat | Improper operation | Refer to operation section |
| Loose wiring | Trace wiring in unit | |
| Defective heater assembly | Replace heater assembly | |
| Heating element is glowing red | Normal Operation | Small glowing sections of the element are considered normal. |
| Defective heater assembly | If larger glowing sections are causing the heater to trip the thermal cutout, unplug unit, discontinue use and replace heater assembly. | |
| Heater fan runs continuously | Loose wiring | Trace wiring in unit |
| Defective heater assembly | Replace heater assembly | |
| Noise | ||
| Excessive noise with the heater on | Dirty heater assembly | Ensure that exterior intake louvers and log grate cavity are free of dirt/dust. |
| Defective heater assembly | Replace heater assembly | |
REV PCN DATE
00 – 19-OCT-16
01 15450 17-JUL-19
02 – 20-FEB-20
1-888-346-7539 | www.dimplex.com
In keeping with our policy of continuous product improvement, we reserve the right to make changes without notice.


















