Honeywell Home XE70 Series Thermostats heatpumps & Small Air Conditioner Installation Guide

PRODUCT SPECIFICATION SHEET
FEATURES
- Dual diaphragm sensing element ensures close temperature control for all loads and applications
- Attractive modern styling makes this thermostat ideal for locating in the occupied space, particularly in offices or hotels
- Versions with heat anticipator, which improves temperature control in both heating and cooling operation
- Thermostat mounts directly onto a wall or conduit box
- Slide switches allow manual control of system operation and fan speed
- Optional extras:
– rangestops F42006646-001 – 20 per pack (enough for 10 thermostats)
The T6376 and T6377 are designed to control the valves, the fan and the compressor in split units, heatpumps and small air conditioners.
The thermostat operates the compressor to provide either heating or cooling (as selected by the system switch) at the desired setpoint temperature.
The fan can also be controlled from the thermostat. In some cases it is wired to run continuously, and can be switched off with the system ON/OFF switch, while with other models there is a switch which gives the choice of running the fan continuously, or cycling it with the thermostat.
Versions are available with a manual 3-SPEED FAN switch, and with a system ON/OFF switch, or a HEAT/OFF/COOL switch
Heat/cool changeover operation can be accomplished either by a manually operated HEAT/FAN/ COOL switch or a HEAT/OFF/ COOL switch on the front of the thermostat.
SPECIFICATIONS
| Model | Switches | |||||||
| ON/OFF | 3-speed | Fan/ | Heat/Cool | Heat/Cool | Heat/Off/ | Heat/Fan/ | Heat/Emergency- | |
| Fan | Auto/Cont | Cool | Cool | -Heat/Cool | ||||
| (SPST) | (SPTT) | (SPDT) | (SPDT) | (DPDT) | (DPTT) | (DPTT) | (DPTT) | |
| T6376B1004 | 4 | 4 | ||||||
| T6377B1011 | 4 | 4 | 4 | |||||
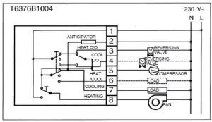
dialSetpoint range : 10…30oC. By means of a large setpoint
Supply voltage : 230 V~, 50…60 Hz
Thermostat switch
: S.P.D.T.
Performance : Typical differential 1 oC (heating & cooling) at 20oC at 50% load with anticipator connected
Electrical ratings : 4(2) A, 230 V~
pical loads are fans, zone valves, relays, compressors. Compressors of greater than 0.5 kW capacity should be switched via a contactor.
Operational life : Greater than 100,000 cycles (all loads) for thermostat contacts at 230 V~ Greater than 6,000 operations for all manually operated switches.
| Mounting | : Mounts directly onto wall or wall-box (mounting screws supplied) |
| Wiring | : Up to 9 screw-in terminals per unit, capable of accepting wires up to 1.5 mm2 |
| Enclosure | : Plastic 2-piece housing |
| Dimensions | : 85 x 130 x 40 mm (w x h x d) |
| Protection class | : IP30 |
| Environmental requirements | : Operating temperature range 0 to 40oC Shipping and storage temperature range -20 to 50oC Humidity range 0 to 90% rh, non- condensing |
| Approvals | : The XE70 range is CE, RoHs and WEEE compliant. For regulatory information, DoC / CoC D0046 is available on request. Product must be wired as shown for CE compliance. |
DIMENSIONS

INSTALLATION

Location
The XE70 Series thermostat is the temperature control element in the fan-coil or air-conditioning system, and must be located in a position with good air circulation, on an inside wall about 1.5 m above the floor to sense the average temperature. Do not position the thermostat in draughts, near hot or cold air sources or where it will be affected by radiant heat from the sun or other appliances.
Mounting the thermostat
Any XE70 Series thermostat can be directly mounted on the wall or on a conduit box (see diagram). Mounting screws are supplied for both alternatives.
Wiring the thermostat
The standard wiring access is via a hole in the base of the thermostat, near the top edge.
IMPORTANT
- The installer must be a trained service engineer
- Disconnect the power supply before beginning installation
OPERATION
Sensing element
The thermostat sensing element comprises two circular, flexible metal plates welded together at the rims and encapsulating a gas/liquid combination whose pressure changes in response to variations in temperature. This dual- diaphragm expands and contracts with ambient temperature changes to operate a snap-acting switch which controls the heating or cooling circuit.
Heat anticipator
It is recommended that the heat anticipator is always connected for both heating and cooling operation.
APPLICATION
| T6376B | T6377B | ||
| 1004 | 1011 | ||
|
Application | Ventilation |
[ | |
| 2-pipe fan-coil | |||
| 4-pipe fan-coil | |||
| Heatpump | [ | ||
| Air-conditioner | [ | ||
| Heat or Cool | |||
| Heat/cool | [ | [ | |
| Control | Changeover (auto or manual) | manual | manual |
| Capability | Fan control (auto or cont) | either | either |
| Fan speed control | [ | ||
| Valve control | [ | [ | |
| Compressor control | [ | [ | |
Switches
All switches are slide switches for ease of operation.
The ON/OFF switch is a system on/off switch, as it removes power from the thermostat.
The FAN SPEED switch allows selection of 3 different fan speeds, 1 (low), 2 (medium), and 3 (high).
The FAN AUTO/CONT switch allows the choice of 2 different operating modes for the fan – either continuously (cont), or cycled by the thermostat (auto)
The DPTT HEAT/OFF/COOL and HEAT/FAN/COOL switches allow selection of either heating or cooling operation, but also have an additional selection position which disables all the outputs except that of the fan. In both these cases the fan can be controlled separately, either by the system ON/OFF switch or by the FAN AUTO/CONT switch.
WIRING





















