CLR62SWRVS9WH CLR Select Commercial Recessed LED Downlight
Instruction Manual
CLR62SWRVS9WH CLR Select Commercial Recessed LED Downlight
CLR Select Commercial Recessed LED Downlight
INSTALLATION INSTRUCTIONS
Model(s): CLR62SWRVS9WH
CLR82SWRVS9WH
CLR82HWRVS9WH
WARNING:
- Risk of electric shock. Disconnect power at fuse or circuit breaker before installing or servicing.
- To prevent early lamp failure, the lamp should only be installed in operating environments between -20°C and + 40°C (104°F and -4°F)
- No user-serviceable parts inside. To avoid electric shock do not disassemble the product.
- This product is not intended for use in emergency light fixtures or exit signs.
- This product contains a chemical known to the state of California to cause cancer, birth defects, and other reproductive harm.
- Risk of fire or electrical shock. Install this kit only in luminaires that have the construction features and dimensions shown in the photographs and/or drawings.
- To prevent wiring damage or abrasion, do not expose wiring to the edges of sheet metal or other sharp objects.
ATTENTION:
- Turn the power off before inspection, installation, or removal.
- Suitable for use in dry, damp, and wet indoor and outdoor locations. Use only on 120-277 VAC, 60Hz circuits.
NOTE:
- Not all existing mounting frames will be compatible with the CLR. To ensure compatibility, a test installation should be conducted.
- The CLR LED Retrofit Kit is designed to be installed in a standard 6″ or 8″ CFL mounting frame.
What’s In The Box

Tools Needed
This LED Recessed Kit requires very few tools for installation. A screwdriver and a pair of wirecutters will help to install the downlight to a JBox or housing.
Frame Compatibility
CLR6: 5½” min – 7″ max
CLR8: 7¼” min – 9″ max
CLR Kit Installation With Existing Frame
Make sure all power is turned off before beginning installation
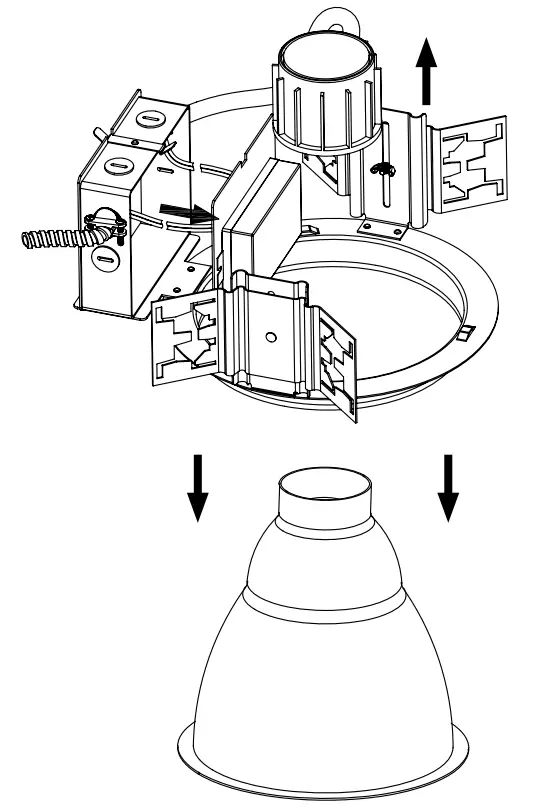
- Remove existing lamp, trim, and socket cap.

- Remove the J-Box cover plate from the existing lamp ballast. Do not dispose of it. Disconnect all wires from the ballast. Remove the socket cap metal conduit (MC) cable from the J-Box.

- Fasten the LED retrofit kit MC cable to the J-Box using the included MC connector.

- Adjust CCT or Lumen output by setting the switch positions on the back of the fixture to the desired settings.
Note
1) Power selection switch is a two-position switch that will adjust light output: low/high.
2) CCT selection switch is a four-position switch that will adjust Color Temperature between 3000K, 3500K, 4000K, or 5000K. - Make a wiring connection to the junction box.
a. Connect Black wire to line wire.
b. Connect the White wire to the neutral wire
c. Connect the Green wire to ground wire
d. Route and connect Purple and Grey 0-10V dimming control wires in accordance with dimmer instructions
NOTE: If 0-10V dimming is NOT to be connected, it is recommended to cut off the exposed, tinned leads on the purple and grey wires, and cover the ends with a small piece of electrical tape or wire nut. If bare 0-10V control wires should accidentally touch a grounded surface, it could cause unintended flickering or dimming of the light fixture - Put back the J-Box cover plate (with lamp ballast still attached to it).

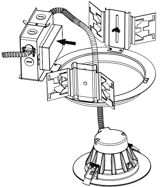
- Lift upward on retention tabs while pushing the retrofit kit through the rough-in, release the retention tabs and push trim flush to the ceiling, ensuring a secure fit.

- Turn on the power and verify proper operation.
CLR Kit Installation Without Existing Frame
Make sure all power is turned off before beginning installation
- Identity fixture location and cut rough-in hole. Cut a 5½” to 7″ diameter hole for CLR6 and a 7½” to 9¼” diameter hole for CLR8.

- Fasten the LED retrofit kit MC cable to a field-installed j-box (not supplied) per local electrical code using a standard MC connector (not supplied).

- Adjust CCT or Lumen output by setting the switch positions on the back of the fixture to the desired settings.
Note:
1) Power selection switch is a two-position switch that will adjust light output: low/high.
2) CCT selection switch is a four-position switch that will adjust Color Temperature between 3000K, 3500K, 4000K, or 5000K. - Make a wiring connection to the junction box.
a. Connect Black wire to line wire.
b. Connect the White wire to the neutral wire
c. Connect the Green wire to the ground wire.
d. Route and connect Purple and Grey 0-10V dimming control wires in accordance with dimmer instructions and electrical code.
NOTE: If 0-10V dimming is NOT to be connected, it is recommended to cut off the exposed, tinned leads on the purple and grey wires, and cover the ends with a small piece of electrical tape or wire nut. If bare 0-10V control wires should accidentally touch a grounded surface, it could cause unintended flickering or dimming of the light fixture. - Install the J-Box cover plate.

- Lift upward on retention tabs while pushing the retrofit kit through the rough-in, release the retention tabs and push trim flush to the ceiling, ensuring a secure fit.

- Turn on the power and verify proper operation.
EXPRESS LIMITED WARRANTY
Subject to the exclusions contained below, NICOR Inc. (NICOR) warrants that all NICOR LED branded Solid State Lighting products made by NICOR to be free from defects in materials and workmanship, under normal consumer usage for a period of 5 years from the date of purchase. This limited warranty is a consumer’s exclusive remedy and applies only to new products purchased and used by consumers in the United States or Canada, which are accompanied by this written warranty.
This limited warranty extends only to the first consumer purchaser and is not transferable. A consumer wishing to invoke the terms of this warranty must first obtain an RGA number within 30 days of discovery of the defect and return the product to NICOR for inspection. Once verified to be covered by this limited warranty, NICOR will, at its discretion, repair, replace or refund the purchase price of any product that does not conform to this limited warranty.
This limited warranty covers only defects in material and workmanship associated with normal installation and intended use of the product.
THIS LIMITED WARRANTY DOES NOT COVER THE FOLLOWING:
- Defects or damages resulting from improper operation, storage, misuse or abuse, accident or neglect;
- Defects or damages resulting from improper service, testing, adjustment, installation, maintenance, alteration, connection to out-of-specification electrical service, corrosive or damp environments, or connection to incompatible equipment or devices (e.g., connecting non-dimmable lighting products to dimmers);
- Damage that occurs in transit; and
- Labor or other charges or expenses associated with the removal, repair, or re-installation of defective or replacement products.
ANY IMPLIED WARRANTIES, INCLUDING WITHOUT LIMITATION, THE IMPLIED WARRANTIES OF MERCHANTABILITY AND FITNESS FOR A PARTICULAR PURPOSE SHALL BE LIMITED TO THE DURATION OF THIS LIMITED WARRANTY, OTHERWISE, THE REPAIR, REPLACEMENT OR REFUND AS PROVIDED UNDER THIS EXPRESS LIMITED WARRANTY IS THE EXCLUSIVE REMEDY OF THE CONSUMER, AND IS PROVIDED IN LIEU OF ALL OTHER WARRANTIES, EXPRESS OR IMPLIED. IN NO EVENT SHALL NICOR BE LIABLE, WHETHER IN CONTRACT OR IN TORT (INCLUDING NEGLIGENCE) FOR DAMAGES IN EXCESS OF THE PURCHASE PRICE OF THE PRODUCT, OR FOR ANY INDIRECT, INCIDENTAL, SPECIAL OR CONSEQUENTIAL DAMAGES OF ANY KIND, OR LOSS OF REVENUE OR PROFITS, LOSS OF BUSINESS OR OTHER FINANCIAL LOSS ARISING OUT OF OR IN CONNECTION WITH THE ABILITY OR INABILITY TO USE THE PRODUCT TO THE FULL EXTENT THESE DAMAGES MAY BE DISCLAIMED BY LAW.
Copyright 2016, NICOR, Inc.
Revised November 2016
This device complies with part 15 of the FCC Rules. Operation is subject to the following two conditions: (1) This device may not cause harmful interference, and (2) this device must accept any interference received, including interference that may cause undesired operation.
NOTE: This equipment has been tested and found to comply with the limits for a Class A digital device, pursuant to part 15 of the FCC Rules. These limits are designed to provide reasonable protection against harmful interference when the equipment is operated in a commercial environment. This equipment generates, uses, and can radiate radio frequency energy and, if not installed and used in accordance with the instruction manual, may cause harmful interference to radio communications. Operation of this equipment in a residential area is likely to cause harmful interference in which case the user will be required to correct the interference at his own expense.
THANK YOU
FOR YOUR PURCHASE
SHARE YOUR EXPERIENCE WITH US
SCAN the QR or visit
www.nicorlighting.com/support/survey
FOLLOW US![]()



Note
NOTE: If 0-10V dimming is NOT to be connected, it is recommended to cut off the exposed, tinned leads on the purple and grey wires, and cover the ends with a small piece of electrical tape or wire nut. If bare 0-10V control wires should accidentally touch a grounded surface, it could cause unintended flickering or dimming of the light fixture



Note:
NOTE: If 0-10V dimming is NOT to be connected, it is recommended to cut off the exposed, tinned leads on the purple and grey wires, and cover the ends with a small piece of electrical tape or wire nut. If bare 0-10V control wires should accidentally touch a grounded surface, it could cause unintended flickering or dimming of the light fixture.




















