HUAWEI SmartLogger 3000 Data Logger

NOTICE
- The information in this document is subject to change without notice. Every effort has been made in the preparation of this document to ensure accuracy of the contents, but all statements, information, and recommendations in this document do not constitute a warranty of any kind, express or implied. You can download this document by scanning the QR code.
- Operators should understand the components and functioning of a grid-tied PV power system, and they should be familiar with relevant local standards.
- Carefully read the user manual before installing the equipment to get familiar with product information and safety precautions. Huawei shall not be liable for any consequences caused by the violation of the storage, transportation, installation, and operation regulations specified in this document and the user manual.
- Use insulated tools when installing the equipment. For personal safety, wear proper personal protective equipment (PPE).

Overview
- (1) LED indicators (RUN, ALM, 4G)
- (2) SIM card slot (SIM)
- (3) Mounting ear
- (4) Guide rail clamp
- (5) MBUS port (MBUS)
- (6) GE port (WAN)
- (7) SFP ports (SFP1, SFP2)
- (8) 4G antenna port (4G)
- (9) RST button (RST)
- (10) USB port (USB)
- (11) GE port (LAN)
- (12) DI ports (DI)
- (13) 12 V output power port (12V/GND)
- (14) AI ports (AI)
- (15) DO ports (DO1, DO2)
- (16) COM ports (COM1, COM2, COM3)
- (17) 24 V input power port (DC IN 24V, 0.8A)
- (18) 12 V input power port (DC IN 12V, 1A)
- (19) Protective ground point
Installation Requirements

Device Installation
Installing the SmartLogger
Wall-Mounted Installation
- Install the SmartLogger on a flat and secure interior wall.
- When wall-mounting the SmartLogger, ensure that the cable connection area faces downwards for ease of cable connection and maintenance.
- You are advised to use the tapping screws and expansion tubes delivered with the SmartLogger.

Guide Rail-Mounted Installation
- Before installing the SmartLogger, prepare a standard 35 mm guide rail and secure it.
- The recommended effective length of the guide rail is 230 mm or greater.

Installing the Power Adapter
Wall-Mounted Installation
Note: It is recommended that the power adapter be installed on the right side of the SmartLogger. Keep the AC power cable port upward.


Flat Surface-Mounted Installation
Ensure that the power adapter indicator faces upward or outward.
Electrical Connections
- Connect cables in accordance with the installation laws and regulations of the country or region where the project is located.
- Before connecting cables to ports, leave enough slack to reduce the tension on the cables and prevent poor cable connections.
- One SmartLogger3000A can connect to a maximum of 80 solar inverters, and one SmartLogger3000B can connect to a maximum of 150 solar inverters.
Preparing Cables
| Type | Recommended Specifications |
| PE cable | Outdoor copper cable with a cross-sectional area of 4–6 mm2 or 12–10 AWG |
| RS485 communications cable | Two-core or multi-core cable with a cross-sectional area of 0.2–2.5 mm2 or 24–14 AWG |
| MBUS cable (optional) | Supplied with the SmartLogger |
| DI signal cable |
Two-core or multi-core cable with a cross-sectional area of 0.2–1.5 mm2 or 24–16 AWG |
| Output power cable | |
| AI signal cable | |
| DO signal cable | |
| Ethernet cable | Supplied with the SmartLogger |
| 24 V input power cable (optional) | Two-core cable with a cross-sectional area of 0.2–1.5 mm2 or 24–16 AWG |
Connecting the PE Cable
To enhance the corrosion resistance of the ground terminal, apply silica gel or paint on it after connecting the PE cable.
Connecting the RS485 Communications Cable
- It is recommended that the RS485 communication distance be less than or equal to 1000 m.
- The SmartLogger can connect to RS485 communications devices, such as a solar inverter, an environmental monitoring instrument (EMI), and a power meter over the COM port.
- Ensure that the RS485+ and RS485– terminals are respectively connected to the COM+ and COM– ports on the SmartLogger.

| Port | Identifier | Description |
| COM1, COM2, COM3 | + | RS485A, RS485 differential signal+ |
| – | RS485B, RS485 differential signal– |
Cascading Connection
- You are advised to connect fewer than 30 devices to each RS485 route.
- The baud rate, communications protocol, and parity mode of all devices on the RS485 cascading link must be the same as those of the COM ports on the SmartLogger.
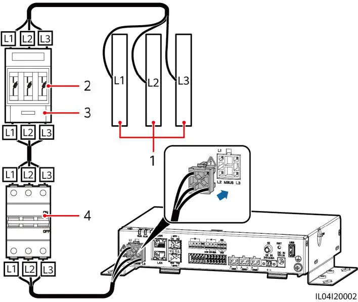
Connecting the MBUS Cable
- Ensure that both the solar inverter and SmartLogger support MBUS communication.
- If the SmartLogger is connected to the solar inverter through an AC power cable, no RS485 communications cable needs to be connected.
- If the SmartLogger communicates through MBUS, a miniature circuit breaker (MCB) or knife fuse switch needs to be installed to prevent device damage in the case of short circuits.

MBUS Networking
Connecting the DI Signal Cable
- The SmartLogger can receive DI signals such as remote power grid scheduling commands and alarms over DI ports. It can only receive passive dry contact signals.
- It is recommended that the signal transmission distance be less than or equal to 10 m.

| Port | Description |
| DI1 |
Can receive passive dry contact signals. |
| DI2 | |
| DI3 | |
| DI4 |
Connecting the Output Power Cable
- In the export limitation or audible and visual alarm scenario, the SmartLogger can drive the coil of the intermediate relay through the 12 V output power port.
- It is recommended that the transmission distance be less than or equal to 10 m.

Connecting the AI Signal Cable
- The SmartLogger can receive AI signals from EMIs over AI ports.
- It is recommended that the transmission distance be less than or equal to 10 m.
- AI ports 1, 2, 3, and 4 are for AI+ signals, and the GND port is for AI– signals.

| Port | Description |
| AI1 | Supports 0–10 V input voltage. |
| AI2 | Supports 4–20 mA or 0–20 mA input current. |
| AI3 | |
| AI4 |
Connecting the DO Signal Cable
- The DO port supports a maximum of 12 V signal voltage. The NC/COM is a normally closed contact, while the NO/COM is a normally open contact.
- It is recommended that the transmission distance be less than or equal to 10 m.

Connecting the Ethernet cable
- The SmartLogger can connect to an Ethernet switch, router, or PC over a WAN port.
- The SmartLogger can connect to a SmartModule or PC over a LAN port.
- If the delivered network cable is too short, you are advised to prepare a network cable of Cat 5e or higher specifications and shielded RJ45 connectors. The recommended communication distance is less than or equal to 100 m. When crimping the network cable, ensure that the shielding layer of the cable is securely connected to the metal shell of the RJ45 connectors.

- (1) White-andorange
- (2) Orange
- (3) White-andgreen
- (4) Blue
- (5) White-andblue
- (6) Green
- (7) White-andbrown
- (8) Brown
Connecting the Optical Jumper
- The SmartLogger can connect to devices such as the access terminal box through optical fibers.
- Optical modules are optional. Configure the 100M or 1000M optical module based on the peer port on the optical switch. The optical module should use the SFP or eSFP encapsulation. The transmission distance supported by the 100M optical module should be greater than or equal to 12 km, and the transmission distance supported by the 1000M optical module should be greater than or equal to 10 km.
- When inserting an optical module into the SFP1 port, verify that the side with a label faces upward. When inserting an optical module into the SFP2 port, verify that the side with a label faces downward.
- Insert the optical module into the SFP1 or SFP2 port. If there are two modules, insert one into each port.
- Connect the two cables delivered with the optical modules to the ports on the optical modules.

Installing the SIM Card and 4G Antenna
- Prepare a standard SIM card (size: 15 mm x 25 mm; capacity ≥ 64 KB). Monthly traffic of the SIM card ≥ Monthly traffic of the solar inverter + Monthly traffic of the power meter + Monthly traffic of the EMI. If other devices are connected to the SmartLogger in the network, the monthly traffic of the SIM card needs to be increased as required.
- Install the SIM card in the direction shown by the silkscreen on the SIM card slot.
- Press the SIM card in place to lock it. In this case, the SIM card is correctly installed.
- When removing the SIM card, push it inward to eject it.
| Monthly Traffic Requirement of SIM Cards | Traffic Baseline | |
| Solar inverter | 10 MB + 4 MB x Number of solar inverters | • Device performance data can be refreshed every 5 minutes. • The solar inverter logs and I-V diagnosis data can be exported monthly. The solar inverters can be upgraded monthly. |
| Power meter | 3 MB x Number of power meters | |
| EMI | 3 MB x Number of EMIs | |

Connecting the 24 V Input Power Cable
The 24 V input power cable needs to be connected in the following scenarios:
- The 24 V DC power supply is used.
- The SmartLogger connects to the power supply through the 12 V input power port, and the 24 V input power port functions as the 12 V output power port to supply power to devices.

Check Before Power-On
| No. | Criterion |
| 1 | The SmartLogger is installed correctly and securely. |
| 2 | All cables are securely connected. |
| 3 | Routing of the power cable and signal cable meets the requirements for routing strong- current and weak-current cables and complies with the cable routing plan. |
| 4 | Cables are bound neatly, and cable ties are secured evenly and properly in the same direction. |
| 5 | There is no unnecessary adhesive tape or cable tie on cables. |
Powering On the System
- Connect the power supply.
- Method 1: When a power adapter is used, connect the power adapter cable and turn on the switch on the AC socket side.
NOTE:
The rated input voltage of the power adapter is 100–240 V AC, and the rated input frequency is 50/60 Hz.
Select an AC socket that matches the power adapter. - Method 2: When the DC power supply is used, check that the cable between the DC power supply and the SmartLogger is correctly connected. Turn on the upstream power switch of the DC power supply.
- Method 1: When a power adapter is used, connect the power adapter cable and turn on the switch on the AC socket side.
- When MBUS is used for communication, turn on all the upstream switches of the MBUS port.
- Observe the LED indicators to check the running status of the SmartLogger.
| Indicator | Status | Meaning | |
|
Running indicator (RUN) | Green off | The SmartLogger is not powered on | |
| Blinking green slowly (on for 1s and then off for 1s) | The communication between the SmartLogger and the management system is normal. | ||
| Blinking green fast (on for 0.125s and then off for 0.125s) | The communication between the SmartLogger and the management system is interrupted. | ||
|
Alarm/ maintenance indicator (ALM) |
Alarm status | Red off | No system alarm is raised. |
| Blinking red slowly (on for 1s and then off for 4s) | The system raises a warning alarm. | ||
| Blinking red fast (on for 0.5s and then off for 0.5s) | The system raises a minor alarm. | ||
| Steady red | The system raises a major alarm. | ||
|
Maintenanc e status | Green off | No local maintenance is in progress. | |
| Blinking green slowly (on for 1s and then off for 1s) | Local maintenance is in progress. | ||
| Blinking green fast (on for 0.125s and then off for 0.125s) | Local maintenance fails or the connection to the app is to be set up. | ||
| Steady green | Local maintenance succeeded. | ||
|
4G indicator (4G) | Green off | The 4G/3G/2G networking function is not enabled. | |
| Blinking green slowly (on for 1s and then off for 1s) | The 4G/3G/2G dialup succeeded. | ||
| Blinking green fast (on for 0.125s and then off for 0.125s) | The 4G/3G/2G network is not connected or the communication is interrupted. | ||
NOTE:
If an alarm and local maintenance happen concurrently, the alarm/maintenance indicator shows the local maintenance state first. After local maintenance ends, the indicator shows the alarm state.
WebUl Deployment
The WebUI screenshots are for reference only.
- Set the IP address for the PC on the same network segment as the SmartLogger IP address.
Port IP Settings SmartLogger Default Value PC Setting Example LAN port
IP address 192.168.8.10 192.168.8.11 Subnet mask 255.255.255.0 255.255.255.0 Default gateway 192.168.8.1 192.168.8.1 WAN port
IP address 192.168.0.10 192.168.0.11 Subnet mask 255.255.255.0 255.255.255.0 Default gateway 192.168.0.1 192.168.0.1 - When the IP address of the WAN port is on the 192.168.8.1–192.168.8.255 network segment, the IP address of the LAN port is automatically switched to 192.168.3.10, and the default gateway is 192.168.3.1. If the connection port is a LAN port, adjust the network configuration of the PC accordingly.
- It is recommended that the PC be connected to the LAN port on the SmartLogger or the GE port on the SmartModule. When the PC is connected to the GE port on the SmartModule, adjust the network configuration of the PC to the configuration mode when the PC is connected to the LAN port on the SmartLogger.
- Enter https://XX.XX.XX.XX in the address box of the browser (XX.XX.XX.XX is the IP address of the SmartLogger). If you log in to the WebUI for the first time, a security risk warning is displayed. Click Continue to this website.
- Log in to the WebUI.

Parameter Description Language Set this parameter as required. User name Select admin. Password
• The initial password is Changeme. • Use the initial password upon first power-on and change it immediately after login. Then, use the new password to log in again. To ensure account security, change the password periodically and keep the new password in mind. A password left unchanged for a long period of time may be stolen or cracked. If a password is lost, the device needs to be restored to factory settings. In these cases, the user is liable for any loss caused to the PV plant.
• If you enter wrong passwords for five consecutive times in 5 minutes, your account will be locked out.
Try again 10 minutes later.
NOTE: After logging in to the WebUI, a dialog box is displayed. You can view the recent login information. Click OK.
- On the Deployment Wizard page, set parameters as prompted. For details, see Help on the page.
NOTE: During parameter setting, click Previous, Next, or Skip as required.
- After the parameters are configured, click Finish.
Connecting to the SmartLogger over an App
- FusionSolar app is recommended when the SmartLogger is connected to the FusionSolar smart PV management system. The SUN2000 app is recommended when the SmartLogger is connected to other management systems.
- The FusionSolar app or SUN2000 app communicates with the SmartLogger through the WLAN to provide functions such as alarm query, parameter settings, and routine maintenance.
- Before connecting to the app, ensure that the WLAN function has been enabled on the SmartLogger. By default, the WLAN function is available within 4 hours after the SmartLogger is powered on. In other cases, hold down the RST button (for 1s to 3s) to enable the WLAN function.
- Access the Huawei app store
(http://appstore.huawei.com), search for FusionSolar or SUN2000, and download the app installation package. You can also scan the QR code to download the installation package.


Connecting the SmartLogger to the FusionSolar Smart PV Management System
- Enable the public network of the mobile phone, open the FusionSolar app, log in to
intl.fusionsolar.huawei.com as installer account, and choose My > Device commissioning to connect to the WLAN hotspot of the SmartLogger. - Select installer and enter the login password.
- Tap LOG IN and go to the Quick Settings screen or SmartLogger screen.
Connecting the SmartLogger to Other Management Systems
- Open the SUN2000 app and connect to the WLAN hotspot of the SmartLogger.
- Select installer and enter the login password.
- Tap LOG IN and go to the Quick Settings screen or SmartLogger screen.

- The screenshots in this document correspond to the FusionSolar app version 3.7.008 (Android) and SUN2000 app version 3.2.00.013 (Android).
- The initial WLAN hotspot name of the SmartLogger is Logger_SN and the initial password is Changeme. The SN can be obtained from the SmartLogger label.
- The initial passwords of installer and user are both 00000a for the FusionSolar app device commissioning and SUN2000 app.
- Use the initial password upon first power-on and change it immediately after login. To ensure account security, change the password periodically and keep the new password in mind. Not changing the initial password may cause password disclosure. A password left unchanged for a long period of time may be stolen or cracked. If a password is lost, the device cannot be accessed. In these cases, the user is liable for any loss caused to the PV plant.
- If the SmartLogger is powered on for the first time or the factory defaults are restored, and parameter configuration is not performed on the WebUI, the quick settings screen is displayed after you log in to the app. You can set parameters as required.
FAQ
The SmartLogger Cannot Be Powered On
- Check whether the DC output power cable of the power adapter is connected to the 12 V input power port on the SmartLogger.
- Check whether the power cable is connected to the power adapter.
- Check whether the power cable is connected to the AC socket.
- Check whether the power adapter is faulty.
The SmartLogger Cannot Find Devices
- Check the RS485 communications cable and AC power cable connections. If any cable is loose, disconnected, or reversely connected, rectify the connection.
- Check the RS485 communications parameter settings. Ensure that the baud rate and communication address are set correctly and that the device address is within the search address range of the SmartLogger.
- Check whether the devices that do not support automatic identification, such as the EMI and power meter, have been manually added.
- Check whether the devices connected to the SmartLogger are powered on.
The 4G Communication Is Abnormal
- Check whether the SIM card is properly installed.
- Check whether the SIM card is damaged or the charge is overdue.
- Check whether the 4G antenna is tightened or damaged.
- Check whether the management system parameters and wireless network parameters are set correctly.
The SmartLogger Cannot Communicate with the Management System
- If a wired network is used, check whether the WAN port or SFP port of the SmartLogger is correctly connected.
- If a wireless network is used, check whether the SIM card and antenna are correctly installed.
- Check whether the parameters of the wired or wireless network are set correctly.
- Check whether the management system parameters are correctly set.
How Do I Set Export Limitation Parameters
- Log in to the WebUI as admin, and choose Settings > Power Adjustment > Export Limitation.
- Set corresponding parameters as prompted. For details, see Help on the page.
RST Button
| Operation | Function |
| Hold down the button for 1s to 3s. | When WLAN is set to OFF in idle state, hold down the RST button for 1s to 3s to power on the WLAN module. The alarm/maintenance indicator (ALM) then blinks green fast for 2 minutes (other indicators are off) and the SmartLogger waits for connecting to the app. If the app fails to be connected, the WLAN module is automatically powered off after it is powered on for 4 hours. |
| Hold down the button for more than 60s. | Within 3 minutes after the SmartLogger is powered on and restarted, hold down the RST button for more than 60s to restart the SmartLogger and restore factory settings. |
Connecting the SmartLogger to the FusionSolar Smart PV Management System
For details, see the PV Plants Connecting to Huawei Hosting Cloud Quick Guide (Inverters + SmartLogger3000). You can scan the QR code below to obtain the document.



NOTE:



















