ALPHA FAN HANI-5B DC Motor Ceiling Fan

SAFETY PRECAUTION
Warning
Installation and maintenance work shall only be performed by qualified persons, familiar with local code and regulation, and experienced with this type of appliance. All field wiring must be installed in accordance with the national wiring regulation. Ensure that the rated voltage of the unit corresponds to that of the name plate before commencing wiring work according to the wiring diagram. The appliance must be permanently connected to the electricity supply through a double pole switch having a contact separation of at least 3mm in all poles.
The unit must be GROUNDED to prevent possible hazard due to insulation failure.
The earth wire is approximately 60mm longer than safety wire. This is to ensure at the event whereby the suspension system fails, the (L) and (N) wire will break leaving the fan remain earthed to prevent electrocution.
Tighten the blade firmly using a screw driver.
Blades that are detached from the unit during operation will cause serious injuries and property damages. This appliance is not intended for use by persons (including children) with reduced physical, sensory or mental capabilities, or lack of experience and knowledge, unless they have been given supervision or instruction concerning use of the appliance by a person responsible for their safety. Children should be supervised to ensure that they do not play with the appliances. Confirm that the power supply has been switched OFF before installing or servicing the unit. Ensure that the blade is fully static before doing any maintenance work.
STOP using the ceiling fan when any abnormality or failure occurs.
If unusual oscillating movement is observed, immediately stop using the ceiling fan and contact the manufacturer, its service agent or suitably qualified persons.
CAUTION
Please take note of the following important points when installing. The fixing means for attachment to the ceiling such as hooks or other devices shall be fixed with a sufficient strength to withstand 4 times the weight of the ceiling fan. The mounting of the suspension system shall be performed by the manufacturer, its service agent or suitably qualified persons. The fan is to be installed so that the blades are more than 2.5m above the floor. Safety cord should not be longer than the earthing conductor. Should failure of the suspension system occur, the supporting of the fan must not rely on the earthing conductor. The earthing terminal in the fan assembly should be such that should any part of the suspension system fall off, the body of the fan assembly shall effectively earthed. Ensure that the unit’s panel is closed after service or installation. Unsecured panels will cause the unit to operate noisily. Sharp edges and coil surfaces are potential locations which may cause injury hazards. Avoid from being in contact with these places. Before turning off the power supply set the remote controller’s ON/OFF switch to the “OFF” position. If this is not done, the unit’s fans will start turning automatically when power resumes, posing a hazard to service personnel or the user. Do not operate any heating apparatus too close to the ceiling fan unit or use in a room where mineral oil, oil vapour or oil steam exist, this may cause plastic part to melt or deform as a result of excessive heat or chemical reaction. Ensure the color of wires of the outdoor unit and the terminal markings are same to the indoors respectively. Don’t use joined and twisted wires for incoming power supply. Do not place any object in the path of the blades. Avoid raising objects or your arms near the ceiling fan. The fan suspension system and blade screw tightening shall be examined yearly. Replacement of parts of the safety suspension system device shall be performed by the manufacturer, its service agent or suitably qualified persons. Torque value for screw/bolts for securing primary suspension system for the motor is 2Nm.
PARTS & ACCESSORIES


INSTALLATION INSTRUCTION
STEP 1
- Route all the wires & Safety Wire from the Motor through the Downrod.
- Fix the Downrod to the Motor Assembly with Bolt Washer, Nut and tighten them firmly then insert the Clevis Pin.
IMPORTANT : CLEVIS PIN MUST BE INSERTED TO PREVENT NUT FROM LOOSENING. - Tighten the Fan Rod Support Screw.
- Assemble the Canopy and Coupling Cover through the Fan Rod

STEP 2
- Fix the Rubber Pulley Assembly to the Downrod with Bolt, Washer, Nut and tighten them firmly, then insert the Clevis Pin.

Step 3
- Remove the Bolt, Clevis Pin, Nut, Washer and Rubber Pulley from the Fan Rod.
- Place the Rubber Pulley onto the ceiling hook and fix back the Bolt, Clevis Pin, Nut and Washer.

Step 4
- Remove the Safety Wire screw and spring washer from the Downrod.
- Tie the Safety Wire across the hook as shown and firmly screw the Safety Wire onto the Downrod.

Step 5
- Connect the Connectors from Fan and Receiver.
- Connect the wires from the receiver to House Supply Wire.
- Connect Earth Wire to House Supply Earth Terminal.

Step 6
Install the Blades on Motor with Screw.
Step 7
Install Decorative Cover by twisting in.
Step 8
Below shows a complete installation diagram.
TRANSMITTER LEARNING PROCESS
IMPORTANT: DO NOT CONNECT THIS REMOTE CONTROL CEILING FAN TO DIMMER SWITCH OR REGULATOR.
The receiver & transmitter is pre-programmed in factory. If you wish to control 2 or more fans using 1 transmitter, the below steps are required.
DO NOT PRESS ANY OTHER BUTTON DURING THIS PROCESS
Step 1
- Insert the 2 pcs of batteries (provided) into the transmitter.
- Turn on the power supply (wall switch) to the fan.
- Within 30 sec, press and hold the “LEARN” button for 3 sec. Once the receiver has detected the frequency, the transmitter will “Beep Beep” twice. The programming process is completed and fan is ready to use. If the fan is not responding to the transmitter, repeat Step 1b.

TRANSMITTER FUNCTION
IMPORTANT: DO NOT CONNECT THIS REMOTE CONTROL CEILING FAN TO DIMMER SWITCH OR REGULATOR
The transmitter & receiver is incorporated with last memory function. This function stores your last setting in memory and the next time you turn on the fan, fan will operate as the last setting.
Function of Forward & Reverse
Fan must be turned on and rotating. Press and hold Forward/Reverse button for 3 sec fan will slow down and then change direction (approx. 15 sec). When the fan is slowing down to change direction, the Fan Speed function is disabled until direction has been changed.
Forward
Fan rotates anti-clockwise blowing the air downwards creating the wind chill effect. Suitable for hot weather conditions.
Reverse
Fan rotates clockwise drawing the air towards the ceiling circulating the warm air downwards. This function works best at low speed. Suitable for air-conditioned condition.
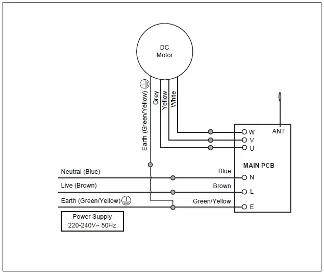
POWER SUPPLY CONNECTION

CIRCUIT DIAGRAM
IMPORTANT: DO NOT CONNECT THIS REMOTE CONTROL CEILING FAN TO DIMMER SWITCH OR REGULATOR.

MAINTENANCE
Due to the fan’s natural movement, connections may get loose after a period of usage. To ensure proper and safe usage, it is highly recommended to inspect and tighten all connections every 6 months.
Cleaning
Cleaning your fan periodically will prolong its new appearance. Basic cleaning procedures are as follows :
- Use only water and mild soap. Do not use solvents, corrosive or acidic solutions.
- Damp the cloth lightly. Use only soft or lint-free cloth to clean the fan. Rough fabric will scratch the surface.
- Do not bent the blades while cleaning. At the event that blades are bent or damaged, order new set of blades from the service center or dealer shop.
- There is no need to oil the fan.
TECHNICAL SPECIFICATIONS
| Model | HANI-5B/36 |
| No. of Blades | 5 |
| Fan Width | 914mm (36”) |
| Motor RPM | 90 – 220 |
| Voltage | 220-240V~ 50Hz |
| Motor Wattage | 5W – 35W |
| Nett Weight | 5kg |

CUSTOMER SERVICE CENTRE
If you need any technical assistance or faulty report, please contact our customer service centre at :
Alpha Home Appliances Sdn. Bh. (390258-H)
- Head Office 6, Jalan Sungai Kay Ara 32/37, Berjaya Park, Section 32, 40460 Shah Alam, Selangor.
- Tel 03-5740 6666
- Fax 03-5740 8220
- Website www.alphamalaysia.com
- Email: [email protected]
























