VIXEN HORNS VXO8330APRO/4318B Quad Trumpet Train Air Horn Black

Information
BEFORE BEGINNING YOUR INSTALLATION Read through the instruction guide before getting started with the installation. Professional installation is recommended for this product.
CONTENTS
- Quad Trumpet Train Air Horn (Black)
- 200 PSI Air Compressor
- 3 Gallon Aluminum Air Tank
- 12V Electric Air Valve (Solenoid)
- 240 PSI Air Pressure Gauge
- 170-200 PSI Pressure Switch
- 250 PSI Safety Valve
- 1/4″ NPT Wing Style Drain Valve
- 1/4″ NPT Compression Fitting for 1/4″ OD Air Line
- 1/4″ OD Nylon Plastic Hose (6 Feet)
- 3/8″ OD Nylon Plastic Hose (10 Feet)
- Intake Air Filter with Remote Installation Kit
- 40A In-line Fuse
- Liquid Thread Sealant (10ml)
- Horn Button
- Mounting Hardware
The specific voltage requirement for this horn system is 12 volt DC, therefore installation must be done to a DC power source of 12 volts.
SAFETY INSTRUCTIONS
- Do not attempt to disassemble, repair or customize this product.
- Avoid setting up any parts of this product where there is a risk of falling off or risk of coming in contact with water.
- Avoid reaching out to touch or pick up any fallen or water submerged parts.
- Never leave this product unattended during use.
- Intended for use by adults only.
- During and immediately after use, avoid touching any part of the compressor with bare hands as it is very hot during such periods.
- Avoid sounding the air horn when in close range to your ear(s) or the ear(s) of others.
- Avoid use of product near flames, explosive materials, aerosol products or oxygen devices.
- Be sure to pump nothing other than atmospheric air.
- It is important to determine the maximum air pressure for any tool or attachment before using it.
- Air sprayer or nozzle should always be pointed away from any part of the body.
- The compressor has Thermal Overload Protection, if this protection activates, cut off the source of power and let the unit cool down for about 30 minutes. This will reset the system and allow you to safely resume use of the air compressor.
- Make sure your battery ground is detached before you begin.
- Set the horn up for use only in areas with adequate ventilation.
- Employ equipment for eye protection during drilling operations.
- Ensure that your air system has no pressure before you begin.
PLANNING YOUR INSTALLATION
- Before beginning the installation, determine each component’s spot.
Confirm you have the proper length of airline and wire. - Power wire to compressor should be kept short.
- To power up the air compressor, make sure you use a 12-gauge wire or thicker.
HORN MOUNTING
- Identify a suitable area for mounting, preferably an unobstructed sheet-metal surface like the frame or body of the vehicle so as to provide a firm platform which will help protect the horn from damage due to shaking. Never attach the horn to any plastic or other flexible material.
- Mark the spots for the holes with the bracket and then drill.
- The mounting hardware should be used to fasten the horn.
AIR LINE INSTALLATION
- On one side of the included 1/4″ OD air line, attach the compression nut and force the air line upon the male inlet fitting which is found on the electric solenoid valve.

- Pass the brass nut through the inlet fitting and fasten.
Take the air line’s other side and place the compression nut of the air tank fitting on it. Force the air line onto the male fitting of the tank and then fasten the compression nut.
WARNING: Avoid over-tightening.
COMPRESSOR MOUNTING
- Determine a dry place to mount your compressor. If you have chosen to install in the engine compartment, you should mount it as close to the front as possible to allow for maximum flow of air around compressor and also to avoid heat from the exhaust.
IMPORTANT: Never attach the compressor to any plastic or other flexible material. - For optimal results, the compressor should be placed as close to the battery as possible. This will reduce the amount of wiring needed.
- Avoid placing compressor near flammable liquids.
- Make sure your placement allows for the airline to be routed from the air inlet of the compressor to the remote inlet air filter. The Remote Inlet Air Filter should be placed somewhere dry and not prone to getting wet.
- Mark the spots for the holes with the mounting base as a guide and then drill. Make sure the compressor is secured.
- To enhance performance and make sure the battery of your vehicle doesn’t discharge, keep the engine running while the compressor is being used.
BRAIDED HOSE INSTALLATION
- Connect the stainless steel braided hose of the compressor to the tank’s inlet port.
- IMPORTANT: The tank’s inlet port must be 3/8″ N.P.T. (National Pipe Thread).

REMOTE AIR FILTER INSTALLATION KIT Only use if you need to move compressor’s air intake to an area other than where the compressor was installed.

- Braided Hose Bracket with Self-Anchoring Pin
- 3/8″ NPT Female x 3/8″ Barbed Tube Fitting
- 3/8″ NPT Male x 3/8″ Barbed Tube Fitting
- 3/8″ OD Air Line
- Air Line Clips
- Air Line Clips Screws
- Remote Inlet Air Filter with Filter Element
- Remote Filter Holder with Self-Anchoring Pin
- Filter Elements
- Remote Filter Holder Screws
AIR TANK MOUNTING
- Find a convenient mounting location in your vehicle for the air tank. Ensure ports are reachable before drilling
any holes. - Mark the location of holes using the mounting brackets of the air tank as a template, and then drill to size.
- Using mounting hardware (not provided), secure the air tank.
IMPORTANT: Do not mount on a flexible material. - The installation location of your tank’s accessories depends on your air system’s configuration.
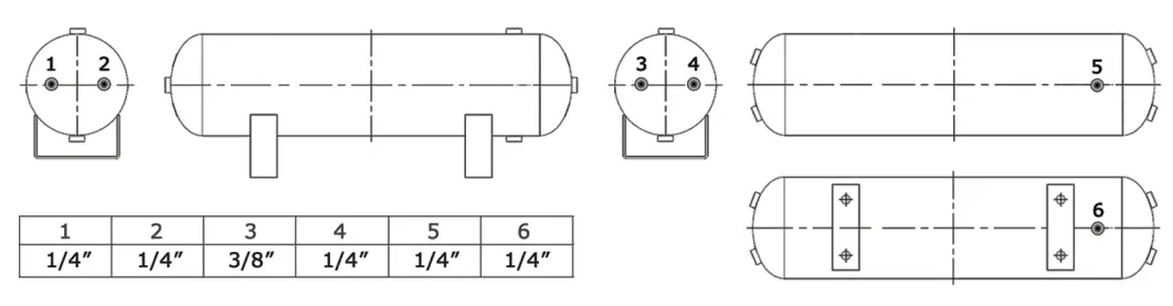
PORT LOCATIONS AND THREAD SIZE (NPT)

PRESSURE SWITCH RATING
The included pressure switch has a rating of 170 PSI ON, 200 PSI OFF. When the air pressure in the air tank is below the preset ON pressure (170 PSI), the compressor will automatically turn on and will start pumping air into the tank. When the pressure reaches the cut OFF pressure (200 PSI), the compressor will be automatically shut off.
AIR PRESSURE GAUGE
- In one of the Air Tank’s 1/4″ NPT ports, using the thread sealant provided, install the air pressure gauge.
- The side or top of the tank is the best location to use as to prevent condensation from entering into the gauge.
- Dropping or disturbing the product can affect the product’s accuracy.
- For best results, the air gauge should be installed perpendicular to the ground, with the zero facing the bottom.
- To tighten the pressure gauge into the air tank, place a wrench over the square wrench flats to tum the gauge. This is the proper way to avoid air leakage or damage.
SAFETY VALVE
Your system comes with a safety valve designed specifically to release pressure from the air tank automatically if 250 PSI is exceeded. This will help prevent an accident in case of pressure switch failure.
DRAIN VALVE
This valve helps you drain the water that can collect in the air tank after long periods of use.
REMOVING CONDENSATION
- To remove any condensation which has accumulated inside the tank, bleed the tank’s pressure until it ranges from approximately 5 PSI to 20 PSI.
- Remove the drain valve found at the tank’s bottom to drain the water from the tank. After draining the accumulated condensation, reinstall the drain valve.
IMPORTANT: Draining the system regularly will extend the life of the air tank.
THREAD SEALANT
Your system includes Premium Thread Sealant, make sure to use it on all thread connections to ensure proper air sealing.
ELECTRICAL CONNECTION
COMPRESSOR
- The red wire of the compressor should be connected to (+) 12-volt power source.
IMPORTANT: To prevent the compressor from over running and possible damage due to an air leak, connect the compressor’s red wire to a power source in the vehicle that only gets power when the vehicle’s ignition is on.
Recommended connection points are: windshield wiper motor, blower motor or an accessory terminal on the fuse panel. Make sure to use wire that is as heavy as the wire of the compressor. - Attach the black wire to any of the Pressure Switch’s connections located on the air tank.
- The remaining Pressure Switch connection should be attached to ground. Secure the end under any metal body or to the negative side of the vehicle’s battery. The ground connection should be rust and paint free. Your compressor is now set for use and will turn on automatically when air pressure in the air tank falls. When air pressure reaches maximum PSI, it will turn off. If the compressor fails to reach the maximum air pressure of the tank, which is the Pressure Switch’s cut OFF pressure, check all air connections for leaks. While the compressor is pumping, use soapy water or any bubble solution to perform this check. In case the leak remains after tightening, re-apply thread sealant.
CAUTION: Never touch fittings, braided hose or the air compressor with bare hands either during or shortly after use.
HORN (SOLENOID) USING NEW HORN BUTTON
- Connect one of the electric valve’s wires to the positive (+) terminal of the battery, alternator, etc. This circuit should be protected using a 10A fuse (not provided).
- Connect the second electric valve wire to one of the Horn Button’s connections. The remaining connection of the Horn Button must be connected to ground.

USING VEHICLE’S HORN SWITCH
- First, determine the switch’s polarity. The horn of most vehicles sends a negative (-) signal which can be confirmed by connecting one of the probes from an ohm meter to the wire of the horn while connecting the other one to ground. The meter should be at zero. This proves that horn circuit is negative (-). In case the meter reads anything other than zero ohms, test for voltage between the wire of the horn and the ground. A 12-volt reading would mean a positive (+) horn circuit.
- Once you know the horn circuit’s polarity, connect any of the solenoid wires to the horn wire.
- If you have a negative horn circuit, connect the remaining solenoid wire to a constant 12-volt power source.
If you have a positive horn circuit, connect the remaining solenoid wire to ground.
MAINTENANCE
- Make sure that electrical and fitting connection are regularly inspected, cleaned and tightened when needed.
- Make sure mounting screws are regularly tightened if needed.
- Drain weekly, to avoid excessive buildup of condensation.
- Compressor features a washable air filter which should be cleaned using any mild form of liquid soap every two months if it gets dusty. Just remove the front cover of the filter’s housing to reach it. Replacement time frames depend on the operating environment and how often it is used.
- Clean dirt and dust from heat spreader and motor housing of the compressor.
- The motor of the air compressor has a maintenance-free lasting lubricant. DO NOT LUBRICATE.
SOLUTIONS TO COMMON ISSUES
- Issue: Compressor inoperable.
- Solution 1: Check all switches to make sure they are ON.
- Solution 2: Check the fuse; if blown, disconnect compressor from power and replace the fuse.
- Solution 3: Allow compressor to cool off for 30-60 minutes.
- Solution 4: Check pressure switch, replace if damaged or inoperable.
Issue: Air horn is inaudible - Solution 1: Check all switches to make sure they are ON.
- Solution 2: Assure air tank is pressurized.
- Solution 3: Check the fuse; if blown, disconnect compressor from power and replace the fuse.
- Solution 4: Examine electrical connection for damage or corrosion, secure electrical connections.
Issue: Excessive moisture in horn or safety valve. - Solution 1: Depressurize and drain the tank.
- Solution 2: Relocate the compressor to a drier location.
Issue: Continual cutting-off of Thermal overload protection. - Solution 1: Relocate the compressor to a drier, cooler location.
- Solution 2: Replace the compressor.
Issue: Excessive vibration or noise - Solution 1: Tighten system components.
- Solution 2: Replace the compressor.
Issue: Loss of pressure of tank when compressor is shut off. - Solution 1: Tighten drain cock.
- Solution 2: Examine air and check valves and replace if damaged or leaking.
- Solution 3: Use soap and water solution on air connections, and tighten connections or repair leaks where needed.
- Solution 4: Replace safety valve, it may be defective.
Issue: Compressor runs continuously and has low air flow. - Solution 1: Decrease the frequency of use.
- Solution 2: Use soap and water solution on air connections, and tighten connections or repair leaks where needed.
- Solution 3: Clean or replace the air filter element if it is clogged.
- Solution 4: Replace the compressor.
Issue: Safety valve trips repeatedly due to overuse - Solution 1: Replace the pressure switch.
- Solution 2: Replace safety valve.






















