
GT9 Pro Two Stroke Petrol Engine
Instruction Manual
GT9-Pro 2-Stroke RC Gasoline Engines
Owner’s Operating Instruction Manual Dear customer:
Thank you for purchasing our new NGH GT9-Pro gasoline engine. Professional GT9 engine has been developed by NGH engineers to offer all hobbyists of small gasoline engines. You will be delighted with the fuel economy, reliability, and power of your GT9-Pro. We hope that you will enjoy your new engine, and have many fun and safe flying experiences with its use.
Safety Instruction and WARNINGS!
Please read the instruction manual to become familiar with the features of the product before operating. Failure to operate the product correctly can result in damage to the product, and personal property and cause serious injury. GT9 engine is NGH R&D manufacturing precision products. It must be operated with caution and common sense and requires some basic mechanical ability. This product is not intended for use by children without direct adult supervision. Don’t attempt disassembly, use with incompatible components, or augment product in any way without the approval of our company. It is to read and follow all the instructions and warnings in the manual, prior to assembly, setup, or use, in order to operate correctly and avoid damage or serious injury.
Age Recommendation: The RC engine is not a toy! Not for children under 15 years.
The engine is designed for use on a model radio control airplane. If it is used for any purpose, we cannot be responsible for its reliability or safety.
- NGH or its dealers aren’t responsible for any loss, injury, or damage resulting from the misuse of the RC engine.
- Keep away from the rotating propeller area while operating the engine.
- Do not wear loose clothing near the engine or the propeller.
- Do not operate the engine near loose material such as dirt, gravel, ropes, sand, etc.
- Always run your model engine in a well-ventilated area. Model engines produce possibly harmful carbon monoxide fumes.
- Always ensure that the propeller is securely attached to the engine shaft and that all retaining fasteners are tightened properly before each flight.
- Always stand clear of and behind the propeller, and ensure the face and body are far away from the propeller blade after trajectory. Never allow anyone, to be in front of or to the sides of the propeller when starting or running the engine.
- Always ensure that small parts in the children can’t touch place to prevent children from swallowing parts;
- Always check the propeller nut tightening.
- Gasoline is extremely flammable. Be careful of any sparks from electrical contacts such as fuel pumps, battery chargers, etc.
- Allow your engine to stop and cool before touching or fueling. The running engine of the surface temperature is high, easy to cause burns and other personal injury.
- Be sure to check whether there are loose bolts before flying. When installing a muffler, the muffler in the threads of the screw into the engine exhaust, until the twist is fixed, it is recommended to use screw glue.
- Ensure the engine and muffler are in the aircraft fairing environment with cold air and make sure the engine is cooling.
Product Specifications:
| Type: 2-Stroke AIR Cooled Gasoline Engine (Only used for fixed-wing aircraft model ) | |
| Volume: 9.0cc | Bore:23.3mm |
| Stroke: 21mm | Carburetor : NGH 20G-Pro Carburetor |
| Mix Output: 1.2 HP/13000rpm | RPM Range: 2300-13500rpm |
| Ignition: NGH automatic advancing angle ignition (RoHS and CE Certified; Rcexl Manufactured) | |
| Ignition Power :DC 4.8V – 8.4V 1000mAH | Spark plug type1/4-32 |
| Fuel: standard 90 octane gasoline + FD 2-stroke oil | Mixing ratio : gasoline : oil = 20:1 |
| Recommended propeller:11×6, 11×7, 12×6(Two blades) | Weight: engine 435g, ignition 100g |
Engine connection:
Following the above pictures, connect the engine, carburetor and oil tank, etc. It is strongly recommended to use high-temperature resistance, gasoline soft tube and its bore diameter is 2 mm. The tube connects with the oil nozzle if necessary use a clamp, let the oil tank farther from the engine and you can wrap the tank with a sponge to prevent the occurrence of air bubbles.
***Must pay attention when installing the propeller blade mat of the magnet relative to the Angle of the top dead center position, the difference between 180 degrees the wrong position can cause the engine not to work.
Carburetor
- Air inlet
- High-speed needle(HSN)
- Low-speed needle(LSN)
- Inlet nozzle
- Suction nozzle
- Throttle control arm
Carburetor initial setup:
HSN LSNidle air inlet setting, please refer to engine fuel system installation schematic diagram . 2
Install the CDI ignition spark plug cap
The hexagon of the spark plug and plug cap need to align and then push down the spark plug cap and clockwise rotation it.
Starting the engine:
- According to the engine connection method, install the engine on an RC airplane. Made the carburetor initial setup and connect the electronic ignition, put the fuel into the oil tank, and connect the power and radio control equipment.
- Will power of the electronic igniter at this time, and make the carburetor inlet port in a fully closed position. Through the motor starter rapidly rotating propeller engine make the fuel in the tank inhalation of the carburetor, please pay attention to the suction of fuel should not be too much, otherwise will drown the spark plug, the engine starts difficult.
- Set up the carburetor idle air inlet, power on the electronic igniter, then start the engine using the motor starter, the engine will begin to work, and the fans will adjust the carburetor according to your own need: Firstly please adjust the high-speed, the high-speed oil needle will along the clockwise from the oil-rich state to the inferior state transition, make the engine work in the stable state of high speed (please note: do not let the engine run boundary for a long time, this is a big damage for engine). Secondly adjust the idle speed, to control the air inlet 1.2mm (about one 5), adjust the idle speed oil needle along the clockwise or counterclockwise direction, and make the engine work in the stable state of idle speed (11* 6 proposed APC propeller idle speed 2300 RPM).
Engine Failure Removal: If the engine is difficult to start, please check: whether the electric circuit and oil line of the engine is trouble, whether the electronic ignition works or idle is rough or its power supply is adequate, and whether the SG spark gap of the spark plug is between 0.6mm and 0.7mm, whether the engine leaks air etc.
Engine Break-in: Please use high-quality synthetic oils, gasoline, and machine oil’s mixing ratio is 20:1 or achieves a higher 25:1, Recommend a smaller size propeller, Keep medium speed running for 15 minutes (no more than 4000rpm) after starting the engine, then high speed running (9000 rpm) for 3 minutes, again medium speed running for 5 minutes, high speed running for 3 minutes, reciprocating 3-5 times complete break-in. Breaking in the engine carefully will increase its life. Please make sure the engine got the complete break-in before you use the larger load propeller.
Engine cooling: If your engine is installed in the fairing, there must be air entering to cool the engine and ensure enough air flowing in the faring. Reference data: To ensure adequate cooling, the exit area is 3-5times bigger than the entrance area.
Engine Maintenance: To reduce fuel consumption, and extend the engine’s life, please adjust the engine’s highest speed and make the engine run at the output maximum speed of 90% once the gas is fully opened. If the load is large (Propeller’s diameter and pitches are big), the fuel must be adequate. If the load is small, the speed will be high while the fuel consumption will be less. Please make sure to empty the carburetor after each flight, or it’ll cause the rubber of the carburetor aging to affect the engine performance. So please clean the carbon deposition on the spark plug and keep the gap from 0.6mm to 0.7mm between the electrodes. If it’s difficult to start the engine, idle is rough or stalls in the high-speed operation, please replace the spark plugs. Please clean the engine surface after use each time, it can make the engine get better cooling. The carburetor may be blocked seriously if you use different brands or types of lubricating oil together, you need select a better fuel filter. If the engine is operated for a long time and at a low speed, it will cause the spark plug to foul. Always check the oil system to make oil proof and gas-proof.
Engine Guarantee: If the NGH engine has performance defects caused by the defects of process, material, and manufacturing, we certify that: Change for free within one year and Guarantee within two years from the date you purchased. Please note the guarantee is only for the original purchaser, not including Normal wear for the engine; damage caused by the failure of maintenance; damage for engine over speed operation caused by using small propeller; Bearing rust; Crash; Use of inappropriate fuel; Damage caused by foreign bodies; Damage caused by the unreasonable installation or operating environment; Damage caused by improper dismantle; Damage caused by any modification.


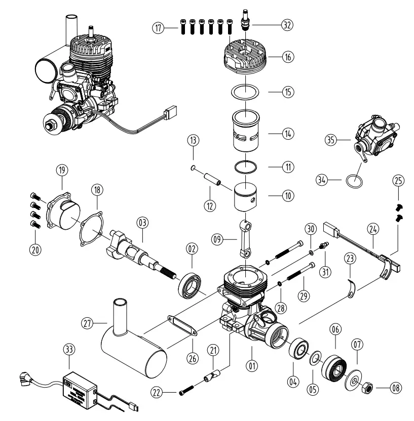
| NO | PART | QTY | DESCRIPTION |
| 26 | 9406 | 1 | |
| 27 | 09400W | 1 | |
| 28 | 6411 | 2 | 3 |
| 29 | 6112 | 2 | M3x35 |
| 30 | 7302 | 1 | |
| 31 | 5001 | 1 | |
| 32 | 9201 | 1 | 1/4″-32 |
| 33 | 9202 | 1 | |
| 34 | 7304 | 1 | |
| 35 | 09200P | 1 | |
| 1 | 09101P | 1 | |
| 2 | 6312 | 1 | (112E7) |
| 3 | 9110 | 1 | |
| 4 | 6311 | 1 | (61M) |
| 5 | 9211 | 1 | |
| 6 | 09150P | 1 | |
| 7 | 9104 | 1 | |
| 8 | 6235 | 1 | 1/4″-28 |
| 9 | 9120 | 1 | |
| 10 | 09141-Z | 1 | |
| 11 | 9143 | 1 | |
| 12 | 9136 | 1 | |
| 13 | 9137 | 1 | |
| 14 | 9142 | 1 | |
| 15 | 9108 | 1 | |
| 16 | 09102P | 1 | |
| 17 | 6103 | 6 | M3x14 |
| 18 | 9107 | 1 | |
| 19 | 09103P | 1 | |
| 20 | 6102 | 4 | M3x8 |
| 21 | 9119 | 1 | |
| 22 | 6101 | 1 | M2.5×16 |
| 23 | 9152 | 1 | |
| 24 | 9103 | 1 | |
| 25 | 9104 | 2 |

Web: www.nghengine.com
E-mail: [email protected]
[email protected]
Skype: blue-sky-tan


















