UNIQUE Bottom Mount Refrigerator Owner's Manual

WELCOME
Congratulations! You have purchased one of the most efficient refrigeration products available on the market today. We are proud of our quality products and we believe in the dependable service we provide. Before using the appliance, read through this manual carefully including all the information on safety, installation, operation, and cleaning. These guidelines do not cover every possible condition or situation that may occur. Be safe using common sense and caution when installing, operating and cleaning this appliance. If you are unsure about any of these instructions or warnings, contact your local product dealer or Unique Appliances for assistance.
NEED HELP?
Before you call for service, here are a few things you can do to help us serve you better.
Read this owner’s manual: It contains instructions to help you use and maintain your appliance properly.
Visit out website: Our website www.UniqueAppliances.com will give you access to self service tools, FAQs and much more.
If you receive a damaged appliance: Immediately contact the retailer that sold you the appliance.
Save time and money: Check the troubleshooting section at the end of this manual before calling. This section will help you solve common problems that may occur.
IMPORTANT SAFETY NOTES
These warnings are provided in the interest of your safety. Please ensure that you understand them all before installing or using this fridge. Your safety is of paramount importance. If you are unsure about any of these meanings or warnings, contact your local product dealer or Unique Appliances for assistance.
IMPORTANT: After transit where the fridge has been on its side or back, ensure that the fridge is in a level, upright position for 12 hours to allow compressor fluids to redistribute evenly before use.
PRIOR TO INSTALLATION
At delivery, please check that the fridge is complete and has not been damaged during transport. It is not advised to connect an appliance that has been damaged, especially damage to the electrical supply cable or refrigerant circuit. In the event of damage please contact your local product dealer or Unique Appliances for assistance.
DANGER
- Risk of fire or explosion. Flammable refrigerant used. Do not puncture refrigerant tubing.
- Do not use mechanical devices to defrost refrigerator.
- Ensure that servicing is done by factory authorized service personnel, to minimize product damage or safety issues.
WARNING
- Keep ventilation openings, in the appliance enclosure or in the built-in structure, clear of obstruction.
- Do not use mechanical devices or other means to accelerate the defrosting process, other than those recommended by the manufacturer.
- Do not damage the refrigerant circuit.
- Do not store explosive substances such as aerosol cans with a flammable propellant in this appliance.
- Do not use other electrical appliances (such as ice cream makers) inside of the refrigerating appliance, unless they are of the type recommended by the manufacturer.
- To avoid an accident from occurring do not hang, swing or pull down on the refrigerator door or handle.
CAUTION
- Risk of fire or explosion. Flammable refrigerant used.
- Consult repair manual or owner’s guide before attempting to service this product. All safety precautions must be followed. Service the fridge/freezer only if you are a trained or authorized refrigeration technician.
- Dispose of properly in accordance with federal or local regulations.
- Follow handling instructions carefully.
IMPORTANT
- To allow the interior to cool down properly, run the fridge for at least 4 hours empty before adding food.
- This fridge is designed for domestic use only! It is intended for the storage of edible/consumable food and drinks. It is not intended for commercial or industrial use.
- Never use excessive force on the handle to open the door.
- If the room/ambient temperature approaches the fridge’s operating temperature, the fridge may not function correctly. If the room/ambient temperature exceeds 100°F (38°C) the fridge may not function correctly.
CHILD SAFETY: Do not allow children to play in, on or around the fridge. It is not a toy. THERE IS A DANGER OF SUFFOCATION IF A CHILD BECOMES TRAPPED INSIDE. When the appliance is not in use, secure or remove the doors to prevent children from playing inside the cabinets.
DANGER
- Risk of child entrapment. Before throwing away an old appliance:
- Remove the door or lid. · Leave shelves in place so that children may not easily climb inside.
- Cleaning and use maintenance shall not be made by children without supervision.
DANGER OF SUFFOCATION: Keep children away from all packaging material.
This appliance is not intended for use by persons (including children) whose physical, sensory or mental capabilities may be different or reduced, or who lack experience or knowledge, unless such persons receive supervision or training to operate the appliance by a person responsible for their safety.
DISPOSING OF THE APPLIANCE
When disposing of your fridge, use an authorized disposal site. The refrigerant must be completely drained and collected by an authorized technician for recycling prior to disposal. Check with your local Environmental Agency for recommendations on recycling this appliance in your area. Before disposal remove the electrical connection wiring and also ensure that the doors are removed to prevent children from being trapped inside – DANGER OF SUFFOCATION!.
This marking indicates that this product should not be disposed with other household wastes throughout North America. To prevent possible harm to the environment or human health from uncontrolled waste disposal, recycle it responsibly to promote the sustainable reuse of material resources.
GROUNDING INSTRUCTIONS
This appliance must be grounded. Grounding reduces the risk of electrical shock by providing an escape wire for the electrical current.
This appliance has a cord that has a grounding wire with a 3-prong plug. The power cord must be plugged into an outlet that is properly grounded. If the outlet is a 2-prong wall outlet, it must be replaced with a properly grounded 3-prong wall outlet. The serial rating plate indicates the voltage and frequency the appliance is designed for.
WARNING – Improper use of the grounding plug can result in a risk of electric shock. Consult a qualified electrician or service agent if the grounding instructions are not completely understood, or if doubt exists as to whether the appliance is properly grounded. Do not connect your appliance to extension cords or together with another appliance in the same wall outlet. Do not splice the power cord. Do not under any circumstances cut or remove the third ground prong from the power cord. Do not use extension cords or ungrounded (two prongs) adapters.
If the power supply cord is damaged, it must be replaced by the manufacturer, its service agent or similar qualified person in order to avoid hazard.
INSTALLATION INSTRUCTIONS
IMPORTANT: After transit where the fridge has been on its side or back, ensure that the fridge is in a level, upright position for 12 hours before connecting the appliance to a power source, this will reduce the possibility of a malfunction in the cooling system from handling during transportation.
UNPACKING AND CLEANING
Remove all packaging and securing tapes from the appliance. To avoid injury and causing damage to the appliance, be extremely cautious when using sharp or pointed tools to complete this task. Keep children away from the packaging material – DANGER OF SUFFOCATION! Wash the inside and outside of the appliance with lukewarm water and a mild soap or detergent. Abrasive or corrosive cleaning agents, steel wool, scouring sponges, or chemical cleaning agents should not be used under any circumstances. A sponge, soft brush or towel is recommended. After cleaning, thoroughly rinse and dry. You may want to leave the doors open allowing the compartments to ventilate for 20-30 minutes to get rid of residual odors. Check with your local Environmental Agency for recommendations on recycling packaging materials in your area.
POSITIONING THE APPLIANCE
The area in which the fridge is to be installed must be relatively cool, dry, and suitably ventilated. The area must be protected against any inclement weather (rain, snow) and excessive surface dust. To ensure proper function, the appliance must be placed on a flat, firm, and stable surface resting level on all four supports. The floor must be strong enough to support a fully loaded cabinet. Use wood or metal shims to level the fridge if necessary. Do not place the appliance in direct sunlight or near sources of heat, such as a stove or heater, as this can increase electrical consumption. Extreme cold ambient temperatures may also cause the appliance to perform improperly.
Do not place the fridge close to heat sources (heater, stove, boiler, chimney, etc.), and avoid prolonged exposure to direct sunlight. This appliance uses the exterior walls to transfer heat from the inside of the cabinet. Ensure that there is adequate space between the fridge and neighboring walls or large objects. A minimum spacing of 3 inches (7.6 cm) is highly recommended. This will provide sufficient airflow around the appliance resulting in more efficient operation and longer appliance lifetime. Always keep the air vent openings of the compressor housing cover free from dust and obstructions. This appliance is intended for free-standing installation only and is not intended to be built into a cabinet or counter.
INSTALLATION
- This appliance is heavy. Care should be taken when moving it.
- Be sure that the appliance does not stand on the electrical supply cable. Also, be sure the electrical cable is not squeezed or bent when the appliance is being installed or moved.
- Do not install the appliance near water, for example in a wet basement or near a sink.
- Installation work and adjustments on the appliance must be carried out by qualified personnel only. Work performed by persons with inadequate technical knowledge may adversely effect the performance of the appliance, causing damage to the equipment, and void the warranty.
- It is dangerous to make alterations or attempt to modify this product in any way. Product alterations will void the warranty.
USE
- This appliance is intended for household use only. It is not designed for outside installation, including anywhere that is not temperature controlled (garages, porches, vehicles, etc.).
- Do not store any containers with flammable vapors or liquids in or around the appliance, such as organic solvents, spray cans, gas cans, etc. Danger of explosion!
CLEANING
- Before cleaning your appliance always disconnect it from the electrical power supply.
- Allow inside of fridge/freezer to fully thaw, then wash the inside and outside of the appliance with lukewarm water and a mild soap or detergent. Abrasive or corrosive cleaning agents, steel wool, scouring sponges, or chemical cleaning agents should not be used under any circumstances.
SERVICING
- This product should be serviced by an authorized technician and only genuine spare parts should be used.
- Under no circumstances should you attempt to repair the appliance yourself unless advised by Unique. Repairs carried out by inexperienced persons may cause injury or serious malfunctioning of the appliance. Unauthorized work may void the warranty.
PRODUCT FEATURES

OPERATION
STARTING THE FRIDGE
After the fridge has been properly connected to a power source, the compressor will automatically turn on and the cabinet will begin cooling. Allow the cabinet to cool for at least 4 hours prior to adding foodstuff.
TEMPERATURE CONTROL
The temperature within the fridge and freezer compartments is controlled by the thermostat situated on the inside ceiling of the fridge compartment.
- The larger numbers indicate the coldest setting.
- The smaller numbers indicate the warmest setting.
When you first start the fridge we suggest that you turn the thermostat to a maximum setting (7) until desired refrigeration temperatures are achieved. The correct internal temperature setting can be found by measuring the temperature of the central or middle portion in the appliance. Internal temperature of the appliance can vary based on ambient temperature, the quantity of items stored and how frequently the door is opened. Note: The fridge will run a few degrees colder at high elevations.

NOTE: Mechanical temperature controller has a + or – , 0.5 range. The fridge will run a few degrees colder at high elevations.
ADJUSTMENTS
As the ambient temperature changes with the season, it may be necessary to adjust the thermostat to achieve the proper internal temperature. If the room/ambient temperature approaches the appliance’s internal operating temperature, the appliance will not function as it should. The appliance will tend to run colder during these conditions and it may be necessary to turn the thermostat to a warmer setting (lower number). If the room/ambient temperature exceeds 100°F (38°C), the appliance will not function as it should. The appliance will tend to run warmer and it may be necessary to turn the thermostat to a colder setting (towards the maximum setting).
INTERIOR LIGHT
The interior LED light is situated on the inside ceiling of the fridge compartment, it will turn on when the door of the appliance is opened and will turn off when the door is closed. If the interior light burns out, contact a certified service technician to have it replaced. Note: The functionality of the appliance is not affected if the light is not working.
LEVELING INSTRUCTIONS
There are adjustable legs on the bottom of the front of the appliance that can be turned up or down to ensure that the appliance is level.
- Turn the leveling leg counter-clockwise as far as it will go, until the top of the foot is touching the bottom of the cabinet.
- Slowly turn the leveling leg clockwise until the appliance is level.
OPENING AND CLOSING THE DOOR
The doors are fitted with uniform sealing strips to prevent warm air and moisture from entering the fridge and freezer compartments. Be sure that the doors and door seals are free from obstructions and form a complete seal around the rim of the fridge/freezer cabinets. Over-stuffing and/or unlevel installation of the appliance will prevent a good seal. It might be hard to open the door immediately after the door is closed. This is due to air contraction in the fridge/freezer cabinets. This pressure difference will equalize in a few seconds, making the doors easy to open once again.
LOADING THE FRIDGE AND FREEZER
Avoid packing food too tightly around the cooling plates located on the back wall of the fridge/ freezer. Allow air flow around these plates to ensure proper operation. When adding unfrozen food to the freezer for the first time, fill the freezer only 1/3 full and wait until that food is sufficiently frozen before adding more. It will also help to cool food more quickly if the food is packaged in smaller containers rather than large ones. Food packages more than 2 inches thick will cool slowly. Avoid placing warm food in contact with cold food.
NORMAL OPERATING SOUNDS
- You may hear faint gurgling or bubbling sounds when the refrigerant is being pumped through the refrigerant coils.
- When the compressor is on, the refrigerant is being pumped through the appliance and you will hear a whirring or pulsing sound from the compressor.
- A thermostat controls the compressor and you may hear a `click’ when the thermostat cuts in and out.
DEFROSTING
IMPORTANT: Before cleaning or repositioning the fridge, you must DISCONNECT the appliance from the electrical power supply.
DEFROSTING THE UNIT
NOTE: Unique Appliance’s fridges are some of the most efficient refrigeration products available in the market today. In order for our fridges to do that they do not have an “Auto Defrost” option to further aid in their ability to be so energy efficient. Below we have outlined a few steps which can be taken to effectively manually defrost your appliance with ease.
Over time the fridge compartment will become progressively covered with frost. This should be removed periodically with the provided plastic scraper. However, when the ice becomes very thick on the interior walls, complete defrosting should be carried out. Perform this operation when the appliance is empty and disconnected from the power supply.
NEVER USE SHARP METAL TOOLS TO SCRAPE OR CHIP OFF FROST FROM THE INTERIOR COMPARTMENT AS THIS COULD DAMAGE THE APPLIANCE BEYOND REPAIR. DO NOT USE HEAT SOURCES SUCH AS ELECTRIC OR GAS HEATERS TO COMPLETE THE DEFROST PROCESS.
To perform a complete defrost follow the steps below:
- Disconnect the appliance from the electrical supply.
- Remove any stored food and store in coolers, or wrap in several layers of newspaper and store in a cool place.
- Leave the doors open.
- Plug the defrost water drain located in the bottom interior of the cabinet using a rag.
- To accelerate the defrosting process, place a bowl of hot (not boiling) water inside the fridge and/or freezer compartments and close the door.
- When defrosting is complete, wash and dry the interior thoroughly.
- Reconnect the appliance to the electrical supply and leave running (while empty) for at least 2 hours allowing the interior to cool sufficiently.
- Reload the fridge and freezer with the previously removed food.
ATTENTION: Partial thawing of frozen food during defrosting may shorten its safe storage life-span.
WATER CATCH BASIN
There is a water catch basin located at the back of the fridge for excess water. When defrosting water will flow from the fridge compartment through the defrost water drain down into the catch basin. The hot condenser coil runs into the water catch basin and evaporates the water slowly:
NOTE: Take notice when doing a complete defrost as the water catch basin could overfill with large volumes of water going in the water catch basin all at once.

CARE AND MAINTENANCE
INTERNAL CLEANING
Wash the inside of the appliance with lukewarm water and a mild soap. Never use abrasive or corrosive cleaning agents, steel wool, scouring sponges, chemical cleaning agents, or highly perfumed cleaning products to clean the interior as these will damage the surface and leave behind a strong odor. A sponge, towel, or soft brush is recommended. Wash with a mixture of two tablespoons (30ml) of baking soda to 1 quart (1.14L) warm water. After cleaning, wipe all surfaces with a soft cloth and clean water to rinse, and allow the fridge/freezer to dry.
EXTERNAL CLEANING
Wash the outside of the cabinet with warm water and a mild soap or detergent. Do not use abrasive or corrosive cleaning agents, chemical cleaning agents, steel wool or scouring sponges to clean the fridge as it may cause damage to the surfaces.
POWER FAILURE
Most power failures are corrected within a few hours and should not affect the internal temperature of the appliance if the number of times the door is opened is kept to a minimum. If the power is going to be off for a longer period of time, take the proper steps to protect the contents.
Note: Wait 3 to 5 minutes before attempting to restart the refrigerator if operation has been interrupted.
VACATION
- Short vacations: Leave the appliance operating during vacations of less than three weeks.
- Long vacations: If the appliance will not be used for several months, remove all items and disconnect the appliance from its power source. Clean and dry the interior thoroughly. To prevent odor and mold growth, leave the door open slightly, blocking it open if necessary.
MOVING
- Remove all items.
- Tape down shelves inside the appliance.
- Turn the adjustable leg up to the base to avoid damage.
- Tape the door shut.
- Be sure the appliance stays in the upright position during transportation. Protect the outside of the appliance with a blanket.
- If the appliance is placed on its back or side during transportation, upon reaching the destination, allow it to remain upright for 6 hours before plugging in to avoid damage to internal components.
CUSTOMER RESPONSIBILITIES
The following items are the responsibility of the customer and are not covered by the warranty:
- Proper care and use of the appliance as described in this manual.
- Damage to the interior or exterior finish or components after delivery.
- Proper power supply, circuit breaker, wiring, and connections.
- Replacement of LED lights. – Contact Unique’s technical service department for instructions on how to fix the issue.
- Service required as a result of alteration, misuse, abuse, flooding, fire, lightning, or other acts of God.
ENERGY SAVING TIPS
- Do not install the fridge close to sources of heat, such as a stove, boiler, heater, chimney, etc, and avoid exposure of the appliance to direct sunlight.
- Locate the appliance in a cool well-ventilated room and make sure that the air vents of the compressor housing cover are not obstructed. Also allow adequate spacing around the cabinet for air circulation (3″ or 7.5 cm)
- Avoid unnecessary frosting in the cabinet by packing all food and liquids in airtight packages or containers.
- Always keep food stored in tightly sealed packaging or containers, and allow some space for air to circulate around each item.
- Avoid keeping the door open for extended periods of time or opening the door too frequently as warm air will enter the cabinet and cause the compressor to run unnecessarily often.
- Ensure there are no obstructions preventing the doors from closing properly and forming a tight seal.
- To ensure a safe food storage temperature, maintain an operating temperature inside the fridge cabinet of 2°C/36°F to 4°C/39°F. Fridge temperatures warmer than 4°C/39°F can promote unsafe bacterial growth in food.
TROUBLESHOOTING

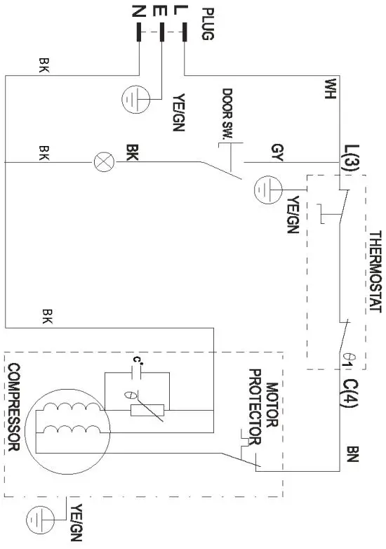
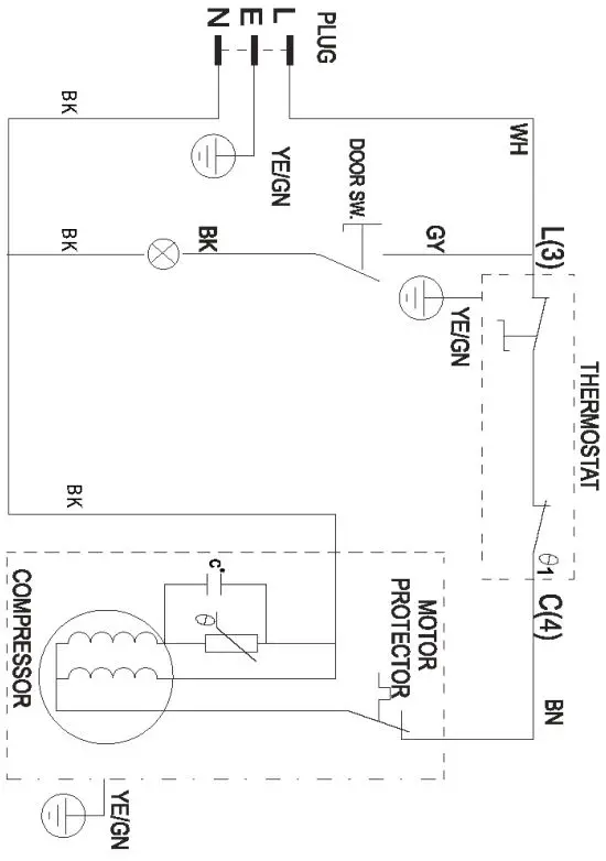
ELECTRICAL DIAGRAM

PARTS DIAGRAM & LIST

Please visit our website www.uniqueappliances.com to view a PDF version of the schematics which will allow you to zoom in and out
WARRANTY
Unique Appliances Ltd. (hereafter “Unique”) warrants that this UNIQUE fridge is free from manufacturer’s defects in material and workmanship under normal usage and service under the following terms.
TERMS OF WARRANTY
Plastic parts are warranted for thirty (30) days from the date of purchase, with no extensions provided.
Parts Warranty
This appliance has been designed for domestic household use. If properly installed, adjusted and operated under normal conditions in accordance with printed instructions, it will satisfactorily perform the functions that are generally expected of this type of appliance.
If the appliance fails to do so because of a defect in material or workmanship within one year from the original date of purchase: Unique will at our option, repair, exchange, or correct by other means Unique consider appropriate, any part(s) Unique finds to be defective except for the surface finish.
Ownership
This Warranty is made only to the first purchaser (“original purchaser”) who acquires this fridge for his/her own use and will be honored by Unique Appliances Ltd. and by the Seller. Purchaser must retain their receipt as proof of purchase date.
Warranty Conditions
This warranty does not apply to any appliance that has been subjected to alterations, misuse, abuse (including damage by foreign agents or chemicals), accident, improper installation or service, delivery damage, or other than normal household use and service. This UNIQUE appliance must be serviced regularly as outlined in the Owner’s Manual. Neither Unique Appliances Ltd. nor the selling dealer will be liable for direct or indirect loss of foods caused by failure in operation. In case of damage, the owner must provide proof of purchase, Model, and Serial Number to the selling dealer or Unique Appliances Ltd. This warranty is LIMITED STRICTLY to the terms indicated herein, and no other expressed warranties or remedies thereunder shall be binding on Unique.
Purchaser’s Responsibilities
The purchaser will be responsible for the costs of any service calls requested to demonstrate or confirm the proper operation of the appliance, the installation, or to correct malfunctions in the appearance created by the operation of the appliance in a manner not prescribed by or cautioned against in the use and care instructions.
Model and Serial Number
The appliance model number and serial number can be found on a rating plate attached on the inside of the fridge. The purchaser should always refer to the model and serial number when talking to or contacting the dealer from whom the appliance was purchased.
EXCLUSIONS
Save as herein provided, by Unique, there are no other warranties, conditions, representations or guarantees, express or implied, made or intended by Unique or its authorized distributors and all other warranties, conditions, representations or guarantees, including any warranties, conditions, representations or guarantees under any Sale of Goods Act or like legislation or statute is hereby expressly excluded. Save as herein provided, Unique shall not be responsible for any damages to persons or property, including the unit itself, howsoever caused or any consequential damages arising from the malfunction of the unit and by the purchase of the unit, the purchaser does hereby agree to indemnify and hold harmless Unique from any claim for damages to persons or property caused by the unit.
Removal or disfigurement of the serial plate will void the warranty. The purchaser will be responsible for any expenses involved in making the refrigerator readily accessible for servicing. The purchaser will be responsible for any extra charges where the installation is in a remote location such as un-assumed roads, islands, areas known as cottage country, more than 20 Km outside a Metropolitan area, or where a technician is not available. Freight damage is not covered by this warranty.
GENERAL PROVISIONS
No warranty or insurance herein contained or set out shall apply when damage or repair is caused by any of the following:
- Power failure.
- Damage in transit or when moving the appliance.
- Improper power supply such as low voltage, defective house wiring or inadequate fuses.
- Accident, alteration, abuse or misuse of the appliance such as inadequate air circulation in the room or abnormal operating conditions (ie. extremely high or low room temperature).
- Use for commercial or industrial purposes (ie. If the appliance is not installed in a domestic residence).
- Fire, water damage, theft, war, riot, hostility, acts of God such as hurricanes, floods etc.
- Service calls resulting in customer education.
- Improper Installation (ie. Building-in of a free standing appliance or using an appliance outdoors that is not approved for outdoor
application, including but not limited to: garages, patios, porches or anywhere that is not properly insulated or climate controlled). Proof of purchase date will be required for warranty claims; retain bills of sale. In the event that warranty service is required, present the proof of purchase to our authorized service depot.
Nothing within this warranty shall imply that Unique will be responsible or liable for any spoilage or damage to food or other contents of this appliance, whether due to any defect of the appliance, or its use, whether proper or improper
Factory Assistance
If the purchaser is unable to locate an authorized dealer/service agent, or if the purchaser does not receive satisfaction from the dealer, they may contact Unique Appliances Customer Service directly at Toll Free 1-877-427-2266 or 905-827-6154
APPLIANCE INFORMATION

PRODUCT REGISTRATION
Please visit our website at https://uniqueappliances.com/product-registration/ to register your product.
CONTACT US
For questions related to the operation, safety or the purchase of your fridge, please contact your dealer for more information. For general information, contact our customer service department:
Email
[email protected]
Toll-free
1-877-427-2266 or 1-905-827-6154 available during regular business hours, 8:30 am to 4:30 pm, EST.
Website
www.uniqueappliances.com

©2021 Unique Appliances Ltd., 2245 Wyecroft Road #5,
Oakville, Ontario, Canada, L6L 5L7
www.UniqueAppliances.com


















