DeLonghi Dual Fuel Cooker Instructions

Dear Customer,
Thank you for having purchased and given your preference to our product.
The safety precautions and recommendations reported below are for your own safety and that of others. They will also provide a means by which to make full use of the features offered by your appliance.
Please keep this booklet in a safe place. It may be useful in future, either to yourself or to others in the event that doubts should arise relating to its operation.
This appliance must be used only for the task it has explicitly been designed for, that is for cooking foodstuffs. Any other form of usage is to be considered as inappropriate and therefore dangerous.
The manufacturer declines all responsibility in the event of damage caused by improper, incorrect or illogical use of the appliance or be faulty installation.
This appliance has been designed and constructed in accordance with the following codes and specifications:
AS 5263.0
AS/NZS 5263.1.1
Approval Requirements for Domestic Gas cooking appliances
AS/NZS 60335.1
Household and similar electrical appliances – Safety General requirements
AS/NSZ 60335.2.6
Safety Particular requirements for stationary cooking ranges, hobs, ovens and similar appliances
AS/NZS CISPR 14.1
Electromagnetic Compatibility Requirements
PRODUCT LABEL
IMPORTANT SAFETY PRECAUTIONS AND RECOMMENDATIONS
IMPORTANT: This appliance is designed and manufactured solely for the cooking of domestic (household) food and is not suitable for any non domestic application and therefore should not be used in a commercial environment. The appliance guarantee will be void if the appliance is used within a non domestic environment i.e. a semi commercial, commercial or communal environment.
Read the instructions carefully before installing and using the appliance.
- This appliance has been designed and manufactured in compliance with the applicable standards for the household cooking products and it fulfills all the safety requirements shown in this manual, including those for surface temperatures. Some people with sensitive skin may have a more pronounced temperature perception with some components although these parts are within the limits allowed by the norms. The complete safety of the appliance also depends on the correct use, we therefore recommend to always pay a extreme attention while using the product, especially in the presence of children.
- After having unpacked the appliance, check to ensure that it is not damaged and that the oven door closes correctly. In case of doubt, do not use it and consult your supplier or a professionally qualified technician.
- Packing elements (i.e. plastic bags, polystyrene foam, nails, packing straps, etc.) should not be left around within easy reach of children, as these may cause serious injuries.
- Some appliances are supplied with a protective film on steel and aluminum parts. This film must be removed before using the appliance.
- IMPORTANT: The use of suitable protective clothing/gloves is recommended when handling or cleaning this appliance.
- Do not attempt to modify the technical characteristics of the appliance as this may become dangerous to use.
- The manufacturer declines all responsibility for any inconvenience resulting from the inobservance of this condition.
- CAUTION: this appliance must only be installed in a permanently ventilated room in compliance with the applicable regulations.
- Do not operate your appliance by means of an external timer or separate remote-control system.
- Do not carry out cleaning or maintenance operations on the appliance without having previously disconnected it from the electric power supply.
- WARNING: Ensure that the appliance is switched off before replacing the oven lamp to avoid the possibility of electric shock.
- Do not use a steam cleaner because the moisture can get into the appliance thus make it unsafe.
- Do not touch the appliance with wet or damp hands (or feet).
- Do not use the appliance whilst in barefoot.
- If you should decide not to use this appliance any longer (or decide to substitute another model), before disposing of it, it is recommended that it be made inoperative in an appropriate manner in accordance to health and environmental protection regulations, ensuring in particular that all potentially hazardous parts be made harmless, especially in relation to children who could play with unused appliances.
- The various components of the appliance are recyclable. Dispose of them in accordance with the regulations in force in your country. If the appliance is to be scrapped, remove the power cord.
- After use, ensure that the knobs are in the off position. Children less than 8 years of age shall be kept away unless continuously supervised.
- This appliance can be used by children aged from 8 years and above and persons with reduced physical, sensory or mental capabilities or lack of experience and knowledge if they have been given supervision or instruction concerning use of the appliance in a safe way and understand the hazards involved. Children shall not play with the appliance. Cleaning and user maintenance shall not be made by children without supervision.
- The manufacturer declines all liability for injury to persons or damage to property caused by incorrect or improper use of the appliance.
- WARNING: During use the appliance and its accessible parts become hot; they remain hot for some time after use.
- Care should be taken to avoid touching heating elements (on the hob and inside the oven).
- The door is hot, use the handle.
- To avoid burns and scalds, young children should be kept away.
- Make sure that electrical cables connecting other appliances in the proximity of the cooker cannot come into contact with the hob or become entrapped in the oven door.
- WARNING: Unattended cooking on a hob with fat or oil can be dangerous and may result in fire. NEVER try to extinguish a fire with water, but switch off the appliance and then cover flame e.g. with a lid or a fire blanket.
- WARNING: Danger of fire: do not store items on the cooking surfaces.
- DO NOT USE OR STORE FLAMMABLE MATERIALS IN THE APPLIANCE STORAGE COMPARTMENT OR NEAR THIS APPLIANCE.
- DO NOT SPRAY AEROSOLS IN THE VICINITY OF THIS APPLIANCE WHILE IT IS IN OPERATION.
- DO NOT MODIFY THIS APPLIANCE.
- THIS APPLIANCE SHALL NOT BE USED AS A SPACE HEATER.
- WHERE THIS APPLIANCE IS INSTALLED IN MARINE CRAFT OR IN CARAVANS, IT SHALL NOT BE USED AS A SPACE HEATER.
- WARNING: When correctly installed, your product meets all safety requirements laid down for this type of product category. However special care should be taken around the rear or the underneath of the appliance as these areas are not designed or intended to be touched and may contain sharp or rough edges, that may cause injury.
- FIRST USE OF THE OVEN – it is advised to follow these instructions:
- Furnish the interior of the oven as described in the chapter “USE AND CARE”.
- Switch on the empty oven on max to eliminate grease from the heating elements.
- Disconnect the appliance from the electrical power supply, let the oven cool down and clean the interior of the oven with a cloth soaked in water and neutral detergent; then dry carefully.
- CAUTION: Do not use harsh abrasive cleaners or sharp metal scrapers to clean the oven door glass since they can scratch the surface, which may result in shattering of the glass.
- Do not line the oven walls with aluminum foil. Do not place baking trays or the drip tray on the base of the oven chamber.
- FIRE RISK! Do not store flammable material in the oven or in the storage compartment.
- Always use oven gloves when removing the shelves and food trays from the oven whilst hot.
- Do not hang towels, dishcloths or other items on the appliance or its handle as this could be a fire hazard.
- Clean the oven regularly and do not allow fat or oils to build up in the oven base or tray. Remove spillages as soon as they occur.
- Do not stand on the cooker or on the open oven door.
- Always stand back from the appliance when opening the oven door to allow steam and hot air to escape before removing the food.
- SAFE FOOD HANDLING: Leave food in the oven for as short a time as possible before and after cooking. This is to avoid contamination by organisms which may cause food poisoning. Take particular care during warmer weather.
- WARNING: Take care NOT to lift the cooker by the door handle.
- CAUTION: The cooking process has to be supervised. A short term cooking process has to be supervised continuously.
- The appliance must not be installed behind a decorative door in order to avoid overheating.
- The oven accessories (e.g. oven wire rack) must be fitted correctly as indicated at page 17.
- If the power supply cable is damaged, it must be replaced only by an authorized service agent in order to avoid a hazard.
INSTALLATION
CAUTION:
- This appliance must be installed according to AS/NZS 5601.1 (latest edition).
- This appliance must be installed in accordance with these installation instructions.
- This appliance shall only be serviced by authorized personnel. This appliance is to be installed only by an authorized person in compliance with the current electrical regulations and in observation of the instructions supplied by the manufacturer. Failure to comply with this condition will render the guarantee invalid.
- Incorrect installation, for which the manufacturer accepts no responsibility, may cause personal injury of damage.
- Always disconnect the appliance from mains power supply before carrying out any maintenance operations or repairs.
- In the room where the cooker is installed, there must be enough air to allow the gas to burn correctly, according to the current local regulations.
ELECTRICAL REQUIREMENTS
- The appliance must be connected to the mains checking that the voltage corresponds to the value given in the rating plate and that the electrical cable sections can withstand the load specified on the plate.
- This cooker must be connected to a suitable double pole control unit adjacent to the cooker. No diversity can be applied to this control unit.
- A suitable disconnection switch must be incorporated in the permanent wiring, mounted and positioned to comply with the local wiring rules and regulations. The switch must be of an approved type installed in the fixed wiring and provide a 3 mm air gap contact separation in all poles in accordance with the local wiring rules.
In Australia and New Zealand, a switch of the approved type with a 3 mm air gap must be installed in the active (phase) conductor of the fixed wiring. - Once the appliance has been installed, the switch must always be accessible. To connect the cooker to the mains, do not use adapters, reducers or branching devices as they can cause overheating and burning. The power supply cable must not touch the hot parts and must be positioned so that it does not exceed 50°C above ambient.
- If the supply cord is damaged it must be replaced by the manufacturer or it’s Service Agent or a similarly qualified person in order to avoid a hazard.
WARNING: This cooker must be connected to electrical supply using V105 insulated cable (size: 3 x 1.5 mm2).
N.B. The connection of the appliance to earth is mandatory.
If the installation requires alterations to the domestic electrical system call a qualified electrician. He should also check that the domestic electrical system is suitable for the power drawn by the appliance.
Appliance power rating: 220-240 V 50 Hz 3500 W, 15.21 A (@230 V)
Replacing the power cord must be done by a qualified electrician in accordance with the instructions supplied by the manufacturer and in compliance with established electrical regulations.
CLEARANCES
Installation clearances and protection of combustible surfaces shall comply with the current local regulations eg. AS/NZS5601.1 (latest edition) Gas Installations code. Installation shall comply with the dimension in fig. 1a bearing in mind that.
Overhead Clearances
In no case shall the clearances between the highest part of the cooker be less than 650 mm or for an overhead exhaust fan 750 mm. AII other downward facing combustible surfaces less than 650 mm above the cooker surface shall be protected for the full width of the cooking surface in accordance with the standards noted above. In no case shall the clearance be less than 450 mm.
Rear and Side Clearances
Where the dimensions from the periphery of the nearest burner to any vertical combustible surface is less than 200 mm the surface shall be protected in accordance with the standards to a height of not less than 150 mm above the cooking surface for the full width or depth of the cooking surface.
Where the dimensions from the periphery of the nearest burner to any horizontal combustible surface is less than 200 mm, the horizontal surface shall be greater than 10 mm below the surface of the hob, or the horizontal surface requirement above.
Protection of combustible surfaces
The standards above specify that where required protection shall ensure that the surface temperature of the combustible surface does not exceed 65 °C above room temperature. Do not install the cooker near flammable materials (eg curtains).
If the cooker is located on a pedestal it is necessary to provide safety measures to prevent falling out.
GAS AND ELECTRIC CONNECTION

FITTING THE ADJUSTABLE FEET
The adjustable feet must be fitted to the base of the cooker before use (figs. 3, 4). Rest the rear of the cooker on a piece of the polystyrene packaging exposing the base for the fitting of the feet.
Fit the no. 4 (four) legs by screwing them tight into the support base as shown in figure 4.
LEVELLING THE COOKER
The cooker may be levelled by screwing the lower ends of the feet IN or OUT (fig. 5).

MOVING THE COOKER
WARNING: When raising cooker to upright position always ensure two people carry out this maneuver to prevent damage to the adjustable feet (fig. 6a). 
WARNING – Be careful: Do not lift the cooker by the door handle when raising to the upright position (fig. 6b).

WARNING: When moving cooker to its final position DO NOT DRAG (fig. 6c). Lift feet clear of floor (fig. 6a).

ANTI-TILT BRACKET

Important! To restrain the appliance and prevent it tipping accidentally, fit a bracket to its rear to fix it securely to the wall. Make sure you also fit the supplied lock pin to the anti-tilt bracket.
To fit the anti-tilt bracket:
- After you have located where the cooker is to be positioned, mark on the wall the place where the two screws of the anti-tilt bracket have to be fitted. Please follow the indications given in fig. 7.

- Drill two 8 mm diameter holes in the wall and insert the plastic plugs supplied.
Important! Before drilling the holes, check that you will not damage any pipes or electrical wires. - Loosely attach the anti-tilt bracket with the two screws supplied.
- Move the cooker to the wall and adjust the height of the anti-tilt bracket so that it can engage in the slot on the cooker’s back, as shown in fig. 7.
- Tighten the screws attaching the antitilt bracket.
- Push the cooker against the wall so that the anti-tilt bracket is fully inserted in the slot on the cooker’s back.
- Access the bracket and fit the lock pin:
- Open the pivoting panel (fig. 8).

- Fit the lock pin through the bracket, as shown (fig. 9).

- Close the pivoting panel.
- Open the pivoting panel (fig. 8).
GAS SUPPLY
- The connection must be performed by an authorized person according to the relevant standards.
- Before connecting the appliance to the gas main, mount the brass conical adaptor onto the gas inlet pipe, upon which the gasket has been placed (figs. 10 – 11).
- Conical adaptor and gasket are supplied with the appliance (packed with conversion kit for use with Natural gas or ULPG).
- This appliance is suitable for use with Natural Gas or ULPG (Check the “gas type” sticker attached to the appliance).
- For Natural Gas models the gas supply is connected to the pressure regulator which is supplied with the appliance (fig. 11). Adjust the regulator to obtain a test point pressure of 1 kPa with the two semi-rapid (SR) burners operating at maximum.
- For ULPG models the gas supply is connected to the test point adaptor which is supplied with the appliance (fig. 10) and ensure that the supply pressure is regulated to 2.75 kPa.
- The connection must be made at the rear of appliance (left or right); the pipe does not cross the cooker (fig. 12).
- The inlet not used must be closed off with the cap and sealing gasket supplied.
- IMPORTANT: Use two spanners to tighten or loosen the connecting pipe (fig. 13).
INSTALLATION WITH A FLEXIBLE HOSE ASSEMBLY
- If this appliance has to be installed with a hose assembly, the installer shall refer to the network operator or gas supplier for confirmation of the gas type, if in doubt.
- When used with a flexible hose, the connector on the wall should be between 450 mm to 500 mm from the floor and 200 mm to 300 mm from the left-hand side of the appliance as viewed from the front. The hose connection on the appliance shall face downwards.
- It is important that the hose does not come in contact with the metal of the appliance and is secured as per appropriate gas installation codes.
- A chain 80% of the length of the flexible gas hose must be used to prevent stress being applied to the hose. The chain should be attached securely to the product where shown, and on the wall.
- Flexible hose assemblies should be AS/NZS 1869 Class B or Class D certified. The thread connection shall be Rp ½” (ISO 7-1) male.
- IMPORTANT WARNING: After connection the installer must check that the hose is not kinked, subjected to abrasion or permanently deformed. The installer must check also that the hose is not near (or in contact) with any hot surfaces.
- The hose assembly shall be as short as practicable and comply with relevant AS5601 / NZS5261 requirements.
LEAK-TESTING AND FLAME-TESTING THE COOKER
- After connecting the gas supply, check the piping and connections for leaks using a soap and water solution. The presence of bubbles indicates a leak, tighten or replace connections as appropriate.
Warning: Do not use any naked flame to check for leaks.
- Adjust the test point pressure or supply pressure to the value which is appropriate for the gas type.
- The operation of the appliance must be tested when installation is completed.
- Turn on the appliance gas controls and light each burner individually and in combination. Check for a well defined blue flame without any yellow tipping. If any abnormality is evident then check that the burner cap is located properly and the injector nipple is aligned correctly.
- Check the minimum burner setting by quickly rotating the gas control knob from the maximum to the minimum position, the flame must not go out. If adjustment is required carry out the “MINIMUM BURNER SETTING ADJUSTMENT” procedure described following.
- If satisfactory performance cannot be obtained, the installer shall check the installation and notify the local gas supply authority for a gas supply problem, or if it is an appliance problem, our Customer Service Centre should be called to obtain the nearest authorized Elba Appl. AUS Service Agent.
CONVERSION PROCEDURE (TO CONVERT TO NATURAL GAS OR TO ULPG) REPLACING THE INJECTORS
This appliance is suitable for use with Natural gas or ULPG (check the “gas type” sticker attached to the appliance). A label stating the type of gas used after replacing the injectors must be attached at the rear of the appliance, in proximity of the gas inlet connection. The nominal gas consumption and injector size details are provided in table at page 16.
To replace the injectors proceed as follows:
- Remove pan supports and burners from the cooktop.
- Using a spanner, remove the injectors “J” (figs. 14a, 14b) and replace them with ones according to the gas type (see following table – page 16).
- Adjust the minimum burner setting (see “MINIMUM BURNER SETTING ADJUSTMENT” procedure described following).
- The cooktop burners are designed so that regulation of primary air is not required.
- Affix to the rear of the appliance, in proximity of the gas inlet connections, the warning label (supplied with the conversion kit) stating that the cooker has been converted for use with ULPG / Natural gas.
IMPORTANT
- If the cooker is suitable for use with Natural gas and must be converted for use with ULPG, before connecting to the gas mains remove the appliance gas regulator and replace with test point adaptor (see figs. 10 – 11).
- If the cooker is suitable for use with ULPG and must be converted for use with Natural gas, before connecting to the gas mains remove the appliance test point adaptor and replace with gas regulator (see figs. 10 – 11).
NOTE: Gas regulator and test point adaptor are supplied with the appliance (packed with conversion kit).

MINIMUM BURNER SETTING ADJUSTMENT
Check whether the flame spreads to all burner ports when the burner is lit with the gas tap set to the minimum position. If some ports do not light, increase the minimum gas rate setting. Check whether the burner remains lit even when the gas tap is turned quickly from the maximum to the minimum position. If the burner does not remain lit, increase the minimum gas rate setting. The procedure for adjusting the minimum gas rate setting is described below.
Auxiliary, semi-rapid, rapid and triple-ring burners:
- Light the burner.
- Set the gas valve to the “minimum rate” position.
- Remove the knob.
- Using a screwdriver turn the screw “F1” until adjustment is correct (fig. 15).
Normally for ULPG, the regulation screw is tightened up.

TABLE FOR THE CHOICE OF THE INJECTORS

LUBRICATION OF THE GAS VALVES
If a gas valve becomes stiff, it is necessary to dismantle it carefully and clean it with petroleum spirit. Specialist high temperature resistant grease should be used to lubricate the valve before replacing. The operations must be carried out by an authorised person/service agent.
USE AND CARE
CAUTION:
- This appliance must be used only for the task it has explicitly been designed for, that is for domestic cooking of foodstuffs. Any other form of usage is to be considered as inappropriate and therefore dangerous.
- Do NOT place combustible materials or products on this appliance at any time.
- Do NOT use or store flammable materials in the appliance storage compartment or near this appliance.
- WARNING: Accessible parts will become hot when in use. To avoid burns and scalds, young children should be kept away.
- Do NOT spray aerosols in the vicinity of this appliance while it is in use.
- Do NOT modify this appliance.
USING THE OVEN FOR THE FIRST TIME
Operate as follows:
- Fit the side runner frames “G” into the holes on the side walls inside the oven (fig. 16).

- If available, slide in the grease filter on the back of the oven as in fig. 19. The grease filter is not supplied with this appliance but can be purchased separately.
- Slide in, on the guides, the shelf and the tray (fig. 17).

- The rack must be fitted so that the safety notch, which stops it sliding out, faces the inside of the oven; the guard rail shall be at the back.
- The oven tray must be correctly placed on its wire shelf support (fig. 18) then inserted into the guides (fig. 17). The oven tray shelf support must be fitted so that the safety notch, which stops it sliding out, faces the inside of the oven.

- To eliminate traces of grease in manufacture it is necessary to preheat the oven at the maximum temperature:
- for 60 minutes in the position, and for another 15 minutes in the position.
- Slide off the wire racks to the oven wall as in fig. 16.
- Let the oven cool down, switch off the electrical supply, then clean the inside of the oven with a cloth soaked in water and neutral detergent and dry thoroughly.
GREASE FILTER (OPTIONAL COMPONENT, CAN BE PURCHASED SEPARATELY)
- A special screen can be fitted at the back of the oven to catch grease particles, mainly when meat is being roasted. Slide in the grease filter on the back of the oven as in fig. 19.
- Clean the filter after any cooking!
The grease filter can be removed for cleaning and should be washed regularly in hot soapy water. Always clean the filter after cooking as any solid residues on it might adversely affect the oven performance. - Always dry the filter properly before fitting it back into the oven.
CAUTION: When baking pastry etc. this filter should be removed.

TELESCOPIC SLIDING SHELF SUPPORTS
The telescopic sliding shelf supports make it safer and easier to insert and remove the oven shelves and trays. They stop when they are pulled out to the maximum position.
Important! When fitting the sliding shelf supports, make sure that you fit:
- The slides to the top wire of a rack. They do not fit on the lower wire.
- The slides so that they run out towards the oven door.
- Both sides of each pair of shelf slides.
- Both sides on the same level.
To fix the sliding shelf supports onto the side racks:
- Fit the side runner frames (interposing the catalytic panels) into the holes on the side walls inside the oven (fig. 16).
- Fit the sliding shelf supports onto the top wire of a rack and press (fig. 20). You will hear a click as the safety locks clip over the wire.

To remove the telescopic sliding shelf supports:
- Remove the side racks and the catalytic liners.
- Lay down the telescopic sliding shelf support and side racks, with the telescopic sliding shelf support underneath.
- Find the safety locks. These are the tabs that clip over the wire of the side rack (arrow 1 in fig. 21).
- Pull the safety locks away from the wire to release the wire (arrow 2 in fig. 21).

Cleaning the sliding shelf supports:
- Wipe the supports with a damp cloth and a mild detergent only.
- Do not wash them in the dishwasher, immerse them in soapy water, or use oven cleaner on them.
CONTROL PANEL

Controls description
1. Front right burner control knob
2. Rear right burner control knob
3. Central burner control knob
4. Rear left burner control knob
5. Front left burner control knob
6. Oven temperature control knob
7. Oven function selector control knob
8. Electronic programmer
Pilot lamp
9. Oven temperature indicator light
Please note: This appliance incorporates a safety cooling fan which you will hear operating whenever the oven or grill are in use. This fan is to reduce the external temperature of the appliance and cool the internal components.
GAS HOB

Notes:
- The electric ignition is incorporated in the knobs.
- The appliance has a safety valve system fitted, the flow of gas will be stopped if and when the flame should accidentally go out.
CAUTION:
- If the burner is accidentally extinguished, turn the gas off at the control knob and wait at least 1 minute before attempting to relight.
- Gas appliances produce heat and humidity in the environment in which they are installed. Ensure that the cooking area is well ventilated following national/local codes.
GAS BURNERS (Auxiliary, Semi-rapid, Rapid and Triple ring)
Gas flow to the burners is adjusted by turning the knobs (illustrated in fig. 24) which control the valves.

Note: When the range is not being used, set the gas knobs to their closed position and also close the gas shut-off valve placed on the main gas supply line.
Caution! The range becomes very hot during operation. Keep children well out of reach. 22
LIGHTING GAS BURNERS FITTED WITH FLAME FAILURE SAFETY DEVICE AND ELECTRONIC IGNITION (Auxiliary, Semi-rapid, Rapid and Triple ring)
- Check that the electricity is switched on to allow spark ignition.
- The gas flow to the burner is controlled by taps with safety cut-out device. If the burner flame should go out, the safety cut-off valve will automatically stop the gas flow. The switch for the electric ignition is incorporated in the knobs.
- To ignite automatically, push the required knob down and turn it to the maximum position (figs. 24, 25), keeping the knob down until the burner lights. When the flame is lit, wait for about ten seconds with the knob down (safety cut-off activation delay).


- Whenever the lighting of the burners is difficult due to peculiar conditions of the gas features or supply, it is advised to repeat the ignition with the knob on minimum position.
- If when lighting any of the burners an abnormal flame appears, switch the burner off and relight using the minimum setting.
- If the flame is still not correct, turn the burner off and call our Customer Service center for your nearest Authorized Elba Appl. AUS Service Agent.
- In the case of a mains failure light the burner with a match or lighted taper.
- Adjust the gas valve to the desired position.
If the burner flames should go out for some reason, the safety valve will automatically stop the gas flow. To re-light the burner, return the knob to the closed (off) position, wait for at least 1 minute and then repeat the lighting procedure.
CHOICE OF BURNER
The burner must be chosen according to the diameter of the pans and energy required. For optimum efficiency uso a wok or pan no smaller than 230 mm diameter.

Saucepans with handles which are excessively heavy, in relationship to the weight of the pan, are safer as they are less likely to tip. Pans which are positioned centrally on burners are more stable than those which are offset. It is far safer to position the pan handles in such a way that they cannot be accidentally knocked.
When deep fat frying fill the pan only one third full of oil.
DO NOT cover the pan with a lid and DO NOT leave the pan unattended.
In the unfortunate event of a fire, leave the pan where it is and turn off all controls.
Place a damp cloth or correct fitting lid over the pan to smother the flames.
DO NOT use water on the fire. Leave the pan to cool for at least 30 minutes.
GRATE FOR SMALL PANS (fig. 27)
This grate is to be placed on top of the (smaller) auxiliary burner when using small diameter pans, in order to prevent them from tipping over.

CORRECT USE OF THE TRIPLE-RING BURNER (figs. 28, 29)
- The flat-bottomed pans are to be placed directly onto the pan-support.
- To use the WOK, you must place the wok stand in the CORRECT position as shown in figs. 28 – 29.
IMPORTANT
The special grille for wok pans (fig. 29) MUST BE PLACED ONLY over the pan-rest for the triple-ring burner.

COOKING WITH MULTIFUNCTION OVEN
Attention: The oven door becomes very hot during operation. Keep children away.
GENERAL FEATURES
As its name indicates, this is an oven that presents particular features from an operational point of view. In fact, it is possible to insert 8 different programs to satisfy every cooking need. The 8 positions, thermostatically controlled, are obtained by 4 heating elements which are:
- Bottom element
- 1725 W (@230 V)
1878 W (@240 V)
- 1725 W (@230 V)
- Top element
- 1725 W (@230 V)
1878 W (@240 V)
- 1725 W (@230 V)
- Grill element
- 2500 W (@230 V)
2722 W (@240 V)
- 2500 W (@230 V)
- Circular element
- 2500 W (@230 V)
2722 W (@240 V)
- 2500 W (@230 V)
NOTE: Upon first use, it is advisable to operate the oven (at the maximum temperature) for 60 minutes in the position, for 30 minutes in the position and for another 15 minutes in the position to eliminate possible traces of grease on the heating elements. Clean the oven and accessories with warm water and washing-up liquid.
WARNING: The door is hot, use the handle. During use the appliance becomes hot. Care should be taken to avoid touching heating elements inside the oven.
OPERATING PRINCIPLES
Heating and cooking in the MULTIFUNCTION oven are obtained in the following ways:
- a. by normal convection
The heat is produced by the upper and lower heating elements. - b. by forced convection
A fan sucks in the air contained in the oven muffle, which sends it through the circular heating element and then sends it back through the muffle. Before the hot air is sucked back again by the fan to repeat the described cycle, it envelops the food in the oven, provoking a complete and rapid cooking. It is possible to cook several dishes simultaneously. - c. by semi-forced convection
The heat produced by the upper and lower heating elements is distributed throughout the oven by the fan. - d. by radiation
The heat is irradiated by the infra red grill element. - e. by radiation and ventilation
The irradiated heat from the infra red grill element is distributed throughout the oven by the fan. - f. by ventilation
The food is defrosted by using the fan only function without heat.

THERMOSTAT KNOB (fig. 31)
To turn on the heating elements of the oven, set the function selector knob on the desired program and the thermostat knob onto the desired temperature. To set the temperature, it is necessary to make the knob indicator meet the chosen number. The elements will turn ON or OFF automatically according to the energy need which is determined by the thermostat. The thermostat indicator light on the control panel will illuminate when the oven is switched on and turns off when the oven reaches the correct temperature. The light will cycle on and off during cooking.
FUNCTION SELECTOR KNOB (fig. 30)
Rotate the knob clockwise to set the oven for one of the following functions:
OVEN LIGHT
By turning the knob onto this setting we light the oven cavity. The oven remains alight while any of the functions is on.
TRADITIONAL CONVECTION COOKING
The upper and lower heating elements are switched on. The heat is diffused by natural convection and the temperature must be regulated between 50°C and the maximum temperature with the thermostat knob. It is necessary to preheat the oven before introducing the foods to be cooked.
Recommended for: For foods which require the same cooking temperature both internally and externally, i. e. roasts, spare ribs, meringue, etc.
LOWER HEATING ELEMENT
In this position only the lower element is switched on. Heat is distributed by natural convection. The temperature must be regulated between 50°C and 200°C maximum with the thermostat knob.
Recommended for: To complete cooking of dishes that require higher temperature at the bottom.
UPPER HEATING ELEMENT
In this position only the upper element is switched on. Heat is distributed by natural convection. The temperature must be regulated between 50°C and the maximum position with the thermostat knob. Recommended for: To complete cooking of dishes that require higher temperature at the top.
GRILLING
The infra-red heating element is switched on.
The heat is diffused by radiation.
Use with the oven door closed and the thermostat knob must be regulated between 50°C and 225°C maximum.
Note: It is recommended that you do not grill for longer than 30 minutes at any one time. Attention: The oven door becomes very hot during operation. Keep children away.
Recommended for: Intense grilling action for cooking with a broiler; browning, crisping, “au gratin”, toasting, etc.
VENTILATED GRILL COOKING
The infra-red ray grill and the fan are on.
The heat is mainly diffused by radiation and the fan then distributes it throughout the oven. Use with the oven door closed and the thermostat knob must be regulated between 50°C and 200°C maximum.
It is necessary to preheat the oven for about 5 minutes.
For correct use see chapter “GRILLING AND AU GRATIN”.
Note: It is recommended that you do not grill for longer than 30 minutes at any one time. Attention: The oven door becomes very hot during operation. Keep children away.
Recommended for: For grill cooking when a fast outside browning is necessary to keep the juices in, i. e. veal steak, steak, hamburger, etc.
CONVECTION COOKING WITH VENTILATION
The upper and lower heating elements and the fan turn on.
The heat coming from the top and bottom is diffused by forced convection.
The temperature must be regulated between 50°C and the maximum temperature with the thermostat knob.
Recommended for: For foods of large volume and quantity which require the same internal and external degree of cooking; for ie: rolled roasts, turkey, legs, cakes, etc.
HOT AIR COOKING
The circular element and the fan are on. The heat is diffused by forced convection and the temperature must be regulated between 50°C and the maximum temperature with the thermostat knob. It is not necessary to preheat the oven.
Recommended for: For foods that must be well done on the outside and tender or rare on the inside, i. e. lasagna, lamb, roast beef, whole fish, etc.
DEFROSTING FROZEN FOODS
Only the oven fan is on. To be used with the thermostat knob on ” ” because the other positions have no effect. The defrosting is done by simple ventilation without heat.
Recommended for: To rapidly defrost frozen foods; 1 kilogram requires about one hour. The defrosting times vary according to the quantity and type of foods to be defrosted.
COOKING ADVICE
The external parts of the appliance become hot during operation. Keep children well out of reach.
STERILIZATION
Sterilization of foods to be conserved, in full and hermetically sealed jars, is done in the following way:
- a. Set the switch to position .
- b. Set the thermostat knob to position 185°C and preheat the oven.
- c. Fill the dripping pan with hot water.
- d. Set the jars onto the dripping pan making sure they do not touch each other and the door and set the thermostat knob to position 135°C.
When sterilization has begun, that is, when the contents of the jars start to bubble, turn off the oven and let cool.
REGENERATION
Set the switch to position and the thermostat knob to position 150°C. Bread becomes fragrant again if wet with a few drops of water and put into the oven for about 10 minutes at the highest temperature.
ROASTING
To obtain classical roasting, it is necessary to remember:
- that it is advisable to maintain a temperature between 180 and 200°C.
- that the cooking time depends on the quantity and the type of foods.
SIMULTANEOUS COOKING OF DIFFERENT FOODS
The MULTIFUNCTION oven set on position and gives simultaneous heterogeneous cooking of different foods. Different foods such as fish, cake and meat can be cooked together without mixing the smells and flavours.
This is possible since the fats and vapors are oxidized while passing through the electrical element and therefore are not deposited onto the foods.
The only precautions to follow are:
- The cooking temperatures of the different foods must be as close to as possible, with a maximum difference of 20°C – 25°C.
- The introduction of the different dishes in the oven must be done at different times in relation to the cooking times of each one.
The time and energy saved with this type of cooking is obvious.
USE OF THE GRILL
Preheat the oven for about 5 minutes. Introduce the food to be cooked, positioning the rack as close to the grill as possible. The dripping pan should be placed under the rack to catch the cooking juices and fats.
Grilling with the oven door closed.
Do not grill for longer than 30 minutes at any one time.
CAUTION: The oven door becomes very hot during operation. Keep children well out of reach.
GRILLING AND “AU GRATIN”
Grilling may be done using the grill+fan setting, in this setting the hot air completely surrounds the food that is to be cooked, to give a more even and rapid cooking process.
Set the temperature knob between 50°C and 200°C maximum, preheat the oven, then simply place the food on the grid. Close the door until grilling is complete.
Adding a few dabs of butter before the end of the cooking time gives the golden “au gratin” effect. Grilling with the oven door closed.
Do not grill for longer than 30 minutes at any one time.
CAUTION: The oven door becomes very hot during operation. Keep children well out of reach.
OVEN COOKING
To cook, before introducing the food, preheat the oven to the desired temperature. When the oven has reached the desired temperature, introduce the food, control the cooking time and tum off the oven 5 minutes before the theoretical time to recuperate the stored heat.
COOKING EXAMPLES
Temperatures are approximate as they vary depending on the quality and amount of food. Remember to use ovenproof dishes and to adjust the oven temperature during cooking if necessary.

RECOMMENDED COOKING TEMPERATURE

N.B. For fan ovens reduce the temperature by 10-20°C. For any dish taking one hour or over to cook, reduce the cooking time by 10 minutes per hour.
* Shelf positions have been counted from the top of the oven to the base. A fan oven creates more even temperature throughout, therefore the shelf positions are not as critical.
DIGITAL ELECTRONIC PROGRAMMER
The electronic programmer is a device which groups together the following functions:
- 24 hours clock with illuminated display.
- Timer (up to 23 hours and 59 minutes).
- Program for automatic oven cooking.
- Program for semi-automatic oven cooking.
Description of the buttons:

Description of the illuminated symbols:








CLEANING AND MAINTENANCE

GENERAL ADVICE
- Before you begin cleaning, you must ensure that the appliance is switched off and disconnected from the electrical power supply.
- It is advisable to clean when the appliance is cold and especially when cleaning the enameled parts.
- Avoid leaving alkaline or acidic substances (lemon juice, vinegar, etc.) on the surfaces.
- Avoid using cleaning products with a chlorine or acidic base.
- Do not use a steam cleaner because the moisture can get into the appliance thus make it unsafe.
- Important: The use of suitable protective clothing/gloves is recommended when handling or cleaning of this appliance.
- Do not use harsh abrasive cleaners or sharp metal scrapers to clean the oven door glass since they can scratch the surface, which may result in shattering of the glass.
WARNING! When correctly installed, your product meets all safety requirements laid down for this type of product category. However special care should be taken around the rear or the underneath of the appliance as these areas are not designed or intended to be touched and may contain sharp or rough edges, that may cause injury.
ENAMELLED PARTS
All the enamelled parts must be cleaned with a sponge and soapy water or other nonabrasive products. Dry preferably with a microfibre or soft cloth. Acidic substances like lemon juice, tomato sauce, vinegar etc. can damage the enamel if left too long.
STAINLESS STEEL, ALUMINIUM PARTS, PAINTED AND SILK-SCREEN PRINTED SURFACES
Clean using an appropriate product. Always dry thoroughly.
IMPORTANT: these parts must be cleaned very carefully to avoid scratching and abrasion. You are advised to use a soft cloth and neutral soap.
CAUTION: Do not use abrasive substances or non-neutral detergents as these will irreparably damage the surface.
INSIDE OF OVEN
The oven should always be cleaned after use when it has cooled down. The cavity should be cleaned using a mild detergent solution and warm water. Suitable proprietary chemical cleaners may be used after first consulting with the manufacturers recommendations and testing a small sample of the oven cavity. Abrasive cleaning agents or scouring pads/cloths should not be used on the cavity surface.
NOTE: The manufacturers of this appliance will accept no responsibility for damage caused by chemical or abrasive cleaning.
Do not store flammable material in the oven.
Let the oven cool down and pay special attention no to touch the hot heating elements inside the oven cavity.
OVEN FLOOR
The oven floor “F” (fig. 40) can be easily removed to facilitate cleaning. Remember to replace the floor correctly afterwards. Be careful not to confuse the tray “L” with the oven floor “F”.

GAS TAPS
If the gas taps are not working properly, call our Customer Service Centre to obtain the nearest Authorized Elba Appl. AUS Service Agent.
GRILL HEATING ELEMENT
- The heating element is self-cleaning and does not require maintenance.
GREASE FILTER (OPTIONAL COMPONENT, CAN BE PURCHASED SEPARATELY)
Clean the filter after any cooking!
The grease filter can be removed for cleaning and should be washed regularly in hot soapy water (fig. 19 at page 18).
Always dry the filter properly before fitting it back into the oven.
BURNERS
- They can be removed and washed only with soapy water. Detergents can be used but must not be abrasive or corrosive. Do not use abrasive sponges or pads. Do not put in dishwasher.
- After each cleaning, make sure that the burner-caps, as well as the burners, have been well wiped off and CORRECTLY POSITIONED.
- Check that the electrode “S” (figs. 41, 43) next to each burner is always clean to ensure trouble-free sparking.
- Check that the probe “T” (figs. 41, 43) next to each burner is always clean to ensure correct operation of the safety valves.
Note: Both the probe and ignition electrode must be very carefully cleaned. To avoid damage to the electric ignition do not use it when the burners are not in place.
AUXILIARY, SEMI-RAPID AND RAPID BURNERS
It is essential to check that the burner flame distributor “F” and the cap “C” have been correctly positioned (see figs. 41 – 42) – failure to do so can cause serious problems.
TRIPLE RING BURNER
The triple ring burner must be correctly positioned (figs. 43 – 44); the burner rib must be located in position as shown by the arrow (fig. 43). The burner correctly positioned must not rotate (fig. 45). Then position the cap “A” and the ring “B” (figs. 44 – 45).


REPLACING THE OVEN LIGHT
WARNING: Ensure the appliance is switched off before replacing the lamp to avoid the possibility of electric shock.
- Let the oven cavity and the heating elements to cool down.
- Disconnect the appliance from the electrical power supply.
- Remove the protective cover “A” (fig. 46).
- Replace the halogen lamp “B” with a new one suitable for high temperatures having the following specifications 220-240V or 230240V, 50Hz, and same power (check watt power as stamped in the bulb itself) of the replaced lamp.
IMPORTANT WARNING: Never replace the bulb with bare hands; contamination from your fingers can cause premature failure.
Always use a clean cloth or gloves. - Refit the protective cover “A”.
NOTE: Oven bulb replacement is not covered by your guarantee.

STORAGE COMPARTMENT The storage compartment is accessible through the pivoting panel (fig. 47).
Do not store flammable material in the storage compartment.

REMOVING THE OVEN DOOR
The oven door can easily be removed as follows:
- Open the door to the full extent (fig. 48a).

- Open the lever “A” completely on the left and right hinges (fig. 48b).

- Hold the door as shown in fig. 48d. Gently close the door (until left and right hinge levers “A” are hooked to part “B” of the door (figs. 48b, 48c).

- Withdraw the hinge hooks from their location following arrow “C” (fig. 48e).

- Rest the door on a soft surface.
Important! Always keep a safe distance from the door hinges, paying special attention to the position of your hands. If the door hinges are not correctly hooked, they could unhook and close suddenly and unexpectedly with risk of injury.
REFIT THE DOOR
- Hold the door firmly (fig. 49a).
- Insert the hinge tongues into the slots, making sure that the groove drops into place as shown in the figure 49b.
- Open the door to its full extent.
- Fully close the levers “A” on the left and right hinges, as shown in the figure 49c.
- Close the door and check that it is properly in place.
REMOVING AND REPLACING THE INNER DOOR GLASS PANE FOR CLEANING
If you wish to clean the inner glass of the door, make sure you follow the precautions and instructions very carefully. Replacing the glass pane and the door incorrectly may result in damage to the appliance and may void your warranty.
IMPORTANT!
- Make sure the appliance and all its parts have cooled down. Do not attempt to handle the parts of a hot appliance.
- Take extreme care when handling the glass pane. Avoid the edges of the glass bumping against any surface. This may result in the glass shattering.
- CAUTION: Do not use harsh abrasive cleaners or sharp metal scrapers to clean the oven door glass since they can scratch the surface, which may result in shattering of the glass.
- If you notice any sign of damage on any of the glass panes (such as chipping, or cracks), do not use the oven. Call your Authorised Service Centre or Customer Care.
- Make sure you replace the glass pane correctly. Do not use the oven without glass pane correctly in place.
- If the glass pane feels difficult to remove or replace, do not force it. Call your Authorised Repairer or Customer Care for help.
Note: Service visits providing assistance with using or maintaining the appliance are not covered by your warranty.
CLEANING THE PANES OF GLASS
The oven door is fitted with no. 2 panes:
- no. 1 outside;
- no. 1 inner.
To clean the panes on both sides it is necessary to remove the inner pane as follows.
REMOVING THE INNER PANE OF GLASS
- Lock the door open:
- Open the door to the full extent (fig. 48a, 50a).

- Open the lever “A” completely on the left and right hinges (fig. 48b).
- Hold the door as shown in fig. 48d. Gently close the door until left and right hinge levers “A” are hooked to part “B” of the door (figs. 48b, 48c).
- Open the door to the full extent (fig. 48a, 50a).
- Remove the inner pane:
- Gently pull out the inner pane of glass (fig. 50b).
IMPORTANT: It is advisable, while removing the glass, to keep pressed in position the four rubber pads “D” (fig. 50c), by a finger, to avoid breakage or slippage of the rubber pads themselves. - Clean the glass with an appropriate cleaner. Dry thoroughly, and place on a soft surface.
- Gently pull out the inner pane of glass (fig. 50b).
Now you can also clean the inside of the outer glass.
AFTER CLEANING, REPLACE THE INNER GLASS PANE
When replacing the inner glass pane, make sure that:
- You replace the pane correctly, as shown. The pane must be in the position described below in order to fit into the door and to ensure that the oven operates safely and correctly.
To reassemble the inner pane of the oven door operate as follows:
- Make sure the door is locked open (see fig. 48c).
- Replace the inner pane:
- Check that the four rubber pads are in place (“D” in fig.50c).
IMPORTANT: It is advisable, while refitting the glass, to keep pressed in position the four rubber pads “D”, by a finger, to avoid breakage or slippage of the rubber pads themselves (fig. 50d). 
- Check that you are holding the pane the correct way. You should be able to read the wording on it as it faces you.
- Insert the pane in the left “E” and right “F” slide guides (fig. 50d), and gently slide it to the retainers “H” (fig. 50e).

- Unlock the oven door by opening it completely and closing the lever “A” on the left and right hinges (fig. 50f).

- Check that the four rubber pads are in place (“D” in fig.50c).
SERVICE AND MAINTENANCE
If the ignition spark fails to ignite or does not light the gas, check the following items before calling our Customer Service Centre to obtain the nearest Authorised Service Agent:
- Burner is reassembled and located correctly.
- Spark electrode and white ceramic are clean and dry.
- 240 VAC power supply is connected.
Contact the local gas utility or our Customer Service Centre to obtain the nearest Authorized Service Agent.
- You can smell gas when all burners are turned on.
- The burners do not remain alight at the minimum marked setting.
- The burner flame is yellow or emits an unusual odour.
Note that a bi-annual inspection of the appliance by an authorized service agent or your locate gas utility will ensure many years of trouble free operation of your appliance.
SERVICING THE APPLIANCE
Service may be obtained by contacting our Customer Service Centre to locate the nearest Authorised: ELBA APPLIANCES Service Agent shared services with Fisher and Paykel Australia PTY LTD (ELBA Appliances AUS, a division of F&P AUS PTY LTD).
Servicing shall be carried out only by authorized personnel. The appliance shall not be modified.
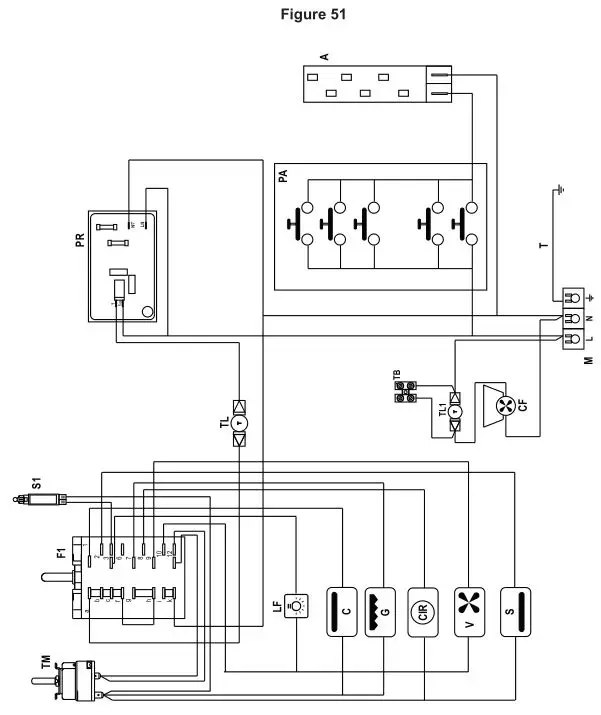
ELECTRIC DIAGRAM

ELECTRIC DIAGRAM KEY
F1 Oven switch
TM Oven thermostat
LF Oven lamp
CF Cooling fan motor
PR Oven programmer
C Oven top heating element
G Oven grill heating element
CIR Oven circular heating element
V Oven fan motor
S Oven bottom heating element
PA Ignition switches group
A Ignition coil
TL Thermal overload
TL1 Thermal overload
S1 Thermostat pilot lamp
M Terminal block
T Earth connection
TB Testing block
Descriptions and illustrations in this booklet are given as simply indicative. The manufacturer reserves the right, considering the characteristics of the models described here, at any time and without notice, to make eventual necessary modifications for their construction or for commercial needs.
www.delonghicookingappliances.com.au
Cod. 1106180-ß0

GAS AND ELECTRIC CONNECTION













REMOVING AND REPLACING THE INNER DOOR GLASS PANE FOR CLEANING
IMPORTANT: It is advisable, while removing the glass, to keep pressed in position the four rubber pads “D” (fig. 50c), by a finger, to avoid breakage or slippage of the rubber pads themselves.
IMPORTANT: It is advisable, while refitting the glass, to keep pressed in position the four rubber pads “D”, by a finger, to avoid breakage or slippage of the rubber pads themselves (fig. 50d). 




















