FISHER PAYKEL CID834DTB4 Minimal Downdraft Induction Cooktop

WARNING!
- Electric Shock Hazard
Failure to follow this advice may result in electric shock or death. - Disconnect the appliance from the mains electricity supply before carrying out any work or maintenance.
- Connection to a good earth wiring system is essential and mandatory.
- Alterations to the domestic wiring system must only be made by a qualified electrician.
- Cut Hazard
Failure to use caution could result in injury. - Take care: some edges are sharp.
READ AND SAVE THIS GUIDE
General Use
- Read these instructions carefully before installing this product.
- Save these instructions for the local electrical inspector’s use.
- Installation must comply with your local building and local electricity regulations.
- This appliance is to be installed and serviced only by Fisher & Paykel trained and supported service technician or qualified person.
- The manufacturer accepts no responsibility for the incorrect installation of appliances. Incorrect installation may result in personal injury, damage to property and may invalidate any warranty or liability claims.
- Do not modify this appliance.
- Do not use or store flammable materials on or near this appliance.
- Packing elements (eg plastic bags, polystyrene foam, staples, packing straps etc) and tools should not be left around during and after installation, especially if they are within easy reach of children, as these may cause serious injuries.
- Make sure you recycle the packaging material.
- Before disposing of any appliance, make sure that it can no longer be used and that all hazardous parts are removed or made harmless, so that children playing with the old appliance cannot harm themselves.
- Only genuine replacement parts may be used for servicing the appliance. These are available from your nearest Fisher & Paykel Service Center.
- This cooktop must be connected to the mains power supply only by a suitably qualified person.
- DO NOT use adapters, reducers, or branching devices when connecting the cooktop to the mains power supply to prevent overheating and fire.
- The power supply cable must not touch any hot parts and must be positioned so that its temperature will not exceed 75 oC at any point.
- CAUTION: This appliance is not intended to be used with gas hobs.
WARNING!
To prevent overheating of the electronic components adequate supply of cool air and direct unrestricted ventilation to the room is required. A gap of min. 4mm height over the width of the cooktop chassis is required to allow the internal ventilators operating unrestricted. (Refer to ‘Clearances’)
INSTALLATION CONSIDERATIONS
BEFORE INSTALLATION
Please ensure the following:
- A suitable disconnection switch is incorporated in the permanent wiring, mounted and positioned to comply with the local wiring rules and regulations. A means of disconnection with at least a 3mm air gap contact separation in all poles must be incorporated into the fixed wiring in accordance with the wiring rules, unless the local wiring rules allow for alternative means.
- The benchtop is made of a heat resistant material.
- There is adequate flow of cool air from the cabinetry to the base of the cooktop. You may ventilate from adjacent cupboards, but ensure that the available air supply will not be restricted.
- The ventilation area must be equivalent to 40cm2 Refer to ‘Clearances’.
- The power supply cable is not accessible through cupboard doors or drawers.
- The isolating switch is easily accessible by the customer.
- You use heat-resistant and easy-to-clean finishes (such as ceramic tiles) for the wall surfaces surrounding the cooktop.
- The cooktop will not be installed directly above a dishwasher, fridge, freezer, steam oven, washing machine or clothes dryer, as the humidity may damage the cooktop electronics.
- The installation will comply with all regulations relating to the discharge of air, clearance requirements and other applicable standards and regulations.
- You consult local building authorities and by-laws if in doubt regarding installation.
- The installation will comply with all regulations relating to the discharge of air.
DURING INSTALLATION
Please ensure the following:
- Flush mounting or sealing this appliance into the bench with silicone or glue may make future servicing difficult. Fisher & Paykel will not be liable for any costs associated with removing or replacing a sealed-in appliance, nor for repairing any damage that may be incurred by doing this.
- Seal exposed bare edges of the cutout with an oil-based paint or moisture-proof polyurethane to prevent possible moisture creeping between the cooktop trim and
the benchtop. - Take extreme care not to chip, crack, or break the top glass surfaces during installation.
A heavy metal tool or part accidentally dropped on the glass could damage it. - If, after following the instructions given, correct performance cannot be achieved, please contact your nearest Fisher & Paykel Authorised Service Centre, Customer Care, or contact us through our local website listed at the end of this document.
WARNING!
The owner carries all risk for flush mounting the cooktop. The owner must ensure the cooktop has been cut out from the countertop before servicing can be carried out.
Fisher & Paykel will not be liable for any costs associated with removing or replacing a flush-mounted and/or sealed-in product, nor for repairing any damage that may be incurred by doing this.
TOOLS AND COMPONENTS
PARTS SUPPLIED
- Keep all packing materials until the unit has been inspected.
- Inspect the product to ensure there is no shipping damage. If any damage is detected contact the dealer or retailer you bought the product from to report the damage.
- Fisher & Paykel is not responsible for shipping damage.

- 500mm straight ducting: 222 x 89 (1)
- 15° bends (4)
- 90° vertical elbow (2)
- Foam tape (1)
- Side clips (4)
COMPONENTS REQUIRED

- Wrench
- Crosshead screwdriver
- Silicone
- Cutter
- Hex key
- Router
- Duct tape
OPTIONAL ACCESSORY KITS
- Product can be vented to an external wall at the rear using supplied components**. The below accessory kits can be purchased separately to expand venting options.
- To purchase accessory kits, visit fisherpaykel.com

82389: D1-C-222-89
- 1m ducting*
- 222 x 89 connector
82390: E90-H-222-89
- 90° horizontal elbow
82391: E90-V-222-89
- 90° vertical elbow
82392: DA-219-98-150
- Adapter
82393: DO-G-SS
- Stainless steel grille
82236: KRCID834***
- Recirculation kit
PRODUCT DIMENSIONS
PRODUCT DIMENSIONS MM
| A | Overall height of cooktop | 217 | |
| B | Overall width of cooktop | 830 | |
| C | Overall depth of cooktop* | 525 | |
| D | Depth of cooktop surface | 515 | |
| E | Height of chassis | 50 | |
| F | Width of chassis | 794 | |
| G | Depth of chassis | 488 | |
| H | Depth of front overhang of cooktop glass** | 14 | |
| I | Depth of rear overhang of cooktop glass** | 14 | |
| J | Depth of left overhang of cooktop glass** | 18 | |
| K | Depth of right overhang of cooktop glass** | 18 | |
| L | Height of venting*** | 170 – 1067 | |
| M | Height of venting outlet | 94 | |
| N | Width of venting outlet | 226 | |
| O | Depth of ducting | 94 | |
| P | Minimum clearance below cooktop | 200 |
Not illustrated: Depth from front of cooktop to centre of terminal block 368
Not illustrated: Width from right of cooktop to centre of terminal block 198
- Including ducting components at rear
- Including chassis flange
- From underside of glass to base of outlet. Using supplied components.
ACCESSORY DIMENSIONS
ACCESSORY DIMENSIONS MM
- A Overall height of horizontal elbow 93
- B Overall width of horizontal elbow 286
- C Overall depth of horizontal elbow 287
- D Overall height of vertical elbow 174
- E Overall width of vertical elbow 226
- F Overall depth of vertical elbow174
- G Overall height of ducting 89
- H Overall width of ducting 219
- I Overall depth of ducting* 1000
- J Overall height of connector 93
- K Overall width of connector 226
- L Overall depth of connector 82
- M Overall height of adapter 157
- N Overall width of adapter226
- O Overall depth of adapter 190
- P Overall height of grille 140
- Q Overall width of grille 280
- R Overall depth of grille 160
- Reduced length illustrated
CUTOUT
| CUTOUT DIMENSIONS | MM | CUTOUT DIMENSIONS | MM | ||
| A Overall width of cutout | 807 | A Overall width of routered recess | 835 | ||
| B Overall depth of cutout | 492 | B Overall depth of routered recess | 520 | ||
| C Minimum depth at rear | 50 | C Overall width of cutout | 807 | ||
| D Corner radius of cutout | max 10 | D Overall depth of cutout | 492 | ||
| E Minimum depth at rear | 50 | ||||
| F Corner radius of routered recess | 4.5 | ||||
| G Corner radius of cutout | max 10 |
CLEARANCES

VENTING PREPARATION

VENTING TO THE REAR
Through same cabinetry
- This can be acheived using the supplied components. When ducting is centred below cooktop, a maximum venting height of 1067mm* is possible, alongside a maximum venting depth of 93mm***. These distances can be extended by using accessory kit D1-C-222-89. When ducting is directly below the outlet, a maximum venting height of 847mm* is possible, alongside a maximum venting depth of 93mm***.
- A space of 105mm is required at the rear of the cabinetry to house the vertical ducting components**. Alternately, if vertical ducting is to pass through any shelving, ensure a cutout of 232mm x 100mm has been created in all shelves.
- Every 3m or additional bend drops extraction performance by 2%.
Through adjacent cabinetry
- This can be achieved through the use of a minimum of 2x E90-H-222-89 and 1x D1-C-222-89 accessory kits.
- A space of 105mm is required at the rear of the cabinetry to house the vertical ducting components**. Alternately, if vertical ducting is to pass through any shelving, ensure a cutout of 232mm x 100mm has been created in all shelves.
- Every 3m or additional bend drops extraction performance by 2%.
Through sub-floor
- This can be acheived using the supplied components with a maximum venting height of 712mm* possible.
- A space of 105mm is required at the rear of the cabinetry to house the vertical ducting components**. Alternately, if vertical ducting is to pass through any shelving, ensure a cutout of 232mm x 100mm has been created in all shelves.
- Every 3m or additional bend drops extraction performance by 2%.
Direct from outlet
- This can be achieved through the use of a D1-C-222-89 accessory kit.
- When venting directly back from the outlet, the top of the ducting will sit 80mm below the cooktop glass.
- Every 3m or additional bend drops extraction performance by 2%.
VENTING TO THE SIDE
- This can be achieved through the use of a minimum of 2x E90-H-222-89 and 1x D1-C-222-89 accessory kits and can be configured via the front or the rear.
- A space of 105mm is required at the rear of the cabinetry to house the vertical ducting components**. Alternately, if vertical ducting is to pass through any shelving, ensure a cutout of 232mm x 100mm has been created in all shelves.
- Access through the base of the cabinetry to connect ducting components is recommended.
- Every 3m or additional bend drops extraction performance by 2%.
- From underside of glass to base of outlet
- When vertical ducting is housed within cabinetry only
- From rear edge of glass to end of duct
ELECTRICAL CONNECTION
CONNECTION LOCATION
Before connecting the cooktop to the mains power supply check that:
- The domestic wiring system is suitable for the power drawn by the cooktop.
- The voltage corresponds to the value given in the rating plate.
- The power supply cable sections can withstand the load specified on the rating plate.
CONNECTION MAX. CURRENT DRAW MAX. LOAD VOLTAGE Single-phase 34A 7400W 220-240V~ Two-phase 34A 7400W 380-415V~ 2N~ Three-phase 34A 7400W 380-415V~ 3N~ 
CONNECT POWER
- Open the junction box cover and connect the wiring to the terminal block.

SINGLE-PHASE CONNECTION
220-240V~
Ensure cable is tightened with screw. You may have to remove the screw first before fitting the clamp.
TWO-PHASE CONNECTION
380-415V~ 2N~
Ensure cable is tightened with screw. You may have to remove the screw first before fitting the clamp.
INSTALL DUCTING
- Fit the 90° elbow to the cooktop outlet. Tape to secure.
If ducting direct from the outlet, the 90º elbow is not required however the connector from accessory kit D1-C-222-89 must be used.
- Cut all other ducting to required lengths and slot together. Tape to secure.

CUSTOM DUCTING
If using custom ducting, refer to the cooktop outlet dimensions below. To connect cooktop to round ducting, accessory kit DA-219-98-150 can be purchased separately.
OPTIONAL RECIRCULATION KIT*
- Accessory kit KRCID834 can be purchased separately to allow for recirculated venting.

INSTALL COOKTOP – PROUD
- Turn the cooktop upside down on a protective cover.

- Apply adhesive foam seal around the glass overhang, 5mm from the edge of the glass.
Ensure the adhesive side facing is down to form a continuous seal around the cooktop.
- Trim the excess sealing material using a sharp cutter or trimmer knife.
Take care not to damage the benchtop.
- Attach the four side clips to the cooktop chassis.
Ensure the clips are oriented correctly.
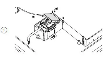
- Align vertical ducting to the elbow on the cooktop before lowering it into the cutout.
Tape the ducting to secure.
INSTALL COOKTOP – FLUSH
- Prepare the countertop for flush installation. Use a router to cutout the edges of the countertop to specified depth (5mm). Ensure all bare edges are sealed. Refer to ‘Installation Considerations’.
Attach an adhesive tape along the edges of the routered recess.
- Attach the four side clips to the cooktop chassis.
Ensure the clips are oriented correctly.
- Align vertical ducting to the elbow on the cooktop before lowering it into the cutout.
Tape the ducting to secure.
- Apply silicone in the gap between countertop and cooktop.
Wipe off any excess silicone.
INSTALLER CHECKLIST
TO BE COMPLETED BY THE INSTALLER GENERAL
- Read safety and warnings in the user guide before operating the cooktop.
- Specified clearance maintained.
- Unit is level – front to back and side to side.
- All packaging materials have been removed.
- Touch controls and displays are functioning.
- Cooking zones are functioning correctly. Turn on all of them to a high setting and leave them on for at least one minute.
- There is a constant flow of cool air from the cabinetry to the base of the cooktop.
- Cooktop is securely clamped.
- Basic operation has been demonstrated to the customer.
VENTILATION
- Ensure all ducting components are taped securely.
- Check outlets are clear and not obstructed.
ELECTRICAL
- Receptacle with correctly rated over-current protection is provided for service cord connection.
- Adequate ground connection.
- Power supply cable is not touching the cooktop and accessible.
Complete and keep for safe reference






































