Estella CAFE ECEM1 One Group Automatic Espresso Machine – 120V

GENERAL
- This is an electric machine user manual, in which operation, maintenance and safety information are specified. Please read and file it carefully.
- After unpacking, please check to ensure your machine has not been damaged during shipping. Please notify your service representative or qualified technician regarding all questions or concerns before installing. Please note that the machine package material, including plastic bag and Styrofoam, can be dangerous and should be kept out of reach of children.
- There is an identification label on the front of unit. Before operating, please check to ensure the power source corresponds to the rating shown on the identification label. The manufacturer is not responsible for issues resulting from improper installation and usage.
- Please use separate power source which corresponds to the unit’s power rating.
- Please use No Fuse Breaker (NFB) that conforms to the safety regulation separately. Do NOT use a There is an identification label on the front of unit. Before operating, please check to ensure the power source corresponds to the rating shown on the identification label. The manufacturer is not responsible for issues resulting from improper installation and usage. socket. The NFB should have a minimum contact space of 3 mm and provide electrical spike and drain protection. The ampere must be sufficient for providing the required electric current to this machine.
- Be sure to use a grounded power source to prevent electric shock and ensure the safety of this machine and relative personnel.
- The machine must be used in accordance with its original design. Additional use is inappropriate and dangerous. Injury or loss caused by wrong use or operation mistake will be beyond our responsibility.
- The temperature of the steam wand, hot water wand and brewing group is very high. Use caution while operating.
- Please follow maintenance and cleaning instructions specified in this manual to ensure the best operation efficiency of machine.
- If the machine breaks down or functions abnormally, please turn off machine and its power source and notify professional maintenance personnel to fix; Electrical components can be dangerous. We are not responsible for the behavior conducted by unauthorized service personnel.
- Please use filtered and softened water. If using groundwater or tap water for brewing coffee, please soften it first. Unsoftened water will decompose dissolvable minerals and turn to limescale after boiling. The limescale will reduce the machine’s thermal efficiency and machine’s lifetime.
- Machine refills water automatically. The light on touch panel will flash as self-detection if water flow into machine exceeds two minutes (see Trouble Shooting Section), and power will be cut off automatically to protect the system. To resume normal functions, turn off the machine for 2-3 seconds and turn on the machine again.
- The heating element will not operate when water in the machine is less than the minimum required level.
When starting the machine without any water in the tank, heating will be delayed for about 60 seconds. - Before the use of machine, you must confirm there isn’t any frozen water inside the boiler. Even though the machine hasn’t been installed, the temperature for water must be kept over the freezing point. The damage caused by frozen water inside the tube or boiler won’t be covered by the manufacturer.
- Machine is shipped from factory with water drained from boiler and exchanger. Please ensure the machine to be drained completely before it is removed and put away for storage. If water gets frozen inside the pipes and boiler of the machine, it can damage machine. For install and removal of the machine, please contact a qualified service person.
SPECIFICATIONS
Every machine has an identification label placed on the front of the machine.
The label includes information of model number, voltage, serial number, wattage, and its certificate. Please do not remove this label in order for technician to check electrical information in the future.
| 236ECEM1 | 236ECEM2 | 236ECEM3 | |
| Groups | 1 | 2 | 3 |
| Boiler Capacity | 6 Qt . | 13 Qt . | 19 Qt . |
| Voltage | 110–120V | 220–240V | 220–240V |
| Wattage | 2000W | 4700W | 6500W |
| Weight | 97 Lb . | 141 Lb . | 179 Lb . |
| Recommended circuit amperage | 20A | 30A | 50A |
| Dimensions (in.) (WxDxH) | 19½” x 21″ x 22¾” | 27½” x 21″ x 22¾” | 37″ x 21″ x 22¾” |
INSTALLATION
- A cold water connection is required for this unit to function properly.
- Contact a qualified technician to ensure that your electrical and water setup are correct to the specifications of the machine.
- This machine comes hardwired (no plug) and a qualified electrician is required for installation.
- A technician is also required to connect to the existing waterline and check the filtration system before starting. Operating with poor water conditions can void the warranty as mentioned in the last page of this manual.
- Use an independent breaker for this machine which conforms to safety regulations.
- Total Dissolved Solids: Minimum 50 PPM, Maximum 125 PPM
- Total Hardness: Minimum 3 GPG, Maximum 5 GPG
- pH: 6.5~7.5
- Free Chlorine: Maximum 0.5 PPM
- Total Chlorine: Maximum 0.5 PPM
STARTING THE AUTOMATIC MACHINE
- Check and confirm that water source is in normal working order.
- Turn the power switch to On to initiate automatic system check. If boiler water level is not in the green zone, wait until the automatic water replenishment process is complete before proceeding to the next step.
- Heating will stop when boiler pressure reaches approximately 1.2 bars (factory default setting). Do not operate machine until steam pressure gauge reading is in the green zone.
OUTPUT VOLUME AND FREQUENCY SETUP
- There are two identical button suites on 2 group models and three identical button suites on 3 group models.
- No default coffee output setting is provided. Settings must be made manually during setup.
- If you are using a multi-cup machine, settings made on the farthest right hand side button suite will serve as default for the others. So, start from the right hand side and work your way to the left.

- To program, turn the output volume setup switch ON (Fig. 1).
- The output LEDs (Fig. 2) should be lit with the 5th button flashing, indicating the machine is in setup mode.
- To configure output button 1, press output button 1, which should light LED 1 and switch off all other LEDs. Press and hold the button until the desired output is reached. Users can measure fluid ounces or time dispensed for their settings.
- At this point, LED 1 should be off and LED’s 2, 3 and 4 should be lit.
- Repeat steps 2 through 4 to set up output buttons 2, 3 and 4, respectively.
- The left set(s) of output buttons will mirror the value settings in the set of output buttons to its immediate right. Repeat steps 2 through 5 if different output volumes are desired for different groups.
- The fifth button of each group head will remain continuous flow. This means once you press this button, it will not turn off until pressed again.
- After completing setup, turn the output volume setup switch OFF to return the machine to normal operational mode.
OPERATION
BREWING
- Fill the porta filter with coffee grounds and tamp.
- Secure the port filter to the espresso machine with a quarter turn.
- Use any of the presets to brew or use the continuous flow button.
- If using continuous flow, the brewing will continue until it is pressed again, stopping the brewing process.
AUTOMATIC REVERSE FLUSHING
Reverse Flushing is recommended daily.
- Press the first and fifth buttons simultaneously to start automatic reverse flushing. Output buttons 2-4 in the control panel will light and start automatic reverse flushing from the right output system to the left.
- The default is 10 cleaning cycles.
- If you want to stop before the completion of all 10 cleaning cycles, press button 3. 4. Flush the group after flushing the group. Or press the 3rd output button to skip to the next output system, System will stop automatically after finish all the reverse flushing.
STOPPING THE MACHINE
- After cleaning the machine, remove all liquids and solid matter from the water tray.
- Turn off the power.
- Open steam knob to release steam flow. Do not place any liquid under the steam tube during this process in to avoid system contamination.
CLEANING & MAINTENANCE
MACHINE BODY
- Wipe machine exterior with soft, slightly dampened cloth daily before starting operations.
- If necessary, a mild, non-corrosive cleaning agent may be applied to the cloth. DO NOT spray cleaning agents directly on the machine body to avoid corrosion and possible damage to circuits.
BREWING SYSTEM
- After each brewing cycle, remove the handle and press the manual water output button to remove all residual coffee grounds from the filter element.
- Then fix the handle to the seat again
CAUTION: DO NOT force handle or fix it into the seat too tightly. - Press the manual water output button, shake the handle to clean the handle seat gasket and remove residual coffee grounds from the inside.
- Flush the steam outlet in REVERSE daily before shutting off the machine.
- Remove the copper plate and filter element from the water outlet.
WARNING: Metal may be hot. - Place a reverse flushing silica plate in the filter cup, and apply about 2-3 grams of detergent. Fix the handle into the seat and check for tightness.
- To dissolve residual detergent in the machine, press the manual water output button for approximately 4 seconds and release. Repeat this process several times. Press the manual water output button and shake the handle to clean the gasket and the inside of the brewer. Continue the process until water in the filter cup is clear and clean.
- After cleaning, remove the handle. Press the manual water output button to allow residual cleaning solution in the brewing system to flow out. Turn water off after flushing for about one minute.
- a. During reverse flushing, remove and wash the copper plate and filter element with clean tap water. Wipe with soft cloth.
- b. If process is unable to sufficiently clean the plate and filter element, immerse the components overnight in a mild cleaning solution of 3 tsp detergent in 1 pint hot water.
- Rinse and reassemble components before restarting the espresso machine.
FILTER BASKET & BASKET HANDLE
- Rinse the handle with hot water after each brewing cycle to dissolve residual oils in the filter basket and outlet nozzle and prevent oils from affecting the quality of coffee.
- Disassemble filter basket handle and filter basket. Immerse both in cleaning solution (3tsp of detergent in 1 pint hot water) for 24 hours to dissolve residual coffee oils. DO NOT immerse plastic portion in cleaning solution to avoid deterioration.
- Rinse all components with clean water. Wipe with a soft, clean cloth only.
STEAM TUBE
- After making steamed milk, use a slightly moistened soft cloth to wipe steam tube.
- After wiping, release a steam burst through the tube to remove any residual milk remaining in the nozzle.
- If hardened milk residuals remain in the steam tube, disassemble and immerse tube in hot water for about 20 minutes to soften. Reassemble and repeat step (1).
WATER TRAY & DISCHARGE TROUGH
- Remove and wash the water tray after stopping your automatic machine. Reassemble after the water tray has dried.
- After removing the water tray, wipe and remove sediments in the discharge trough with a wet cloth or napkin and wash with hot water to clear the discharge tube.
- If water does not discharge properly, place a teaspoon of detergent into the discharge trough and flush with hot water to dissolve residual oils in the tube.
Drain is for use with liquids only. DO NOT put any solids (coffee grounds etc.) down the drain.
BOILER
To extend your boiler’s serviceable life, when the machine is expected to sit idle for a period of one or more days:
- Turn power to the machine OFF.
- Open the steam output to discharge pressure in the boiler. Continue until the pressure gauge reading falls to zero and steam discharge ends.
- Once complete, empty and clean the water tray and discharge trough.
Leave the steam output setting open following steam discharge. Steam output should remain open until after the machine is turned back on and hot water begins dripping from the steam tube. Contact a service professional to delime the unit every 6 months.
FILTER
The manufacturer recommends replacing the filter element on the resin exchange filter after processing 53 gallons of water (about 3,000 – 4,000 cups of coffee). This schedule can be expected to vary based on the quality of water used in your machine.
PARTS DIAGRAM
| # | Description |
| 1 | Hot Water Knob |
| 2 | Espresso Brewing Unit Control Panel |
| 3 | Steam Knob |
| 4 | Brewing Group |
| 5 | Steam Tube |
| 6 | Main Power Switch |
| 7 | Drain Tray |
| # | Description |
| 8 | Foot |
| 9 | Sight Glass (Boiler Water Level Check Window) |
| 10 | Espresso Filter Holder |
| 11 | Cup Rack |
| 12 | Water Pressure Gauge |
| 13 | Steam Pressure Gauge |
| 14 | Hot Water Wand |
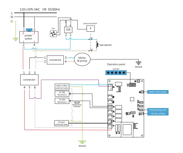
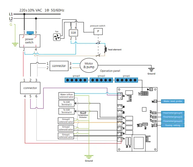
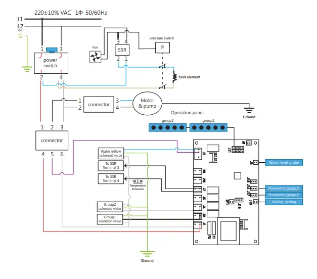
WIRING DIAGRAM
236ECEM1
236ECEM2
236ECEM3
EQUIPMENT LIMITED WARRANTY
Estella warrants its equipment to be free from defects in material and workmanship for a period of 1 year when installed by a
warranty must be made within 1 year from the date of delivery of the equipment. Only the equipment’s original purchaser may make a claim under this warranty. Estella reserves the right to approve or deny the repair or replacement of any part or repair request. The warranty is not transferable. Estella Equipment installed in/on a food truck or trailer will be limited to a period of 30 days from the original date of delivery.
This warranty only applies to the following product series: 236ECEM.
TO MAKE A WARRANTY CLAIM:
In order to make a claim against this warranty, please contact Ready Kitchen Warranty. Please have your model number, serial
- Email [email protected]
- Phone: 717-381-4844
HEREBY DISCLAIMS ALL IMPLIED WARRANTIES, INCLUDING THE IMPLIED WARRANTIES OF MERCHANTABILITY AND OF FITNESS FOR A PARTICULAR PURPOSE.
This Limited Warranty does not cover:
- Equipment sold or used outside the Contiguous United States
- Use of unfiltered water
- Estella has the sole discretion on wearable parts not covered under warranty
- Equipment not purchased directly from an authorized dealer
- Equipment used for residential or other non-commercial purposes
- Equipment that has been altered, modified, or repaired by anyone other than an authorized service agency
- Equipment where the serial number plate has been removed or altered.
- Damage or failure due to improper installation, improper utility connection or supply, and issues resulting from improper ventilation or airflow.
- Defects and damage due to improper maintenance, wear and tear, misuse, abuse, vandalism, or Act of God.
Warranty Claims can be rejected if it is found the cause is poor water conditions.
Poor water conditions meet the following criteria:
- Total Dissolved Solids: Minimum 50 PPM, Maximum 125 PPM
- Total Hardness: Minimum 3 GPG, Maximum 5 GPG
- pH: Minimum 6.5, Maximum 7.5
- Free Chlorine: Maximum 0.5 PPM
- Total Chlorine: Maximum 1 PPM
Any action for breach of this warranty must be commenced within 1 year of the date on which the breach occurred. No modification of this warranty, or waiver of its terms, shall be effective unless approved in a writing signed by the parties. The laws of the Commonwealth of Pennsylvania shall govern this warranty and the parties’ rights and duties under it. Estella shall not under any circumstances be liable for incidental or consequential damages of any kind, including but not limited to loss of profits.
1 Year Parts and Labor Warranty
Unless otherwise stated, Estella Caffe warrants to the original purchaser of new Estella Caffe espresso machines, that such equipment will be free from defects in material and workmanship for a period of 1 year from the original date of delivery. Valid only in the Contiguous United States. The warranty is not transferable and cannot be changed for a previously purchased product. The 1 year parts and labor warranty applies to only the product lines: 236ECEM
1 Year Replacement Warranty
Estella Caffe coffee brewers are backed by a 1-year replacement warranty. These select Estella products are warranted only to be free from defects in material and workmanship for a period of 1 year from the date of delivery. Proof of purchase is required to obtain warranty coverage. This warranty is only valid to the original purchaser and only to equipment installed in the contiguous United States. The warranty is not transferable and cannot be changed for a previously purchased product. The 1 year replacement warranty applies to only the following product lines : 236ECB, 236ECSB, 236ECEG, 236CS
What This Warranty Does Not Cover
- Equipment sold or used outside of the contiguous United States.
- Equipment purchased used, or sold by an unauthorized reseller.
- Equipment that has been improperly installed, used, or maintained.
- Equipment missing a serial number or proof of purchase.
- Equipment that has been serviced outside of the warranty, aside from professional installation.
- Equipment that was damaged as part of shipping and handling. Please contact your authorized retailer for assistance.
- Any adjustments, calibrations, leveling, tightening of fasteners, etc.
- Total Dissolved Solids: Minimum 50 PPM, Maximum 125 PPM
- Total Hardness: Minimum 3 GPG, Maximum 5 GPG
- pH: Minimum 6.5, Maximum 7.5
- Free Chlorine: Maximum 0.5 PPM
- Total Chlorine: Maximum 1 PP
This warranty provides the exclusive remedy against damage relating to Estella products, whether in contract or in tort or under any other legal theory, and whether arising out of warranties, representations, instructions, installations or defects from any cause. Estella shall not be liable, under any legal theory, for loss of use, revenue or profit, or for substitute use or performance, or for incidental, indirect, or special or consequential damages or for any other loss of cost of similar type. The laws of some jurisdictions limit or do not allow the disclaimer of consequential damages. If the laws of such a jurisdiction apply to any claim by or against Estella, NO limitations and disclaimers contained here shall be the greatest extent permitted by law. Estella and Ready Kitchen Warranty shall not be liable for more than the purchase price of the equipment, inclusive of applicable freight and sales tax. If required by Estella, customer shall
For Warranty Inquiries or Service
This warranty is only valid on equipment purchased from an authorized dealer. To make a claim please contact Ready Kitchen Warranty.
Phone: 717-381-4844
- Please have your model number, serial number, proof of purchase, and proof of qualified installation ready before calling.
Email: [email protected]
- Please include your name, model number, serial number, proof of purchase, poof of installation, and a brief description of the issue in your email. Including clear pictures of the issue will help expedite the process. Failure to include one or more of these things will extend processing time.
Food Truck and Outdoor Commercial Use Warranty
Valid only in the Contiguous United States. The warranty is not transferable and cannot be changed for a previously purchased product. Estella Bakery Equipment warrants new equipment sold to food trucks and commercial customers that have installed the unit outdoors to be operational upon delivery and proper installation, not to exceed a period of 30 days from the date of delivery. Food Trucks must be located at a permanent adress with the unit easily accessible for service. Outdoor use must be covered and installed in a permanent outdoor kitchen, bar, or service area. This warranty does not cover issues caused by a lack of ventilation, overheating, inconsistant voltage/power supply, or excessive humidity. Contact your authorized place of purchase for assistance.


236ECEM3



















