ELWELL AIR8 Integrated Air Conditioning

By Elwell Corp
The Air8 air conditioning system is designed with maximum comfort and efficiency in mind, providing outstanding perfor-mance and a pleasant environment for the warmest of days.
Cold air is circulated evenly throughout the interior of your living space thanks to a ducting system which minimizes hot spots and provides an even temperature through out. Additionally, the ducted air distribution minimizes noise while delivering maximum cooling efficiency. To maintain our pre-mium standard in every aspect, the completed under-bunk installation delivers a clean, hidden integration with no side wall openings or penetrations
Specs
- Input voltage: 110V
- Product Weight: 45 lbs
- Product Dimension: 12” x 16.5” x 23”
About Elwell Corp.
Elwell Corporation is a family owned and operated firm that has been active in the industry for over 20 years, specializing in Technical Sales and Services for the Marine and RV industries.
Elwell Corp offers services such as: Manufacturers Representatives Service and Customer Support Warehouse & Distribution
Visit our website for service and product info: elwellcorp.com
Contact Info
Tel: 360-608-0916 | Email: [email protected]
GENERAL WARNING
Please read before using this manual
- This manual is part of the product and should be kept near the unit for easy and quick reference.
- The instrument shall not be used for purposes different from those described hereunder. It cannot be used as a safety device.
- Check the application limits before proceeding.
Safety instructions
- Read operating instructions thoroughly. Failure to comply can result in device failure, system damage or personal injury.
- Check the supply voltage is correct before connecting the unit.
- Do not expose to water or moisture: use the controller only within the operating limits avoiding sudden temperature changes with high atmospheric humidity to prevent formation of condensation
WARNING! : Disconnect all electrical connections before any kind of maintenance.
- The wall pad must not be opened.
- Drilling new openings and inserting screws may damage either the refrigeration circuit or electrical wiring causing possible equipment damage, personal injury or death. Do not drill or cut any openings into the unit.
- In case of failure or faulty operation send the unit back to the distributor or to Bergstrom with a de-tailed description of the fault.
- Ensure that the wires for wall pad, loads and the power supply are separated and far enough from each other, without crossing or intertwining.
- Ensure the unit operating properly, the air inlet/outlet must not be obstructed by any obstacle.
- The openings under the floor of the vehicle must be kept away from dirt and sludge. These openings must not be within the range of the wheel spray –fit fender if necessary.
- In order to protect the compressor, Do not tilt more than 5 degrees in the horizontal direction when the unit is being operated while driving (e.g. with generator or voltage converter).
- In order to avoid the condensation flowing backward into vehicle, Do not operate the unit for long time when the vehicle is at an angle.
SCOPE OF DELIVERY
| Description | Type | PCN | Qty | Remark |
| Air Conditionging Unit | 1 | |||
| Wall Pad | 1 | |||
| IR Control | 1 | Optional | ||
| Cable (Wall Pad To Control Board) | 1 | 16 feet length | ||
| Cable With Plug (Power Supply) | 1 | 5 feet length | ||
| Duct | 1 | Optional recommanded 50 feet length φ 2.5 inch | ||
| Side Fasten Bracket | 2 | |||
| Bracket | 2 | |||
| Housing Strap | 1 | |||
| Condensation Drain Connector | 1 | |||
| Floor Grille (Long) | 1 | Optional for air inlet | ||
| Floor Grille (Short) | 1 | Optional for air outlet | ||
| Installation Template | 1 |
TECHNICAL DATA
| Nomenclature | Air8 | Energy Efficiency Rate EER | 2.3 | |
| Number of unit | 1 | Air flow | Max 220 CFM | |
| Power supply | 115VAC±10%/60Hz | Refrigerant | R410A / 18 oz | |
| Norminal cooling capacity * | 6000 BTU | Compressor oil / Precharge | VG68 / 8.5 Cu In | |
| Power consumption | 900 W | Dimensions L x W x H | 22.8 x 16.5 x 12.2 | |
| Starting current | 15 A (<1S) | Weight lbs | ? (Only unit) | |
| Operating current | 9 A | Max tilt of unit in operation | 5° | |
| Protection class | IP 54 |
Tested under the following conditions: Cooling A.R.I. Standard Conditioning 80º F.DB/67º F.WB Indoor, 95º F.DB Outdoor at 115VAC
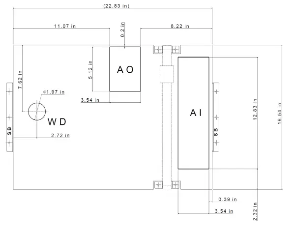
INSTALLATION DIMENSIONS
Sensors information
- A built-in air sensor to monitor the circulated air temperature
- An Anti-freeze air sensor avoids evaporator coil from freezing during operation
- A discharge temperature sensor protects compressor from excessive high discharge temperature
- A discharge pressure switch prevents unit excessive high pressure
INSTALLATION INSTRUCTION
The unit must be installed and serviced by an expert who has the appropriate knowledge and skill
INSTALLATION LOCATION
- The unit must always be installed where it is easy to access at all times for service work, and also easy to remove and install.
- This unit should be mounted and ducted as the fig. 2. Any mounting method selected must allow for unre-stricted air flow to and from the condenser coil.
- In case of restricted installation space being available, the 2 connector cables (power supply and wall pad cable) must be long enough for the unit to be taken out with the cables attached and the cover to be opened.
- In order to uniformly distributed vehicle cooling, the AC system must be installed in a central location in a stowage box or the like so that the cold air could evenly distributed in the caravan or motor home.
- The AC system is mounted to the floor, which must be horizontal and barrier-free. The air inlet (AI), the air out-let (AO) and condensation drain (WD) may need to be fitted with additional gaskets if the system is attached to a floor with grooves, for instance.
- The room air which has been cooled is drawn in again from the vehicle interior by the unit via openings with a total area not less than 50 sq.in
- If possible, position the unit so that the frame of the vehicle is between the air inlet (AI) and the
air outlet (AO). - Insert the installation template into the stowage box in which the unit is being installed and check the amount of space available for floor trepanning. The AC system should have at least 0.8 inch of clearance at the sides and 1.2 inch at the back from walls and furniture items in order to prevent noise transmission during operation. The minimum clearance at the front is 8 inch for filter replacement.
- The openings in the floor of the vehicle must be freely accessible, and must not be blocked by any frames or the like behind them! The openings must not be within range of the wheel spray. A splash guard must be fitted if necessary.

HOW TO INSTALL THE UNIT
- Put the installation template in stowage box and fix in right position.
- Mark the mounting holes for the 2 brackets (2) and the 2 side fasten brackets (3)
- Mark floor opening A (13)for the condenser air inlet, A(12) for the condenser air outlet and WD (4)for the condensation drains.
- Remove template and cut out the marked floor openings.
NOTE: Before drilling holes, please double check all dimensions/openings are in right positions. Meanwhile please check the underlying/concealed gas pipes, water pipes, cables and so on.
- Then seal the edges of the openings in the floor of the vehicle with underbody protection.
- Screw on the 2 side fasten brackets (3) with 2 screws each and the 2 brackets (2 leg must be pointing towards the outside!) with 3 screws each.
- Insert connector (4) for condensation drain (WD) from above.
- Seal connector (4) for condensation drain all round from below using body sealant.
NOTE: When installing the unit, please ensure that the connector (4) of the condensation drain has been located in the recess in the floor of the vehicle. If not the water will permeate into the interior! In order to provide perfect air circulation the apertures in the base of the equipment and the floor must be exactly aligned. If this is not the case the unit is not guaran-teed to operate correctly!
- Put housing strap (5) through the 2 fasten brackets (3)
- Place air conditioning system in stowage compartment between brackets (2) and fasten brackets (3).
- Secure air conditioning system with housing strap (5). Ensure that the housing strap is in the provided recesses on the shell. Guide housing strap (5) through buckle (6) as shown in Fig. 3 and tighten.
NOTE: The AC system must be clamped at all four sides by the brackets in order to prevent uninten-tional movement if vigorous movements occur (e.g. CarTiresSqel).
HOW TO BUILD AIR DUCT (AIR DISTRIBUTION AND RETURN)
Cold Air Distribution
- A cold air duct with a diameter of 2.5 inch and at least one outlet must be connected to all three cold air outlets of the unit (7, 8, 9).
- Insert the cold air ducts into the cold air outlets of the unit and route to the air outlet nozzles. Ensure that the cold air ducts are securely seated in the cold air outlets.
NOTES!
The cold air distribution is designed individually using the modular principle for different vehicle model; A wide range of accessories is available for this purpose.
For the sake of achieving the best cooling power we recommend:
- Route cold air ducts to air outlet nozzles as short and straight as possible.
- The total length of cold air duct shouldn’t be longer than 50 feet.
- Connect the longest cold air duct (max. 27 feet) to the central cold air outlet (8), since it has the highest air capacity
- In order to avoid condensation, do not route the cold air ducts close by inflowing outside air (or behind the refrigerator).
Circulated Air Return
- The circulated air is drawn in again by the unit, either via an additional rectangular air grille or via several small openings (e. g. in the stowage box wall) with a total area of at least 50 sq.in
NOTE! - The flue from the vehicle interior to the AC unit instal-lation area must be getting close to the equipment to supply optimum air exchange. Covers must be fitted if necessary to prevent the circulated air return from being affected by stowed objects.
HOW TO INSTAL THE WALL PAD
- The wall pad (12) should preferably be mounted to the wardrobe in such a way that the remote control can be pointed at it without obstructions (length of connecting cable Max 16 feet).
- Take apart wall pad to cover frame (12) and back frame (13). Drill Æ 1.6 inch hole. Lead wall pad cable (15) through hole towards the back and instal wall pad with 2 screws (14 – not included in scope of delivery). Then fit cover frame (12) and route cable (15) to AC control board.

POWER SUPPLY AND WALL PAD TO CONTROL BOARD CONNECTION
- NOTE!: The 115 VAC electrical connection must always be made by an expert who has the corresponding license. The instructions shown here do not permit amateurs to make the electrical connection, and only serve as additional information for an expert who is employed to do the work!
- Make the connection to the unit via the 5 feet long cable with plug (17) to a line that is protected with a 15 A fuse in the vehicle. It is mandatory that connection is carried out with care while observing the correct cable colors!
- Open the unit cover and plug connector of wall pad cable (16) into the control board. The cables must be long enough for the unit to be pulled out of the false floor with the cables attached. All cables must be secured with clamps!
- An insulating device for providing all-pole insulation from the mains with contact clearance of at least 0.14 inch must be provided at the vehicle end for carrying out maintenance and repair work.

OPERATING INSTRUCTION
Must be carefully read the operating instructions and the “Safety Instructions” in preference to start unit! The vehicle owner is responsible for correct operation of the appliance.
Startup
Before switching on the unit, please be sure to check that the camp site has proper power supply fusing (115 V / Min. 10 A).
Note: The default power supply cable with plug is 5 feet length, In order to prevent the power cable of the RV from overheating (minimum cross-section 3 x 2.08 mm²) and the cable drum must be fully unwound.
WALL PAD
- Wall pad setting
Switching on / off
Switch on the AC system by pressing the Switch On / Offutton of the wall pad. The previous settings are logged. - Mode
Select the required operating mode by pressing the MODECooling / Dry / Fan) button one or more times.
Temperature
If needed, use the “Temperature Buttons to set the required room temperature with
and
. Temperature setting range is 60°F to 85°F. Remark: press + and – together for more than 5 seconds, converting temperature unit °F and °C - Fan
Select the required fan speed by pressing the
Fan Speed button one or more times.
Remark: fan speed setting will be disabled when the operation mode is dry. - Clock and date
- Press“
” and “
” button more than 3 seconds into clock and date setting. “ ” will flash for 6 seconds. - Press “
” button to adjust date setting from Sunday to Saturday. - Press “
” or “
” button to adjust clock setting, meanwhile “
” is flashing - Press “
” button for 3 seconds to confirm and save the new setting, exit the clock and date setting. - Press “
” button for 3 seconds, without setting changed, exit to default interface.
- Press“
- Timer
- Press“
” and “
” button together for 6 seconds into timer setting(after buzzer rangs twice and
is flashing then loosen the buttons, this procedure will pass the clock/date setting). - If the timer is disable, the symbols zone will display –:–
- Press“
” button to adjust date setting from Sun-day to Saturday, meanwhile “
”keeps flashing. - Press “
” or “
” button to adjust the clock, meanwhile “ ” keeps flashing. If timer hasn’t been settled earlier, the time display will start from “00 :00”, otherwise it will start from previous time setting. - Press “
” or “
” button to increase and decrease the time setting, keep pressing buttons, time will automatically changed and with three speeds. - Press “
” button for 3 seconds, select switch on/off timer setting. - Press “
” button for 3 seconds, disable the intraday timer setting, time zone will display –:–. - Press “
” button for 6 seconds, disable whole week timer setting, week zone fully display, time zone will display –:–. - Without any button pressing, system will automatically exit to main interface after 10 seconds and save the setting.
- Press“
- Sleep mode
Press “
” and “
” button together for 3 second into sleep mode setting.
Sleep mode on, “
” symbol on;Sleep mode off,”
” symbol off.
Remark:sleep mode will be disable automatically in fan only and dry mode.
Sleep mode will be switched off automatically after 8 hours operation.
ALARM CODE
| Alarm code | Cause |
| E1 | Return air sensor failure |
| E2 | Coil sensor failure |
| E5 | Compressor overload |
| E7 | High pressure sensor trigger |
| E15 | Wall pad and control board communication failure |
| E16 | Coil frozen detected |
| E22 | Discharge temperature sensor failure |
| E23 | High discharge temperature |
Elwell Corporation
Tel: 360-608-0916
Email: [email protected] 680-C South 28th St. Washougal, WA 98671


is flashing then loosen the buttons, this procedure will pass the clock/date setting).
” and “
” button together for 3 second into sleep mode setting.

















