SELVE 298730 i-R Control Radio Control Device

Safety instructions

- Risk of injury through an electric shock.
- Terminal connections to a 230 V network must be made by an authorised electrician.
- Before assembly, always disconnect the main lead from the power supply.
- Ensure that the device cannot be accidentally switched on.
- The provisions of the local public utilities and stipulations for wet and damp rooms in accordance with VDE 100 must be observed when the system is connected.
- Use in dry rooms only.
- For use with unmodified original SELVE parts only.
- Keep persons away from the systems operating range.
- Keep children away from controls.
- Always observe country-specific regulations.
- If the system is controlled by one or more devices, the system operating range must be visible during operation.
- Only cables with sufficient electric strength may be used to connect control cables (protective low voltages).
- The equipment contains small parts that could be swallowed.

General
The i-Control/i-R Control as delivered from the factory controls the drive manually or following external control commands. The i-R Control converts radio signals into control signals. It is possible to manually operate the i-Control/i-R Control at any time.
Designated use
The i-Control/i-R Control may only be used to control roller shutter, awning and venetian blind systems. Connection of other devices must be carried out in consultation with specialized dealers.
- Please note that radio sets cannot be operated in areas with increased risk of interference (e. g. hospitals, airports).
- The remote control is only permitted for equipment and systems with which a malfunction in the transmitter or receiver does not present a risk to persons, animals or objects, or this risk is covered by other safety devices.
- The operator does not enjoy any protection from disturbances by other remote signaling equipment and terminal equipment (for example, also by radio sets operated in the same frequency range in accordance with regulations).
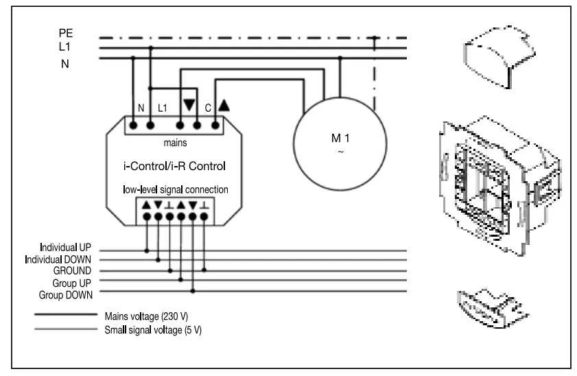
Installation/Connection

Note: The device can be set as a drive controller or group controller using the encoding switch on the back. Ensure that the controls are not installed and operated in the vicinity of metal surfaces or magnetic fields. Metal surfaces or panes of glass with a metallization within the transmission path can reduce the range considerably. Radio sets transmitting at the same frequency could interfere with reception. It should be noted that the range of the radio signal is restricted by legislation and constructional measures.
Note
- Risk of injury through an electric shock.
- Terminal connections must be carried out by an authorised electrician.
- If more than one motor is controlled using the i-Control/ i-R Control, the motors must be decoupled by relay controls. Take into consideration the maximum switched current of the device.
- Remove the protective caps.
- Connect the power supply unit to the i-Control/i-R Control as follows:
Connection as a drive controller
Connection as a group controller (only i-Control)
- Put the protective caps back on the power supply unit.
- Fix the power supply unit in the box.
- Put the operating device in the frame and plug it into the power supply unit.
Default setting
Encoding switch setting:
- Lower position= Alarm signal function on
- Lower position= Drive controller
- Lower position= Roller shutter/awning mode
Explanation of functions/terms used
Explanation of functions/terms used
General
Manual/automatic sliding switch
In the ‘Man’ sliding switch setting, only manual command controls are carried out (UP, STOP, DOWN by pressing the relevant buttons on the device or by remote control). When the sliding switch is set to ‘Auto’, automatic control commands are carried out (e.g. control signals via group control inputs).
Alarm signal control light
When the alarm signal control light is illuminated, this indicates an alarm signal. If there is a permanent switching signal at the group or individual control inputs for more than 5 seconds, it is an alarm signal. The ALARM SIGNAL function can be switched on/off using the encoding switch 1.
Group control
Group control is the control of several motors at the same time.
Programming button {radio)
A transmitter is programmed with the programming button (PROG button).
RESET button
When the RESET button is pressed (with a ballpoint pen or similar), intermediate position and ventilation/tilt position are deleted.
INTERMEDIATE POSITION
The intermediate position is a position of the roller shutter/venetian blind between the upper and lower end limits that can be freely selected. This position can be reached from the upper position after programming. Press the DOWN button twice in rapid succession to move to the intermediate position. When the system is in venetian blind mode, it is also possible to programmea reversing position. In this case, this command will be automatically executed following the intermediate position command.
VENTILATION/TILT
The ventilation/tilt position is a position of the roller shutter/ venetian blind between the upper and lower end limits that can befreely selected. Using this function, you can raise the roller shutter from the lower end limit until the ventilation slits are open. The slats of the venetian blind will be turned. Press the UP button twice in rapid succession to move to the ventilation/tilt position.
DRIVE CONTROLLER
If the i-Control/i-R Control is used as a drive controller, the drive is connected directly to the device. External signals are converted into control commands. The coding switch 2 must be in the lower position.
GROUP CONTROLLER (only i-Control)
If the i-Control is used as a group controller, other group controllers/ drive controllers can be controlled. This control can relay external switching signals. This function can be used to connect groups and carry out joint switching commands. The coding switch 2 must be in the upper position.
Roller shutter or venetian blind setting
Roller shutter or awning mode (down) or venetian blind mode (up) can be set using the encoding switch 3. When the system is in venetian blind mode, the venetian blinds are operated in inching mode so that the slats can be positioned accurately. Press one of the movement buttons for more than 1 second and the venetian blinds will move in lock position.
Function
Functions in manual mode
- UP, STOP, DOWN
- Intermediate position
- Ventilation/tilt position Functions in automatic mode External control commands are carried out in automatic mode.
- UP, STOP, DOWN
- Intermediate position
- Ventilation/tilt position
Starting up the intermediate position
You should only start up or programmed the intermediate position from the upper end limit.
1. Press the DOWN button twice in rapid succession. The blinds will move into the saved intermediate position.
Starting up the ventilation position
You should only start up or programme the intermediate position from the lower end limit.
- Press the UP button twice in rapid succession. The blinds will move into the saved ventilation position.
Starting up the tilt position (venetian blinds)
When the system is in venetian blind mode, the venetian blinds are operated in inching mode so that the slats can be positioned accurately.
- Press one of the movement buttons for more than 1 second and the venetian blinds will move in lock position. Once the programmed intermediate position has been reached , the slats will turn automatically (if the tilt position has been programmed).
Programming
Programming the intermediate position
Prerequisite: The roller shutters/venetian blinds must be in the upper end limit.
- Press the programming button intermediate position and keep this pressed down.
- Press the DOWN button at the same time until the desired intermediate position has been reached. Adjustments can be made by using the UP or DOWN button.
- Let go of the programming button intermediate position. The intermediate position is now saved. The alarm signal control will flash on and off three times.
Deleting the intermediate position
Keep the programming button intermediate position pressed down for more than 5 seconds. The intermediate position is now deleted. The alarm signal control will flash on and off three times.
Programming the ventilation/tilt position
Prerequisite: The roller shutters/venetian blinds must be in the lower end limit.
- Press the programming button ventilation/tilt and keep this pressed down.
- Press the UP button at the same time until the desired ventilation/ tilt position has been reached. Adjustments can be made by using the UP or DOWN buttons.
- Let go of the programming button ventilation/tilt position. Theventilation/tilt position is now saved. The alarm signal control will flash on and off three times. Deleting the ventilation/tilt position Keep the programming button ventilation/tilt pressed down for more than 5 seconds. The ventilation/tilt position is now deleted. The alarm signal control light will flash on and off three times.
Transmitter programming procedure
(only i-R Control)
The operating instructions provided with transmitters must be complied with at all times.
- Transmitter programming procedure
1.1) Learning transmitters into the receivers After connection to the power supply, you can programme every SELVE-intronictransmitter.
Note: The programming mode is ended by a movement command or by successful programming.
When you are using the i-R Control, keep the PROG ~ .button pressed down for 3 seconds. Programming mode is indicated by a brief upwards and downwards movement of the motor. Then the receiver will be in programming mode for 1 minute.
Next press the PROG button of the transmitter to be . learnt for a short time. The transmitter is now permanently programmed.
1.2) Deleting transmitters from the receiver
Note: The reprogramming mode is ended by a movement command or by successful programming.
When you are using the i-R Control, keep the PROG , button pressed down for 3 seconds. Deprogramming mode is indicated by a brief upwards and downwards movement of the motor. Then the receiver will be in deprogramming mode for 1 minute.
Then press the PROG button of the transmitter to be , deleted for a short time.
The relevant transmitter has now been deleted from the receiver. - Reset the receiver to the factory setting
The factory setting means that no transmitter has been programmed and no intermediate positions have been set.
Important: Only disconnect the receivers which are to be reset from the power supply.
Note: The service mode can be ended by a movement command. To reset the receivers to their factory settings, you must have first programmed a transmitter. In order to reset the receivers to their factory settings, the following applies: Disconnect from the power supply
Disconnect from the power supply
The receiver acknowledges this reprogramming mode by means of a brief upwards and downwards movement of the motor. The receivers are now in service mode.
Keep the PROG button pressed down for 9 seconds within 4 minutes of the i-R Control.
The successful resetting of the receivers to their factory settings is indicated by a short up and down movement.
Technical Data
Maintenance
Clean the device with a damp cloth only. Do not use a cleansing agent since this could damage the plastic.
Technical data
| Nominal voltage: | 230-240 V AC/50-60 Hz |
| Switched current: | 5 N250V AC for cos cp = 1 |
| System of protection: | IP 20 |
| Protection class: | II provided the device has been properly installed in accordance with the specifications |
| Permissible ambient temperature: | 0 to +55 °c |
| Type of installation: | Concealed 0 58 mm wall-mounted |
| Radio frequency only i-R Control): | 868,3 MHz |
The maximum radio range is up to 25 m indoors and up to 350 m in the open.
Subject to technical modifications.
General conformity declaration
The company SELVE GmbH & CO. KG, hereby declares that the i-Control is in conformity with the basic requirements and other relevant provisions of the Directive 73/23/EWG and 89/336/EWG. The i-R Control conforms to Directive 1999/5/EC. The declaration of conformity can be seen at www.selve.de.
Troubleshooting
| Problem | Cause | Solution |
| Motor is not functioning | Faulty connection | Check the connection |
| Motor moves in the wrong direction | Faulty connection | Exchange |
| The i-Control does not execute external commands | The i-Control is set to manual mode | Set the i-Control to auto- mastic mode |
| Alarm signal is active | Await alarm signal or eliminate | |
| The i-R Control does not execute external wired com- minds. | The i-R Control is set to manual mode | Set the i-R Control to auto- mastic mode |
| Alarm signal is active | Await alarm signal or eliminate | |
| The i-R Control does not execute manual control commands | Transmitters not programmed | Programmed transmitter |
| Alarm signal is active | Await alarm signal or eliminate | |
| The i-R Control does not execute automatic control commands | Transmitters not program- med | Programmed transmitter |
| Alarm signal is active | Await alarm signal or eliminate | |
| The i-R Control is set to manual mode | Set the i-R Control to auto- mastic mode |




























