SAGINAW CONTROL & ENGINEERING • A/C USER MANUAL

User Manual SCE-AC5100B120V, SCE-AC5100B120VSS & SCE-AC5100B120VSS6

1. User Manual
This instruction manual contains information and instructions to enable the user to work safely, correctly and economically on the unit. Understanding and adhering to the manual can help one:
- Avoid any dangers
- Reduce repair costs and stoppages
- Extend and improve the reliability and working life of the unit
PLEASE ENSURE TO USE THE RIGHT VERSION OF THE INSTRUCTION MANUAL SUITABLE FOR YOUR UNIT
Conditions of Use
The unit is to be used exclusively for the dissipation of heat from control cabinets and enclosures in order to protect temperature sensitive components in an industrial environment. To meet the conditions of use, all the information and instructions in the instruction manual must be adhered to.
General Danger
Indicates compulsory safety regulations which are not covered by a specific pictogram such as one of the following.
High Electric Voltage
Indicates electric shock danger.
Important Safety Instruction
Indicates instructions for safe maintenance and operation of the unit.
Attention
Indicates possible burns from hot components.
Attention
Indicates possible damage to the unit.
Instruction
Indicates possible danger to the environment.
2. Legal Regulations
Liability
The information, data and instructions contained in this instruction manual are current at the time of going to press. We reserve the right to make technical changes to the unit in the course of its development. Therefore, no claims can be accepted for previously delivered units based on the information, diagrams or descriptions contained in this manual. No liability can be accepted for damage and production caused by:
- Disregarding the instruction manual
- Operation error
- Inappropriate work on or with the unit
- The use of non-specified spare parts and accessories
- Unauthorized modifications or changes to the unit by the user or his personnel
Saginaw Control & Engineering is only liable for errors and omissions as outlined in the guarantee conditions contained in the main contractual agreement. Claims for damages on any grounds are excluded.
3. Safety Instructions
Upon delivery the unit is already meeting current technical standards therefore it can be safely taken into operation. Only trained specialists are allowed to work on the unit. Unauthorized personnel must be prohibited from working on the unit. Operating personnel must inform their superiors immediately if any malfunction of the unit becomes apparent.
Please note that before starting to work on or with the unit, a procedure must be carried out inside the cabinet on which the unit is to be mounted.
Before commencing work inside the cabinet, the control cabinet manufacturer’s instruction must be read with regards to:
- Safety instructions
- Instructions on taking the cabinet out of operation
- Instructions on the prevention of unauthorized cabinet reconnection
The electric equipment meets the valid safety regulations. One can find dangerous voltage (above 50V AC or above 100V DC):
- Behind the control cabinet doors
- On the power supply in the unit housing
The units have to be fused according to the type plate and the wiring diagram. Switch the unit off immediately if the electric power supply is interrupted.
Danger Through Incorrect Work on the Unit
Only specialized personnel are allowed to maintain and clean the unit. Regular maintenance and cleaning must be kept in order to ensure that the unit remains in perfect working condition and has a long working life.
Danger from Electric Voltage
Only specialized personnel are allowed to maintain and clean the unit. The personnel must ensure that for the duration of the maintenance and cleaning, the unit is disconnected from the electrical supply.
Attention
Damage to the unit through the use of inappropriate cleaning materials. Please do not use aggressive cleaning material.
Instruction
Damage to the environment through unauthorized disposal. All spare parts and associated material must be disposed of according to the environmental laws.
4. Functional Principle
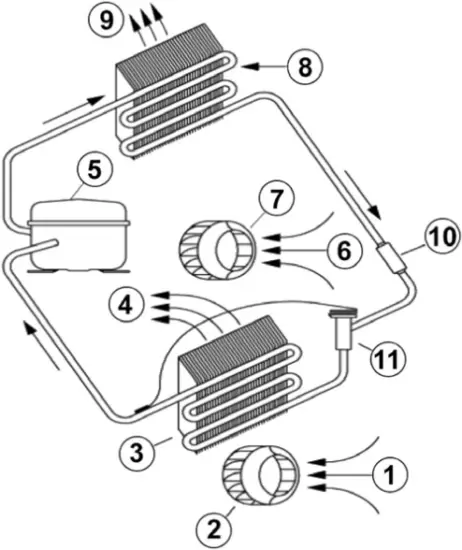
The unit functions on the principle of the compression refrigerator. The main components are: refrigerant compressor, condenser, choke and evaporator. These four components of the refrigerant plant are connected with each other by pipes to form a hermetically sealed system in which the refrigerant (R134a) circulates.
1. Air Intake, Cabinet Side
2. Radial Fan, Cabinet Side
3. Evaporator
4. Air Outlet, Cabinet Side
5. Compressor
6. Air Intake, Ambient Side
7. Radial Fan, Ambient Side
8. Condenser
9. Air Outlet, Ambient Side
10. Filter Dryer
11. Expansion Valve

5. Technical Data
| Part Numbers | SCE-AC5100B120V |
| Cooling Capacity @ 95°F / 95°F | 5100 BTU (1494 Watts) |
| Cooling Capacity @ 131°F / 131°F | 5120 BTU (1500 Watts) |
| Heating Capacity | 1000 W |
| Compressor | Reciprocating Compressor |
| Refrigerant | R134a |
| Refrigerant Charge | 14.0 oz |
| Max. Pressure | 348 psig |
| Operating Temperature Range | -4°F – 131°F |
| Max. Air Volume Flow | Ambient Air Circuit: 385 cfm |
| Mounting | External |
| Housing Material | Mild Steel, Powder Coated |
| Dimensions (H x W x D) | 45.28 x 15.55 x 10.63 inch |
| Weight | 113 lbs |
| Cutout Dimensions | 12.40 x 10.40 inch |
| Rated Operating Voltage / Frequency | 120 V – 50/60 Hz |
| Rated Current @ 95°F / 95°F | 9.6 A |
| Starting Current | 32 A |
| Max. Current | 14.2 A |
| Power Consumption @ 95°F / 95°F | 880 W |
| Max. Power Consumption | 1.29 kW |
| Fuse Rating | 25A (T) – Time Delayed [Slow Acting] |
| SCCR | 5kA |
| Transformer Inrush 120A 0.01 Sec. on 120V & 460V | Unit Class CC fuse / Class C Breaker Not Recommended |
| Circuit Breaker – MCB Type D or K Slow Acting | 16A Slow Acting |
| Connection | Connection Terminal Block |
| NEMA Protection Class | NEMA 3, 3R, 4 & 12 |
| Approvals | CE / cURus / UL Listed |
| Industry Standards | IS19 |
| Sound Level at 1.5 meters | 70 db(A) |
| Max Voltage at Door Switch | 5 A DC |
6. Performance Graph
Enviro-Therm® Air Conditioners 5100 BTU/HR (1494Watts)
Performance Curve
SCE-AC5100B230V, SCE-AC5100B120V, SCE-AC5100B460V
SCE-AC5100B230VSS, SCE-AC5100B120VSS, SCE-AC5100B460VSS
SCE-AC5100B230VSS6, SCE-AC5100B120VSS6, SCE-AC5100B460VSS6
Enclosure Air Temp
131°F/55°C
122°F/50°C
95°F/35°C
68°F/20°C

7. Mounting
Always disconnect the power supply before opening the unit.
Heat load to be dissipated from enclosure should not exceed specific cooling output of the unit at any condition. When selecting a cooling unit, always allow for a safety margin of at least 15% extra cooling output in the worst conditions. Air inlets and outlets must be completely free from obstruction.
Ensure that flows of air leaving and entering the cooling unit, internal and external, are not obstructed. Cooling unit enclosure air suction hole must be installed at the highest possible point. When installing the unit on a door ensure it can take the weight.
Before drilling the enclosure, ensure the fixing elements and couplings will not interfere with the equipment inside the enclosure itself. Disconnect power before starting any work inside the enclosure. Following this 1:1 Scale Drilling Template, drill the holes and make the required cuts on the enclosure. This template may have been affected by storage conditions, please check this template by verifying values of the largest dimensions before drilling. Fit the sealing strip to the cooling unit on the side connected to the enclosure and follow the installation diagram.
8. Mounting Principle
• Do not use within the first 15 minutes after installation!
• Use only the supplied mounting hardware.
• Tighten fasteners to 40 inch lb.
• Ensure the mounting surface does not warp after assembly and reinforce it if necessary.

1. M6 Bolts
2. M6 Toothed Washers
3. M6 Flat Washers
4. Enclosure
5. Mounting Gasket
6. Cooling Unit
9. Cutout Dimensions

10. Dimensions (H x W x D)

11. Electrical Connection
The cooling unit is used where heat needs to be dissipated from electrical control cabinets or similar enclosures in order to protect heat sensitive components. The unit has two completely separate air circuits which ensure that the clean cabinet air does not come into contact with the ambient air which may well be dirty or polluted. Control cabinet air conditioners can dissipate large quantities of heat from sealed enclosures, such as control cabinets, into the ambient air and at the same time reduce the cabinet internal temperature to below that of the ambient air.
The control cabinet air conditioner can function without problems in extreme ambient conditions (e.g. dusty and oily air) with a standard operating temperature ranging between -4°F and 131°F. The stated cooling capacities are according to DIN 3168.
Door Switch
The unit can be switched on and off via a door contact switch. When delivered the door contact terminals are bridged on the female connector. To connect the door contact switch remove the bridge and connect door contact switch. The contact must be closed when the cabinet door is closed.
12. Controller Programming
The cooling unit is intended to be used as a complementary accessory to larger industrial equipment. The unit is used where heat needs to be dissipated from electrical control cabinets or similar enclosures in order to protect heat sensitive components. It is not intended for household use. The unit has two completely separate air circuits which ensure that the clean cabinet air does not come into contact with the ambient air which may well be dirty or polluted. Enclosure cooling units can dissipate large quantities of heat from sealed enclosures such as electrical enclosures into the ambient air and at the same time reduce the cabinet internal temperature to below that of the ambient air.
The unit can function without problems in extreme ambient conditions (e.g. dusty and oily air) with a standard operating temperature ranging between +10°C and +55°C. Units can be ordered with an additional electrical cabinet heater. For the cooling capacities and environmental ratings please refer to the type plate data.
Controller

The display shows the temperature in the range of -50°C to +150°C (-58°F to +302°F). The temperature is displayed with resolution of tenths between -19.9°C and +99.9°C (-3.8°F to +211.8°F). During programming, it shows the codes and values of the parameters. The display also shows icons according to occurring events.
Display icons
Icon | Function | Description |
1 | Compressor relay active | |
2 | Alarm relay active | Flashes when activation is delayed or inhibited by protection times, external disabling, or other procedures in progress |
3 | Heater relay active | |
4 | Ambient blower relay active | |
| Alarm | Flashes when alarms are active | |
| Heating mode | Signals operation of unit in heating mode | |
| Cooling mode in progress | Activated only by manual procedure |
Programming
The operating parameters can be modified using the front keypad. Access differs depending on the type of parameter. Access to configuration parameters is protected by a password that prevents unwanted modifications or access by unauthorised persons.
Setting cooling set point, St1:

- Press and hold “SET” until the display shows St1. Once released the pre-set value of St1 will appear.
(default: +35°C / +95°F) - Reach the desired value by using ▲ or ▼.
- Press “SET” again to save the new value of St1.
Setting heating set point, St2 (only for units supplied with internal heater):

- Press “SET” twice slowly and display should show St2 and then the pre-set value of St2.
(default: +5°C / +41°F) - Reach the desired value by using ▲ or ▼.
- Press “SET” again to save the new value of St2.
Setting temperature units (°C / °F), low temperature alarm and high temperature alarm:

1. Press “PRG” button for 5 seconds to reach the modifiable parameter list.
2. Use ▲ or ▼ to reach the desired parameter:
- C18 for temperature unit of measure
- °C = 0
- °F = 1
- P25 for low temperature alarm threshold (default -10°C / +14°F)
- P26 for high temperature alarm threshold (default +55°C / +131°F)
3. Press “SET” on the desired parameter to display the current value.
4. Use ▲ or ▼ to reach the desired value.
5. Pressing “SET” temporarily saves the new value and returns to the parameters list.
6. Repeat steps 2-5 to set other parameters.
7. Press “PRG” for 5 seconds to permanently save the new values.
Test Function
Different test functions can be used depending on the combination of keys pressed. Such tests run for the duration of 4 minutes.
- “SET+▲” tests Compressor and Ambient Blower relays.
- “SET+▼” tests Alarms and Heater relays
Alarm Relay Function
Both normally closed (NC) and normally open (NO) alarm contacts are provided. These refer to the alarm state. Under normal conditions, the NC contact is closed and the NO contact is open. When an alarm condition is present or the door contact is open, the NC contact will open and the NO contact will close. System power failure will give an alarm condition.
| State | Alarm Relay | Display |
| 1 System powered OFF | ![]() | ![]() |
| 2 System powered ON -NO ALARM -Door Contact Closed | ![]() | ![]() |
| 3 System powered ON -Door Contact Open | ![]() | ![]() |
| 4 System powered ON -ALARM STATE | ![]() | ![]() |
Notes:
State 2: Additional icons (1,3,4, Reverse, Direct, Test) depending on operation.
State 3: The display shows “OFF” alternating with the standard display.
State 4: The display shows “EXX” alternating with the standard display - at the same time, the alarm icon flashes.
Typical alarm codes:
| Error Code | Description |
| E01 | Probe B1 fault |
| E02 | Probe B2 fault |
| E04 | High temperature alarm |
| E05 | Low temperature alarm |
Important Notes
- Whilst programming, if no button is pressed for 10 seconds, the display starts flashing, and after 1 minute returns to the main display without saving changes.
- l To increase scrolling speed, press and hold the ▲ or ▼ button for at least 5 seconds.
- When pressing “PRG” for 3 seconds, the firmware revision code is displayed for 2 seconds.
- When cleaning the controller panel, do not use ethanol, hydrocarbons, ammonia or their byproducts. Use neutral detergents and water.
- In order to protect the unit’s components, minimum relay output on (3 or 7 minutes) and off (4 minutes) times and minimum time (7 or 11 minutes) between activation of the same relay output are applied.
- In case of digital inputs not configured, probes not fitted or configured, or St2 not enabled on the controller the display shows ‘nO’.
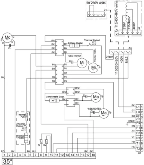
13. Wiring Diagram
Mc | Compressor |
Ma | Ambient Fan |
Mi | Internal Fan |
Cc | Compressor Capacitor |
Ca | Ambient Fan Capacitor |
Ci | Internal Fan Capacitor |
IH | Internal Heater |
TS | Temperature Sensor |
CE | Condensate Evaporator |
CH | Compressor Heater |
C | Controller |
AR | Alarm Relay |
X3 | Transformer Connector |
X4 | Electrical Supply Connections |
| 1 L1 – 230V | |
| 2 — | |
| 3 L2/N – 230V | |
| 4 Earth/Ground | |
| 5 P1 High Temp alarm NO | |
| 6 P2 High Temp alarm COM | |
| 7 P3 High Temp alarm NC | |
| 8 T1 Door Switch Contact | |
| 9 T2 Door Switch Contact |
Notes:
#1 | Mi1 not used in SCE-AC5100B120V/SS |
#2 | X6 is plugged into X5 for units with heater |
#3 | Ma1 + Ca1 not used in SCE-AC5100B120V/SS |

Wiring of a single phase 120 V unit

Notes
High temp alarm can be wired NC or NO
When wires: P1 P2 – NO
When wires: P2 P3 – NC
14. Taking Into Operation
Attention!
The unit can be damaged by lack of lubricant. To ensure that the compressor is adequately lubricated, the oil, which has been displaced during transport, must be allowed to flow back into it. The unit must therefore be allowed to stand for at least 30 minutes before being connected to the mains and taken into operation. Upon connection the internal fan will start working. If the temperature inside the enclosure is higher than the set value of the controller, both the compressor and external air fan start working. Once the air inside the enclosure reaches the set temperature, the compressor and external fan will stop.
The unit is pre-set at 95°F, which is suitable for most of the electronic devices.
If Drainage required, use PVC 10mm (3/8 inch) ID Hose.
15. Repair
| Failure | Condition | Cause | Solution |
Unit Does Not Cool | Internal fan does not work | Power not connected. | Verify power supply |
| Internal fan works, external fan and compressor do not work | Enclosure temperature is below setting temperature (St) | Verify values of parameter “St” | |
| Door switch contact is open | Verify door switch | ||
| Controller does not work | Replace controller | ||
| Internal fan works, external fan and compressor do not work Display shows alternating “OFF” and temperature | The sequence of the phases inside the power supply connector is incorrect | Change phases inside power supply connector | |
| External and internal fan work, compressor does not work | Compressor motor electrical failure | Verify external fan, verify ambient temperature, clean condenser | |
| Capacitor for compressor failed | Replace capacitor | ||
| Compressor works, external fan does not work | External fan needs to be replaced | Replace external fan | |
Enclosure Overheating | Compressor and fans (external and internal) work all the time | Unit cooling undersized | Enclosure needs a bigger cooling unit |
| Enclosure needs a bigger cooling unit | Thermal compressor protector triggered | Verify ambient temperature, clean condenser | |
| Refrigerant leakage | Contact dealer/service center | ||
Excessive Condensate | Door enclosure open | Ambient air gets into the enclosure | Ensure door is closed, add a door switch and connect it to controller |
| Door enclosure closed | Enclosure IP degree minimum IP54 | Seal openings on enclosure | |
| Damaged/misplaced sealing strip | Repair strip accordingly |
16. Maintenance & Cleaning
Always switch power supply off before starting any maintenance on the unit.
Any repairs that may be needed must only be done by qualified personnel. The cooling unit is a low maintenance type and for most environments, no filter is required. If an air filter is installed, check it periodically for dirt and clogs. Clean or replace filter when necessary.
Disposal
The cooling unit contains R134a refrigerant and small quantities of lubricating oil. Replacement, repairs and final disposal must be done according to the regulations of each country for these substances.
17. Transportation & Storage
During transport and storage the cooling unit must be kept in the position marked on the box and at a temperature between -40°F and 158°F and a relative humidity of max. 95% (at 77°F). Check that the packaging has not been damaged during transport.
18. Parts Supplied
1 x Air Conditioner
1 x Instruction Manual with technical information
1 x Mounting Template in 1:1 scale
1 x Installation pack containing:
10 x M6 Bolts
10 x A6.4 Toothed Washers
10 x A6.4 Washers
1 x Female Connector with shorted wired positions for door contact
Saginaw Control and Engineering
95 Midland Road
Saginaw, MI 48638-5770
Phone: (989) 799-6871
Fax: (989) 799-4524
[email protected]
19. Warranty / Limits of Liability
All goods manufactured by SCE shall be warranted to be free of defects in material or workmanship for a period of two years from the date of shipment. Should the product be proven to SCE to be defective, we shall option to repair or replace the product. At no time will SCE reimburse purchaser for unauthorized rework on any product.
Air Conditioners & Heat Exchangers are warranted on parts and service for a period of two years from the date of shipment by Saginaw Control and subject to the following conditions and exclusions:
All Goods must be installed and operated according to the following specifications: Maximum voltage variation no greater than plus or minus 10% of nominal rating; Maximum frequency variation no greater than plus or minus 3 Hz. from nominal rating; Must not exceed minimum and maximum rated temperatures; Must not exceed (BTU/Hr) rating; Filters must be cleaned regularly; Must be installed and grounded in accordance with all relevant electrical and safety codes, as well as the National Electric Code and OSHA rules and regulations; Must be installed in a stationery application, free of vibration.
Our warranty does not warranty product that has been modified, subjected to abuse, negligence in operation or maintenance, or if product is used in a manner that exceeds its designed capabilities and rating.
Warranty related claims will be returned to the factory for evaluation and final disposition of the claim, any replacement parts will be invoiced at standard pricing and credit issued for the returned product. If the product has been found to have been modified, subjected to abuse, negligence in operation or maintenance, or if product has been used in a manner that exceeds its designed capabilities and rating, credit may be reduced, denied or additional cost may be assessed and passed on to the purchaser, such as return freight.


























